| Author |
Message |
Fenris

Joined: Jul 30, 2008 Posts: 145 Location: Horbury. UK
Audio files: 1
|
|
|
Back to top
|
|
 |
Fenris

Joined: Jul 30, 2008 Posts: 145 Location: Horbury. UK
Audio files: 1
|
|
|
Back to top
|
|
 |
PHOBoS

Joined: Jan 14, 2010 Posts: 5939 Location: Moon Base
Audio files: 709
|
Posted: Sun Oct 25, 2015 12:35 pm Post subject:
|
 |
|
drawn in gimp you said ? you maniac
although it might be working I think you are shorting things a bit with that diode but I can't really tell from the schematic right now.
I love the colors but it's hard to see the signal flow for me so I'd have to redraw it. Anway I think you would have to add some
diodes between pins 10-5 and 4-9 of IC4 too and then you need some pulldown resistors aswell. _________________ "My perf, it's full of holes!"
http://phobos.000space.com/
SoundCloud BandCamp MixCloud Stickney Synthyards Captain Collider Twitch YouTube |
|
|
Back to top
|
|
 |
Fenris

Joined: Jul 30, 2008 Posts: 145 Location: Horbury. UK
Audio files: 1
|
|
|
Back to top
|
|
 |
Fenris

Joined: Jul 30, 2008 Posts: 145 Location: Horbury. UK
Audio files: 1
|
|
|
Back to top
|
|
 |
Fenris

Joined: Jul 30, 2008 Posts: 145 Location: Horbury. UK
Audio files: 1
|
|
|
Back to top
|
|
 |
PHOBoS

Joined: Jan 14, 2010 Posts: 5939 Location: Moon Base
Audio files: 709
|
Posted: Mon Oct 26, 2015 1:57 pm Post subject:
|
 |
|
ah my idea for the reset was to use them as inputs, so the connections would have to be reversed from the original circuit,
(switch contact on the step switch) didn't notice they were originaly meant as outputs
If you do use them as outputs I would indeed add a (1K) resistor in series as an extra protection.
good to hear you got it working sofar  _________________ "My perf, it's full of holes!"
http://phobos.000space.com/
SoundCloud BandCamp MixCloud Stickney Synthyards Captain Collider Twitch YouTube |
|
|
Back to top
|
|
 |
Fenris

Joined: Jul 30, 2008 Posts: 145 Location: Horbury. UK
Audio files: 1
|
Posted: Mon Oct 26, 2015 2:19 pm Post subject:
|
 |
|
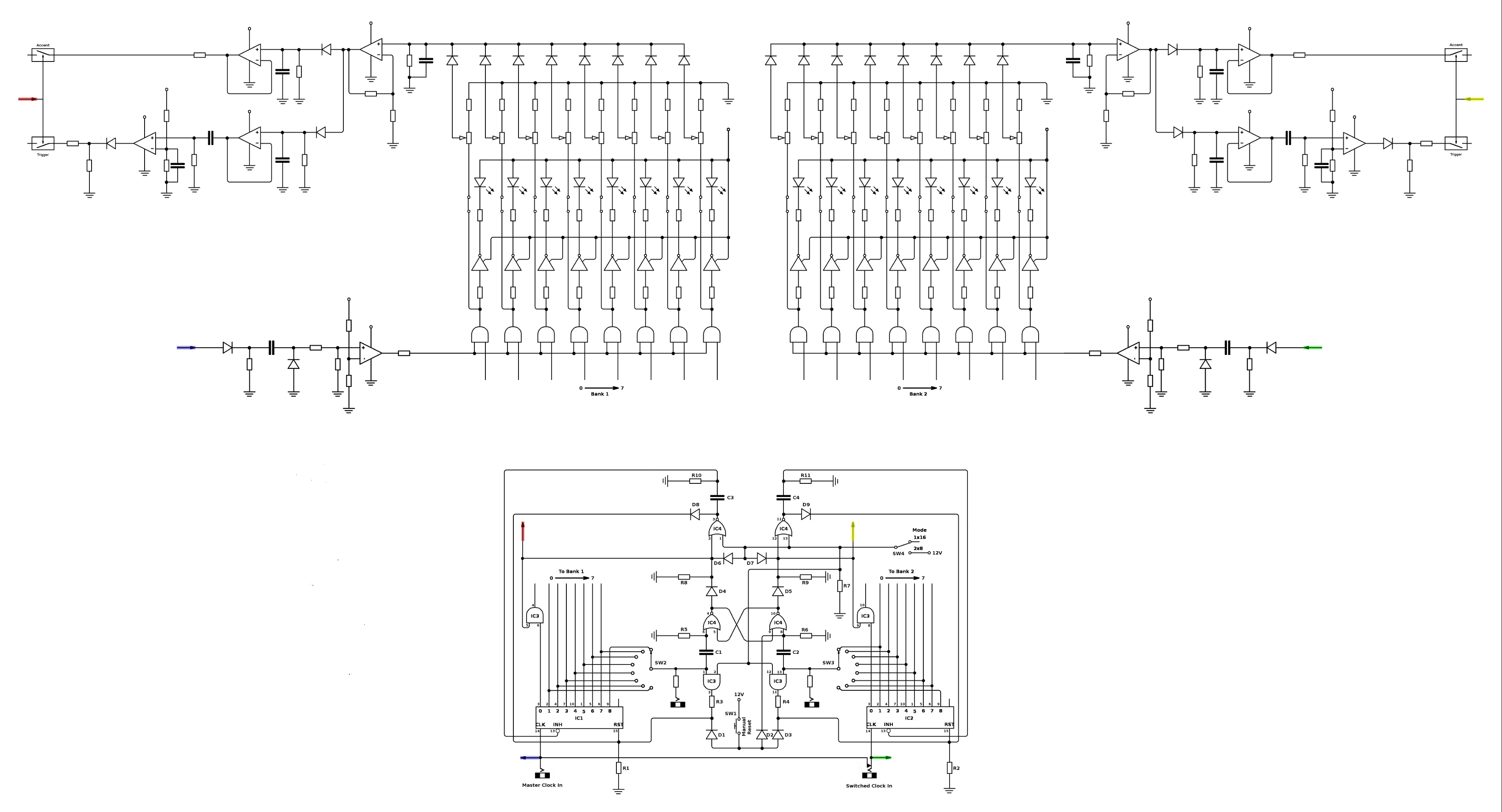
Hi PHOBos
Ah I see. Well sorted now then . Right I will add 1K resistors in GIMP . Currently I'm spending a lot of time in the kitchen watching the 'pretty lights'. Pressing the mode button randomly in an effort to catch the pixies out and see if it misses a step... o_O
But it's all going great. The weirdest thing as far as corrections against the original PE schematic goes is the lines that go from the last resistor/cap on each 4001 gate at the end. One line from each went to the opposite 4017.
If wired like this what happens in 2 x 8 mode, I think it was, is LED 1 in both banks doesn't light. This may be due to my addition of an additional gate to control LED 1 though changing the dynamic. So now both outputs go to their own 4017 for full function in both modes.
The next thing, other than drawing up the Bipolar PSU, Is to draw up the PCB for the Sequencer. All in one board..... Or stackable multi-board Oh the MADNESS! I'm thinking using header sets as used in arduino boards and shields so 'servicing' can be done in the event of me shoving 12V up the wrong way doing damage :/
Fitting the end unit in the tool box may become....... tricky?
Fen _________________ Windows OS Sir?
No thanks. I'd rather shove wasps up my ass |
|
|
Back to top
|
|
 |
Fenris

Joined: Jul 30, 2008 Posts: 145 Location: Horbury. UK
Audio files: 1
|
|
|
Back to top
|
|
 |
Fenris

Joined: Jul 30, 2008 Posts: 145 Location: Horbury. UK
Audio files: 1
|
|
|
Back to top
|
|
 |
Fenris

Joined: Jul 30, 2008 Posts: 145 Location: Horbury. UK
Audio files: 1
|
Posted: Mon Nov 02, 2015 8:51 am Post subject:
|
 |
|
Hello there
Well its all still going on I've refined the schematic a bit. Basically losing the two AND gates top right. They are not needed as taking the same signal that controls the and gates on on the output 0 of both 4017's switches the 4066 switches. I will post the revised schematic later.
The PCB pattern has changed, it's in flux any way , and I am currently assembling a virtual version in sketchup to see if everything fits as it should.
My only niggle at this point, and it's purely a personal thing, is apart from a few groups I have made separate circuits and then brought them together and the only thing this makes slightly difficult is joining up the power lines.
I should get used to the idea that if it can't be seen and it works stop worrying
I'm now also using GIMP to design the panel layout ,from the back, for a wiring map. This will also be useful as a guide for centres for the front display as I get round to it.
On a slightly different note I have just cloned a Velleman PCB for a 7W amplifier. I have one but on a whim, having the components to hand, am building a second to make a small stereo amp for my workshop (the small worktop allocation in the kitchen). It also is another test of DIY toner etching as I have some .75mm traces on it. I'm gradually getting used to what I can do on screen and if it actually works in real life.
The 170gsm Matt photo paper staples uses for my prints is brilliant. Practically falls off in the water and the toner lays on well no spreading. I think Next time I do a PCB I'll have a swatch of trace thicknesses below 1mm and gaps similarly below 1mm in increments.
Anyhoo all for now
Fen _________________ Windows OS Sir?
No thanks. I'd rather shove wasps up my ass |
|
|
Back to top
|
|
 |
Fenris

Joined: Jul 30, 2008 Posts: 145 Location: Horbury. UK
Audio files: 1
|
Posted: Tue Nov 03, 2015 1:54 pm Post subject:
|
 |
|
Hello there
Well the refining continues. I have redrawn the Pulse control PCB. This board has the Gate2Trigger circuit, AND gates and the LED drivers on it. In this instance I have broken them back down into 2 pairs.
So a G2T A pair of CD4081 IC and an ULN2308 X2. This has made a more compact and neater board for this part anyway.
I'm eying up the sequencer core to see if I can improve it further and address the power routing. Here's a pic of the PCB in question and the revised Schematic with the previously mentioned AND gates removed.
Fen
PS. The 7W Stereo Amp works great. Just Knocking up a wooden case for it to hone my enclosure skills back up to snuff
| Description: |
|
| Filesize: |
234.18 KB |
| Viewed: |
552 Time(s) |
| This image has been reduced to fit the page. Click on it to enlarge. |

|
| Description: |
| I have a cunning plan My Lord! |
|
| Filesize: |
548.83 KB |
| Viewed: |
572 Time(s) |
| This image has been reduced to fit the page. Click on it to enlarge. |

|
_________________ Windows OS Sir?
No thanks. I'd rather shove wasps up my ass |
|
|
Back to top
|
|
 |
Fenris

Joined: Jul 30, 2008 Posts: 145 Location: Horbury. UK
Audio files: 1
|
|
|
Back to top
|
|
 |
Fenris

Joined: Jul 30, 2008 Posts: 145 Location: Horbury. UK
Audio files: 1
|
Posted: Thu Nov 05, 2015 2:53 am Post subject:
|
 |
|
Hello there
Well here's a look at the 2 PCB's. I believe, subject to checking, that everything is correct. Both are 98mm X 80mm One is the Logic Board which also has the 4017 and drum trigger circuits on. The other is the Pulse driver board and LED display.
14 Chips in total to drive either one drum module, in 1 x 16 mode or 2 drum modules in 2 x 8 mode. I hope this is going to be worth it! Especially as the intention is to build multiple units.
Here's the pics.
Fen
| Description: |
|
| Filesize: |
268.6 KB |
| Viewed: |
18875 Time(s) |

|
| Description: |
|
| Filesize: |
234.63 KB |
| Viewed: |
18876 Time(s) |

|
_________________ Windows OS Sir?
No thanks. I'd rather shove wasps up my ass |
|
|
Back to top
|
|
 |
Fenris

Joined: Jul 30, 2008 Posts: 145 Location: Horbury. UK
Audio files: 1
|
Posted: Wed Nov 11, 2015 12:12 pm Post subject:
|
 |
|
Hello there
Well stuff has been ordered to get on with the build. Sadly I realised a little late I'd neglected to order the 3.5mm stereo sockets needed to interface I/O. but there ya go
In the mean time I keep fettling the PCB layouts slightly. I'm pretty happy with the result. Both boards have a good power route to all parts now and I'm pretty sure everything is correct....... Subjct to further checking
Also been playing in GIMP with panel layouts. One for the wiring and one for the front view. These are done as if there are the full 5 sequencer circuits, as planned, rather than just the one that there will be for now.
In the throes of all this it looks like the way this is being done may change. I was aiming at an all in one unit. Sequencer, Drum circuits, Clocks and Clock variants. As it stands this unit may change to 'Sequencer and Clock/Clock Variants'. We shall see how it goes.
Also nearly finished my mini amplifier Outstanding is a pair of small brackets to tie the heat sink to the metal back panel for stability and something to 'fill the access hole' with. I was going to make a wood tray for my MP3 player to lay in. But I think a better solution is to enlarge the hole and line it with an ABS form keeping a more low profile finish. The first blue LED died! Checking the 12V DC PSU it is actually putting out just short of 16V DC! So new LED and a 1.5K resistor and it's all good.
The extra volts also mean I am getting around 7W output So all that and a bit of paint and the jobs a good'un.
Fen
| Description: |
|
| Filesize: |
2.02 MB |
| Viewed: |
542 Time(s) |
| This image has been reduced to fit the page. Click on it to enlarge. |

|
| Description: |
|
| Filesize: |
1.65 MB |
| Viewed: |
572 Time(s) |
| This image has been reduced to fit the page. Click on it to enlarge. |

|
| Description: |
|
| Filesize: |
656.12 KB |
| Viewed: |
560 Time(s) |
| This image has been reduced to fit the page. Click on it to enlarge. |

|
| Description: |
|
| Filesize: |
516.66 KB |
| Viewed: |
580 Time(s) |
| This image has been reduced to fit the page. Click on it to enlarge. |

|
_________________ Windows OS Sir?
No thanks. I'd rather shove wasps up my ass |
|
|
Back to top
|
|
 |
Fenris

Joined: Jul 30, 2008 Posts: 145 Location: Horbury. UK
Audio files: 1
|
Posted: Mon Nov 16, 2015 12:16 pm Post subject:
|
 |
|
Hello there
Not much to report. Other than my parts have arrived..... I have been allowed to check them off.... But I'm not allowed them until christmas!
That said I can wait. It's not far off and I have the PSU to draw up as well...... Though the 2 regulator chips are in the same order as well...... DAMN!
Looks like apart from forgetting to order the audio sockets the other fly in the ointment turns out to be the LEDs I ordered. Not sure what I thought I was ordering but it seems it's a mixed bag of LEDs so other than useful for random projects, not what I wanted for this....... DOH!
My idea was to possibly have each sequencer colour coordinated. So red LED's with knobs that have a matching marker. Green LED's.... etc etc.
In other news. I've been absent a few days due to being a tad unwell. Not drinking enough fluid on my new anti migraine medication, bad mistake! Missed some good radio streaming as well by the looks of it but things are on the mend now. Once I began rallying I managed to play around and breadboard a nice colour organ circuit I found online. 2 of these, for stereo, will be built and fitted in my mini amp.
Also turns out I have a load of TL074 TL072 IC's so I'm going to knock up some drum trigger boards for testing purposes
Good to be back
Fen _________________ Windows OS Sir?
No thanks. I'd rather shove wasps up my ass |
|
|
Back to top
|
|
 |
|