Joined: May 15, 2009 Posts: 96 Location: Lawrence Kansas
Audio files: 3
Posted: Tue May 29, 2012 7:47 am Post subject:
This is great stuff Phobos! I've been working on a design of my own that would be happy sitting somewhere between the jabberwok and Hordijk's rungler. I've been focusing more on audio-rate things, however I feel the need to look at the lower frequency spectrum (lfo/gate source) now... =) _________________ www.soundcloud.com/adamon
I breadboarded the Jabberwock, and I think I made a mimsy or 2, because it doesn't sound much like PHOBoS' sample. It seemed that the first 3 oscillators had little effect. Anyway, I decided that I needed to press on with other projects, so I didn't try very hard to debug it, and now it's cleared off the breadboards.
However, here is a sample of the kind of thing I was getting. At much higher oscillator speeds, one can get kind of white-noise-radio-static type stuff (which this snippet doesn't demonstrate except perhaps for a second or 2 near the end).
Joined: Jan 14, 2010 Posts: 5881 Location: Moon Base
Audio files: 709
Posted: Sun Jun 03, 2012 4:48 am Post subject:
RingMad wrote:
I breadboarded the Jabberwock, and I think I made a mimsy or 2, because it doesn't sound much like PHOBoS' sample. It seemed that the first 3 oscillators had little effect. Anyway, I decided that I needed to press on with other projects, so I didn't try very hard to debug it, and now it's cleared off the breadboards.
well you're right about the first 3 oscillators having little effect. They do have an effect (which you probably
would hear more clearly without the 100uF 'glide' cap, but you won't hear it directly. Allthough I do hear a very
clear effect with the Jubjub osc. at full speed, that sounds a bit like it strecthes the jabbering. I did think
about using some fixed resistors instead of pots for those oscillators at first but then I'd never know what
sounds might be in there. so I left them in place. You should however get some typical sounds by twisting
the 'burbling' and 'whiffling' pots and I think I heard some of those near the end of the recording
maybe with some more experimenting it's possible to get those first oscillators to have a more profound effect.
But I liked what it was doing and, just like you, I had to get my breadboard cleared,. so I left it as it was at that stage.
(I do have an idea for a simplified version, have to test that out)
btw, did it have eyes of flame ?
To come back to what started this thread,. I drew a schematic of a circuit that is a combination
of the original waveshaper and the semi-random generator with a bunch of switches to get all kind
of waveforms. It should be usefull as an LFO but also functions at audiorates. I don't think
I'm completely happy with what I got so far, but haven't done any testing yet because it's not really
a very breadboardable (?) circuit. I should probably just post what I got right now ,. but I'm first finishing up
something else, which gives me some more breadboard space in case I do need to do some tests. _________________ "My perf, it's full of holes!" http://phobos.000space.com/ SoundCloudBandCampMixCloudStickney SynthyardsCaptain ColliderTwitchYouTube
Joined: Jan 14, 2010 Posts: 5881 Location: Moon Base
Audio files: 709
Posted: Sun Jun 03, 2012 2:07 pm Post subject:
Ok here's what i got sofar, it's more of an idea then a full circuit.
I started out by trying to combine the 4015 waveshaper with the shiftregister/XOR semi-random generator
(need another name for that). But as it turnes out those 1 stage shiftregisters in the 4006 are important
for a semirandom effect. so I went back to using that one. The downside is that the 4006 doesn't have a reset pin
so I don't think I got a saw out of it, but I was able to get the triangle wave. However what kind of wave you
get varies on whatever is currently in the shiftregister, and at one point I had a circuit that created and repeated
a new sequence/waveform everytime I flipped a switch (could also be done with an external signal).
I first drew out a couple of schematics and then combined those to get the monstrosity you see below. Instead of
using just a couple of switches to get a few options, I decided to go for 12 step switches (those things above the
XOR gates). which can give you a lot more options. A lot of them can produce the same result, again
depending on what's in the shiftregister when you switch, this also makes it very unpredictable (unless you're a
genius with boolean logic).
This is all fun offcourse but sometimes you want to be able to repeat a setting. For this reason I added the
circuit with the 2 NAND gates and the 1/0 pushbuttons. With these you can force the input of the shiftregisters
(the blocks at the bottom are the shiftregisters of the 4006) high or low. Forcing it low for 18 clock cycles
will empty it completely. and depending on the settings of the switches it will be filled in a certain way.
You can set it so it will just cycle the bits you add manually, which can create the triangle.
I also added the options to insert bits to the XOR gates, so you could hook up a 4040 to this or whatever you want.
For now I made 2 oscillators with the leftover NAND gates, one slow the other fast, so it can produce LFO or audio
frequencies. One thing that might not be clear, the double circles are external in/outputs, the single ones are
internally connected, since it would get very messy to draw all those connections.
I am thinking of replacing the set of 4 resistors with a R2R which I did a quick experiment with and is
indeed a lot more fun. But,..
I think this circuit would be most usefull in a lunetta modular system and in that case I would opt for
seperate R/2R ladders and resistor mixer modules. So maybe leave that part out alltogether.
CMOS WaveShaper multiswitch.gif
Description:
Filesize:
87.7 KB
Viewed:
1525 Time(s)
This image has been reduced to fit the page. Click on it to enlarge.
Joined: Nov 10, 2011 Posts: 878 Location: Lancashire, England
Audio files: 14
Posted: Mon Jun 04, 2012 5:21 am Post subject:
That looks so good and so much easier to understand It seems like the idea has really coalesced into something very neat and tidy and functional, I look forwards to a demo _________________ As a mad scientist I am ruled by the dictum of science: "I could be wrong about this but lets find out"
Joined: Jan 14, 2010 Posts: 5881 Location: Moon Base
Audio files: 709
Posted: Tue Jun 19, 2012 6:44 am Post subject:
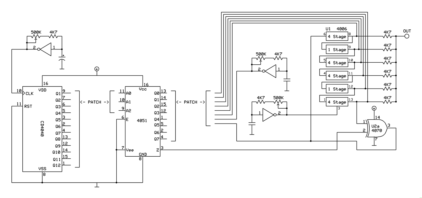
CMOS Waveshaper + 4040 4051 test Subject description: The saga continues
JingleJoe wrote:
That looks so good and so much easier to understand It seems like the idea has really coalesced into something very neat and tidy and functional, I look forwards to a demo
I tried to make it look not too complex, it's probably not even that hard to wire up, just a lot of it
(ribboncable and PCB connectors can take care of some of the work)
But I'm probably not gonna build it anytime soon. If I do it will be a module part of a bigger system,
and I have enough things to finish as it is to start on another (big) project.
I did however do another test. I used one XOR with it's output connected to the input of the waveshaper,
and one of its inputs to the last ouput of the 4006. I noticed that by attaching the other input to different
outputs of the 4006 I could get what sounds like different notes. So I hooked up a 4051 controlled by a 4040
to create a melody (if you can call it that). I think it actually works kinda similar to 4017/4051 melody generator
and a PIC experiment I just did)
I'm still cutting up the recording but I've posted the first cuts here
and here's a schematic which shows what I did, or at least part of it,..
CMOS WaveShaper 4040 4051.gif
Description:
Filesize:
51.33 KB
Viewed:
1582 Time(s)
This image has been reduced to fit the page. Click on it to enlarge.
Wow. What, a thread! Why, did it stop? I've lost track of how many things I've saved from this thread and all of the wonderful stuff that I listened to!
Thanks greatly Phobos, especially!
Joined: Jan 14, 2010 Posts: 5881 Location: Moon Base
Audio files: 709
Posted: Sat Mar 01, 2014 5:01 am Post subject:
thanks , For me it didn't really stop, just put on pause. And I still want to make the big circuit with all the switches but as often this was something I
experimented with in between working on other projects. So there's other stuff to finish first and while finishing those I start new projects aswell
(it never ends ). I did found out recently that the big circuit is an extended version of the "Turing Machine" sequencer, which uses a shiftregister and
one XOR gate. Be it that in the turing machine the XOR gate is build in a complex way and it uses a DAC at the output. (but that would be the same if
you use an R2R) _________________ "My perf, it's full of holes!" http://phobos.000space.com/ SoundCloudBandCampMixCloudStickney SynthyardsCaptain ColliderTwitchYouTube
thanks , For me it didn't really stop, just put on pause. And I still want to make the big circuit with all the switches but as often this was something I
experimented with in between working on other projects. So there's other stuff to finish first and while finishing those I start new projects aswell
(it never ends ). I did found out recently that the big circuit is an extended version of the "Turing Machine" sequencer, which uses a shiftregister and
one XOR gate. Be it that in the turing machine the XOR gate is build in a complex way and it uses a DAC at the output. (but that would be the same if
you use an R2R)
Well - let's see more babble about new projects then! From the little bits of reading that I've done since returning here a few days ago, there've been a huge pile of inspirations for me. Not an endless amount to catch up on, but after I get MY weeks of work stuff done ... it could easily be weeks to try out all of the new ideas that I've seen posted here.
The Turing Machine as well - I'll be adding TO my new Lunetta machine. (Was originally going to go into my standard modular.) If something similar to it could done normal chips wise though ... ooooo. I'll have to find / look at, it's schematic.
Joined: Jan 14, 2010 Posts: 5881 Location: Moon Base
Audio files: 709
Posted: Sat Mar 01, 2014 6:45 pm Post subject:
Richarius wrote:
The Turing Machine as well - I'll be adding TO my new Lunetta machine. (Was originally going to go into my standard modular.) If something similar to it could done normal chips wise though ... ooooo. I'll have to find / look at, it's schematic.
It's a shiftregister with a XOR wired between the last output and the input, and the other input of the XOR is fed with a noise signal through a
comparator. So if it's 1 when the CLK happens the bit will be inverted and the sequence will change, if it's 0 the sequence will stay the same.
It also has a switch to force a 0 or 1, but in a crude way. A DAC at the end turns it into a CV. I think that was it if I remember correctly.. _________________ "My perf, it's full of holes!" http://phobos.000space.com/ SoundCloudBandCampMixCloudStickney SynthyardsCaptain ColliderTwitchYouTube
Sounds great.
I was going through the schems today, of an old CMOS waveshaper idea I had years ago.
I'm looking forward to doing more with this stuff. _________________ What makes a space ours, is what we put there, and what we do there.
Joined: Sep 26, 2016 Posts: 134 Location: norwich, uk
Posted: Thu Nov 24, 2016 11:04 am Post subject:
I havent tried this yet but it should give a 16 steps up 16 down triangle. It uses xors with one input of each going to the biggest bit of the counter to get the down slope.
see what you think...
If it works im planning on making a quad vco out of these
Last edited by mike page on Sat Dec 17, 2016 10:14 am; edited 1 time in total
Yep, should work. You can use a pull-up resistor and a center-off switch to select the waveform: connect one lug to ground (ramp up), the other to the counter (triangle), and the common one to your XORs with a pull-up (ramp down when switch is off).
Joined: Jan 14, 2010 Posts: 5881 Location: Moon Base
Audio files: 709
Posted: Thu Aug 31, 2017 6:40 am Post subject:
Nice idea, not sure what it would look/sound like. For the first one it would probably be interesting when
the frequencies are close together. For the second one you'll need some pretty precise resistors so I don't
know how well that would work. I don't think it would be as interesting as the first setup though. but I might
be completely wrong.
Ooo. Going to have to try that. I'm curious as to whether adding an extra BIT or 2 for depth, would smoothen out the resolution of the apparent Sinewave.
You cannot post new topics in this forum You cannot reply to topics in this forum You cannot edit your posts in this forum You cannot delete your posts in this forum You cannot vote in polls in this forum You cannot attach files in this forum You can download files in this forum