| Author |
Message |
DETOX
Joined: May 22, 2008 Posts: 143 Location: Germany
|
Posted: Tue Feb 23, 2010 1:49 pm Post subject:
Hing Hon EK-001 |
 |
|
Hey there !
I know a lot of people have already stumbled across this keyboard as I did some time ago. It has probably been produced more often than any other toy-keyboard all over the world.
Besides that it has a very characteristic sound, a mic input and is GREAT for circuit bending. It actually is my most successful bent.
Has anyone of you ever bent one? I accidentaly desoldered the mic-input jack, but i'd like to attach it again. does anyone of you know where to solder it on the pcb?
image from http://weltenschule.de _________________ Waldorf Pulse |
|
|
Back to top
|
|
 |
droffset

Joined: Feb 02, 2009 Posts: 515 Location: London area
Audio files: 2
|
|
|
Back to top
|
|
 |
electri-fire
Joined: Jul 26, 2006 Posts: 536 Location: Dordrecht NL
Audio files: 4
G2 patch files: 4
|
Posted: Tue Feb 23, 2010 3:08 pm Post subject:
|
 |
|
Yep, but my web page has been screwed up AGAIN for some reason. No sounds, pics missing.
Well, the weltschule/tableHooters/waranty Void site has all the basic bends. The site is down a lot, I recommend you save the info.
More fun: Totally remove the pitch resistor and replace with a pot 500K-1M or higher. This thing can be pitched WAY down. I had a pitch with two 1.5M pots in parallel I liked a lot, as you can use one to set the range.
It's duophonic, each voice has it's own envelope signal sent from the blob that is smoothed with two capacitors. These can be replaced, or a pot inserted, or voltages added to change / scale / modulate the envelope. when doing different bends or settings at each capacitor with each key played the envelopes alternate.
An electri-fire discovery: Play with multiple sound select buttons held down. Now pitch way down. Nice right? I had the sound select buttons paralleled with spdt switches to select the button holds.
Mic connection? Ooh, I don't know. Somewhere near the amp section. Usually a 386 poweramp: http://www.national.com/ds/LM/LM386.pdf (pin 2 or 3 ? , but I've had versions with a transistor amp as well.
| Description: |
|
| Filesize: |
107.05 KB |
| Viewed: |
68168 Time(s) |

|
|
|
|
Back to top
|
|
 |
electri-fire
Joined: Jul 26, 2006 Posts: 536 Location: Dordrecht NL
Audio files: 4
G2 patch files: 4
|
Posted: Tue Feb 23, 2010 3:27 pm Post subject:
|
 |
|
| droffset wrote: | | I'm intrigued, need to see if these are available so I can play with it too. |
You can find one eventually, they're all over the place, in different casings. I have a subject on my page on recognising the right circuit, with some example pics of toy keyboards, but my web provider keeps messing up the page for some reason.
Anything with the 8 (sometimes less) sounds, 4 drum pads, 37 keys, optional mic in might be the right target.
Seemingly similar versions with animal samples etc. are usually less bendable, more crash prone. The Hing-on doesn't crash. Ever. I've very slowly fried a couple though. Half fried sounds best. Absolutely fabulous. But you might want to stay away from the battery/amp section or poke with a small resistor in between your probes. |
|
|
Back to top
|
|
 |
droffset

Joined: Feb 02, 2009 Posts: 515 Location: London area
Audio files: 2
|
|
|
Back to top
|
|
 |
electri-fire
Joined: Jul 26, 2006 Posts: 536 Location: Dordrecht NL
Audio files: 4
G2 patch files: 4
|
Posted: Wed Feb 24, 2010 7:57 am Post subject:
|
 |
|
I never payed more than 5 euros at fleemarkets. That said, I haven't been looking for more bend targets for the last two years, I still have two or three unbent EK-1's among my stuff. I was having the impression the amount on offer is diminishing.
But $55? That's utterly ridiculous. I call that robbery. |
|
|
Back to top
|
|
 |
droffset

Joined: Feb 02, 2009 Posts: 515 Location: London area
Audio files: 2
|
|
|
Back to top
|
|
 |
jamiewoody
Joined: May 28, 2010 Posts: 10 Location: western north carolina
|
Posted: Fri May 28, 2010 10:45 pm Post subject:
|
 |
|
tetoks....you are going to LOVE this thing!
not only is it easy to bend, it is also very versitile. most of it is hand wired, so this makes it all easy to find.
heads up on a few things though:
• when the screws are not tightened, it is hard to produce a sound from the keyboard, because the sensors do not hit well.
• turn it upside down and be careful with removing bottom well. otherwise, those rubber buttons will go EVERYWHERE! not fun!
• you will find on the voices, when you press more than one key at a time, it sounds very glitchy...this is cool! i found the wires for these, and hooked them up to a rca patchbay!
• you can find lots of groovy stuff, pitch bends, etc. i am sure you will find even more than i did! |
|
|
Back to top
|
|
 |
electri-fire
Joined: Jul 26, 2006 Posts: 536 Location: Dordrecht NL
Audio files: 4
G2 patch files: 4
|
Posted: Sat May 29, 2010 2:04 pm Post subject:
|
 |
|
Darn,I'm afraid these are getting scarce. Just a few years ago I left fleemarkets with maybe two or three, this year I found not a single one.  |
|
|
Back to top
|
|
 |
droffset

Joined: Feb 02, 2009 Posts: 515 Location: London area
Audio files: 2
|
|
|
Back to top
|
|
 |
electri-fire
Joined: Jul 26, 2006 Posts: 536 Location: Dordrecht NL
Audio files: 4
G2 patch files: 4
|
Posted: Mon May 31, 2010 6:37 am Post subject:
|
 |
|
| droffset wrote: | | I THOUGHT I had one but I'm not sure.. |
Good signs:
You get the "hold multiple soundselect buttons" glitch
Microphone input
The 8 sounds and rhythms, 4 drumpads.
Good pitchbend without crashing
Bad signs:
Drum or animal samples
Crashes with high pitchbends
Modern additions like record sequence or LDC screen
You might post a photo. |
|
|
Back to top
|
|
 |
destroyifyer

Joined: Mar 22, 2006 Posts: 425 Location: Babylon
Audio files: 4
|
Posted: Sun Aug 01, 2010 3:27 pm Post subject:
Americanize that shit |
 |
|
 |
|
|
Back to top
|
|
 |
destroyifyer

Joined: Mar 22, 2006 Posts: 425 Location: Babylon
Audio files: 4
|
Posted: Sun Aug 01, 2010 8:31 pm Post subject:
|
 |
|
| The only bend I have on the last one of these I picked up is a 500 ohm pot on the + battery wire. It does somewhat velocity-sensitive envalope-sounding pitch mods with the pitch going up, I'm sure the power mod would do much more with other mods of course. My other one I had those 4 drum buttons hooked up to a couple spots, and you could hold them down with the thing off and do all sorts of cool sounds, like phased lofi noise sounds. I personally got much better mods out of this with the power switch in the off position... |
|
|
Back to top
|
|
 |
destroyifyer

Joined: Mar 22, 2006 Posts: 425 Location: Babylon
Audio files: 4
|
Posted: Wed Aug 11, 2010 9:14 pm Post subject:
|
 |
|
| Also, if during bending this keyboard the 4 drum buttons stop working, I posted a paragraph on how to fix that here. |
|
|
Back to top
|
|
 |
jamiewoody
Joined: May 28, 2010 Posts: 10 Location: western north carolina
|
Posted: Mon Aug 30, 2010 10:02 pm Post subject:
|
 |
|
these things are a blast to bend!!!
hook up a few 500k pots...i found one bend that distorts, one that pitch shifts, i disconnected the"voice" buttons and wired a patch bay...WEIRD!
i was just looking at an elenco manual for a similar keyboard, and i came to the conclusion that mine is different! there is an op-amp and a 9037 in the elenco version. i looked inside of mine, and there was a small, pbc with a couple of transistors (not sure if npn or pnp yet), and a handful of resistors, 2 diodes and caps. there is also a small circuit for the keyboard. pretty cool!
i have a feeling that i could be doing so much more with this baby than i have! |
|
|
Back to top
|
|
 |
PHOBoS

Joined: Jan 14, 2010 Posts: 5881 Location: Moon Base
Audio files: 709
|
Posted: Fri Jan 18, 2013 7:24 am Post subject:
|
 |
|
I just got my hands on 2 'new' keyboards yesterday
Because they look older then what I usually get I was hoping that these would not be your typical black blob matrix wired keyboards.
One thing I noticed is that they both have almost the exact same functions which made me wonder, could it be that they actually
contain the same chip ? They also sound pretty much the same except the demo is different.
So I opened them up, and they both contain a black blob but it doesn't look like your usual circuit. It has a lot more pins and there are
a lot of other components in there aswell. However one of those keyboards is constructed in such a way that I have to resolder some
ribboncables to actually see what parts are on it and how it's wired.
anyway, after drawing the schematic of the other keyboard, I searched the web to see if I could find some info on it. I did a quick search
yesterday but didn't find a lot. But now I did, and what I suspected just got confirmed . The keyboard I drew the schematic of is labeled
as 'SUPERB SOUND model EK-210" while the other one doesn't have any identification on it at all. But by looking for the EK-210 I ended up
at the Table Hooters site for the Hing Hon EK-001, and it turns out that that is the other keyboard I have !
Searching for the Hing Hon EK-001 gives a lot more hits and it's also how I found this thread, So I shall share any info here.
first some dfferences between the 2 keyboards:
The EK-210 has seperate controls for rhythm and voice volume which the EK-001 doesn't have (so you can add that to it).
However the EK-001 has a mic input with volume control, the EK-210 doesn't have a mic inout at all. I haven't tested it, but I assume
it's just mixed in with the signal, not processed in any way. (Might be usefull for feedback though). As I allready mentioned the demo is
different, I really like the melody of the EK-210. Not sure what it is, but I'll probably find that info somewhere. The EK-210 runs on 6
batteries and has a DC input labeled to be used with 9V. While the EK-001 runs on 4 batteries and has a DC input labeled to be used with
4.5-6V. The EK-001 has a headphone ouput, the EK-210 doesn't. And then there is another very usefull feature on the EK-001, a beat LED
which actually flashes brighter on the first beat. I have to check what signal this is (probably PWM) but I bet it can be used as a CLK for
other circuits (and add it to the EK-210)
I haven't drawn the schematic of the EK-001 yet (might be available online) so I can't compare the actual circuit yet. I did noticed there was a
trimpot on the Ek-001 PCb which the EK-210 doesn't have.
Some things I noticed from the EK-210 schematic. There is a voltage regulator section with a 5.1V zenerdiode for the supply of the main chip/blob.
I will probably replace this with a standard 78l05. There is an LM386 in there which is powered directly form the input voltage. Well not directly,
since there is a 4.7 ohm resistor in series with the batteries/DC in. There are 3 resistors and 1 capacitor in there that I'm not sure what they
are for yet (I'll approach them with my finger ) I guess at least 1 is for pitch, maybe in combination with the cap ?. But I bet I can find that
info somewhere. And then there is something I'm wondering about considering the drum sounds. 4 pins of the chip/blob are tied together to
produce the drums. There are also 4 drum sounds, could it be that each pin has a seperate sound ? Or otherwise just adding some switches
between those pins might give some interesting variations. (anyone who tried this ?)
I'm gonna see what info I can find and I want to draw the schematic of the Ek-001 aswell. After that I have some other projects that I should
finish first because it looks like this is gonna be a big but fun one (maybe I'll combine the 2 keyboards)
edit: link to the similar ak-900 PDF (with schematic). _________________ "My perf, it's full of holes!"
http://phobos.000space.com/
SoundCloud BandCamp MixCloud Stickney Synthyards Captain Collider Twitch YouTube |
|
|
Back to top
|
|
 |
PHOBoS

Joined: Jan 14, 2010 Posts: 5881 Location: Moon Base
Audio files: 709
|
Posted: Fri Jan 18, 2013 11:09 am Post subject:
|
 |
|
I'm reading the AK-900 pdf which is VERY interesting
it does seem to use a 9037 chip while the EK-201 uses a 9038 chip. Maybe it's just the demo that's different maybe something else,
but the schematic of the AK-900 is very similar to the one I've drawn of the EK-210. (will post it here)
Looking at the block diagram of the 9037 it shows (as I was hoping) that the 4 pins used for the drums each have there own drum sound.
Which means you can add level/panning control and on/off switches (which you could control with some logic) for each of them
I'm wondering now if it would be possible to add an external oscillator instead of the build in one, then use some digital waveform and
play with that on the keyboard.
edit: I'm actually pretty sure it can work with an external oscillator,. hmm how about a CD4046 ? or since I'm working on Tim Escobedo's
PWM circuit (with VCO) add that, have some other sound source control the main CLK speed of the CPU. Also the key frequencies are derived
from the main CLK so if I divide it and hook it up to the CLK of the other keyboard I should be able to play 6 octaves.
I'm also thinking of getting some keyboards with larger keys for this. I found some usefull ones, but shipping costs will bring it to ±15.00 each.
Maybe I can find some new ones in a shop but probably not for less then 15,-
(actually found one online for 15,99 with white and red keys, free shipping from 50,-)
| Description: |
| full schematic traced from PCB. |
|
| Filesize: |
91.91 KB |
| Viewed: |
1561 Time(s) |
| This image has been reduced to fit the page. Click on it to enlarge. |

|
_________________ "My perf, it's full of holes!"
http://phobos.000space.com/
SoundCloud BandCamp MixCloud Stickney Synthyards Captain Collider Twitch YouTube |
|
|
Back to top
|
|
 |
PHOBoS

Joined: Jan 14, 2010 Posts: 5881 Location: Moon Base
Audio files: 709
|
Posted: Tue Apr 09, 2013 2:48 pm Post subject:
|
 |
|
Ok I'm having a go at it and see where this project will end or strand
Starting with the EK210, which has a nice PCB to work with.
I first removed all the components except for a couple of the jumperwires that are only connecting some of the buttons to the CPU (let's call it that).
Next thing I did was carefully seperate the pins for the drumvoices. This was actually harder then I expected but with some wick an exacto
knife and some patience I managed to get it done. I then soldered some wires to the pins and secured those with a big blob of hotglue. The
wires are connected to solderpads that previously had some jumperwires soldered in to connect some of the rhythm buttons. I'm going to use
the contact pads from the buttons/keys to solder wires to, but I first have to scrape off the carbon (at least I think that's what it is). This
will leave me with some nice big solderpads which are not very likely to come off (something that can happen when soldering wires to traces).
Since I removed all the components, I have solderpads free that are connected to all the other pins of the CPU. So I attached wires to the
OSC IN, RESET, VIBRATO (not sure if I will use that one), TEMPO LED (there are allready traces and solderpads to add a LED and resistor it
just wasn't used ), OUT1, OUT2, ENVELOPE1, ENVELOPE2, and DEMO.
I also soldered 2 wires for the power to the PCB but I added a 10 ohm resistor in series followed by a 100nF cap, 220uF cap and a 5.1V zenerdiode
(just in case). The components are all soldered to the bottom/copperside of the PCB.
Since I'm planning to add some analog goodies to it I decided to make a PSU that besides 5V also outputs +12V and -12V, so no wonky virtual
ground that might upset some jovians . I happen to have a 12VAC/830mA wallwart so that's what I'm using together with a design based
on the MFOS wallwart supply (with an extra 5V regulator). I mounted the the PSU and keyboard PCB on a piece of wood for convenient testing.
(more to come)
edit: added a photo
| Description: |
|
| Filesize: |
58.27 KB |
| Viewed: |
1222 Time(s) |
| This image has been reduced to fit the page. Click on it to enlarge. |

|
_________________ "My perf, it's full of holes!"
http://phobos.000space.com/
SoundCloud BandCamp MixCloud Stickney Synthyards Captain Collider Twitch YouTube |
|
|
Back to top
|
|
 |
PHOBoS

Joined: Jan 14, 2010 Posts: 5881 Location: Moon Base
Audio files: 709
|
Posted: Wed Apr 10, 2013 7:01 am Post subject:
|
 |
|
testing ,. well without a CLK to run on it won't do much so that's the first thing I cobbled together.
I'm using a 4046 as planned which i'm pushing a bit beyond it's limit since the datasheets suggests to use a minimum of 100pF for the timing
capacitor when running at 5 volts, but I'm using a 22pF one which seems to work. I also added an overly complex octave switch
The CV input stage consists of 2 opamps. The first one (U1a) is configured as an (inverting) summing amp which mixes 3 CV sources together: the
main frequency control, internal modulation (wired to an LFO maybe with a switch for other sources) and external CV in (-5...+5V but can be
adjusted with the frequency pot and attenuator for other input levels). The second opamp (inverting) adds offset and adjust the levels to the input
range of the 4046 (± 1V ... 4.5V). a zenerdiode protects the 4046 against a CV voltage that's too high or negative.
The 4046 itself is only used as a very basic VCO, nothing fancy. I initially tried to add the finetune pot to the CV input which is how it's usually
done with VCO's, but I noticed that allthough it had a profound affect when the frequency was low, it was hardly noticable when it was high.
There's a schmitt trigger (40106) on the output because without it the output looked more like a sine then a square. (maybe that's what the
100pf suggestion was for ). It also inverts the signal but that get's taken care of further on. All the unused inputs are connected to GND.
I'll explain the reset section in a minute, but first the what's-all-that-stuff-for-? octave switch. Since I have 2 of these keyboards I am
also planning on making 2 of these VCO's, but I want to be able to run them both from the same VCO aswell. Since the required frequency is
so high there is not really any use for another external CLK, so there's a switch to select between VCO1 and VCO2. Followed by a schmit trigger to
buffer and most importantly reinvert the CLK signal. While the VCO is running this doesn't really matter but I want it to be low when it's turned
off (on a reset).
The CLK signal is then divided twice by using 2 flip flops (4013). This way I end up with 3 different frequencies and since the pitch of the notes is
derived from the CPU CLK this gives me 3 octaves. I could have made it easy and just added a rotary or slide switch, but I wanted to use a toggle
switch with center position which is where the mux (4052) comes into play. By making either the A or B or both dataselect inputs high I can
choose between the 3 CLK speeds. I don't know yet if I will use the other half of the mux, I could add some LED's but maybe I'll find another use,..
But wait there is more!? yes indeed there is. Because switching the CLK of a CPU can cause (unwanted) glitching, or worse; crashing, I added some
extra bits. Therefore the octave select switch is not connected directly to the mux but there are some flip flops in between. This means that I can
toggle the switch all I want but nothing will happen untill the flip flops get a CLK signal. To get this signal I used an OR gate (diodes + resistor)
connected to the main CLK and it's divisions, so the output will only be low when all inputs are low. The inverter turns this into the necessary CLK
signal. The result is a smooth transition whenever I flip the octave switch. And because the CLk speed is so high it still happens instantly.
I have noticed that the CPU is pretty crashproof btw. but I had the idea in my head and it only needed a few components and one extra chip (just
one more,. I promise that's the last one )
oh almost forgot the reset.
The CPU has an active low reset input, so the reset switch is a pushbutton connected to GND. And the 100nF capacitor is to provide a reset on
startup which was also there in the original circuit. I also wanted the VCO to stop (using the inhibited pin) and the CLK output to be low on a reset.
Since both the VCO and the flip flops used for the octave divider need a high signal for this, Ua inverts it. I added an extra delay for the VCO,
not sure why actually. I think it has something to do with making sure that the CPU is not still in reset mode when the VCO starts because the
treshold level might differ from that of the schmitt triggers, or something silly like that. And I want to reset both keyboards with one button so I
allready added some extra inputs.
note: with a bigger timing cap it can be used as an ordinary VCO (no V/Oct though)
| Description: |
| CPU CLK generator VCO & octave switch |
|
| Filesize: |
80.68 KB |
| Viewed: |
1472 Time(s) |
| This image has been reduced to fit the page. Click on it to enlarge. |

|
_________________ "My perf, it's full of holes!"
http://phobos.000space.com/
SoundCloud BandCamp MixCloud Stickney Synthyards Captain Collider Twitch YouTube Last edited by PHOBoS on Mon Jun 03, 2013 6:30 am; edited 1 time in total |
|
|
Back to top
|
|
 |
PHOBoS

Joined: Jan 14, 2010 Posts: 5881 Location: Moon Base
Audio files: 709
|
Posted: Wed Apr 10, 2013 2:57 pm Post subject:
|
 |
|
The keyboard(s)
I wanted some bigger keys and I now have two other toy keyboards which happen to have 37 larger keys (SK1 size). I actually got those because I was
working on another keyboard which I fried just before I had it finished,. I managed to find another one but fried that pretty much instantly
(not sure how) but luckely I found a third one and got it all working now. So I have two that aren't working but I can use the keys . One small problem,
the keyboards are wired in a matrix, which is pretty standard, but the EK210 keys are just switches to GND. This is actually a lot easier to work with
but it does mean I have to adapt those larger keyboards.
I finished one a couple weeks ago. I had to cut a bunch of traces (make two cuts with an exacto knife and heat up the part inbetween with a soldering iron)
and attach a wire for every key (and a GND wire). The way I made the keyboard the wiring all had to be very flat so I used some rainbow-ribboncable for that.
It was still a bit tricky to get it in but with the use of some doubleadhesive tape it all stayed in place. I covered the cables with a piece of black
tape.
And now I have to make another one, allthough I'm not sure yet If I'm actually going two use keyboards (probably will).
I have a couple of options, I could make 2 seperate synths out of it which can be linked together with a cable. If I finish one first the second one will
be easier and maybe I want to change some things. Also if I fry one I can still finish it. But then I have to make 2 cases which will take up more space
then the other options which are either one case with 2 synths with 2 keyboards in them (I can link everything I want internally but still use them
completely seperate from eachother aswell) or 2 synths in one case with only one keyboard which is connected to both.
Anyway, I want to be able to link the two keyboards together. With 2 in one case I could actually put some digital switches between the two controlled
by one switch. some AND gates could do it but I think there are some chips which have 8 linked 'switches' in them. actually let me look that up,..
hmm, something like the 74HC7541 (Octal Schmitt trigger buffer/line driver; 3-state) could do it. However I am also planning on adding midi control
(just for the keys) using a PIC so I will allready have a way to control them but to link them I would also have to read one. So I have to figure out
what would be the best way to do that.
| Description: |
|
| Filesize: |
59.99 KB |
| Viewed: |
1038 Time(s) |
| This image has been reduced to fit the page. Click on it to enlarge. |

|
| Description: |
|
| Filesize: |
55.49 KB |
| Viewed: |
1007 Time(s) |
| This image has been reduced to fit the page. Click on it to enlarge. |

|
_________________ "My perf, it's full of holes!"
http://phobos.000space.com/
SoundCloud BandCamp MixCloud Stickney Synthyards Captain Collider Twitch YouTube Last edited by PHOBoS on Mon Jun 03, 2013 6:41 am; edited 1 time in total |
|
|
Back to top
|
|
 |
PHOBoS

Joined: Jan 14, 2010 Posts: 5881 Location: Moon Base
Audio files: 709
|
Posted: Sat Apr 13, 2013 5:14 am Post subject:
|
 |
|
some other things that are occupying my brain at the moment. The keyboard is 2 note polyphonic and to do this it has 2 oscillators and it toggles
between those 2 with every key press. In the original circuit the 2 oscillators are mixed together, however, I could add different enevelopes, filters
and whatnots for each oscillator but then the effect could be a bit strange when playing a melody.
Each oscillator also has it's own simple envelope control in the form of a capacitor. I tried putting a pot in series but this doesn't work very well.
The Decay time is somewhat adjustable but it does not seem to work for the attack time. Using different capacitor values works great though. But I
will probably add an extra enevelope generator (ADSR + VCA). I also tried a different capacitor for each oscillators and this did sound very nice when
playing the demo. So doesn't have to be strange.
I could use both oscillators to create a stereo effect but then I woud also need to double a lot of things to make use of it and I'm allready working
with 2 keyboards anyway. So what I'll probably do is add switches with diferent enevelope capacitors for each oscillator but then mix them together.
Maybe I'll add some connectors so i can still process them seperately if I really want to.
Something else about those envelope capacitors. They are connected to the positive supply and I guess that how it works is that the envelop pin of the
CPU first get's low for a moment to charge the cap and then it will somewhow use the discharge time as a decay control. Which made me think if the
capacitor doesn't dicharge it should give infinte decay, or at least as long as a note is pressed which is usefull when adding an ADSR. So I tried using
a 10K resistor to GND instead of a capacitor and that works indeed. even better then I hoped because the notes just stay on when you release the key.
(great to create drones)
------
I did some more tests and it seems that for some of the voices the attack time is also controlled by the same capacitor. I'm not exactly sure how it
works but maybe it get's charged with a PWM signal. I tried to see what happens by using my scope but without a capacitor, there is no attack time
(it's instant) and the outputwave is present on the envelope pins (be it with a smaller amplitude then the output pins). But as soon as you use a
capacitor it will get filtered out and I can only measure a DC voltage which corresponds with the ampltude of the output signal. This DC voltage is
inverted so 0V is max. amplitude, while 5V is min. amplitude.
So there's a DC voltage which controls the amplitude and I allready found out that if I pull the envelope pin to GND I can set it to max amplitude, so
can I also set it to min. by pulling the pin to +5V ? In other words: can I just simply control the envelope externally with a DC voltage ? The easiest
way to test this would be a potentiometer between GND and +5V connected to the envelope pin, BUT, I allready know the pin get's low when you
press a key so with the pot turned to +5V that could probably fry something. So I placed a 10K resistor in series between the pot and envelope pin
and that does indeed work, so I could use the internal VCA's with an external CV!
I'm probably not gonna use the internal VCA's though and just set them at max level. The reason for this is that all the voices are actually squarewaves
(PWM), which I can turn into other waveforms and I could also control other digital circuits with it (lunetta controller!). But that only works with a
constant amplitude so using the internal VCA's would screw it up. _________________ "My perf, it's full of holes!"
http://phobos.000space.com/
SoundCloud BandCamp MixCloud Stickney Synthyards Captain Collider Twitch YouTube |
|
|
Back to top
|
|
 |
PHOBoS

Joined: Jan 14, 2010 Posts: 5881 Location: Moon Base
Audio files: 709
|
Posted: Sat Apr 13, 2013 12:31 pm Post subject:
|
 |
|
I took a closer look at the waveforms of the different voices on my scope and here are my findings:
- piano: a squarewave with a dutycycle of ± 32/68 (on/off)
- horn: almost the same as piano but with a dutycycle of ± 38/62
- flute: squarewave with 2x frequency of piano & horn and 50/50 dutycycle.
- banjo: exactly* the same as flute
- music-box: squarewave with 4x frequency of piano & horn and 50/50 dutycycle.
- organ, violin and guitar sounds have a more complex squarewave with varying on/off times. where the organ is the same frequency as the
piano/horn, and both violin and guitar are the same as banjo/flute.
*allthough the flute and banjo waveforms look exactly the same on my scope, I noticed a difference. It is possible to somewhat mix the voices by
pressing more voice buttons at the same time and I noticed that some voices 'work' only together with the flute and others with the banjo. It could
be that they are out of phase or maybe it has to do with which CPU pins are used.
Another difference between the flute and the banjo is the envelope. the flute has a bit of a slow attack and decay (with a sustain), while the banjo
produces short repeating tones, which sounds a bit like a drum when pitched down. If I don't use the internal VCA's I will loose this effect, but
I could recreate it with more variation on every voice using an ADSR, VCA and LFO, which I am planning to add anyway.  _________________ "My perf, it's full of holes!"
http://phobos.000space.com/
SoundCloud BandCamp MixCloud Stickney Synthyards Captain Collider Twitch YouTube |
|
|
Back to top
|
|
 |
PHOBoS

Joined: Jan 14, 2010 Posts: 5881 Location: Moon Base
Audio files: 709
|
Posted: Sun Apr 14, 2013 1:21 pm Post subject:
|
 |
|
| PHOBoS wrote: | If I don't use the internal VCA's I will loose this effect, but
I could recreate it with more variation on every voice using an ADSR, VCA and LFO, which I am planning to add anyway.  |
Actually I come up with a way to do both
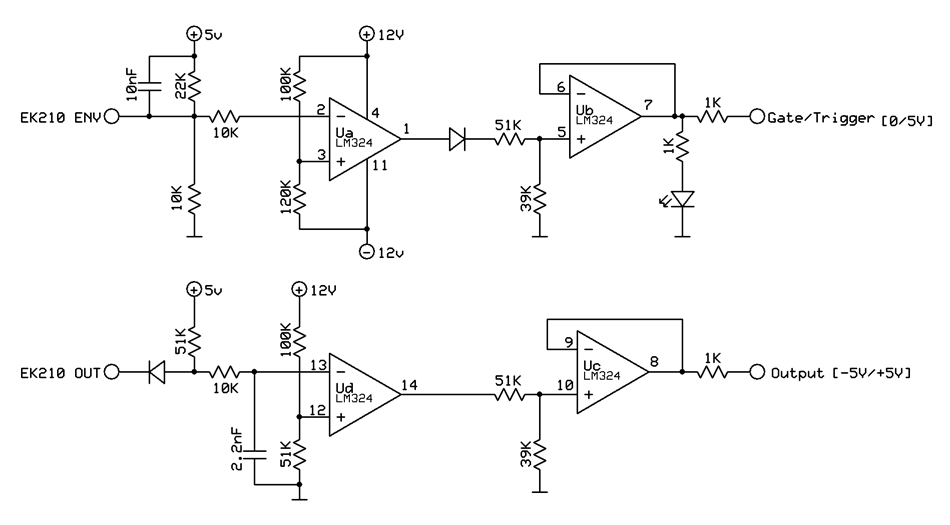
As I allready found out the envelope pin goes low to charge a capacitor when pressing a key. I'm making use of this by setting the envelope level
not at max level, but a bit lower. The output will still be a continuous tone, even after you release a key, but it's amplitude will be lower. I attached a
comparator to the envelope pin with a reference voltage set between the set envelope level and the voltage it's pulled too when pressing a key. So
now it gives a short pulse at every key press, well at every other keypress since the keyboard toggles between the 2 internal oscillators.
At least that's what I thought but I was only testing with the piano sound. For the notes that have a sustain (flute, violin, organ, horn) the envelope
pin stays low untill the key is released, and for the banjo it pulsates (music-box and guitar have a short pulse just like piano). I want the trigger/gate
signals to be 0/5V so I added a diode and a voltage divider to the output, buffered by a voltage follower. This should save me some work since I
was thinking that I had to add diodes and capacitors for every key to create gate and trigger signals. (as I did with the Lun-A-Key).
Now for the output. by setting the initial envelope amplitude below max there will be a change in it when pressing a key. A short pulse for
piano/music-box/guitar, a bit of a tremelo effect for the banjo, and for the flute/violin/organ/horn it will be louder as long as a key is pressed.
But I want a constant output of -5V...+5V (compatible with other synths and modules I've build). Since it's just squarewaves I added another
comparator, also with a voltage divider and voltage follower.
next I have to think about a way of mixing both the envelope signals together. And I also have to mix the outputs together which besides with a
standard resistor mixer I could do with some logic gates aswell. I'll convert them to 0/5V signals so I can also use them to control other things.
| Description: |
| EK210 - Envelope and output comparators |
|
| Filesize: |
30.35 KB |
| Viewed: |
1065 Time(s) |
| This image has been reduced to fit the page. Click on it to enlarge. |

|
_________________ "My perf, it's full of holes!"
http://phobos.000space.com/
SoundCloud BandCamp MixCloud Stickney Synthyards Captain Collider Twitch YouTube |
|
|
Back to top
|
|
 |
PHOBoS

Joined: Jan 14, 2010 Posts: 5881 Location: Moon Base
Audio files: 709
|
|
|
Back to top
|
|
 |
PHOBoS

Joined: Jan 14, 2010 Posts: 5881 Location: Moon Base
Audio files: 709
|
|
|
Back to top
|
|
 |
|