| Author |
Message |
germaniac
Joined: Aug 04, 2006 Posts: 200 Location: California
Audio files: 7
|
|
|
Back to top
|
|
 |
pdmillar
Joined: Jul 31, 2006 Posts: 4 Location: Waco, TX
|
Posted: Thu Jul 12, 2007 2:48 pm Post subject:
|
 |
|
I replaced the BBD with an MN3207 and added a 47uF capacitor in parallel with the LFO's 1uF capacitor for MUCH slower modulation. It now gives a nice ambience/chorus effect that I like, sort of like the Roland Dimension C chorus. Interestingly it's completely mono-compatible (when the channels are summed, only the dry sound is heard, as the delayed sound is mixed in out of phase). I think I'll add an external input to use it with my 4-track.
I believe the modulation depth could be controlled by altering the gain of op-amp IC18A. |
|
|
Back to top
|
|
 |
ickystay
Joined: Nov 15, 2006 Posts: 143 Location: Oregon
|
|
|
Back to top
|
|
 |
germaniac
Joined: Aug 04, 2006 Posts: 200 Location: California
Audio files: 7
|
Posted: Mon Jul 16, 2007 10:09 am Post subject:
|
 |
|
Hey PD: Glad you got something you like. An external input would be cool! Might have to watch the level and high-freq content from your 4-trk though, since there's very minimal signal conditioning on the BBD input.
Hey Ickystay: My pleasure. I was worried about readability because it's actually a digital pic, not a scan, hence the enormous size. But your reduction is still very readable. Thanks!
BTW, I have a PSS-270 also and the stereo symphonic circuit does look pretty much the same. No Digital Synth function on that one, but I wouldn't be surprised if the possibility for it lies dormant within the circuit. Somebody with more experience would be able to say, as well as give pointers on how to coax more settings from the sliders on the 460/470 (I've read somewhere there are more options).
Joe |
|
|
Back to top
|
|
 |
pdmillar
Joined: Jul 31, 2006 Posts: 4 Location: Waco, TX
|
Posted: Mon Jul 23, 2007 7:22 pm Post subject:
Service manual |
 |
|
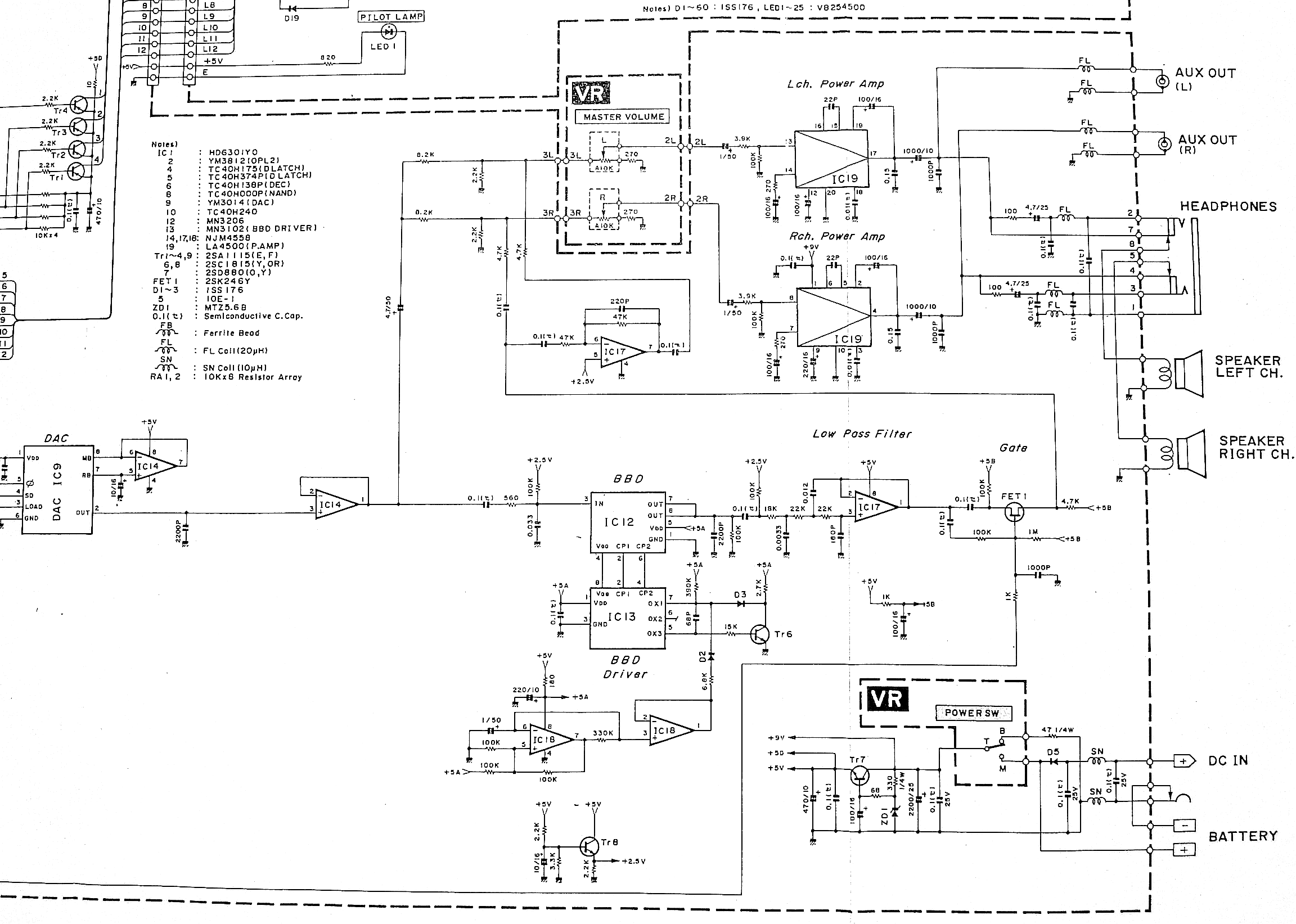
I received the service manual in the mail today. Thanks germaniac!
Here's a 150dpi scan of it. Page 16 is the schematic diagram of everything. (Careful if your browser doesn't like really big images)
http://slugbug.sound-club.org/info/Yamaha%20PSS-460%20Service%20Manual/
I see no reason why the FM synth controls couldn't be hacked onto a PSS-270
if it used the same CPU/ROM. It might be kind of hard to get 1P5T switches though. A lot of Casios have hidden features in the key matrices like that - I was able to basically turn my MT-100 into an MT-68 (with the MT-100 direct-out and equalizer :D) |
|
|
Back to top
|
|
 |
ickystay
Joined: Nov 15, 2006 Posts: 143 Location: Oregon
|
|
|
Back to top
|
|
 |
mi_dach

Joined: Dec 17, 2005 Posts: 133 Location: Sweden
|
Posted: Tue Jul 24, 2007 1:13 am Post subject:
Re: Service manual |
 |
|
| pdmillar wrote: | I received the service manual in the mail today. Thanks germaniac!
|
omg! omg! Thanks ever so much for posting this, I love my pss460 and have been itching to modify it Much gratitude to you all! |
|
|
Back to top
|
|
 |
germaniac
Joined: Aug 04, 2006 Posts: 200 Location: California
Audio files: 7
|
Posted: Tue Jul 24, 2007 2:13 pm Post subject:
|
 |
|
Glad to be of help guys! Nice work piecing the schemo together Paul, thanks. And thanks for the 270 board shot ickystay.
About hacking the 270 (if it's even possible), you could always use 1P5T rotary switches, though they wouldn't have exactly the same mojo as the slide switches.
I looked around for info about extra slide positions for the 460, but nothing sure. On tablehooters, the guy talks about the PSS-390, which has eight-position sliders, plus a slider for LFO control. But I can't really tell if more positions are available for the 460 via the chip logic. Anyway, more info on the 390 here:
http://weltenschule.de/TableHooters/Yamaha_PSS-390.html
Any and all hacks welcome!
Joe |
|
|
Back to top
|
|
 |
mistercooper

Joined: Jul 17, 2006 Posts: 62 Location: Seattle
|
Posted: Tue Aug 28, 2007 10:32 am Post subject:
|
 |
|
| Please reupload the images that were attached to this thread! I remember them being useful, and I've got a 470 I was eventually going to go to town on... |
|
|
Back to top
|
|
 |
immigrantboy
Joined: Aug 08, 2007 Posts: 10 Location: Minneapolis, MN
|
Posted: Tue Aug 28, 2007 7:42 pm Post subject:
|
 |
|
I've got a 480. Pretty much the same, except it has -/+ buttons for parameter editing.
I was thinking of adding some single pole filters and lfo to the end of the cycle duty, and making a custom casing for it. Though I'm sort of enjoying it as is. |
|
|
Back to top
|
|
 |
Matana Teknik

Joined: Sep 29, 2007 Posts: 18 Location: Amsterdam
Audio files: 1
|
Posted: Sat Sep 29, 2007 7:29 pm Post subject:
YaMaHAAI PSS-570 |
 |
|
Hello every one I'm new
With great interest i've been reading many articles about circuit bending the last week. Can't even remember how I got on to it but I did. A few years back some one gave me a Yamaha Portasound PSS-570. I wanted to practice but I was to busy with performing as a dj so it disappeared in the bottom of my closet because it has no Midi and I'm creating music with Cubase and some hardware now. Then I stumbled upon the PSS-270 bending tutorial by Kevin Reese. But this involved the YM2413 chip and this PSS has YM3812 chip, which in my opinion is better. After many hours of reading and understanding how this system works I took my PSS apart. Man, the things i discovered in this keyboard are amazing!!! Total self oscillating, reverbs, flangers, envelopes total madness!!! The last couple of days I recorded about 2 hours of raw material but cuttable and very useful for the music that I make (Techno/Tekkno/Acid/Hardcore etc).
This keyboard has some very dark and pounding kickdrums perfect for hardcore and tekkno. But also strange acid lines and total noise.....
I managed to hotwire two connections which add volume,distortion and opens up all other abillities of the chip, I think. Anyway the sound is awesome and is has been running for four days(not continue) now without any heating of the components so I think its ok.
I'm gonna make schematics of this bend because I think its possible to add: a matrix or touch board(there are so many points on the board that can be connected,some even have six options) flick switches for normal/distorted mode and loudness. I think its also possible to at pot meters to some connections but I don't have those yet. Another strange thing that is happening is that when the PSS is in fingered bass mode or single fingerd mode you can play the keyboard an it starts making combination rhythms of its own like fast arpeggio's perfect for acid-tekkno. When you hold a key for a long time it emerges with the bass sound and add's its tone to it which remains in the sound!!! wicked awesome....
Also I discovered that on the touch board(throw away your buttons and sliders you're not gonna need them again) that if you connect let's say decay 4 with cymbal 3 it changes and you can do this all over the board and it will integrate in the sound. I managed to get filter sweeps with envelope that run for 32 bars and more. So I'm gonna make a open touch board so I can easely switch between the different values(i can go from 1 to 5 without going past 2,3 and 4 and I can patch the different functions with each other to create maddness)
Like i said I gonna keep everyone up to date about this bend and I will add some samples in the next few weeks. This keyboard is gonna look brutal. The DenDer YaMaHAAI (HAAI means shark in Dutch)  |
|
|
Back to top
|
|
 |
blue hell
Site Admin

Joined: Apr 03, 2004 Posts: 24567 Location: The Netherlands, Enschede
Audio files: 305
G2 patch files: 320
|
Posted: Sat Sep 29, 2007 7:38 pm Post subject:
Re: YaMaHAAI PSS-570 |
 |
|
| DenDer wrote: | Hello every one I'm new |
Welkom aan boord. _________________ Jan
also .. could someone please turn down the thermostat a bit.
 |
|
|
Back to top
|
|
 |
Matana Teknik

Joined: Sep 29, 2007 Posts: 18 Location: Amsterdam
Audio files: 1
|
Posted: Sat Sep 29, 2007 8:21 pm Post subject:
|
 |
|
Bedankt! _________________ - repairs - maintenance - modifications - custom build -
www.facebook.com/matanateknik |
|
|
Back to top
|
|
 |
|