Author |
Message |
magneticstripper

Joined: Jan 12, 2009 Posts: 25 Location: San Francisco
|
Posted: Thu Jun 14, 2012 1:11 pm Post subject:
|
 |
|
Thomas,
i check on this tread three of or four times a day, and have been ordering parts for the project. It is very interesting to see the development/process.......
All the best sir,
James F Ellis |
|
Back to top
|
|
 |
Thomas_Henry
Joined: Jul 24, 2009 Posts: 170 Location: N. Mankato, MN
Audio files: 3
|
Posted: Thu Jun 14, 2012 3:09 pm Post subject:
|
 |
|
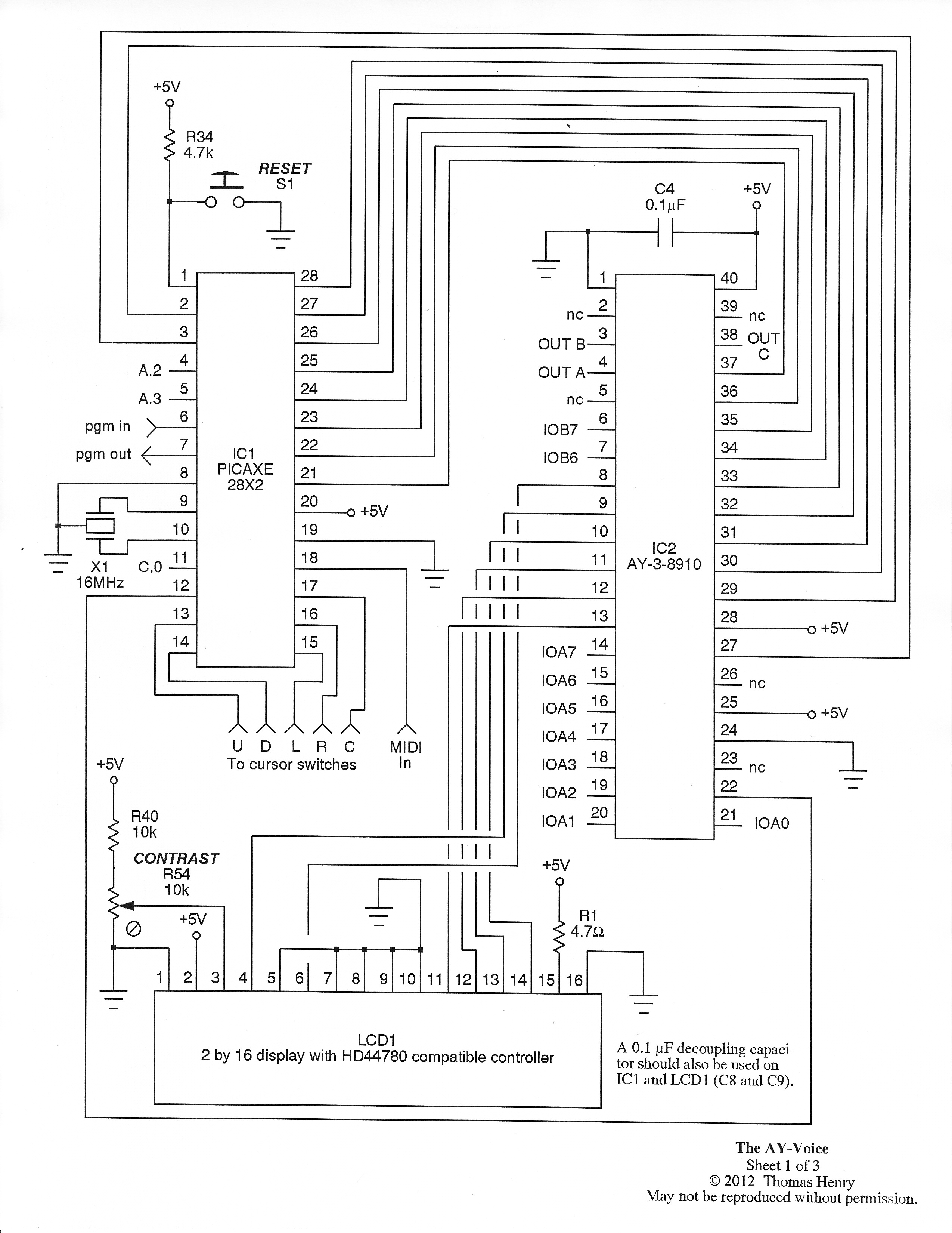
Hi again,
I had originally thought to use DC coupling throughout the audio path. It turns out the bias voltage on the output is not fixed as I had thought, so DC coupling won't work. Attached are the updated schems which now include AC coupling. While I was at it, I fixed a few typos in the schems as well.
And if it isn't clear, the break-jacks allow you to inject filtering or other effects if desired. The voltage levels are the usual 10Vpp.
Thomas Henry
Description: |
|
Filesize: |
1.1 MB |
Viewed: |
590 Time(s) |
This image has been reduced to fit the page. Click on it to enlarge. |

|
Description: |
|
Filesize: |
1.06 MB |
Viewed: |
583 Time(s) |
This image has been reduced to fit the page. Click on it to enlarge. |

|
Description: |
|
Filesize: |
962.9 KB |
Viewed: |
584 Time(s) |
This image has been reduced to fit the page. Click on it to enlarge. |

|
Description: |
|
 Download (listen) |
Filename: |
Parts List.pdf |
Filesize: |
18.06 KB |
Downloaded: |
582 Time(s) |
|
|
Back to top
|
|
 |
THeff

Joined: Sep 01, 2006 Posts: 229 Location: Florida
Audio files: 33
|
Posted: Thu Jun 14, 2012 3:19 pm Post subject:
Another Person is interested Subject description: I will be building this soon. |
 |
|
Hi Thomas,
I just wanted to chime in and say that I have also been lurking in the background watching this thread and planning to build this. Last night I feverishly started looking for my AY-3-8910 IC and finally found it. I was going to use a generic PIC 18F252 IC and PIC Basic Pro since the language is very similar to the PICAxe, but decided to order the PICAxe just to be compatible.
I plan to use the small 5-way joystick switch from Parallax, for the keypad entry. I was wondering if you could share some of your thoughts on what you want the firmware to do in the future, sequencing bass patterns, chords, etc.?
I hope that you will continue with this project and keep us posted on your ideas and firmware.
Regards,
Tim |
|
Back to top
|
|
 |
marvkaye
Joined: Mar 14, 2011 Posts: 225 Location: Fla
|
Posted: Thu Jun 14, 2012 5:01 pm Post subject:
|
 |
|
I've been following along closely as well, but I've been reluctant to commit with all the other projects I've got hanging. I finally bit the bullet, though, have ordered most everything required so I hope to be trying my hand at this one in another week or so. Thank you for sharing this (and all your other great projects) with us, Thomas... you're a real inspiration.
<marv> |
|
Back to top
|
|
 |
Quintus
Joined: Feb 20, 2011 Posts: 13 Location: UK
|
Posted: Fri Jun 15, 2012 2:19 am Post subject:
|
 |
|
Thomas
I too have been watching with interest and ordered the AY chip. It is an excellent project as is the GM voice I have 4 boards with controllers using PIC18F452. I would however use the PICaxe to control this.
Thanks for all your work.
David |
|
Back to top
|
|
 |
Dego

Joined: Apr 22, 2008 Posts: 139 Location: Sweden
|
Posted: Sat Jun 16, 2012 3:16 pm Post subject:
|
 |
|
I just saw this. I have been waiting for this to come alive. |
|
Back to top
|
|
 |
MR-808

Joined: Sep 30, 2010 Posts: 28 Location: Portland, OR
|
Posted: Sun Jun 17, 2012 3:32 am Post subject:
|
 |
|
Funny, a friend of mine told me the other day that he's working on an AY emulator for some videogame project he's working on, and I told him about the AY-Voice, which I figured had been abandoned. Glad to see it's back on the front burner - I've had an AY chip sitting in the parts drawer for about 20 years. ;)
It'd be more fun to have CVs driving the pitches rather than MIDI. :) |
|
Back to top
|
|
 |
elmegil

Joined: Mar 20, 2012 Posts: 2179 Location: Chicago
Audio files: 16
|
Posted: Mon Jun 18, 2012 9:38 pm Post subject:
|
 |
|
BTW after reading the older thread, I thought perhaps BGMicro would be ordering more AY chips, and sure enough, they are currently listing stock of 56. So while I said earlier "I got the last couple", that was current stock only, and there are still more out there at just over $4 apiece. |
|
Back to top
|
|
 |
marvkaye
Joined: Mar 14, 2011 Posts: 225 Location: Fla
|
Posted: Thu Jun 21, 2012 5:36 pm Post subject:
|
 |
|
My PO box belched out a veritable cornucopia of AY-voice stuff today... AY chips from BGMicro, a Picaxe chip and developer kit and a cable from Sparkfun, a couple LCDs from ebay... it looks like I'll be able to start fiddling with this in earnest this weekend. Better late than never I say. Can't wait to get going.......
<marv> |
|
Back to top
|
|
 |
theglyph
Joined: Aug 15, 2008 Posts: 31 Location: Jachsonville, FL
|
Posted: Thu Jun 21, 2012 6:16 pm Post subject:
|
 |
|
Another fellow AY-Voice developer here in Florida!  |
|
Back to top
|
|
 |
Scott Stites
Janitor


Joined: Dec 23, 2005 Posts: 4127 Location: Mount Hope, KS USA
Audio files: 96
|
Posted: Thu Jun 21, 2012 6:26 pm Post subject:
|
 |
|
Placed my order - AY ICs, PicAxe, resonators. I'm in! _________________ My Site |
|
Back to top
|
|
 |
theglyph
Joined: Aug 15, 2008 Posts: 31 Location: Jachsonville, FL
|
Posted: Thu Jun 21, 2012 6:58 pm Post subject:
|
 |
|
Scott Stites wrote: | Placed my order - AY ICs, PicAxe, resonators. I'm in! |
Welcome to the club Scott!  |
|
Back to top
|
|
 |
Uncle Krunkus
Moderator

Joined: Jul 11, 2005 Posts: 4761 Location: Sydney, Australia
Audio files: 52
G2 patch files: 1
|
Posted: Thu Jun 21, 2012 8:49 pm Post subject:
|
 |
|
Oh,......
"Temptation,...
I just can't resist."
Yodelling lament fades into the background,.... _________________ What makes a space ours, is what we put there, and what we do there. |
|
Back to top
|
|
 |
theglyph
Joined: Aug 15, 2008 Posts: 31 Location: Jachsonville, FL
|
|
Back to top
|
|
 |
THeff

Joined: Sep 01, 2006 Posts: 229 Location: Florida
Audio files: 33
|
Posted: Sat Jun 23, 2012 7:44 am Post subject:
AY-Voice perfboard |
 |
|
Just received my PicAxe IC and perf boarded it up...works great! I have attached a tweaked version of the ay_switch demo so that it would run on my AY at 64MHz. I have also attached an octave sweep program as well.
I used the Parallax 5 position switch (mini joystick) instead of the 5 separate switches.
Thanks again Thomas!
Theff
Description: |
The AY waiting for an enclosure |
|
Filesize: |
115.07 KB |
Viewed: |
484 Time(s) |
This image has been reduced to fit the page. Click on it to enlarge. |

|
Description: |
|
 Download (listen) |
Filename: |
ay_switch_demo_64MHz.txt |
Filesize: |
7.29 KB |
Downloaded: |
378 Time(s) |
Description: |
|
 Download (listen) |
Filename: |
AY_Octave_Sweep.txt |
Filesize: |
4.2 KB |
Downloaded: |
411 Time(s) |
|
|
Back to top
|
|
 |
elmegil

Joined: Mar 20, 2012 Posts: 2179 Location: Chicago
Audio files: 16
|
Posted: Sat Jun 23, 2012 8:01 am Post subject:
|
 |
|
Wow, that's beautiful work. My perf/proto boards are usually FAR messier...I don't have your experience of course, but that's a great target for me to tshoot for. |
|
Back to top
|
|
 |
Dan Lavin

Joined: Nov 09, 2006 Posts: 649 Location: Spring Lake, Mi, USA
Audio files: 21
|
Posted: Sat Jun 23, 2012 10:08 am Post subject:
|
 |
|
THeff,
I agree with elmegil, very nice work! I have my AY chip too, but I'm a couple projects behind in the project queue. I hope to join in sometime yet this summer. Really looking forward to seeing how Thomas' firmware ends up. I'm sure the rest of the crew here will come up with some interesting mods, too. _________________ Synth DIY since 1977! |
|
Back to top
|
|
 |
THeff

Joined: Sep 01, 2006 Posts: 229 Location: Florida
Audio files: 33
|
Posted: Sat Jun 23, 2012 11:01 am Post subject:
|
 |
|
Thanks elmegil & Dan,
Those AY-3-8910 chips have been stored away since the 90s just waiting for the right application. It took Thomas to light the fire and get me to finally use them. I am planning to do some chords next and link it to MIDI.
Like Dan said I am anxious to see what other people have in mind with their AY.
Regards,
-THeff |
|
Back to top
|
|
 |
Thomas_Henry
Joined: Jul 24, 2009 Posts: 170 Location: N. Mankato, MN
Audio files: 3
|
Posted: Sat Jun 23, 2012 12:43 pm Post subject:
|
 |
|
Hello all,
It's great to see there's some interest in this after all. I really didn't want to be the only one contributing, especially with all the other projects Scott and I are working on during this busy summer.
I've attached the code to date and hope to hear some comments on how it performs for you. Here's the scoop.
The AY-Voice has two basic modes: setup and MIDI. Setup mode is the hard part, and that's what you'll find here. There is a sequence of 11 menus; use left and right to navigate through them, and up and down to change values. Note that they are context sensitive menus. If, for example, no envelopes have been selected, then the menu navigation passes by the envelope time menu, etc.
I ended up not needing the center button, so that frees up another Picaxe pin.
The code is about 2600 bytes long and uses some 50 variables, so it looks like there will be more than enough room for the MIDI portion. (1500 bytes of program space left, and most variables can be reused).
The code is sometimes ugly for several reasons. First, this Basic does not support parameter passing or local variables, so just to keep my sanity I had to imitate those features. You'll see how I've used aliased variables often. Secondly, to keep the speed up I frequently had to use lots of goto's. However, I was careful to avoid multiple exit paths and so forth, so the code is still somewhat structured. Lastly, often for esthetic reasons the code may seem odd; this is to keep the LCD from performing in an ugly fashion (no flickering, blinking, etc.)
The original draft was almost 1000 bytes bigger and I was really sweating it. But after some careful compaction, I was able to get it down to the 2600 bytes. But this does make the logic a little convoluted in the number getting routines, due to code reuse.
Anyway, please, please, please, will someone try this out and make comments?
Thanks,
Thomas Henry
Description: |
First major version with setup menu routines |
|
 Download (listen) |
Filename: |
AY-Voice.txt |
Filesize: |
40.34 KB |
Downloaded: |
410 Time(s) |
|
|
Back to top
|
|
 |
THeff

Joined: Sep 01, 2006 Posts: 229 Location: Florida
Audio files: 33
|
Posted: Sat Jun 23, 2012 2:39 pm Post subject:
AY-Voice testing |
 |
|
Hi Thomas,
I programmed my AY with the lastest AY-Voice code and here is what I see:
1.) The display does not come up unless I move the CMD = Mode2 to after the 2nd CMD = bus4 and before the CMD = LcdOn...not sure why.
2.) Once the display comes up all menus work perfect and I can navigate and change values as expected.
3.) When I get to the last menu pressing the down button does not do anything. I never hear any tones or noise.
4.) I noticed the the hsersetup is commented out so MIDI is not ready for testing yet?
5.) Should I hear the tone as soon as I enable it in menu3 or only after hitting play at the end?
I have never worked with the PicAxe before this project so I am still trying to feel my way around the code.
Regards,
THeff |
|
Back to top
|
|
 |
Thomas_Henry
Joined: Jul 24, 2009 Posts: 170 Location: N. Mankato, MN
Audio files: 3
|
Posted: Sat Jun 23, 2012 3:24 pm Post subject:
|
 |
|
Hello THeff,
Thanks tons for the comments. Here are some answers:
1. That's great news. I spent a great deal of time hassling with the reset sequence and thought it was all worked out. Every once in a while I saw the behavior you noted and always got past it by just doing another power on reset. If you check the data sheet for the LCD it is clear that different commands take differing amounts of time and hence sometimes the sequence does matter. I'm going to make the change you recommend and see what happens.
3. The last menu is a dummy placeholder. All that's in the code at present is the menu navigation stuff, which is the hard part I think. I'll be starting the actual runtime stuff tonight.
4. Sorry, forgot that. Yes, we can uncomment it now. It was there just for testing.
5. See answer 3.
Thanks again for your comments. I'm glad the navigation works for you. It took me forever to work out the kinks and yet keep the code size under control.
And by the way, your test rig looks fabulous!
Thomas Henry |
|
Back to top
|
|
 |
Thomas_Henry
Joined: Jul 24, 2009 Posts: 170 Location: N. Mankato, MN
Audio files: 3
|
Posted: Sat Jun 23, 2012 3:52 pm Post subject:
|
 |
|
Hi again,
I just checked your rearrangement, and it made things worse for me. The LCD kept coming up with random characters every third time. I went back to the data sheet and can confirm that immediately after the two Bus4 commands, the LCD expects the LCDOn command as part of a normal reset.
Try this instead. Place the Mode2 command immediately after the LCDOn command. I've tested it a couple dozen times and it seems to do the trick for me.
Can anyone else test this sequence?
Thanks,
Thomas Henry |
|
Back to top
|
|
 |
Thomas_Henry
Joined: Jul 24, 2009 Posts: 170 Location: N. Mankato, MN
Audio files: 3
|
|
Back to top
|
|
 |
THeff

Joined: Sep 01, 2006 Posts: 229 Location: Florida
Audio files: 33
|
Posted: Sat Jun 23, 2012 8:48 pm Post subject:
|
 |
|
Hi Thomas,
I have been out for the evening and just now got a chance to test your latest firmware load. The LCD issue is resolved, the display starts up very consistently now. I tried powering it up and down several times and also just pressing the reset button and did not see any start up problems.
Regards,
THeff |
|
Back to top
|
|
 |
THeff

Joined: Sep 01, 2006 Posts: 229 Location: Florida
Audio files: 33
|
|
Back to top
|
|
 |
|