| Author |
Message |
PHOBoS

Joined: Jan 14, 2010 Posts: 5881 Location: Moon Base
Audio files: 709
|
Posted: Sat Sep 28, 2013 8:23 am Post subject:
The Moon Base Xplorer Subject description: To Infinity and Beyond! |
 |
|
Here are some sounds recorded thursday night.
I don't have a mixer for it yet so I only used the output of the VCO (which has a ringmod option).
And I used an external delay, to give it some more spaaaace!
| Description: |
|
| Filesize: |
960.17 KB |
| Viewed: |
452 Time(s) |
| This image has been reduced to fit the page. Click on it to enlarge. |

|
| Description: |
|
 Download (listen) |
| Filename: |
PHOBoS - Moon Base Xplorer tests - To Infinity and Beyond (Sept 29, 2013).mp3 |
| Filesize: |
33.81 MB |
| Downloaded: |
1779 Time(s) |
_________________ "My perf, it's full of holes!"
http://phobos.000space.com/
SoundCloud BandCamp MixCloud Stickney Synthyards Captain Collider Twitch YouTube Last edited by PHOBoS on Sat Nov 17, 2018 7:15 pm; edited 1 time in total |
|
|
Back to top
|
|
 |
PHOBoS

Joined: Jan 14, 2010 Posts: 5881 Location: Moon Base
Audio files: 709
|
|
|
Back to top
|
|
 |
PHOBoS

Joined: Jan 14, 2010 Posts: 5881 Location: Moon Base
Audio files: 709
|
Posted: Tue Oct 01, 2013 10:49 am Post subject:
The Moon Base Xplorer Subject description: TOY Mod |
 |
|
| PHOBoS wrote: | | ...if I use it I probably won't add anything but just some switches... |
well, I am gonna add a little extra circuitry. A nice thing with this toy is that the sounds keep repeating if you keep a button pressed. So instead
of just some momentary switches it would be nice to add some on/off switches aswell. But the problem with that (besides needing more
switches) is that you would have to turn a sound off if you want to turn another one on, which is a bit of a hassle especially if you do it with one
hand. If you turn more then one on at a time you'll just get one of the other sounds*.
So that's where the circuit comes in. With the mode switch closed the buttons work like normal momentary switches, but with the switch open
they work like those on/off 'radio' switches. Which means that if you press a button it will turn the other ones off, and it stays on untill you press
another button or close the mode switch.
Because the sounds are triggered with a connection to ground I added some transistors that switch the inputs to ground. An LM317L takes care of
the 3V powersupply needed for the toy circuit. I cut the part with the chip off and left that part with the buttons intact so It's still functional. Maybe
for a midicontroller or small synth.
The electric typewriter I salvaged the buttons from had 1 on/off switch so that's great for the mode switch The buttons I choose were on both
sides of the actual QWERTY keyboard so I left that intact for now (might come in handy for a timemachine if I can ever get that damn fluxcapacitor
working ). Maybe I'll add some LED's or just one connected to the reset inputs, so it goes on when a button is pressed or the mode switch is
closed.
*there are a couple of combinations that produce an 8th sound, so I used some diodes to trigger 2 inputs at once when button H is pressed.
note: at the moment the output is high when there is no sound so I'll have to invert it.
| Description: |
| Moon Base Xplorer: TOY control circuit |
|
| Filesize: |
88.74 KB |
| Viewed: |
873 Time(s) |
| This image has been reduced to fit the page. Click on it to enlarge. |

|
| Description: |
| used toy and salvaged buttons |
|
| Filesize: |
93.74 KB |
| Viewed: |
710 Time(s) |
| This image has been reduced to fit the page. Click on it to enlarge. |

|
| Description: |
|
 Download (listen) |
| Filename: |
PHOBoS - Moon Base Xplorer - toydemo.mp3 |
| Filesize: |
726.13 KB |
| Downloaded: |
1593 Time(s) |
_________________ "My perf, it's full of holes!"
http://phobos.000space.com/
SoundCloud BandCamp MixCloud Stickney Synthyards Captain Collider Twitch YouTube |
|
|
Back to top
|
|
 |
PHOBoS

Joined: Jan 14, 2010 Posts: 5881 Location: Moon Base
Audio files: 709
|
Posted: Tue Oct 01, 2013 2:06 pm Post subject:
The Moon Base Xplorer Subject description: Patch Matrix |
 |
|
I underestimated the number of possible connections for the patchmatrix a little bit but its doable. I was actually thinking of using switches with
build in LED's instead of connectors, but after seeing how many I would need I quickly dropped that idea.
One nice thing about a patchmatrix is that you can easily link an output to multiple inputs, but I completely forgot that it's also possible to link
multiple outputs to one input. However if I would just make a very simple matrix then outputs would be shorted together when connected to one
input. So I need to do something about that. The nice part about this synth is that (sofar) it's mostly digital, so the signals can be added
together with some simple logic.
The easiest thing would be to OR the signals together using diodes and a pulldown resistor. But with a couple of input signals the output would be
high a lot of the time whch isn't very interesting. My next idea was some sort of multi input "XOR" that has a high output when only 1 input is
high. I did came up with a circuit for it, which I might post in the lunetta section, but wasn't really happy with the result. So I thought about it some
more and decided to use AND logic. so the output is only high when all inputs are high. If you connect 2 oscillators then the result is the same as
if one was gated by the other.
I would need 6 input AND gates and I don't know if those are available as CMOS chips (there are 4 input AND's), but even if so than I'd probably
need a lot of chips, and it would be a lot of wiring too. Time for some more Mickey Mouse Logic. It's pretty easy to make a multiple input AND
with some diodes and a pullup resistor but for this use there is one problem, with no inputs connected the output is high. So I connected the
output to another AND gate and by using an OR on the other input the output can only be high if at least one input is high. But with no inputs
connected the inputs of the AND gate are connected to a voltage divider created by the pullup and pulldown resistor. So I choose a smaller value
for the pulldown resistor to make sure the output is low.
I'm planning on changing the NAND oscillators a bit so that's why they both have a gate input in the matrix. This is only the digital part btw.
(there aren't many analog signals yet)
NOTE:The output of the toy has to be inverted and I'll probably buffer it right away so I don't need another 4050 chip for just 1 gate.
| Description: |
| first version of the patchmatrix |
|
| Filesize: |
118.26 KB |
| Viewed: |
847 Time(s) |
| This image has been reduced to fit the page. Click on it to enlarge. |

|
_________________ "My perf, it's full of holes!"
http://phobos.000space.com/
SoundCloud BandCamp MixCloud Stickney Synthyards Captain Collider Twitch YouTube |
|
|
Back to top
|
|
 |
PHOBoS

Joined: Jan 14, 2010 Posts: 5881 Location: Moon Base
Audio files: 709
|
Posted: Thu Oct 03, 2013 5:43 am Post subject:
The Moon Base Xplorer Subject description: CD4049 |
 |
|
| PHOBoS wrote: | | NOTE:The output of the toy has to be inverted and I'll probably buffer it right away so I don't need another 4050 chip for just 1 gate. |
I think I will just add a CD4049. I didn't want to waste 5 gates (although those chips are pretty cheap), but for the modifications I want to make to the
NAND oscillators I need two extra inverters anyway. Maybe I will find a use for the other gates too, but it doesn't really matter if I don't. _________________ "My perf, it's full of holes!"
http://phobos.000space.com/
SoundCloud BandCamp MixCloud Stickney Synthyards Captain Collider Twitch YouTube |
|
|
Back to top
|
|
 |
PHOBoS

Joined: Jan 14, 2010 Posts: 5881 Location: Moon Base
Audio files: 709
|
Posted: Fri Oct 25, 2013 1:12 pm Post subject:
|
 |
|
The front design for what i have sofar. To make the patch matrix a bit smaller I left out the VCO output, since I don't have much use for that
one. Now I have to do the second part, for which i still need to test and build some circuits:
JOYSTICK CONTROLLER: with level control for X,Y and probably Z. X/Y outputs are going to be hardwired to the VCLFO/VCO. The Z output
maybe patchable or I could use a switch. (circuit is tested and build)
SUBOSC + RINGMOD: I'm going to add a suboscillator with a switch to select /1.5/2/3/4. 2 ringmods with switches to select different inputs and
pulse width control on 1 input. Since there are 4 XOR gates in 1 chip I won't be needing the one inside the VCO. I have the schematic of the
circuit pretty much finished but have to decide what the best combinations
for the input switches are.
VCA/MIXER: I tested a simple VCA mixer and it works,. only problem is that I don't have many CV sources. The AD/AR generators are useful for
it and I can of course use some of the digital outputs as a modulation source. Hmm maybe I could add a triangle saw output to the PWLFO.
A.L.F.: I haven't made up what it stands for yet (suggestions are welcome ) but it's just another name for the toy. I noticed that the on/off switch
has little holes to mount an LED. And I think I also spotted a button on the typewriter which had a small red transparent 'dot' on it, so I have to see if
I can use that one. Would be perfect for the mode switch. I'm also adding a pot and LDR for pitch control.
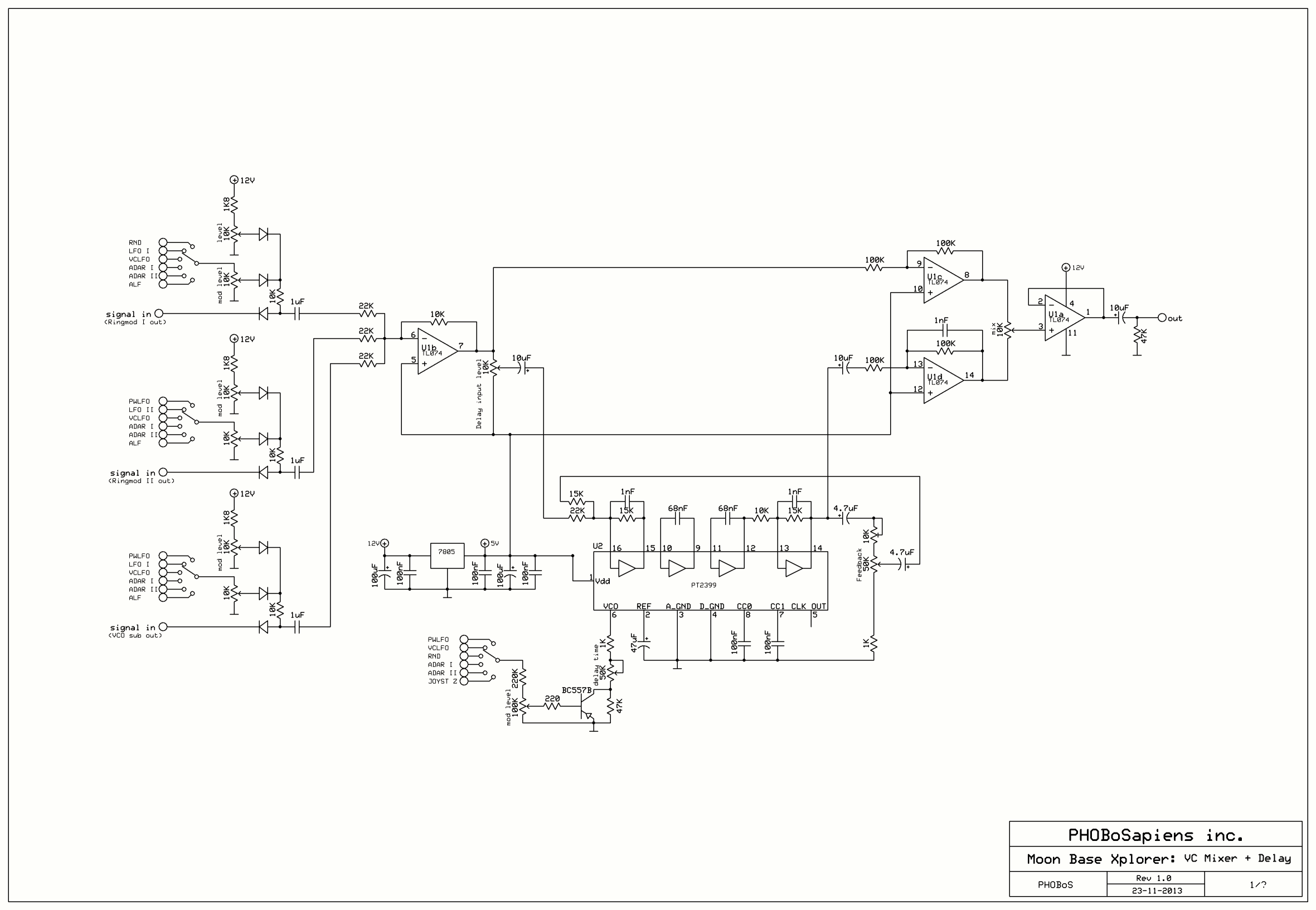
DELAY: I designed a PT2399 based delay circuit a while back of which I can probably just copy a part. It was designed for a dual supply so it
needs some adjustments.
HEADSET (optional): if I still have some space left I could use the headset. I tested a simple headphone amplifier and I found a circuit to
use the microphone as a windcontroller, so it can create a CV that's useful for the VCA's. (or maybe delay rate,. )
FILTER (optional): I'm probably happy if I have finished all of the above but who knows.
| Description: |
|
| Filesize: |
251.52 KB |
| Viewed: |
783 Time(s) |
| This image has been reduced to fit the page. Click on it to enlarge. |

|
_________________ "My perf, it's full of holes!"
http://phobos.000space.com/
SoundCloud BandCamp MixCloud Stickney Synthyards Captain Collider Twitch YouTube Last edited by PHOBoS on Sat Oct 26, 2013 4:44 am; edited 1 time in total |
|
|
Back to top
|
|
 |
Skrog Productions

Joined: Jan 07, 2009 Posts: 1220 Location: Scottish Borders
Audio files: 159
|
|
|
Back to top
|
|
 |
PHOBoS

Joined: Jan 14, 2010 Posts: 5881 Location: Moon Base
Audio files: 709
|
|
|
Back to top
|
|
 |
PHOBoS

Joined: Jan 14, 2010 Posts: 5881 Location: Moon Base
Audio files: 709
|
|
|
Back to top
|
|
 |
PHOBoS

Joined: Jan 14, 2010 Posts: 5881 Location: Moon Base
Audio files: 709
|
|
|
Back to top
|
|
 |
PHOBoS

Joined: Jan 14, 2010 Posts: 5881 Location: Moon Base
Audio files: 709
|
Posted: Sat Nov 02, 2013 10:27 am Post subject:
|
 |
|
I'm currently doing some tests with a PT2399 delay, which resulted in the following patch.
| Description: |
|
| Filesize: |
31.18 KB |
| Viewed: |
626 Time(s) |
| This image has been reduced to fit the page. Click on it to enlarge. |

|
| Description: |
| self playing patch with PT2399 delay |
|
 Download (listen) |
| Filename: |
PHOBoS - Moon Base Xplorer tests - Patch 2399 (nov 02, 2013).mp3 |
| Filesize: |
7.58 MB |
| Downloaded: |
1468 Time(s) |
_________________ "My perf, it's full of holes!"
http://phobos.000space.com/
SoundCloud BandCamp MixCloud Stickney Synthyards Captain Collider Twitch YouTube |
|
|
Back to top
|
|
 |
PHOBoS

Joined: Jan 14, 2010 Posts: 5881 Location: Moon Base
Audio files: 709
|
|
|
Back to top
|
|
 |
PHOBoS

Joined: Jan 14, 2010 Posts: 5881 Location: Moon Base
Audio files: 709
|
|
|
Back to top
|
|
 |
isak

Joined: Dec 13, 2009 Posts: 847 Location: Israel
Audio files: 18
|
Posted: Tue Nov 26, 2013 9:44 am Post subject:
|
 |
|
Hi PHOBoS.
it sounds amazing!
keep up the good work!
cheers,
Isak E. _________________ http://www.myspace.com/mgmtrance |
|
|
Back to top
|
|
 |
PHOBoS

Joined: Jan 14, 2010 Posts: 5881 Location: Moon Base
Audio files: 709
|
Posted: Tue Nov 26, 2013 2:10 pm Post subject:
The Moon Base Xplorer Subject description: photos |
 |
|
thanks isak
It is slowly starting to look like a synth but there's still a lot to do. I'm figuring out how to mount all the PCB's and how to wire the panels
together. The case is almost done except for a paintjob, and I installed a PSU.
I also needed something to store the connectors for the patch matrix and I was thinking about making a drawer of some kind of box in the case. But
then I noticed the magnetic storage containers (IKEA GRUNDTAL series) I got from my sister. The magnetic part isn't so interesting for my use since
it's not magnetic on the inside, but it has a transparent lid which is perfect for the logo I've designed earlier. So I drilled a large round hole in the side of the
case for that. (I happened to have a saw that was just the right size for a snug fit,. probably have to sand it a bit else it might not fit after painting).
here are some pics.
(can you spot my stupid mistake ?)
| Description: |
| 12V PSU installed in the case (will be connected to an AC wallwart) |
|
| Filesize: |
55.93 KB |
| Viewed: |
507 Time(s) |
| This image has been reduced to fit the page. Click on it to enlarge. |

|
| Description: |
| storage container for patch connectors |
|
| Filesize: |
54.75 KB |
| Viewed: |
519 Time(s) |
| This image has been reduced to fit the page. Click on it to enlarge. |

|
| Description: |
Moon Base Xplorer case (metal mesh behind ventilation holes is temporarily attached with tape) |
|
| Filesize: |
50.49 KB |
| Viewed: |
526 Time(s) |
| This image has been reduced to fit the page. Click on it to enlarge. |

|
| Description: |
|
| Filesize: |
40.45 KB |
| Viewed: |
535 Time(s) |
| This image has been reduced to fit the page. Click on it to enlarge. |

|
_________________ "My perf, it's full of holes!"
http://phobos.000space.com/
SoundCloud BandCamp MixCloud Stickney Synthyards Captain Collider Twitch YouTube Last edited by PHOBoS on Sun Dec 01, 2013 5:29 am; edited 1 time in total |
|
|
Back to top
|
|
 |
PHOBoS

Joined: Jan 14, 2010 Posts: 5881 Location: Moon Base
Audio files: 709
|
|
|
Back to top
|
|
 |
LFLab
Joined: Dec 17, 2009 Posts: 497 Location: Rosmalen, Netherlands
|
Posted: Wed Nov 27, 2013 3:32 am Post subject:
|
 |
|
Hi Phobos,
Pretty cool stuff you're doing there! Going to try the PT delay section, does the current sink work well? |
|
|
Back to top
|
|
 |
PHOBoS

Joined: Jan 14, 2010 Posts: 5881 Location: Moon Base
Audio files: 709
|
|
|
Back to top
|
|
 |
new voodoo
Joined: May 06, 2013 Posts: 94 Location: RVA USA
|
Posted: Sat Nov 30, 2013 4:31 pm Post subject:
|
 |
|
| PHOBoS wrote: | | while looking for some inspiration for the panel design I came across this |
that 'thing' is AWESOME!! _________________ www.newvoodoodesign.com
-my creations, bends & bendable pieces
-vintage parts & tubes, IC's & audio chips
-oddities & weird
newvoodoo.blogspot.com
-bending DIY/projects
-crap |
|
|
Back to top
|
|
 |
Skrog Productions

Joined: Jan 07, 2009 Posts: 1220 Location: Scottish Borders
Audio files: 159
|
Posted: Sun Dec 01, 2013 4:41 am Post subject:
|
 |
|
Lovely curvy wood case , very nice sanding work , will look great when it gets filled up with modules
Dave. |
|
|
Back to top
|
|
 |
PHOBoS

Joined: Jan 14, 2010 Posts: 5881 Location: Moon Base
Audio files: 709
|
|
|
Back to top
|
|
 |
RingMad

Joined: Jan 15, 2011 Posts: 429 Location: Montreal, Canada
Audio files: 4
|
Posted: Fri Dec 20, 2013 1:47 pm Post subject:
|
 |
|
I'm sure you'll figure out something for the patch matrix. Sometimes I wonder why patch matrices are not more plentiful... but's it probably because they are a pain to make!
That "My god" image made me think of the monolith in 2001: A Space Odyssey a bit.
Nice "mise en scene" for your photos . Do you ever put little men inside your boxes, like Tim Hunkin? [ ref: http://www.youtube.com/watch?v=aKju_Va1AY0 ]
James. |
|
|
Back to top
|
|
 |
PHOBoS

Joined: Jan 14, 2010 Posts: 5881 Location: Moon Base
Audio files: 709
|
Posted: Fri Dec 20, 2013 2:55 pm Post subject:
|
 |
|
| RingMad wrote: | | I'm sure you'll figure out something for the patch matrix. Sometimes I wonder why patch matrices are not more plentiful... but's it probably because they are a pain to make! |
I think it'll work if not I could use the cheaper connectors I have that do fit. But those are made out of soft plastic and probably break fast. besides
that they don't look so nice as the other ones I have. (I could combine them if I'm a bit creative with some glue I think).
As of being a pain to make it depends on how you make them. I made mine a bit more complex by adding AND gates for the inputs and I'm
soldering the diodes directly to the sockets. And using those RCA jacks probably isn't the best idea. 1/4"jacks would be better but would make it
too large and from my personal experience 1/8"jacks are either expensive (you need a bunch) or suck.
| Quote: | | That "My god" image made me think of the monolith in 2001: A Space Odyssey a bit. |
I didn't call it my god (it's full of stars) for nothing
| Quote: | Nice "mise en scene" for your photos . Do you ever put little men inside your boxes, like Tim Hunkin? |
Those little men in the video are brilliant!
Muied Lumens actually mentioned putting an explorer behind one of the ventilation holes, which reminded me that I have that LEGO astronaut.
So I thought about it but the holes are too small and you can't really see it. (it's on the backside anyway) If I thought of it before I would have had
a nice space for it in the top panel. _________________ "My perf, it's full of holes!"
http://phobos.000space.com/
SoundCloud BandCamp MixCloud Stickney Synthyards Captain Collider Twitch YouTube |
|
|
Back to top
|
|
 |
Skrog Productions

Joined: Jan 07, 2009 Posts: 1220 Location: Scottish Borders
Audio files: 159
|
Posted: Sat Dec 21, 2013 7:16 am Post subject:
|
 |
|
"My God" pic .....
Heh , i instantly thought of Hellbound Hellraiser 2 movie when "Julia" points to the monolith and says ....thats my god
Dave. |
|
|
Back to top
|
|
 |
PHOBoS

Joined: Jan 14, 2010 Posts: 5881 Location: Moon Base
Audio files: 709
|
|
|
Back to top
|
|
 |
|