electro-music.com   Dedicated to experimental electro-acoustic
and electronic music
 
    Front Page  |  Radio
 |  Media  |  Forum  |  Wiki  |  Links
Forum with support of Syndicator RSS
 FAQFAQ   CalendarCalendar   SearchSearch   MemberlistMemberlist   UsergroupsUsergroups   LinksLinks
 RegisterRegister   ProfileProfile   Log in to check your private messagesLog in to check your private messages   Log inLog in  Chat RoomChat Room 
go to the radio page Live at electro-music.com radio 1 Please visit the chat
  host / artist show at your time
today> Twyndyllyngs Live Chez Mosc
 Forum index » DIY Hardware and Software » Lunettas - circuits inspired by Stanley Lunetta
CMOS Wave Shaper
Post new topic   Reply to topic Moderators: mosc
Page 5 of 6 [127 Posts]
View unread posts
View new posts in the last week
Mark the topic unread :: View previous topic :: View next topic
Goto page: Previous 1, 2, 3, 4, 5, 6 Next
Author Message
kaputtpanzer



Joined: Nov 02, 2009
Posts: 139
Location: Cologne
Audio files: 15

PostPosted: Tue May 22, 2012 9:04 am    Post subject: Reply with quote  Mark this post and the followings unread

The jabberwock looks awesome! Great work Very Happy
Back to top
View user's profile Send private message Visit poster's website
adamon



Joined: May 15, 2009
Posts: 96
Location: Lawrence Kansas
Audio files: 3

PostPosted: Tue May 29, 2012 7:47 am    Post subject: Reply with quote  Mark this post and the followings unread

This is great stuff Phobos! I've been working on a design of my own that would be happy sitting somewhere between the jabberwok and Hordijk's rungler. I've been focusing more on audio-rate things, however I feel the need to look at the lower frequency spectrum (lfo/gate source) now... =)
_________________
www.soundcloud.com/adamon
Back to top
View user's profile Send private message
RingMad



Joined: Jan 15, 2011
Posts: 430
Location: Montreal, Canada
Audio files: 4

PostPosted: Sat Jun 02, 2012 8:24 am    Post subject: Reply with quote  Mark this post and the followings unread

I breadboarded the Jabberwock, and I think I made a mimsy or 2, because it doesn't sound much like PHOBoS' sample. It seemed that the first 3 oscillators had little effect. Anyway, I decided that I needed to press on with other projects, so I didn't try very hard to debug it, and now it's cleared off the breadboards.

However, here is a sample of the kind of thing I was getting. At much higher oscillator speeds, one can get kind of white-noise-radio-static type stuff (which this snippet doesn't demonstrate except perhaps for a second or 2 near the end).

CMOSnippet 035: Jabirrectic by JamesSchid

[ http://soundcloud.com/jamesschid/cmosnippet-035-jabirrectic ]

James
Back to top
View user's profile Send private message Visit poster's website
PHOBoS



Joined: Jan 14, 2010
Posts: 5973
Location: Moon Base
Audio files: 709

PostPosted: Sun Jun 03, 2012 4:48 am    Post subject: Reply with quote  Mark this post and the followings unread

RingMad wrote:
I breadboarded the Jabberwock, and I think I made a mimsy or 2, because it doesn't sound much like PHOBoS' sample. It seemed that the first 3 oscillators had little effect. Anyway, I decided that I needed to press on with other projects, so I didn't try very hard to debug it, and now it's cleared off the breadboards.

well you're right about the first 3 oscillators having little effect. They do have an effect (which you probably
would hear more clearly without the 100uF 'glide' cap, but you won't hear it directly. Allthough I do hear a very
clear effect with the Jubjub osc. at full speed, that sounds a bit like it strecthes the jabbering. I did think
about using some fixed resistors instead of pots for those oscillators at first but then I'd never know what
sounds might be in there. so I left them in place. You should however get some typical sounds by twisting
the 'burbling' and 'whiffling' pots and I think I heard some of those near the end of the recording Smile

maybe with some more experimenting it's possible to get those first oscillators to have a more profound effect.
But I liked what it was doing and, just like you, I had to get my breadboard cleared,. so I left it as it was at that stage.
(I do have an idea for a simplified version, have to test that out)

btw, did it have eyes of flame ? Twisted Evil



To come back to what started this thread,. I drew a schematic of a circuit that is a combination
of the original waveshaper and the semi-random generator with a bunch of switches to get all kind
of waveforms. It should be usefull as an LFO but also functions at audiorates. I don't think
I'm completely happy with what I got so far, but haven't done any testing yet because it's not really
a very breadboardable (?) circuit. I should probably just post what I got right now ,. but I'm first finishing up
something else, which gives me some more breadboard space in case I do need to do some tests.

_________________
"My perf, it's full of holes!"
http://phobos.000space.com/
SoundCloud BandCamp MixCloud Stickney Synthyards Captain Collider Twitch YouTube
Back to top
View user's profile Send private message Visit poster's website AIM Address Yahoo Messenger MSN Messenger
RingMad



Joined: Jan 15, 2011
Posts: 430
Location: Montreal, Canada
Audio files: 4

PostPosted: Sun Jun 03, 2012 5:01 am    Post subject: Reply with quote  Mark this post and the followings unread

PHOBoS wrote:
btw, did it have eyes of flame ? Twisted Evil


Oh yes, of course!

James.
Back to top
View user's profile Send private message Visit poster's website
PHOBoS



Joined: Jan 14, 2010
Posts: 5973
Location: Moon Base
Audio files: 709

PostPosted: Sun Jun 03, 2012 2:07 pm    Post subject: Reply with quote  Mark this post and the followings unread

Ok here's what i got sofar, it's more of an idea then a full circuit.

I started out by trying to combine the 4015 waveshaper with the shiftregister/XOR semi-random generator
(need another name for that). But as it turnes out those 1 stage shiftregisters in the 4006 are important
for a semirandom effect. so I went back to using that one. The downside is that the 4006 doesn't have a reset pin
so I don't think I got a saw out of it, but I was able to get the triangle wave. However what kind of wave you
get varies on whatever is currently in the shiftregister, and at one point I had a circuit that created and repeated
a new sequence/waveform everytime I flipped a switch (could also be done with an external signal).

I first drew out a couple of schematics and then combined those to get the monstrosity you see below. Instead of
using just a couple of switches to get a few options, I decided to go for 12 step switches (those things above the
XOR gates). which can give you a lot more options. A lot of them can produce the same result, again
depending on what's in the shiftregister when you switch, this also makes it very unpredictable (unless you're a
genius with boolean logic).

This is all fun offcourse but sometimes you want to be able to repeat a setting. For this reason I added the
circuit with the 2 NAND gates and the 1/0 pushbuttons. With these you can force the input of the shiftregisters
(the blocks at the bottom are the shiftregisters of the 4006) high or low. Forcing it low for 18 clock cycles
will empty it completely. and depending on the settings of the switches it will be filled in a certain way.
You can set it so it will just cycle the bits you add manually, which can create the triangle.

I also added the options to insert bits to the XOR gates, so you could hook up a 4040 to this or whatever you want.
For now I made 2 oscillators with the leftover NAND gates, one slow the other fast, so it can produce LFO or audio
frequencies. One thing that might not be clear, the double circles are external in/outputs, the single ones are
internally connected, since it would get very messy to draw all those connections.

I am thinking of replacing the set of 4 resistors with a R2R which I did a quick experiment with and is
indeed a lot more fun. But,..
I think this circuit would be most usefull in a lunetta modular system and in that case I would opt for
seperate R/2R ladders and resistor mixer modules. So maybe leave that part out alltogether. Rolling Eyes


CMOS WaveShaper multiswitch.gif
 Description:
 Filesize:  87.7 KB
 Viewed:  1572 Time(s)
This image has been reduced to fit the page. Click on it to enlarge.

CMOS WaveShaper multiswitch.gif



_________________
"My perf, it's full of holes!"
http://phobos.000space.com/
SoundCloud BandCamp MixCloud Stickney Synthyards Captain Collider Twitch YouTube
Back to top
View user's profile Send private message Visit poster's website AIM Address Yahoo Messenger MSN Messenger
JingleJoe



Joined: Nov 10, 2011
Posts: 878
Location: Lancashire, England
Audio files: 14

PostPosted: Mon Jun 04, 2012 5:21 am    Post subject: Reply with quote  Mark this post and the followings unread

That looks so good and so much easier to understand Very Happy It seems like the idea has really coalesced into something very neat and tidy and functional, I look forwards to a demo Smile
_________________
As a mad scientist I am ruled by the dictum of science: "I could be wrong about this but lets find out"


Green Dungeon Alchemist Laboratories
Back to top
View user's profile Send private message
PHOBoS



Joined: Jan 14, 2010
Posts: 5973
Location: Moon Base
Audio files: 709

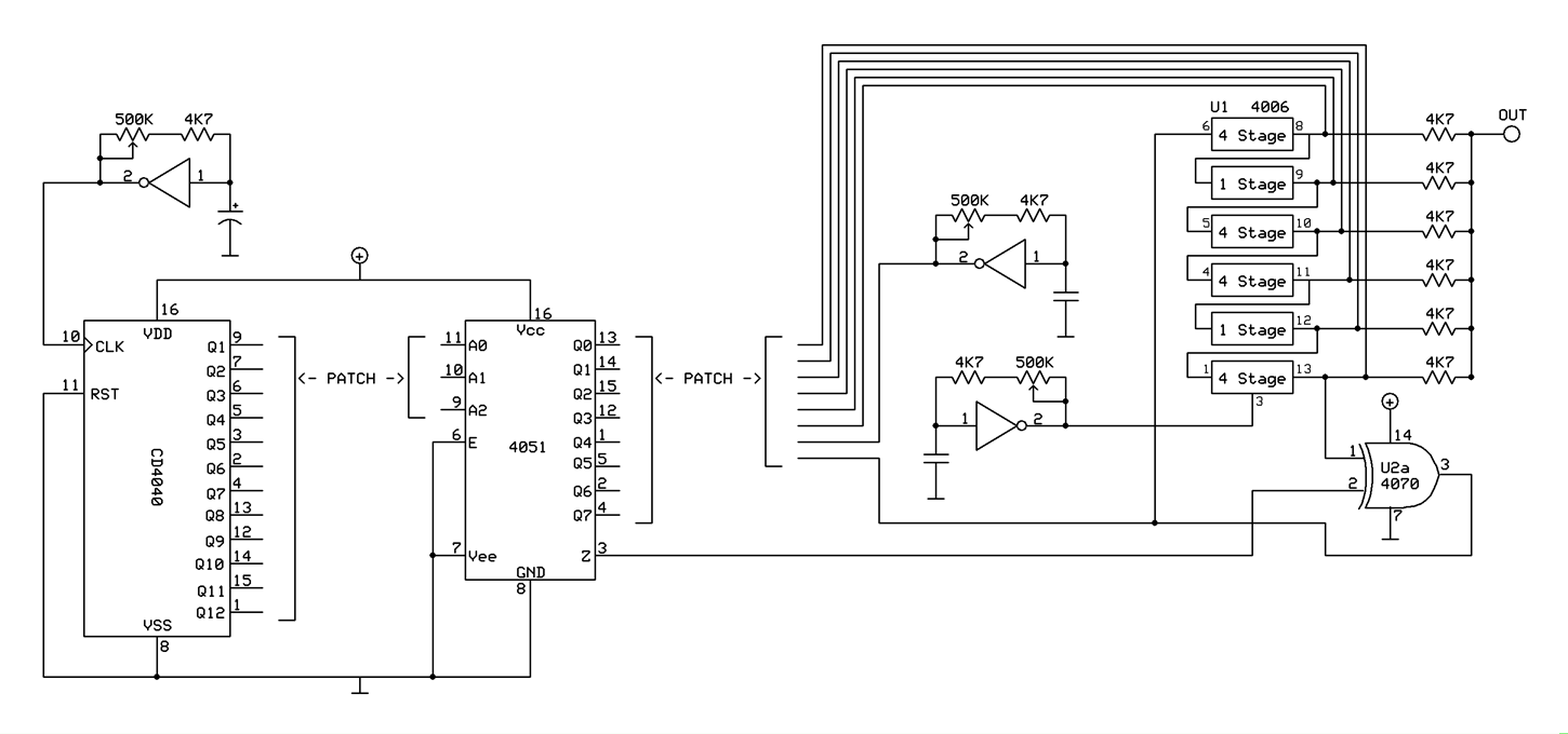
PostPosted: Tue Jun 19, 2012 6:44 am    Post subject: CMOS Waveshaper + 4040 4051 test
Subject description: The saga continues
Reply with quote  Mark this post and the followings unread

JingleJoe wrote:
That looks so good and so much easier to understand Very Happy It seems like the idea has really coalesced into something very neat and tidy and functional, I look forwards to a demo Smile


Smile I tried to make it look not too complex, it's probably not even that hard to wire up, just a lot of it Wink
(ribboncable and PCB connectors can take care of some of the work)

But I'm probably not gonna build it anytime soon. If I do it will be a module part of a bigger system,
and I have enough things to finish as it is to start on another (big) project.

I did however do another test. I used one XOR with it's output connected to the input of the waveshaper,
and one of its inputs to the last ouput of the 4006. I noticed that by attaching the other input to different
outputs of the 4006 I could get what sounds like different notes. So I hooked up a 4051 controlled by a 4040
to create a melody (if you can call it that). I think it actually works kinda similar to 4017/4051 melody generator
and a PIC experiment I just did)

I'm still cutting up the recording but I've posted the first cuts here

and here's a schematic which shows what I did, or at least part of it,..


CMOS WaveShaper 4040 4051.gif
 Description:
 Filesize:  51.33 KB
 Viewed:  1628 Time(s)
This image has been reduced to fit the page. Click on it to enlarge.

CMOS WaveShaper 4040 4051.gif



_________________
"My perf, it's full of holes!"
http://phobos.000space.com/
SoundCloud BandCamp MixCloud Stickney Synthyards Captain Collider Twitch YouTube
Back to top
View user's profile Send private message Visit poster's website AIM Address Yahoo Messenger MSN Messenger
RingMad



Joined: Jan 15, 2011
Posts: 430
Location: Montreal, Canada
Audio files: 4

PostPosted: Tue Jun 19, 2012 12:35 pm    Post subject: Re: CMOS Waveshaper + 4040 4051 test
Subject description: The saga continues
Reply with quote  Mark this post and the followings unread

PHOBoS wrote:
and I have enough things to finish as it is to start on another (big) project.


So do I, so please stop distracting me with all these cool-sounding circuits that I just have to try ASAP! Smile

Anyway, I checked out the sounds you posted, and they sound great.

James.
Back to top
View user's profile Send private message Visit poster's website
droffset



Joined: Feb 02, 2009
Posts: 515
Location: London area
Audio files: 2

PostPosted: Thu Aug 16, 2012 12:23 pm    Post subject: Reply with quote  Mark this post and the followings unread

This thread is great, thanks for all the ideas.
_________________
==================
Check out the FREE Intro to Lunettas Document
https://docs.google.com/document/d/1V9qerry_PsXTZqt_UDx7C-wcuMe_6_gyy6M_MyAgQoA/edit?usp=sharing

Edit: Spelling mistakes.
Back to top
View user's profile Send private message
Richarius



Joined: Feb 22, 2014
Posts: 81
Location: Kitchener, Ontario, Canada
Audio files: 1

PostPosted: Fri Feb 28, 2014 2:21 am    Post subject: Reply with quote  Mark this post and the followings unread

Wow. What, a thread! Surprised Why, did it stop? I've lost track of how many things I've saved from this thread and all of the wonderful stuff that I listened to!
Thanks greatly Phobos, especially! Surprised Very Happy
Back to top
View user's profile Send private message Visit poster's website
PHOBoS



Joined: Jan 14, 2010
Posts: 5973
Location: Moon Base
Audio files: 709

PostPosted: Sat Mar 01, 2014 5:01 am    Post subject: Reply with quote  Mark this post and the followings unread

thanks Very Happy, For me it didn't really stop, just put on pause. And I still want to make the big circuit with all the switches but as often this was something I
experimented with in between working on other projects. So there's other stuff to finish first and while finishing those I start new projects aswell
(it never ends Wink). I did found out recently that the big circuit is an extended version of the "Turing Machine" sequencer, which uses a shiftregister and
one XOR gate. Be it that in the turing machine the XOR gate is build in a complex way and it uses a DAC at the output. (but that would be the same if
you use an R2R)

_________________
"My perf, it's full of holes!"
http://phobos.000space.com/
SoundCloud BandCamp MixCloud Stickney Synthyards Captain Collider Twitch YouTube
Back to top
View user's profile Send private message Visit poster's website AIM Address Yahoo Messenger MSN Messenger
Richarius



Joined: Feb 22, 2014
Posts: 81
Location: Kitchener, Ontario, Canada
Audio files: 1

PostPosted: Sat Mar 01, 2014 4:51 pm    Post subject: Reply with quote  Mark this post and the followings unread

PHOBoS wrote:
thanks Very Happy, For me it didn't really stop, just put on pause. And I still want to make the big circuit with all the switches but as often this was something I
experimented with in between working on other projects. So there's other stuff to finish first and while finishing those I start new projects aswell
(it never ends Wink). I did found out recently that the big circuit is an extended version of the "Turing Machine" sequencer, which uses a shiftregister and
one XOR gate. Be it that in the turing machine the XOR gate is build in a complex way and it uses a DAC at the output. (but that would be the same if
you use an R2R)


Well - let's see more babble about new projects then! Very Happy From the little bits of reading that I've done since returning here a few days ago, there've been a huge pile of inspirations for me. Surprised Not an endless amount to catch up on, but after I get MY weeks of work stuff done ... it could easily be weeks to try out all of the new ideas that I've seen posted here. Surprised Laughing

The Turing Machine as well - I'll be adding TO my new Lunetta machine. (Was originally going to go into my standard modular.) If something similar to it could done normal chips wise though ... ooooo. Surprised Smile I'll have to find / look at, it's schematic. Smile
Back to top
View user's profile Send private message Visit poster's website
PHOBoS



Joined: Jan 14, 2010
Posts: 5973
Location: Moon Base
Audio files: 709

PostPosted: Sat Mar 01, 2014 6:45 pm    Post subject: Reply with quote  Mark this post and the followings unread

Richarius wrote:

The Turing Machine as well - I'll be adding TO my new Lunetta machine. (Was originally going to go into my standard modular.) If something similar to it could done normal chips wise though ... ooooo. Surprised Smile I'll have to find / look at, it's schematic. Smile

It's a shiftregister with a XOR wired between the last output and the input, and the other input of the XOR is fed with a noise signal through a
comparator. So if it's 1 when the CLK happens the bit will be inverted and the sequence will change, if it's 0 the sequence will stay the same.
It also has a switch to force a 0 or 1, but in a crude way. A DAC at the end turns it into a CV. I think that was it if I remember correctly.. Cool

_________________
"My perf, it's full of holes!"
http://phobos.000space.com/
SoundCloud BandCamp MixCloud Stickney Synthyards Captain Collider Twitch YouTube
Back to top
View user's profile Send private message Visit poster's website AIM Address Yahoo Messenger MSN Messenger
Uncle Krunkus
Moderator


Joined: Jul 11, 2005
Posts: 4761
Location: Sydney, Australia
Audio files: 52
G2 patch files: 1

PostPosted: Sat Mar 29, 2014 1:06 am    Post subject: Reply with quote  Mark this post and the followings unread

Sounds great.
I was going through the schems today, of an old CMOS waveshaper idea I had years ago.
I'm looking forward to doing more with this stuff. Smile

_________________
What makes a space ours, is what we put there, and what we do there.
Back to top
View user's profile Send private message Visit poster's website
mike page



Joined: Sep 26, 2016
Posts: 134
Location: norwich, uk

PostPosted: Thu Nov 24, 2016 11:04 am    Post subject: Reply with quote  Mark this post and the followings unread

I havent tried this yet but it should give a 16 steps up 16 down triangle. It uses xors with one input of each going to the biggest bit of the counter to get the down slope.

see what you think...

If it works im planning on making a quad vco out of these

Posted Image, might have been reduced in size. Click Image to view fullscreen.

Last edited by mike page on Sat Dec 17, 2016 10:14 am; edited 1 time in total
Back to top
View user's profile Send private message
trav



Joined: Sep 11, 2012
Posts: 108
Location: Auckland
Audio files: 16

PostPosted: Thu Nov 24, 2016 8:33 pm    Post subject: Reply with quote  Mark this post and the followings unread

Yep, should work. You can use a pull-up resistor and a center-off switch to select the waveform: connect one lug to ground (ramp up), the other to the counter (triangle), and the common one to your XORs with a pull-up (ramp down when switch is off).
Back to top
View user's profile Send private message
Grumble



Joined: Nov 23, 2015
Posts: 1320
Location: Netherlands
Audio files: 30

PostPosted: Fri Nov 25, 2016 12:40 am    Post subject: Reply with quote  Mark this post and the followings unread

Also hou should tie the reset and enable inputs to VCC.
Back to top
View user's profile Send private message Visit poster's website
mike page



Joined: Sep 26, 2016
Posts: 134
Location: norwich, uk

PostPosted: Tue Nov 29, 2016 5:26 am    Post subject: Reply with quote  Mark this post and the followings unread

yup my above circuit works fine. I just added a 10k resistor on the output of the 4046 as this seemed to help stability
Back to top
View user's profile Send private message
mike page



Joined: Sep 26, 2016
Posts: 134
Location: norwich, uk

PostPosted: Sat Jan 07, 2017 7:28 am    Post subject: Reply with quote  Mark this post and the followings unread


triangle osc basic functions from michael page on Vimeo.

Back to top
View user's profile Send private message
mike page



Joined: Sep 26, 2016
Posts: 134
Location: norwich, uk

PostPosted: Wed Aug 30, 2017 9:59 am    Post subject: Reply with quote  Mark this post and the followings unread

what do you thing this would look / (sound) like with the 4046s out of sync?

Posted Image, might have been reduced in size. Click Image to view fullscreen.
Posted Image, might have been reduced in size. Click Image to view fullscreen.
Back to top
View user's profile Send private message
PHOBoS



Joined: Jan 14, 2010
Posts: 5973
Location: Moon Base
Audio files: 709

PostPosted: Thu Aug 31, 2017 6:40 am    Post subject: Reply with quote  Mark this post and the followings unread

Nice idea, not sure what it would look/sound like. For the first one it would probably be interesting when
the frequencies are close together. For the second one you'll need some pretty precise resistors so I don't
know how well that would work. I don't think it would be as interesting as the first setup though. but I might
be completely wrong.

I think you'll like this thread (in case you haven't seen it) :
http://electro-music.com/forum/topic-63269.html

_________________
"My perf, it's full of holes!"
http://phobos.000space.com/
SoundCloud BandCamp MixCloud Stickney Synthyards Captain Collider Twitch YouTube
Back to top
View user's profile Send private message Visit poster's website AIM Address Yahoo Messenger MSN Messenger
mike page



Joined: Sep 26, 2016
Posts: 134
Location: norwich, uk

PostPosted: Wed Sep 27, 2017 11:51 am    Post subject: Reply with quote  Mark this post and the followings unread

well looky here : http://www.audioscientific.com/28_Simple_Sine_wave_generator_has_no_filters_.jpg
Back to top
View user's profile Send private message
Richarius



Joined: Feb 22, 2014
Posts: 81
Location: Kitchener, Ontario, Canada
Audio files: 1

PostPosted: Sat Sep 30, 2017 3:32 am    Post subject: Reply with quote  Mark this post and the followings unread

mike page wrote:
well looky here : http://www.audioscientific.com/28_Simple_Sine_wave_generator_has_no_filters_.jpg


Ooo. Going to have to try that. I'm curious as to whether adding an extra BIT or 2 for depth, would smoothen out the resolution of the apparent Sinewave.

Shall have to 'scope it.

_________________
https://tsol.space/crafting/composing-music/albums/ - my punk, ambient and experimental tunes
Back to top
View user's profile Send private message Visit poster's website
mike page



Joined: Sep 26, 2016
Posts: 134
Location: norwich, uk

PostPosted: Sat Sep 30, 2017 6:19 am    Post subject: Reply with quote  Mark this post and the followings unread

just spotted the article is from brno where bastl instruments are based. I think there is a proud czech audio DIY history.
Back to top
View user's profile Send private message
Display posts from previous:   
Post new topic   Reply to topic Moderators: mosc
Page 5 of 6 [127 Posts]
View unread posts
View new posts in the last week
Goto page: Previous 1, 2, 3, 4, 5, 6 Next
Mark the topic unread :: View previous topic :: View next topic
 Forum index » DIY Hardware and Software » Lunettas - circuits inspired by Stanley Lunetta
Jump to:  

You cannot post new topics in this forum
You cannot reply to topics in this forum
You cannot edit your posts in this forum
You cannot delete your posts in this forum
You cannot vote in polls in this forum
You cannot attach files in this forum
You can download files in this forum


Forum with support of Syndicator RSS
Powered by phpBB © 2001, 2005 phpBB Group
Copyright © 2003 through 2009 by electro-music.com - Conditions Of Use