electro-music.com   Dedicated to experimental electro-acoustic
and electronic music
 
    Front Page  |  Radio
 |  Media  |  Forum  |  Wiki  |  Links
Forum with support of Syndicator RSS
 FAQFAQ   CalendarCalendar   SearchSearch   MemberlistMemberlist   UsergroupsUsergroups   LinksLinks
 RegisterRegister   ProfileProfile   Log in to check your private messagesLog in to check your private messages   Log inLog in  Chat RoomChat Room 
go to the radio page Live at electro-music.com radio 1 Please visit the chat
  host / artist show at your time
today> Twyndyllyngs - not cancelled tonight Chez Mosc
 Forum index » DIY Hardware and Software » Lunettas - circuits inspired by Stanley Lunetta
lunetta sound samples
Post new topic   Reply to topic Moderators: mosc
Page 13 of 13 [311 Posts]
View unread posts
View new posts in the last week
Mark the topic unread :: View previous topic :: View next topic
Goto page: Previous 1, 2, 3, ..., 11, 12, 13
Author Message
tjookum



Joined: May 25, 2010
Posts: 360
Location: Netherlands
Audio files: 26

PostPosted: Fri Dec 21, 2012 3:11 am    Post subject: Reply with quote  Mark this post and the followings unread

easily one of the most musical cmos tracks I've ever heard. Can you please explain how you used the 4046? A simple schematic goes a long way Very Happy .
_________________
There he goes. One of God's own prototypes. A high-powered mutant of some kind never even considered for mass production. Too weird to live, and too rare to die.
Hunter S. Thompson
movies
noise
Back to top
View user's profile Send private message
jcintheus



Joined: Oct 16, 2011
Posts: 59
Location: Colorado

PostPosted: Fri Dec 21, 2012 6:08 am    Post subject: Reply with quote  Mark this post and the followings unread

tjookum wrote:
easily one of the most musical cmos tracks I've ever heard. Can you please explain how you used the 4046? A simple schematic goes a long way Very Happy .


Here's the 4046 shcematic:http://electro-music.com/forum/topic-51275.html

I used a divider on pins 3 and 4. (4017-51 melody gen.)
Back to top
View user's profile Send private message
PHOBoS



Joined: Jan 14, 2010
Posts: 5898
Location: Moon Base
Audio files: 709

PostPosted: Tue Jan 15, 2013 6:56 pm    Post subject: R2RVCO4PWM16022013 Reply with quote  Mark this post and the followings unread

Testing a R2R-VCO combo. VCO is similar to what i got in my modular lunetta (4046) but with less opamps.
The R2R is inventor's tunable RnR (there is no adjusting during the recording though), and I used XOR's as buffers for it
with the 2nd pin of all the gates tied together and they can be controlled remotely (inverts everything). I mixed both
square and saw outputs together added a filter and some reverb. The RnR is controlled by a modular lunetta patch

I need moooore croc-cables! Shocked


PHOBoS - R2RVCO4PWM16022013.mp3
 Description:

Download (listen)
 Filename:  PHOBoS - R2RVCO4PWM16022013.mp3
 Filesize:  2.49 MB
 Downloaded:  1720 Time(s)


_________________
"My perf, it's full of holes!"
http://phobos.000space.com/
SoundCloud BandCamp MixCloud Stickney Synthyards Captain Collider Twitch YouTube
Back to top
View user's profile Send private message Visit poster's website AIM Address Yahoo Messenger MSN Messenger
PHOBoS



Joined: Jan 14, 2010
Posts: 5898
Location: Moon Base
Audio files: 709

PostPosted: Wed Jan 16, 2013 6:13 am    Post subject: Reply with quote  Mark this post and the followings unread

o and jcintheus, that 21st Century Schizoid Mess track is awesome! Shocked
I happen to be working on Tim Escobedo's PWM circuit at the moment
which also uses a LM386 and it's what I'm making the R2R-VCO for.
Guess I should do some tests with a divider between pins 3/4 too.
(why do these circuits always keep growing ?! Laughing )

_________________
"My perf, it's full of holes!"
http://phobos.000space.com/
SoundCloud BandCamp MixCloud Stickney Synthyards Captain Collider Twitch YouTube
Back to top
View user's profile Send private message Visit poster's website AIM Address Yahoo Messenger MSN Messenger
jcintheus



Joined: Oct 16, 2011
Posts: 59
Location: Colorado

PostPosted: Wed Jan 16, 2013 9:12 am    Post subject: Reply with quote  Mark this post and the followings unread

PHOBoS wrote:
o and jcintheus, that 21st Century Schizoid Mess track is awesome! Shocked
I happen to be working on Tim Escobedo's PWM circuit at the moment
which also uses a LM386 and it's what I'm making the R2R-VCO for.
Guess I should do some tests with a divider between pins 3/4 too.
(why do these circuits always keep growing ?! Laughing )


Thank you, It's certainly a mess!
I'm not quite sure but I believe I used Tim's circuit as well.
Also I used the ubiquitous 4017/51 melody generator as the divider on pins 3&4 of the 4046,
with 3/4 of 1/2 of a 4015 on the ABC inputs of the 4051.(data on the 4015 fed by a 4006, a 74HC273, and a three XORs) Surprised
Plus clocks!
So yeah, they definitely keep growing!
Back to top
View user's profile Send private message
ufokult



Joined: May 20, 2013
Posts: 9
Location: Finland

PostPosted: Sat May 25, 2013 4:42 pm    Post subject:   Reply with quote  Mark this post and the followings unread

Hi! This is my first Lunetta build. Its very simple, with two 40106 oscillators and a 555 lfo/osc. In this SoundCloud link Lunetta is recorded with Monotribe, tube preamp, fuzz, delay and reverb.

https://soundcloud.com/automatonmusic/lunetta-diy-synth-through
Back to top
View user's profile Send private message
jcintheus



Joined: Oct 16, 2011
Posts: 59
Location: Colorado

PostPosted: Wed Jun 12, 2013 7:56 am    Post subject: Reply with quote  Mark this post and the followings unread

This is a very large piece with lots of Lunetta and other more conventional instruments.
I'm not sure this is the most appropriate spot for this but,
there's a resonable amount of DIY logic-type circuitry involved so...



DSC00097.JPG
 Description:
 Filesize:  488.41 KB
 Viewed:  852 Time(s)
This image has been reduced to fit the page. Click on it to enlarge.

DSC00097.JPG


Back to top
View user's profile Send private message
rumblin_cynth_rampo



Joined: Nov 15, 2012
Posts: 35
Location: Cardiff, Caerdydd, UK

PostPosted: Thu Jun 13, 2013 4:30 am    Post subject: Unlurk and a sample Reply with quote  Mark this post and the followings unread

Ive been lurking around here for a while and thought it about time I gave some thing back for all the stuff I have learned here.

So here is one of my pieces of cacophony. It was made using 4 40106 oscillators 2 of which get feed into a XOR gate which feeds a 4040. 8 random out puts of the 4040 feed into a 4051 multiplex inputs. The 4051's A B & C controller are fed by 2 of the 40106 oscillators with the 3 control coming from one of the oscillators feeding the XOR gate. The common in/out providing the output. A single track was recorded and then duplicated with a little bit of delay and reverb.

SO here is my Space Invaders' Boogie



_________________
Ian "Lemmy" Kilmister on Hawkwind;
"Like Brahms but violent."
https://soundcloud.com/rumblin_cynth_rampo
Back to top
View user's profile Send private message
Draal



Joined: May 18, 2010
Posts: 308
Location: Oak Park, IL
Audio files: 5

PostPosted: Sat Jul 06, 2013 12:29 pm    Post subject: Reply with quote  Mark this post and the followings unread

Cool sounds on that track rampo! Ahhh, Space Invaders; takes me back Cool
_________________
Zontar Prevails!
Back to top
View user's profile Send private message Visit poster's website
PHOBoS



Joined: Jan 14, 2010
Posts: 5898
Location: Moon Base
Audio files: 709

PostPosted: Fri Oct 25, 2013 4:10 pm    Post subject: Reply with quote  Mark this post and the followings unread

nice looking stuff there jcintheus Shocked
will have a listen later.

Here's a section of something I recorded yesterday, while having some fun with my RGB Shrooms, some effects and a bit of PWM lunetta.


PHOBoS - RGB Shrooms and more Lunetta fun (Oct 24, 2013) - part 1.mp3
 Description:
RGB Shrooms, effects and a bit of PWM lunetta

Download (listen)
 Filename:  PHOBoS - RGB Shrooms and more Lunetta fun (Oct 24, 2013) - part 1.mp3
 Filesize:  6.72 MB
 Downloaded:  1730 Time(s)


_________________
"My perf, it's full of holes!"
http://phobos.000space.com/
SoundCloud BandCamp MixCloud Stickney Synthyards Captain Collider Twitch YouTube
Back to top
View user's profile Send private message Visit poster's website AIM Address Yahoo Messenger MSN Messenger
PHOBoS



Joined: Jan 14, 2010
Posts: 5898
Location: Moon Base
Audio files: 709

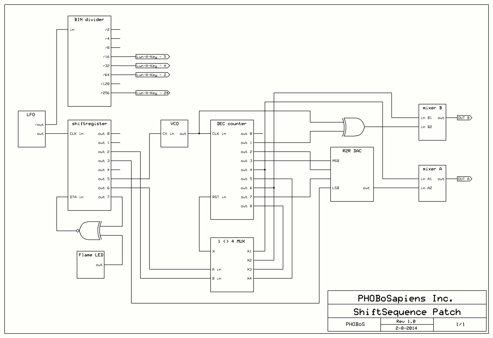
PostPosted: Sat Aug 02, 2014 6:35 am    Post subject: PHOBoS - ShiftSequence (Aug 02, 2014) Reply with quote  Mark this post and the followings unread

I wanted to make some sounds using the output from an R2R instead of a VCO which I mostly do, so I patched something up.
It has a shiftregister with the last bit fed back through an XNOR controlled by a tea candle LED (similar to the turing machine),
which in turn controls a mini melody generator (slacker). Cool

Could be expanded with the tea candle LED turned on/off by the divider (did that manually now). And another R2R to control the VCO
connected to outputs of the divider and or shiftregister. But I ran out of patch cables Rolling Eyes (have to fix some)


PHOBoS - lunetta shiftsequence patch (Aug 02, 2014).gif
 Description:
ShiftSequence Patch
 Filesize:  61.14 KB
 Viewed:  652 Time(s)
This image has been reduced to fit the page. Click on it to enlarge.

PHOBoS - lunetta shiftsequence patch (Aug 02, 2014).gif



PHOBoS - lunetta ShiftSequence (Aug 02, 2014).mp3
 Description:
PHOBoS - lunetta ShiftSequence (Aug 02, 2014)

Download (listen)
 Filename:  PHOBoS - lunetta ShiftSequence (Aug 02, 2014).mp3
 Filesize:  6.05 MB
 Downloaded:  1512 Time(s)


_________________
"My perf, it's full of holes!"
http://phobos.000space.com/
SoundCloud BandCamp MixCloud Stickney Synthyards Captain Collider Twitch YouTube
Back to top
View user's profile Send private message Visit poster's website AIM Address Yahoo Messenger MSN Messenger
Display posts from previous:   
Post new topic   Reply to topic Moderators: mosc
Page 13 of 13 [311 Posts]
View unread posts
View new posts in the last week
Goto page: Previous 1, 2, 3, ..., 11, 12, 13
Mark the topic unread :: View previous topic :: View next topic
 Forum index » DIY Hardware and Software » Lunettas - circuits inspired by Stanley Lunetta
Jump to:  

You cannot post new topics in this forum
You cannot reply to topics in this forum
You cannot edit your posts in this forum
You cannot delete your posts in this forum
You cannot vote in polls in this forum
You cannot attach files in this forum
You can download files in this forum


Forum with support of Syndicator RSS
Powered by phpBB © 2001, 2005 phpBB Group
Copyright © 2003 through 2009 by electro-music.com - Conditions Of Use