| Author |
Message |
synaesthesia

Joined: May 27, 2014 Posts: 291 Location: Germany
Audio files: 85
|
Posted: Tue Apr 14, 2015 9:23 am Post subject:
|
 |
|
| piedwagtail wrote: | | ...with optocouplers or jfets |
or with DIY vactrols? (Please?) |
|
|
Back to top
|
|
 |
piedwagtail

Joined: Apr 15, 2006 Posts: 297 Location: shoreditch
Audio files: 3
|
|
|
Back to top
|
|
 |
umschmitt

Joined: Jun 29, 2011 Posts: 189 Location: brrlin
Audio files: 11
|
Posted: Tue Apr 14, 2015 2:49 pm Post subject:
|
 |
|
| PHOBoS wrote: | for the pots attached to pins 6,9 & 13 anti-log would be perfect. I think that linear would be more suitable for the other 2,
but I haven't tested it. |
Ha! Actually i guessed at first that log would be the best since these pots looked like frequency control somehow. It was not. i suppose i'm going to wire them to be used backwards (and yes lin is fine for the others).
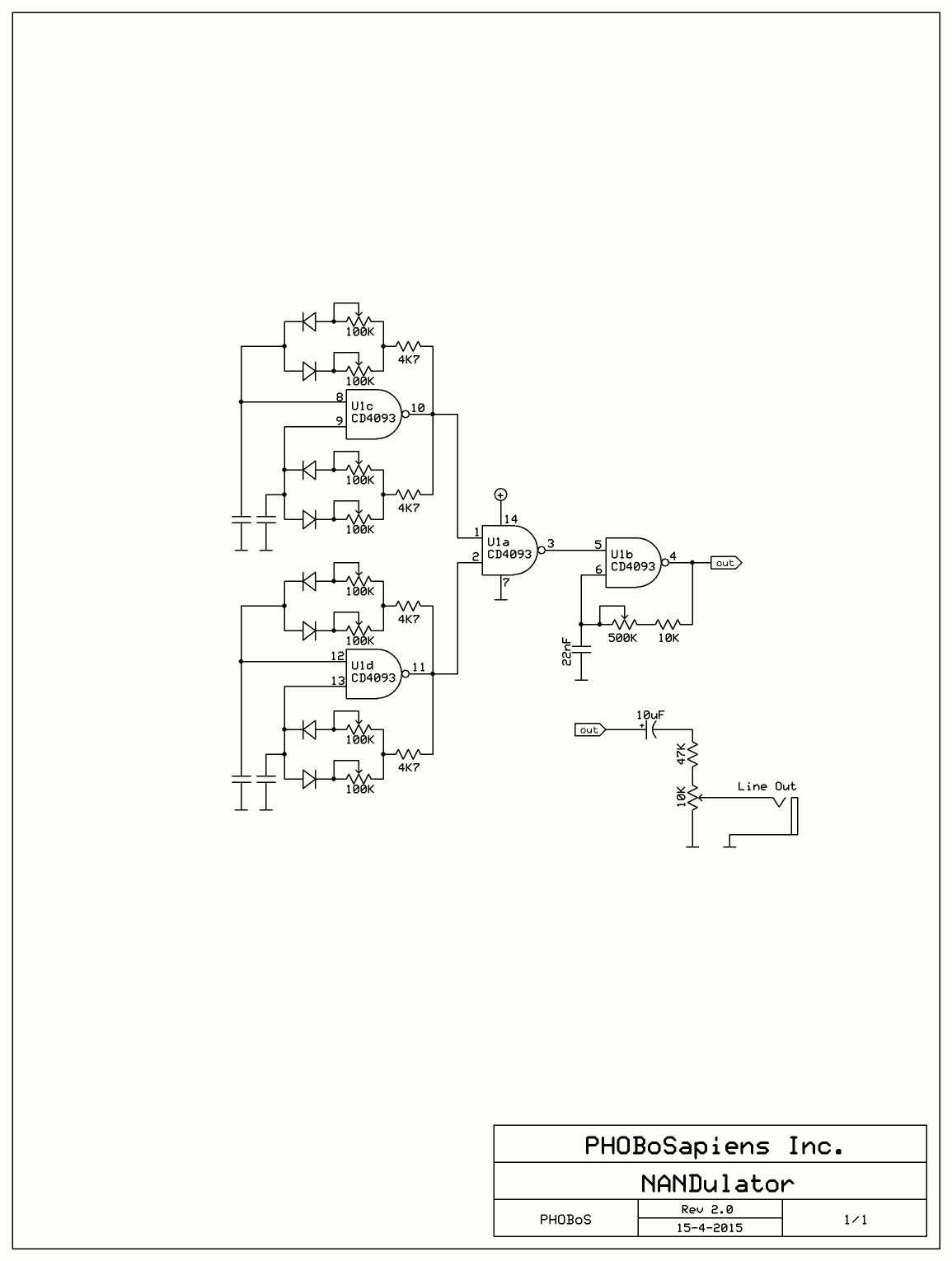
Which brings me to a question: could someone explain just what's going on in this circuit? The part with two diodes in the initial stages looked to me like a sort of waveshaper (met in some LFOs), which it's obviously not ; like i said, i thought the other side seemed to form a simple oscillator à la 40106, there again i'm not sure at all! And the whole thing gets NANDed and then NANDed again with a non-oscillator…Wowowoh, i'd like to understand a bit of it! Not owning an oscilloscope, i can just try to figure out what's going on from what i hear, which doesn't bring me very far i must say.
Thanks in advance! _________________ ::U::N::S::C::H::N::E::L::L:: |
|
|
Back to top
|
|
 |
piedwagtail

Joined: Apr 15, 2006 Posts: 297 Location: shoreditch
Audio files: 3
|
|
|
Back to top
|
|
 |
PHOBoS

Joined: Jan 14, 2010 Posts: 5973 Location: Moon Base
Audio files: 709
|
|
|
Back to top
|
|
 |
piedwagtail

Joined: Apr 15, 2006 Posts: 297 Location: shoreditch
Audio files: 3
|
Posted: Tue Apr 14, 2015 7:23 pm Post subject:
|
 |
|
It's like a bar room brawl.
Easy to see the overall action but hard to predict where the next punch will be thrown
.............
The antilog driver had a very narrow window for the action and was basically stuck in a unipolar world without a lot of ancillary add ons.
I've just ordered some interesting items from Farnell to try something; I'll play with them tommorrow.
Robert |
|
|
Back to top
|
|
 |
PHOBoS

Joined: Jan 14, 2010 Posts: 5973 Location: Moon Base
Audio files: 709
|
|
|
Back to top
|
|
 |
PHOBoS

Joined: Jan 14, 2010 Posts: 5973 Location: Moon Base
Audio files: 709
|
|
|
Back to top
|
|
 |
piedwagtail

Joined: Apr 15, 2006 Posts: 297 Location: shoreditch
Audio files: 3
|
Posted: Wed Apr 15, 2015 8:53 am Post subject:
|
 |
|
I feel a Fibonacci growth coming in pots with V.3...
Actually if the NANDulating is confined to a single 4093, any further outbreak can probably be contained by adding headers....
Robert |
|
|
Back to top
|
|
 |
umschmitt

Joined: Jun 29, 2011 Posts: 189 Location: brrlin
Audio files: 11
|
Posted: Wed Apr 15, 2015 2:39 pm Post subject:
|
 |
|
Thank you very much PHOBoS for your clear explanations about how the NANDulator NANDulates. So my guess was not that far off concerning the sub-circuits but i completely missed the proeminence of the chaos factor. What's weird is that the "PW control" mostly dictates frequency while the frequency control affects timbre for the most part. Strange… NANDul, so to say. And the last oscillator sometimes sounds a tad like a filter. i definitely was able at some point to hear harmonics while turning that pot!
Talking 'bout pots, thanks piedwagtail for the input, i'll stay with my backward logs tho!
And yeah, that V.2! Want to hear that!
Concerning V.1, i thought improving the layout with: bigger wire pads, putting the pads for the first pot in the correct order, adding an LED, a protection diode (think standalone noisebox). Makes sense? Or not. Stay tüned. _________________ ::U::N::S::C::H::N::E::L::L:: |
|
|
Back to top
|
|
 |
umschmitt

Joined: Jun 29, 2011 Posts: 189 Location: brrlin
Audio files: 11
|
Posted: Wed Apr 15, 2015 5:02 pm Post subject:
|
 |
|
Here we go:
(ditched the LED)
Edit 4.20.2015: put the diodes in the right direction according to PHOBoS' schematics.
| Description: |
|
| Filesize: |
63.39 KB |
| Viewed: |
35896 Time(s) |

|
| Description: |
| Debugged version with diodes in the korrrrrekt direction. |
|
| Filesize: |
88.98 KB |
| Viewed: |
685 Time(s) |
| This image has been reduced to fit the page. Click on it to enlarge. |

|
_________________ ::U::N::S::C::H::N::E::L::L:: Last edited by umschmitt on Mon Apr 20, 2015 3:00 am; edited 1 time in total |
|
|
Back to top
|
|
 |
piedwagtail

Joined: Apr 15, 2006 Posts: 297 Location: shoreditch
Audio files: 3
|
Posted: Thu Apr 16, 2015 7:34 am Post subject:
|
 |
|
(Wow!)
edit:
Thoughts on the possible requirements of a pcb(s)
1. NANDulator core should work off 5V-15V
2. Have a pots only manual version that works from core headers
3. have diode inputs in and out possibly with switch
4. have a n number input CV and manual version
5. linear oscillator pitch if possible
6. CV should use vactrol/Silonex/homebrew control
7. CV should be +/-5V
8. CV board will require bipolar supply
9. outputs could be for main and monitor (and carry?); main could be CV'd
For a playable audio rate NANDulator the ideal set-up would be to inject some CVs and then manually interact with them.
For a gate rate NANDulator manual control sets the initial condition/offset - you allow the CV's to fight it out whilst you watch from the bar.
Theoretically
God only knows what NANDulators NANDulating NANDulators requires...
next
manual version with direct pots
Manual and CV version with opamp mixers driving optos
1 core and 2 control board options; one manual; one manual/CV
next
.............................................................
field report
OK, I've been watching a line on the 'scope going up and down in time with a +/-5V triangle wave
(I'm a little seasick)
Measuring voltages/currents/resistances and observing how little real information there is about opto resistive setups.
I wondered whether the typical filter sweep fun is simple for the ear and any old hack with a changing voltage works kind of....
( a lot of writing seems to be proof of engineering rather than consistent musical device).
I abandoned ideas and then had them rejoin the fight.
Driving a led with an almost reverse log response seemed possible but when I actually came to swap them out for 'real' optocouplers the cadmium reaction resistance was another matter. Silonex optos are virtually just switches; makes me wonder what people who use them are really achieving. Optos with transistors and opamp feedback loops were very narrow and difficult to use...perhaps I needed to expand my knowledge with some sort of bridge.
Conclusions:
1. If anyone needs 0-5V CV they can do level matching themselves. +/-5V will handle carry NANDulator inputs fine with a diode.
2. Silonex is not an option, the classic VTL5C3/2 I have gave 100M+ to 3k in parallel connection of the two sides. Problem for everyone will be the price of so many vactrols. I do have some opto-resistors so my next task is to try them with leds.
3. I'll use an inverting opamp to mix the CV and the manual Intial setting. The second opamp will conveniently invert and cut down the voltage swing for the led current control element.(more on the last part of that sentence later if it still works with the homebrew optocouplers)
next
Achieving 3k -40k with one premade homebrew opto and 2k-90k with another with better black heatshrinking.
What are the expected ranges that people get with homebrew optocouplers?
Best news the response is definitely reverse log not linear, this should get a better linear pitch response with the oscillators
I'm not as excited as I was when I realized how this could be done but I think I can move on from this research.
Optocoupling will always involve finetuning by the constructor, this isn't a particularly consistent pursuit.
Robert |
|
|
Back to top
|
|
 |
PHOBoS

Joined: Jan 14, 2010 Posts: 5973 Location: Moon Base
Audio files: 709
|
Posted: Tue Apr 21, 2015 7:57 am Post subject:
|
 |
|
looks good umschmitt!
with that layout you could solder a header onto it that you can plug it into a breadboard to do some more experiments.
Robert, a while back I desined a circuit to convert a CV to resistance with a homemade vactrol. I'll see if I can find it
maybe you can get some ideas from that. For a PCB you could add extra solderpads for any NAND output to link them
or maybe hook up some LED's (I should try my 5x5 mini scope with it). A more universal version could be a board that
has an option to choose what you want to make and in what order you connect it. So it would have all the necessary
holes and traces to make 4 of those NANDulator cells (V1 with frequency and PWM control). but you could also make 4
standard oscillators or the original NANDulator and than connect in & outputs as you want (could make it patchable).
Of course this would require a larger PCB. Maybe add an extra space for 4 diodes or resistors connected to the output
to mix signals together.
I did a test with the 4 pot version of V2. I only have enough pots to test with 1 NAND gate though but it does work.
However it's also harder to control because you have to turn 2 pots at once if you only want to change frequency
or pulsewidth. I am thinking of doing a test with a bunch of LDR's instead of pots just to see how crazy that gets.
It will most likely be very hard to control. Maybe I'll add a solarpanel for power and let the sun have some fun with it
Another option for some extra control would be to place a pot in series with the PW pot of V1. _________________ "My perf, it's full of holes!"
http://phobos.000space.com/
SoundCloud BandCamp MixCloud Stickney Synthyards Captain Collider Twitch YouTube |
|
|
Back to top
|
|
 |
piedwagtail

Joined: Apr 15, 2006 Posts: 297 Location: shoreditch
Audio files: 3
|
Posted: Tue Apr 21, 2015 9:13 am Post subject:
|
 |
|
Current state of play:
2 board solution.
NANDulator LDR v.1
Panel board 6 pots, 2 direct to diodes, 4 summed with respective CVs in first inverting opamp stage then re-inverted and cut down in second opamp stage.
>headers>
Core board 4093, 4 LDRs and drivers for master Nand and 2 auxillary Nands and for output attenuation. Diode interference connections.
50mm x 50mm too small for all the added components especially LDR space.(why are there no SMT ldrs?).
Reasoning:
My intuition was telling me v.2 would be beyond manual control and that v.1 was the right mix of playability and unpredictability. I suspect an all LDR v.2 will be too random without very slow LFO CVs and upline modulation of those LFOs.
LDRs are naturally log. The solution I have works although I need to order multiple components to test consistency. The VTL5c3/2 I have are marvelously wide ranging, I suspect gate to audio rates with those. The bare ldrs have less range or need to have better enclosures (black pipe, glue gun, black sealant comes to mind).
I'll order some Chinese GL55xx LDRs from ebay
https://www.kth.se/social/files/54ef17dbf27654753f437c56/GL5537.pdf
I should have all the local components to breadboard each pcb soon.
The original pcb design could still be viable as an interference diode source for LDR pcbs. Playability could be maintained I suspect.
Solar interference should provide possibility of glass buidings with human shadows conducting embedded NANDulator orchestras .
Robert |
|
|
Back to top
|
|
 |
RingMad

Joined: Jan 15, 2011 Posts: 430 Location: Montreal, Canada
Audio files: 4
|
Posted: Thu Apr 23, 2015 8:17 am Post subject:
|
 |
|
Cool stuff, folks!
PHOBoS : I also would be interested in seeing that circuit you made for the "CV to resistance with a homemade vactrol", if you can find it. I've never been happy with the ones I tried.
.: James :. |
|
|
Back to top
|
|
 |
umschmitt

Joined: Jun 29, 2011 Posts: 189 Location: brrlin
Audio files: 11
|
Posted: Sat Apr 25, 2015 3:54 pm Post subject:
|
 |
|
(the NANDulator building workshop was great by the way, we might do a part two) _________________ ::U::N::S::C::H::N::E::L::L:: |
|
|
Back to top
|
|
 |
PHOBoS

Joined: Jan 14, 2010 Posts: 5973 Location: Moon Base
Audio files: 709
|
|
|
Back to top
|
|
 |
umschmitt

Joined: Jun 29, 2011 Posts: 189 Location: brrlin
Audio files: 11
|
Posted: Sun Apr 26, 2015 6:12 am Post subject:
|
 |
|
[Edit: the stanza actually adresses the process of NANDulation. The score stays unaltered]
All the gates were NANDulating
(tididididu tididu tu tu)
Those chips are fast as lightning
(tidudi tidudi tidudi)
In fact it was a little bit frightening
(tididididu tididu tu tu)
But they did it with expert timing
(tidudi tidudi tidudi) _________________ ::U::N::S::C::H::N::E::L::L:: |
|
|
Back to top
|
|
 |
AuDioMiRage
Joined: Jan 14, 2015 Posts: 9 Location: Wisconsin
|
Posted: Wed Apr 29, 2015 7:10 am Post subject:
|
 |
|
PHOBoS - The NANDulator is amazing! This thing is just crazy.
I put one together on perf board and used DIY Vactrols for the pots. Accidently had a flickering led in place of a regular Led and it added a sequencer effect to the already intenseness of NANDulation.
FanTasTic hugh sound from such a simple (?) circuit. |
|
|
Back to top
|
|
 |
PHOBoS

Joined: Jan 14, 2010 Posts: 5973 Location: Moon Base
Audio files: 709
|
|
|
Back to top
|
|
 |
piedwagtail

Joined: Apr 15, 2006 Posts: 297 Location: shoreditch
Audio files: 3
|
Posted: Sat May 02, 2015 2:19 am Post subject:
|
 |
|
NANDulator LDR
baritone edition.
Two pieces ; 852 straight with some volume and pan mixing; 851 simulated double NANDulator LDR concert.
reproduced wonderfully on my hi-fi, somewhat granular on the laptop.
Robert
| Description: |
|
 Download (listen) |
| Filename: |
852.mp3 |
| Filesize: |
8.95 MB |
| Downloaded: |
1395 Time(s) |
| Description: |
|
 Download (listen) |
| Filename: |
851.mp3 |
| Filesize: |
5.53 MB |
| Downloaded: |
1316 Time(s) |
|
|
|
Back to top
|
|
 |
piedwagtail

Joined: Apr 15, 2006 Posts: 297 Location: shoreditch
Audio files: 3
|
Posted: Sat May 02, 2015 2:41 am Post subject:
|
 |
|
NANDulator LDR above recording setup:
core section running off +5V
LDR section off +/-15
2 Triangle to Sawtooth LFOs each running +/-5V into mixer with offset 50k pots to fet-controlled VTL5C3/2s - their resistances affecting pin9 and pin12 of original schematic respectively.
Baritone core pots all 1M linear.
Initial impressions of trying to perform with a NANDulator LDR is that it's not so easy to play; some real depth there. Definitely replacing the pin 5 resistance with a vactrol/led and for volume too will make it even more interesting.
I've had enough of prototyping and want to move to pcb design for both species. Resistances/Capacitance and homebrew LDRs will need bespoke decisions for a real pcb, committing to prototyping all the possible combinations beforehand will kill too much time and leave no space for hypermodding later.
Robert |
|
|
Back to top
|
|
 |
PHOBoS

Joined: Jan 14, 2010 Posts: 5973 Location: Moon Base
Audio files: 709
|
|
|
Back to top
|
|
 |
piedwagtail

Joined: Apr 15, 2006 Posts: 297 Location: shoreditch
Audio files: 3
|
Posted: Mon May 11, 2015 4:20 pm Post subject:
|
 |
|
Ah, the garden NANDulated!
852 is all hands on deck plus ldrs, though at the end it's hands free hence the rolling pitch with the slightly phasing rhythmic interest.
Listening now again to your opus; I'm struck that the NANDulator v.1 is certainly a sweet spot. Adding ldrs is simple enough but actually getting changes into those ldrs which produce interest is somewhat harder. In 851/2 I was using an unmodulated pair of lfos which I found slightly frustrating.
Progress-wise, I'm close enough to sending two designs to Shenzhen:
One a double ldr driver pcb for general use and the second a NANDulator v.1 with direct inputs to pins 8,9,12,13 and two direct outputs with diodes in different directions, such that NANDulators can modulate NANDulators.
Capacitor size options I'll cater for, but not onboard regulator, attenuator, audio output or LM386 which I considered for awhile but needed a two board solution.
I've ordered the $0.67 Tayda reverse log 9mm pots already.
http://www.taydaelectronics.com/potentiometer-variable-resistors/rotary-potentiometer/anti-log-reverse.html
NANDulator LDR I'll postpone for the moment.
Robert |
|
|
Back to top
|
|
 |
L´Andratté

Joined: Sep 23, 2012 Posts: 153 Location: Hamburg, Germany
Audio files: 5
|
Posted: Tue Jun 23, 2015 12:51 pm Post subject:
|
 |
|
Another NANDulator came alive last weekend. Terrible reaper of sounds.
I love it.
But I think it could need some modulation inputs. I´m thinking of these proposed by richardc64:
http://electro-music.com/forum/phpbb-files/simple_vco_175.gif
PS: I used log pots wired backwards, I think its not important as the continuity of pot movement and frequency is vague at best anyway, meaning there is lots of stuff happening, but not in a predictable way related to direction of pot movement. |
|
|
Back to top
|
|
 |
|