| Author |
Message |
PHOBoS

Joined: Jan 14, 2010 Posts: 5905 Location: Moon Base
Audio files: 709
|
|
|
Back to top
|
|
 |
Cynosure
Site Admin

Joined: Dec 11, 2010 Posts: 1025 Location: Toronto, Ontario - Canada
Audio files: 82
|
Posted: Tue May 12, 2015 7:01 pm Post subject:
|
 |
|
Nice Skrog inspired blue  _________________ JacobWatters.com |
|
|
Back to top
|
|
 |
PHOBoS

Joined: Jan 14, 2010 Posts: 5905 Location: Moon Base
Audio files: 709
|
|
|
Back to top
|
|
 |
Skrog Productions

Joined: Jan 07, 2009 Posts: 1224 Location: Scottish Borders
Audio files: 160
|
Posted: Wed May 13, 2015 10:58 am Post subject:
|
 |
|
WoW , Amazing , fantastic panel , I like the 2 celtic pipers and what a lovely shade of blue, good choice .
Looking forward to hearing it when it's all wired up .
Excellent work & great use for the chips & slide switches too, Phobos .
This is inspiring me to build another module  |
|
|
Back to top
|
|
 |
PHOBoS

Joined: Jan 14, 2010 Posts: 5905 Location: Moon Base
Audio files: 709
|
|
|
Back to top
|
|
 |
Skrog Productions

Joined: Jan 07, 2009 Posts: 1224 Location: Scottish Borders
Audio files: 160
|
Posted: Wed May 13, 2015 12:28 pm Post subject:
|
 |
|
That's a great way to mount the switches , saves having to source 2mm thread screws for the switch tabs, good stuff Phobos.
Dave. |
|
|
Back to top
|
|
 |
Skrog Productions

Joined: Jan 07, 2009 Posts: 1224 Location: Scottish Borders
Audio files: 160
|
Posted: Wed May 13, 2015 12:30 pm Post subject:
|
 |
|
hehehe , yes , haggis pic would look too greasy , so would a pic of flat square sausage  |
|
|
Back to top
|
|
 |
PHOBoS

Joined: Jan 14, 2010 Posts: 5905 Location: Moon Base
Audio files: 709
|
Posted: Fri May 29, 2015 8:05 am Post subject:
|
 |
|
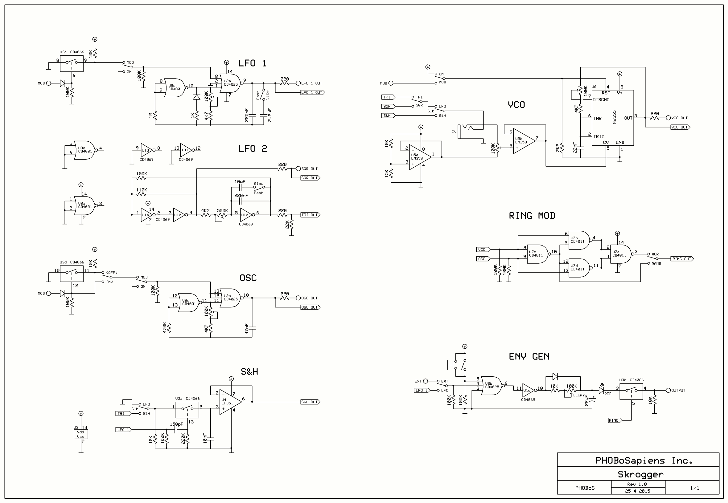
I wired it up about 2 weeks ago,. but I have problem. Apparently making an oscillator out of a 4069 inverter
followed by a 4025 NOR doesn't work . However when I touch the input of the inverter it does. I experimented
a bit on a breadboard to see if I could get it working but whatever worked on the breadboard didn't work when used
in the actual circuit. So I'm a bit stuck, easiest way is probably to just add another NOR chip and replace the 4069 inverters.
(and I need a 3.5 mm socket with a switch contact and some wood for a case) _________________ "My perf, it's full of holes!"
http://phobos.000space.com/
SoundCloud BandCamp MixCloud Stickney Synthyards Captain Collider Twitch YouTube |
|
|
Back to top
|
|
 |
PHOBoS

Joined: Jan 14, 2010 Posts: 5905 Location: Moon Base
Audio files: 709
|
Posted: Sun Jul 19, 2015 11:21 am Post subject:
|
 |
|
| PHOBoS wrote: | | ... easiest way is probably to just add another NOR chip and replace the 4069 inverters. |
So that's what I did. It feels a bit like cheating since dave didn't send me that one, but I already added an extra opamp too anyway.
(and I fried the original 555, but don't tell Dave)
I used some stained wood for the case this time instead of the usual MDF. And I wanted to record a demo but when I started playing
around with it yesterday I also added some other stuff (as usual). You can find some excerpts of that Skrogging session posted here.
And you can also here it at the beginning (and throughout) Phytoplankton.
| Description: |
|
| Filesize: |
100.06 KB |
| Viewed: |
1038 Time(s) |
| This image has been reduced to fit the page. Click on it to enlarge. |

|
| Description: |
|
| Filesize: |
90.51 KB |
| Viewed: |
966 Time(s) |
| This image has been reduced to fit the page. Click on it to enlarge. |

|
| Description: |
|
| Filesize: |
108.59 KB |
| Viewed: |
884 Time(s) |
| This image has been reduced to fit the page. Click on it to enlarge. |

|
| Description: |
|
| Filesize: |
87.42 KB |
| Viewed: |
849 Time(s) |
| This image has been reduced to fit the page. Click on it to enlarge. |

|
_________________ "My perf, it's full of holes!"
http://phobos.000space.com/
SoundCloud BandCamp MixCloud Stickney Synthyards Captain Collider Twitch YouTube |
|
|
Back to top
|
|
 |
blue hell
Site Admin

Joined: Apr 03, 2004 Posts: 24582 Location: The Netherlands, Enschede
Audio files: 308
G2 patch files: 320
|
Posted: Sun Jul 19, 2015 11:43 am Post subject:
|
 |
|
| PHOBoS wrote: | | You can find some excerpts |
Heard it live last night, and it was very nice .. did the harsh almost (heavily distorted) guitar like sounds (reminding me on Velvet Underground) come from the Skrogger? _________________ Jan
also .. could someone please turn down the thermostat a bit.
 |
|
|
Back to top
|
|
 |
PHOBoS

Joined: Jan 14, 2010 Posts: 5905 Location: Moon Base
Audio files: 709
|
Posted: Sun Jul 19, 2015 12:42 pm Post subject:
|
 |
|
Nope, that was the Chromatic Melody Generator (CMG) fed into a CD4046 Pitch Tracker/VCO, which was then fed into a divider (swing generator).
And all these signals where mixed together. I also had the SAW output from the CMG going into an ADC with the outputs controlling the notes
of the CMG. So it was somewhat playing (with) itself
Some of the sounds the Skrogger was making are the ones with the somewhat slow attack, you can hear it best in Excerpt 1. _________________ "My perf, it's full of holes!"
http://phobos.000space.com/
SoundCloud BandCamp MixCloud Stickney Synthyards Captain Collider Twitch YouTube |
|
|
Back to top
|
|
 |
Skrog Productions

Joined: Jan 07, 2009 Posts: 1224 Location: Scottish Borders
Audio files: 160
|
Posted: Mon Jul 20, 2015 12:09 pm Post subject:
|
 |
|
Looks & Sounds Fantastic
I see the red square push for env , just like I use for my adsrs , cool
Does the Skrogger have it's own power supply or is it run from your Raw DC supply ?
The wood case completes the build Excellent construction Phobos , would it be ok to upload you some yellow drum synth patterns I will programme up , for you to multi track / jam some skrogger sounds along with ? .
Dave  |
|
|
Back to top
|
|
 |
PHOBoS

Joined: Jan 14, 2010 Posts: 5905 Location: Moon Base
Audio files: 709
|
Posted: Tue Jul 21, 2015 11:57 am Post subject:
|
 |
|
Thanks Dave ,
Since it's just a simple lunetta synth it works on a DC wallwart and yes I had one of those push buttons I see you using al the time
so I had to put it in the skrogger. It's actually an on/off switch not a momentary but I noticed you can use it as such. So I can
use it as a trigger or just turn it on which basically disables the envelope generator.
Sure go ahead, upload some skrogbeats I jam to it. I can't promise I can stick to just using the skrogger though
And it might take some time before I get to it. I'm currrently working on 2 albums: the Captain Collider one and the
next AcidTrasH album.  _________________ "My perf, it's full of holes!"
http://phobos.000space.com/
SoundCloud BandCamp MixCloud Stickney Synthyards Captain Collider Twitch YouTube |
|
|
Back to top
|
|
 |
Skrog Productions

Joined: Jan 07, 2009 Posts: 1224 Location: Scottish Borders
Audio files: 160
|
|
|
Back to top
|
|
 |
PHOBoS

Joined: Jan 14, 2010 Posts: 5905 Location: Moon Base
Audio files: 709
|
|
|
Back to top
|
|
 |
PHOBoS

Joined: Jan 14, 2010 Posts: 5905 Location: Moon Base
Audio files: 709
|
|
|
Back to top
|
|
 |
Skrog Productions

Joined: Jan 07, 2009 Posts: 1224 Location: Scottish Borders
Audio files: 160
|
Posted: Tue Dec 08, 2015 10:25 am Post subject:
|
 |
|
Thanks Phobos , sounds great , love the bleating samples & diy synth sounds, nice one
Dave. |
|
|
Back to top
|
|
 |
|