| Author |
Message |
mike page

Joined: Sep 26, 2016 Posts: 134 Location: norwich, uk
|
Posted: Tue Apr 17, 2018 6:29 am Post subject:
Octave transvering puzzzzzzle! |
 |
|
Heres a little something which might sound cool:
The puzzle is to make it so you only get one duty cycle per octave pulse like so:
this example transverses 4 octaves but that is not a critical factor...
I think I have a possible solution but would like to see what you fine folk come up with  |
|
|
Back to top
|
|
 |
synaesthesia

Joined: May 27, 2014 Posts: 291 Location: Germany
Audio files: 85
|
Posted: Tue Apr 17, 2018 10:44 am Post subject:
|
 |
|
| Not sure what you are looking for. Is it some effect similar to an arpeggio going up and down through the octaves? Then your solution is good. I would just feed the three selects to the highest three outputs of the 4016 so you can hear more than a few cycles of each octave frequency. |
|
|
Back to top
|
|
 |
mike page

Joined: Sep 26, 2016 Posts: 134 Location: norwich, uk
|
Posted: Tue Apr 17, 2018 11:45 am Post subject:
|
 |
|
| Hey, im after the output in the second drawing. So rather than 16 small pulses follow by 8 twice as big pulses followed by 4 twice as big pulses ... etc ... I was after a configuration that give 1 small pulse, followed by 1 twice as big, followed by 1 twice as big then back down again.... |
|
|
Back to top
|
|
 |
mike page

Joined: Sep 26, 2016 Posts: 134 Location: norwich, uk
|
Posted: Tue Apr 17, 2018 11:49 am Post subject:
|
 |
|
And I think Im kind of after a sort of timbral thingy with it rather than arping.
But of course these things are cool and useful to run at audio or event rates! |
|
|
Back to top
|
|
 |
blue hell
Site Admin

Joined: Apr 03, 2004 Posts: 24673 Location: The Netherlands, Enschede
Audio files: 330
G2 patch files: 320
|
|
|
Back to top
|
|
 |
PHOBoS

Joined: Jan 14, 2010 Posts: 5947 Location: Moon Base
Audio files: 709
|
|
|
Back to top
|
|
 |
mike page

Joined: Sep 26, 2016 Posts: 134 Location: norwich, uk
|
Posted: Wed Apr 18, 2018 9:32 am Post subject:
|
 |
|
This is what I got, but I cant tell if it works or not!
 Last edited by mike page on Wed Apr 18, 2018 11:25 am; edited 1 time in total |
|
|
Back to top
|
|
 |
synaesthesia

Joined: May 27, 2014 Posts: 291 Location: Germany
Audio files: 85
|
|
|
Back to top
|
|
 |
mike page

Joined: Sep 26, 2016 Posts: 134 Location: norwich, uk
|
Posted: Wed Apr 18, 2018 11:14 am Post subject:
|
 |
|
Ha! Cool! Is that the circuit I just posted?
I guess its easy for my circuit to go out of sync so it outputs something else. Therefore, proding the reset on the 2nd part of the 4520 should put out different pulse patterns.
And also might get some freaky peaks adding the ol' steppy triangle XOR trick to it...
 Last edited by mike page on Wed Apr 18, 2018 11:45 am; edited 1 time in total |
|
|
Back to top
|
|
 |
PHOBoS

Joined: Jan 14, 2010 Posts: 5947 Location: Moon Base
Audio files: 709
|
Posted: Wed Apr 18, 2018 11:39 am Post subject:
|
 |
|
I did a quick simulation with digital works and it works about 50%. I'll have to draw a timing diagram to see what exactly is happening.
Or maybe someone can use some software that does that. I was thinking about the reset too but sofar it doesn't actually seem to
matter. I think it just changes the phase compared to something else running from the same clock, but the pattern stays the same. _________________ "My perf, it's full of holes!"
http://phobos.000space.com/
SoundCloud BandCamp MixCloud Stickney Synthyards Captain Collider Twitch YouTube |
|
|
Back to top
|
|
 |
mike page

Joined: Sep 26, 2016 Posts: 134 Location: norwich, uk
|
Posted: Mon Apr 23, 2018 1:03 am Post subject:
|
 |
|
Any recommendations for software to generating timing diagrams?
I tried doing it on paper but it got confusing pretty quickly! |
|
|
Back to top
|
|
 |
PHOBoS

Joined: Jan 14, 2010 Posts: 5947 Location: Moon Base
Audio files: 709
|
Posted: Mon Apr 23, 2018 5:36 am Post subject:
|
 |
|
I don't know of any software but I did write down somewhat of a truth table. By the looks of it starts to repeat after a couple of cycles.
| Code: | main mux division output
DCBA CBA
-----------------------------------
0000 000 /1 clk
0001 001 /2 1
0010 010 /4 1
0011 010 /4 1
0100 011 /8 1
0101 011 /8 1
0110 011 /8 1
0111 011 /8 1
1000 100 /16 1
1001 100 /16 1
1010 100 /16 1
1011 100 /16 1
1100 100 /16 1
1101 100 /16 1
1110 100 /16 1
1111 100 /16 1
0000 101 /8 0
0001 101 /8 0
0010 101 /8 0
0011 101 /8 0
0100 101 /8 1
0101 101 /8 1
0110 101 /8 1
0111 101 /8 1
1000 110 /4 0
1001 110 /4 0
1010 110 /4 1
1011 110 /4 1
1100 111 /2 0
1101 111 /2 1
1110 000 /1 clk
1111 001 /2 1
0000 010 /4 0
0001 010 /4 0
0010 010 /4 1
0011 010 /4 1
0100 011 /8 1
0101 011 /8 1
0110 011 /8 1
0111 011 /8 1
1000 100 /16 1
1001 100 /16 1
1010 100 /16 1
1011 100 /16 1
1100 100 /16 1
1101 100 /16 1
1110 100 /16 1
1111 100 /16 1
0000 101 /8 0
0001 101 /8 0
0010 101 /8 0
0011 101 /8 0
0100 101 /8 1
0101 101 /8 1
0110 101 /8 1
0111 101 /8 1
1000 110 /4 0
1001 110 /4 0
1010 110 /4 1
1011 110 /4 1
1100 111 /2 0
1101 111 /2 1
1110 000 /1 clk
1111 001 /2 1
0000 010 /4 0
0001 010 /4 0
0010 010 /4 1
0011 010 /4 1
0100 011 /8 1
0101 011 /8 1
0110 011 /8 1
0111 011 /8 1
1000 100 /16 1
1001 100 /16 1
1010 100 /16 1
1011 100 /16 1
1100 100 /16 1
1101 100 /16 1
1110 100 /16 1
1111 100 /16 1
0000 101 /8 0
0001 101 /8 0
0010 101 /8 0
0011 101 /8 0
0100 101 /8 1
0101 101 /8 1
0110 101 /8 1
0111 101 /8 1
1000 110 /4 0
1001 110 /4 0
1010 110 /4 1
1011 110 /4 1
1100 111 /2 0
1101 111 /2 1
1110 000 /1 clk
1111 001 /2 1 |
_________________ "My perf, it's full of holes!"
http://phobos.000space.com/
SoundCloud BandCamp MixCloud Stickney Synthyards Captain Collider Twitch YouTube |
|
|
Back to top
|
|
 |
mike page

Joined: Sep 26, 2016 Posts: 134 Location: norwich, uk
|
Posted: Mon Apr 23, 2018 7:47 am Post subject:
|
 |
|
| once again wow, thanks alot! I see what you mean about 50% working, the principal is sort of there but something is wrong. I'll keep staring at it and try and figure out if it is indeed the right approach... |
|
|
Back to top
|
|
 |
PHOBoS

Joined: Jan 14, 2010 Posts: 5947 Location: Moon Base
Audio files: 709
|
Posted: Mon Apr 23, 2018 12:09 pm Post subject:
|
 |
|
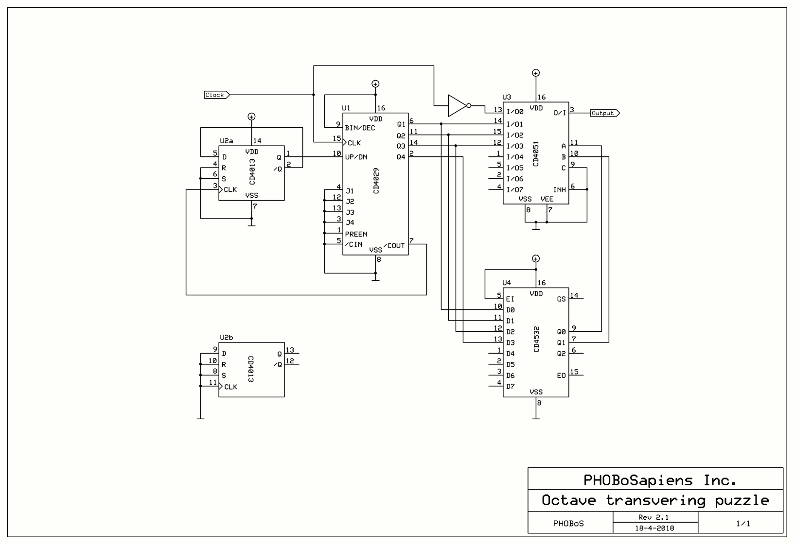
When I initially tried to solve it I first drew up a timing diagram to see which divisions need to be selected and when.
As you can see there is a bit of a problem which is probably releated to why your version doesn't fully work.
This is also the reason why I opted for a 4029 to do the up/down counting.
I did make a mistake in the circuit diagram: there needs to be an inverter between the carry out of the 4029 and the CLK in of the 4013.
if you do that it counts:
0000
up
0001
0010
0011
0100
0101
0110
0111
1000
1001
1010
1011
1100
1101
1110
1111
down
1110
1101
1100
1011
1010
1001
1000
0111
0110
0101
0100
0011
0010
0001
0000
| Description: |
|
| Filesize: |
34.72 KB |
| Viewed: |
303 Time(s) |
| This image has been reduced to fit the page. Click on it to enlarge. |

|
| Description: |
|
| Filesize: |
60.06 KB |
| Viewed: |
336 Time(s) |
| This image has been reduced to fit the page. Click on it to enlarge. |

|
_________________ "My perf, it's full of holes!"
http://phobos.000space.com/
SoundCloud BandCamp MixCloud Stickney Synthyards Captain Collider Twitch YouTube Last edited by PHOBoS on Mon Apr 23, 2018 3:02 pm; edited 1 time in total |
|
|
Back to top
|
|
 |
mike page

Joined: Sep 26, 2016 Posts: 134 Location: norwich, uk
|
Posted: Mon Apr 23, 2018 2:44 pm Post subject:
|
 |
|
| Ah nice. Thanks for explaining the way you approached it. Good idea drawing up which divisions are needed etc v smart! |
|
|
Back to top
|
|
 |
PHOBoS

Joined: Jan 14, 2010 Posts: 5947 Location: Moon Base
Audio files: 709
|
Posted: Tue Apr 24, 2018 2:01 pm Post subject:
|
 |
|
That timing diagram is also how I came up with using a priority encoder.
While I was looked at it I noticed something:
/2 needs to be selected when /4 is high
/4 needs to be selected when /8 is high
/8 needs to be selected when /16 is high
etc.
I assumed CLK (inverted) can be selected when /2 is high but I didn't really check that, hence why I am not sure if the circuit
fully works or not, I also didn't check yet if it still works correct when counting down.
anyway,
/2 is connected to input 1 of the mux so is selected with CBA = 001
/4 is connected to input 2 of the mux so is selected with CBA = 010
/8 is connected to input 3 of the mux so is selected with CBA = 011
looking at the counter that means that when its output is 001x (Q4 = 0, Q3 = 0, Q2 = 1, Q1 = don't care)
the CBA control inputs of the mux need to be 001.
when its output is 01xx CBA inputs need to be 010
when its output is 1xxx CBA inputs need to be 011
and that's exactly what the priority encoder does.
I think it is also possible to chain 2 4029 counters which would give another 4 bits that can be connected to the priority encoder.
Q2 of the encoder can then be connected to input C of the mux. _________________ "My perf, it's full of holes!"
http://phobos.000space.com/
SoundCloud BandCamp MixCloud Stickney Synthyards Captain Collider Twitch YouTube |
|
|
Back to top
|
|
 |
mike page

Joined: Sep 26, 2016 Posts: 134 Location: norwich, uk
|
Posted: Wed Apr 25, 2018 1:34 am Post subject:
|
 |
|
ace! You are the king of logic!  |
|
|
Back to top
|
|
 |
|