electro-music.com   Dedicated to experimental electro-acoustic
and electronic music
 
    Front Page  |  Radio
 |  Media  |  Forum  |  Wiki  |  Links
Forum with support of Syndicator RSS
 FAQFAQ   CalendarCalendar   SearchSearch   MemberlistMemberlist   UsergroupsUsergroups   LinksLinks
 RegisterRegister   ProfileProfile   Log in to check your private messagesLog in to check your private messages   Log inLog in  Chat RoomChat Room 
go to the radio page Live at electro-music.com radio 1 Please visit the chat
poster
 Forum index » DIY Hardware and Software » Developers' Corner
Panel Design/Power Management Ideas
Post new topic   Reply to topic Moderators: DrJustice
Page 1 of 1 [17 Posts]
View unread posts
View new posts in the last week
Mark the topic unread :: View previous topic :: View next topic
Author Message
Project_2501



Joined: Jan 31, 2018
Posts: 68
Location: Los Angeles

PostPosted: Mon Jun 18, 2018 12:47 am    Post subject:  Panel Design/Power Management Ideas Reply with quote  Mark this post and the followings unread

Been testing, ordering parts, and Geeking over old and new schematics. Wait a minute! How are the panels are going to be made! I've been so focus on wiring all my boards that I never had a thought on the Panel, and utlimately Power Management. Opps...

I'm designing my first Synth. Along the way I've collected schematics/PCBs for basically everything I can dream of. So far on the table are:

MFOS VCO Laughing
MS-20 VCF
Nicolas Circuit ADSR
Nicolas Circuit VCF
Nicolas Circuit LFO/VCLFO
Nicolas Circuit Noise Source
Nicolas Circuit VCO/Simple Sawtooth
Look Mum No Computer 8 Baby Sequencer Mod
Look Mum No Computer Oscillator Drone Bank
Random NE5532 VCF Circuit
Homemade 6 Input Mixer
DPS2 MIDI/CV
APC Module w/CV
Homemade Modulator Thingy

_____________________________________________________

So far I mocked up the panel arrangement, But Power Managemant I'm clueless. I have a MFOS Power Supply to supply the power. Some of the modules run on 9V and -9/+9, But I have a 9V guitar power block and (2) 9V batteries for the Bipolar 9V circuit. Any recommendations for connectors for power?Should I splice line into line from the power supply or make a power bus. Can you make a power bus out of a stripboard or is easier to etch one? I'm building the case as well, all homemade panels. So far I have a 8" x 18" panel for the modules. I'm going to make the case 5-6" depth. I'll get recycle wood soon. The power supply management is the last step. Any recommendations are greatly appreciated.
Back to top
View user's profile Send private message
ixtern



Joined: Jun 25, 2018
Posts: 145
Location: Poland

PostPosted: Tue Jun 26, 2018 10:35 am    Post subject: Re: Panel Design/Power Management Ideas Reply with quote  Mark this post and the followings unread

Project_2501 wrote:

So far I mocked up the panel arrangement, But Power Managemant I'm clueless. I have a MFOS Power Supply to supply the power. Some of the modules run on 9V and -9/+9, But I have a 9V guitar power block and (2) 9V batteries for the Bipolar 9V circuit. Any recommendations for connectors for power?Should I splice line into line from the power supply or make a power bus. Can you make a power bus out of a stripboard or is easier to etch one? I'm building the case as well, all homemade panels. So far I have a 8" x 18" panel for the modules. I'm going to make the case 5-6" depth. I'll get recycle wood soon. The power supply management is the last step. Any recommendations are greatly appreciated.

If you have +-15V or +-12V power supply (you should if you have MFOS, it's easy to get +-9V from it by additional fixed voltage regulators. Depending on required current you may need additional heatsinks or not. Don't forget some capacitors also.
Power bus you can make from stripboard. I've made it for test purposes. Strip paths should be reinforced and connected by silvered wire 0.5-0.8 mm.
Back to top
View user's profile Send private message
wackelpeter



Joined: May 05, 2013
Posts: 461
Location: germany
Audio files: 10

PostPosted: Tue Jun 26, 2018 11:35 am    Post subject: Reply with quote  Mark this post and the followings unread

As stated above if you have +/-12 or 15V you can use further LM7809 and LM7909 to get +/- 9V and as said before maybe additional heatsinks are required of if you already have bigger ones you can place them ón them too…

Depends on how much current you will draw in total and how hot your heatsink will get then.

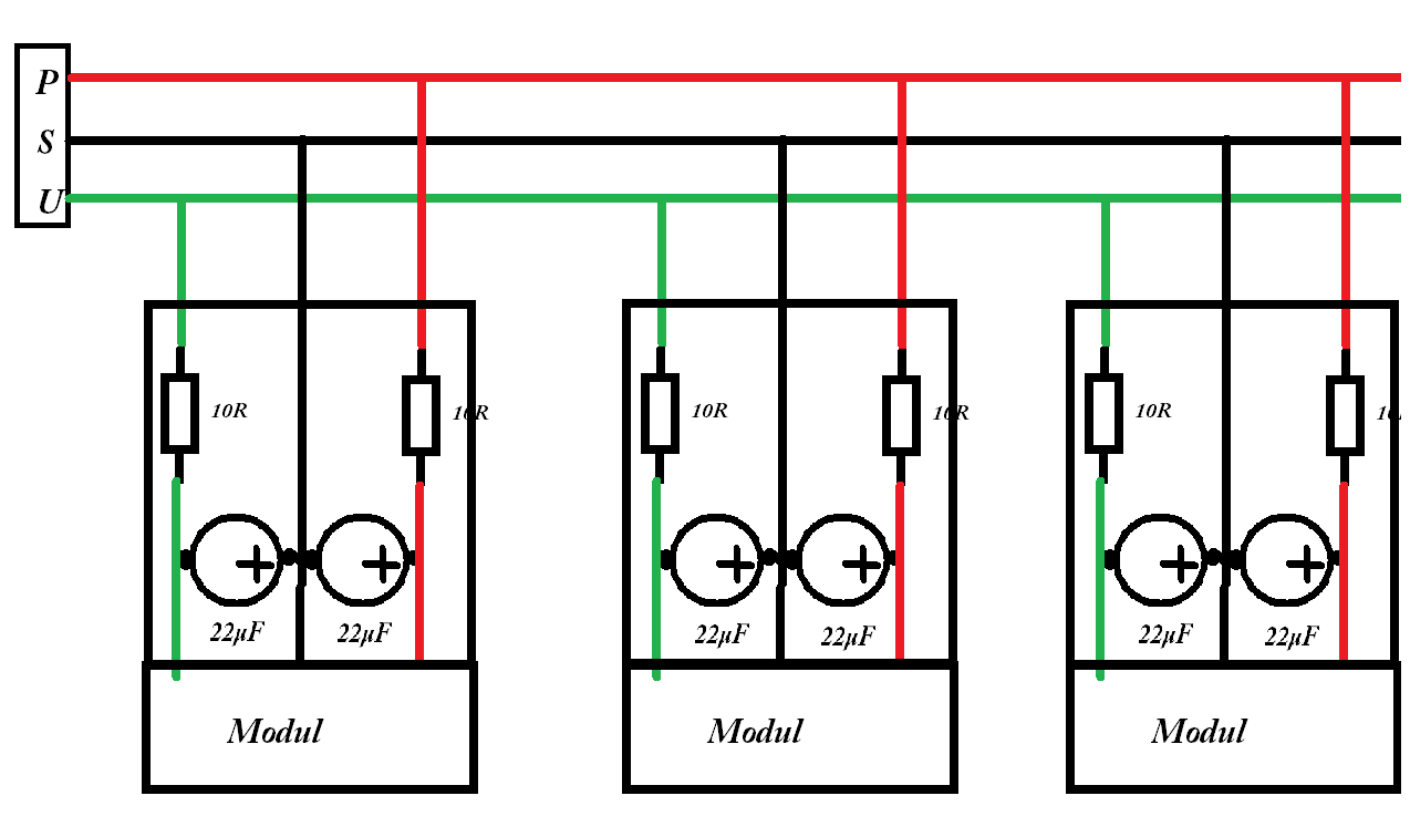
Wiring for power supply to the PSU should be kept as short as possible, wires as thick as possible, modules sharing a power distribution line over longer distance should be avoided, especially if it's just some thin wires.. each module should get it's own supply wires, especially if you have maybe 2 VCO's on a stripboard or your PCB or an VCO and some logic mdules… also each input for power on the PCB should have resistors 10-22ohm followed by electrolytes 10-47uF and each IC decouplinh caps as close as possible to it's power Inputs, each cap then between +V and gnd and -V and gnd if it'S an OPamp or similar this helps to Keep the voltage as stable as possible, reducing Crosstalk, etc.

_________________
https://soundcloud.com/bastian-j
Back to top
View user's profile Send private message
gabbagabi



Joined: Nov 29, 2008
Posts: 652
Location: Berlin by n8
Audio files: 23

PostPosted: Wed Jun 27, 2018 12:02 am    Post subject: Reply with quote  Mark this post and the followings unread

what do you think: does it make a difference if i use only one decoupling cap directly between pos and neg supply?

I had some serious issues with crostalk and ghost-modulation, especially when LEDs where involved, now i switched to 1mm² power wires and have the 10R/22µF combi on each module which helped a lot. I also test every new Module for that bad behaviour to avoid bad surprises when everything is already mounted. On one i had to have a second 22µF on the positive supply side, once again a LED was involved.

I recognized that especially modules which are using Amplification, rather then switching like VCA and VCF, are the "victims" of that crosstalk. which makes sense - if i amplify an instability of 100µV by 100 i already have a "modulation" of 10mV, which is CV-wise well recognizable.
Back to top
View user's profile Send private message
wackelpeter



Joined: May 05, 2013
Posts: 461
Location: germany
Audio files: 10

PostPosted: Wed Jun 27, 2018 12:37 am    Post subject: Reply with quote  Mark this post and the followings unread

The best Thing to avoid such behaviour with LED's involved is to use low current LED's the 2mA type mostly get bright enough at under 1mA...

most designs have a 1k or 1K8 resistor as LED resistor, this can then increased to 12K or even more…. sometimes i ended up with lower resistors like 6K2 or 6K8 but mostly you can reduce current draw this way much more…

Also if not directly invloved a less stressed PSU benefits the behaviour of your VCO's and reduces Crosstalk between them…


Right now i mostly use 22 to 47uF caps at the power rails of VCO' or VCF's or other sensitive parts and 10uF on stuff like Mixers, LFOs and such...

also each IC get's it's decoupling cap… sometimes it helps to put a few more across the board, but at least you have to Keep in mind that they all add together to the capacitive load of your PSU... when you power your PSU up they all want to be loaded and draw current.

As a General rule all Signal paths and power rails should be kept as short as possible to avoid Signal loss or interferences… even on PCB's or stripboards…

Well i'm no expert but that's what i try to achieve and Keep in my builds…

But once had also an issue with an LFO (was the EFM VC LFO) which draw too much current… in that case it wasn't the LED and i couldn't tame that behaviour so i dropped it and put some other stuff inside…


Same also with Phasers or Resonators with the use of Vactrols, i roll them at my own and ended up for example on the korg PS3300 Resonator drawing 16 to 80mA when dark or bright… that caused several voltage Drops in my PSU and i minimized that current draw… i don't remember what i exactly did but on the Serge Phaser i changed the LED Driver to Scott Stites LED Driver for his Mutant Vactrol VCF... works very well and only 2-3mA needed to work full range… if you want to try this out, i had to alter 1 or 2 resistors to get my LED'S fully dark because my LED's were Always glowing a tiny little bit due to different specs than the usual vactrol LED's….


Maybe also of importance, what'S the Rating of your PSU and how much do you actually draw from it? Some PSU's don't like it to reach near their Limits and others are actually less stable if you draw more than the half of what their specs states as Limit... (some Wall wart PSU's in that case more the actual AC/AC Adapters)

_________________
https://soundcloud.com/bastian-j
Back to top
View user's profile Send private message
wackelpeter



Joined: May 05, 2013
Posts: 461
Location: germany
Audio files: 10

PostPosted: Wed Jun 27, 2018 12:38 am    Post subject: Reply with quote  Mark this post and the followings unread

edit:
double post

_________________
https://soundcloud.com/bastian-j
Back to top
View user's profile Send private message
AlanP



Joined: Mar 11, 2014
Posts: 746
Location: New Zealand
Audio files: 41

PostPosted: Wed Jun 27, 2018 2:09 am    Post subject: Reply with quote  Mark this post and the followings unread

g.gabba wrote:
I had some serious issues with crostalk and ghost-modulation, especially when LEDs where involved, now i switched to 1mm² power wires and have the 10R/22µF combi on each module which helped a lot. I also test every new Module for that bad behaviour to avoid bad surprises when everything is already mounted. On one i had to have a second 22µF on the positive supply side, once again a LED was involved.


It may interest you to know that while Buchla 200 stuff ran on +/- 15V, Don used a dedicated 12V rail for LEDs (with a transistor driver), and he also separated ground into "noisy" ground, and clean ground.
Back to top
View user's profile Send private message
ixtern



Joined: Jun 25, 2018
Posts: 145
Location: Poland

PostPosted: Wed Jun 27, 2018 8:12 am    Post subject: Re: Panel Design/Power Management Ideas Reply with quote  Mark this post and the followings unread

Project_2501 wrote:

. Any recommendations for connectors for power?Should I splice line into line from the power supply or make a power bus. Can you make a power bus out of a stripboard or is easier to etch one? .. The power supply management is the last step. Any recommendations are greatly appreciated.

BTW I see that you are from US. Synthrotek has nice Eurorack Power Distribution Boards on sale - (PCBs for 9.99$, kits also available):
http://store.synthrotek.com/Eurorack_Power_Distribution_Board_PCB . Mine just arrived today (3 weeks from US to Poland). The best is that for PCBs and panels they have free shipment worldwide (you must buy over 20$ but it's not the problem, I think).
Back to top
View user's profile Send private message
Project_2501



Joined: Jan 31, 2018
Posts: 68
Location: Los Angeles

PostPosted: Wed Jun 27, 2018 12:18 pm    Post subject: Reply with quote  Mark this post and the followings unread

For AWG of wire to use for power, is 18-22AWG Okay? I assume that will work. I'm going to bread everything, and minimize crosstalk the best I can before I install the panels.

I'll have to experiment with what caps/resistor's to use for my power rails(especially converting Nicolas curcuits to 12v). As I breadboard, If I hit snags, I'll report em here.

I'm planning on making my bus boards to keep price down. My local electronic supply store has overstock 3pin connectors w/ wire that I'm going to use as well.

I already took the hours of stencil cutting to create a Motoko/Tachikoma stencil. It turned out great~! Here's a taste. I'll post pics of my project as I go along on a seperate thread when I'm at the (Holy Sh*t I'm close to being done) phase of the porject. I assure you, once I'm done with my illness of soldering all these modules. I'm going to write/record so much music. More to come Laughing


ab7b097677c0481c67ecbe4ac763a848.png
 Description:
 Filesize:  41.63 KB
 Viewed:  593 Time(s)
This image has been reduced to fit the page. Click on it to enlarge.

ab7b097677c0481c67ecbe4ac763a848.png


Back to top
View user's profile Send private message
wackelpeter



Joined: May 05, 2013
Posts: 461
Location: germany
Audio files: 10

PostPosted: Wed Jun 27, 2018 12:50 pm    Post subject: Reply with quote  Mark this post and the followings unread

Project_2501 wrote:
I'm going to write/record so much music.


thought the same when i started DIY, turned out that i spend more time with the soldering iron and doing other work related to my DIY synth racks then i spend actually making some Music...

but hey, my system grows and grows, i don't Need a Radiator in the winter as all my PSU's and modules are heating my my room and my supplier for electricity happily rubs his hands… Wink

_________________
https://soundcloud.com/bastian-j
Back to top
View user's profile Send private message
gabbagabi



Joined: Nov 29, 2008
Posts: 652
Location: Berlin by n8
Audio files: 23

PostPosted: Thu Jun 28, 2018 9:47 am    Post subject: Reply with quote  Mark this post and the followings unread

alanP, great idea, Don B. rules!

thats so true wackelpeter! Despite i dont have such a growing Rack Smile

Project_2501, the cap resistor combination will normally used on (the entrance of) every module, the decoupling caps i solder directly on the copper-side between the V+ and V- Pin of the opamp

good luck

ps: you are busy reading the books?


fight_the_power.png
 Description:
 Filesize:  27.54 KB
 Viewed:  469 Time(s)
This image has been reduced to fit the page. Click on it to enlarge.

fight_the_power.png



decouple.jpg
 Description:
 Filesize:  50.64 KB
 Viewed:  439 Time(s)
This image has been reduced to fit the page. Click on it to enlarge.

decouple.jpg


Back to top
View user's profile Send private message
PHOBoS



Joined: Jan 14, 2010
Posts: 5881
Location: Moon Base
Audio files: 709

PostPosted: Thu Jun 28, 2018 10:17 am    Post subject: Reply with quote  Mark this post and the followings unread

oh, nice idea with those pinheaders, I might steal that from you Wink
_________________
"My perf, it's full of holes!"
http://phobos.000space.com/
SoundCloud BandCamp MixCloud Stickney Synthyards Captain Collider Twitch YouTube
Back to top
View user's profile Send private message Visit poster's website AIM Address Yahoo Messenger MSN Messenger
gabbagabi



Joined: Nov 29, 2008
Posts: 652
Location: Berlin by n8
Audio files: 23

PostPosted: Thu Jun 28, 2018 10:30 am    Post subject: Reply with quote  Mark this post and the followings unread

that would be a compliment for me! flower

i solder in the "long" side, after soldering i push down the plastic

i decided to put the gnd on top in the future, so i have more space to mount trimmers on the solderside (which i useually do)
Back to top
View user's profile Send private message
PHOBoS



Joined: Jan 14, 2010
Posts: 5881
Location: Moon Base
Audio files: 709

PostPosted: Thu Jun 28, 2018 10:57 am    Post subject: Reply with quote  Mark this post and the followings unread

I've used the same method and sometimes I remove the plastic altogether or move it to the other side of the board,
as can be seen here



In your case it is useful to have the insulation of course.

_________________
"My perf, it's full of holes!"
http://phobos.000space.com/
SoundCloud BandCamp MixCloud Stickney Synthyards Captain Collider Twitch YouTube
Back to top
View user's profile Send private message Visit poster's website AIM Address Yahoo Messenger MSN Messenger
Project_2501



Joined: Jan 31, 2018
Posts: 68
Location: Los Angeles

PostPosted: Thu Jun 28, 2018 11:31 am    Post subject: Reply with quote  Mark this post and the followings unread

I'm looking into between 1000mA-1500mA wall unit for my MFOS Power supply running +12/-12V. In the future, maybe add an other 12v and 9v down the line.
I haven't tested thoroughly my power consumption for all my modules, but I figure I'll test as I breadboard/debug/tweak and add PSU's as I reach the limits, but this first PSU should keep me busy.

I'm trying to build module as my composition mind grows. For example first things to breadboard to completion: Sequencer, VCO's, maybe a filter, just to get me started making some sound Cool

Making the panels this weekend! Twisted Evil
Mouser Parts coming tomorrow, Is it Christmas already haha
Back to top
View user's profile Send private message
AlanP



Joined: Mar 11, 2014
Posts: 746
Location: New Zealand
Audio files: 41

PostPosted: Thu Jun 28, 2018 1:33 pm    Post subject: Reply with quote  Mark this post and the followings unread

Don't forget heatsinks on the regulators. I did, with my first one. Horrible voltage sag.
Back to top
View user's profile Send private message
Project_2501



Joined: Jan 31, 2018
Posts: 68
Location: Los Angeles

PostPosted: Sat Sep 07, 2019 2:31 pm    Post subject: Reply with quote  Mark this post and the followings unread

After collecting more parts and hunting layouts/schematics I got my case build and Power supply. Plus I was away for 4 months cause of work.

I went with 40" by 16" size case, Modules with be 4" by 8" or 8" by 8". My baby 8 sequencer will be 16" by 8".

Plan is to build a module one at a time. So once I have more than one module, I'll attack the power management.

Going into Paint in a few days, should be buzzing some sounds out of this box very soon!

Case cost no money Laughing Scrap 3/4" ply, scrap 3/4" oak trim. *I tried thinking of metric, but Everything here in the states is standard. Easier to think/shop for standard.


20190905_141420_Film1.jpg
 Description:
 Filesize:  4.12 MB
 Viewed:  238 Time(s)
This image has been reduced to fit the page. Click on it to enlarge.

20190905_141420_Film1.jpg


Back to top
View user's profile Send private message
Display posts from previous:   
Post new topic   Reply to topic Moderators: DrJustice
Page 1 of 1 [17 Posts]
View unread posts
View new posts in the last week
Mark the topic unread :: View previous topic :: View next topic
 Forum index » DIY Hardware and Software » Developers' Corner
Jump to:  

You cannot post new topics in this forum
You cannot reply to topics in this forum
You cannot edit your posts in this forum
You cannot delete your posts in this forum
You cannot vote in polls in this forum
You cannot attach files in this forum
You can download files in this forum


Forum with support of Syndicator RSS
Powered by phpBB © 2001, 2005 phpBB Group
Copyright © 2003 through 2009 by electro-music.com - Conditions Of Use