| Author |
Message |
PHOBoS

Joined: Jan 14, 2010 Posts: 5958 Location: Moon Base
Audio files: 709
|
Posted: Tue Sep 23, 2014 1:13 pm Post subject:
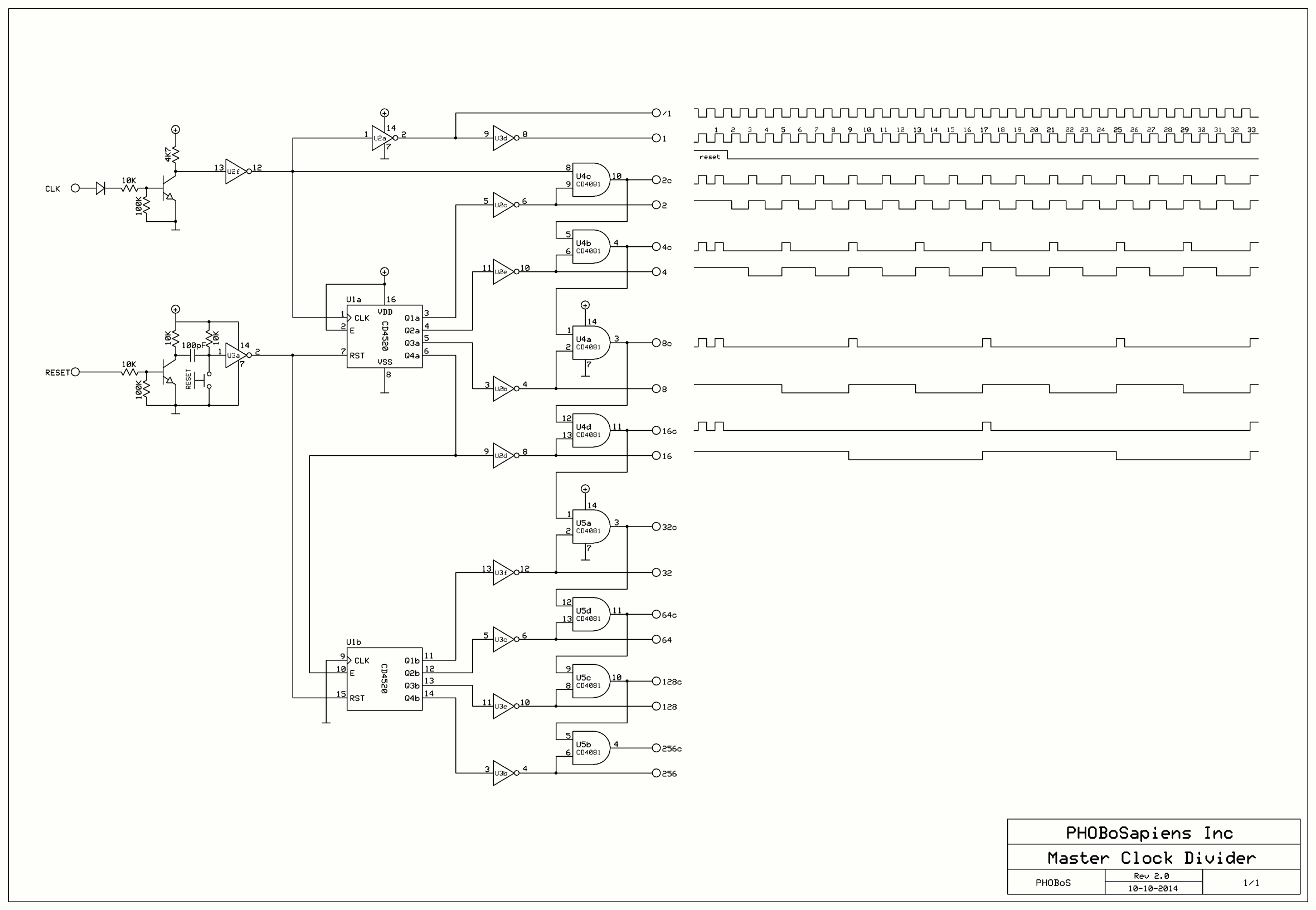
Master Clock Divider Subject description: with stripboard layout |
 |
|
A binary counter with inverted outputs which makes more sense when used for rhythms. And every division has an extra
'c' output which stays high for only 1 clock cycle, as long as the clock signal is high.
I first made a layout with all the chips in a row, but when I finished the design I realized that it was too big to fit
on a standard sized (100x160) stripboard since the strips are oriented in the other direction . So I designed a new one
which is a bit larger but it gave me some extra room to add transistor buffers for the CLK and Reset inputs.
I haven't build it yet and only tested 2 outputs, so I'll update when I know it's fully working.
this version isn't working correct, an updated version is posted a few posts down
| Description: |
|
| Filesize: |
74.04 KB |
| Viewed: |
1574 Time(s) |
| This image has been reduced to fit the page. Click on it to enlarge. |

|
| Description: |
|
| Filesize: |
44.66 KB |
| Viewed: |
969 Time(s) |
| This image has been reduced to fit the page. Click on it to enlarge. |

|
_________________ "My perf, it's full of holes!"
http://phobos.000space.com/
SoundCloud BandCamp MixCloud Stickney Synthyards Captain Collider Twitch YouTube Last edited by PHOBoS on Sun Oct 12, 2014 5:43 am; edited 2 times in total |
|
|
Back to top
|
|
 |
Cynosure
Site Admin

Joined: Dec 11, 2010 Posts: 1029 Location: Toronto, Ontario - Canada
Audio files: 82
|
Posted: Fri Sep 26, 2014 7:55 am Post subject:
|
 |
|
A very useful circuit. Thanks for sharing it  |
|
|
Back to top
|
|
 |
PHOBoS

Joined: Jan 14, 2010 Posts: 5958 Location: Moon Base
Audio files: 709
|
Posted: Sat Oct 11, 2014 4:54 am Post subject:
|
 |
|
I build it and when I powered it up there were 3 things wrong with it
- output 256c was the same as output 128c
- outputs 32,64,128,256 were out of sync with the other 4 outputs. (The divisions were correct but they started at the wrong time)
- It double triggered on the clock so the /2 output was in sync with the CLK and /4 was /2 and so on.
The first problem was fixed pretty fast and caused by a mistake I made on the stripboard design:
I put the 256c output on the wrong trace. (should be the one next to it)
Second problem was also fixed pretty fast after taking a look at the datasheet were I found the following:
| Quote: | | The counter can be cascaded in the ripple mode by connecting Q4 to the enable input of the subsequent counter while the CLOCK input of the latter is held low. | What I had done was connect the CLOCK to Q4 and make the enable high. Luckely that was pretty easy to change on the stripboard.
Now for the third problem I have to do some more tests. Right now I have the CLK input of the CD4520 connected
to the output of U3d and that works great, but that shouldn't be necessary. I was actually having the
same problem with another divider circuit I breadboarded so I have to figure out how to fix that.
I also made two other small changes to the circuit;
a diode in series with the CLK input so I could connect something that has a negative output voltage.
a capacitor added to the reset input so that it only creates a short pulse. The reset button still works the same.
I will upload the updated versions once I have the double triggering problem figured out. _________________ "My perf, it's full of holes!"
http://phobos.000space.com/
SoundCloud BandCamp MixCloud Stickney Synthyards Captain Collider Twitch YouTube |
|
|
Back to top
|
|
 |
PHOBoS

Joined: Jan 14, 2010 Posts: 5958 Location: Moon Base
Audio files: 709
|
Posted: Sat Oct 11, 2014 6:11 am Post subject:
|
 |
|
Changing R3 (the pullup resistor attached to the input of U2f) from 10K to 4.7K seems to make it work.
So here's the updated schematic and stripboard layout.
(note that there is a cut under C7!)
this version wasn't working 100% correct either, so there is another updated version posted a few posts down
| Description: |
| Master Clock Divider schematic |
|
| Filesize: |
74.94 KB |
| Viewed: |
898 Time(s) |
| This image has been reduced to fit the page. Click on it to enlarge. |

|
| Description: |
| Master Clock Divider stripboard |
|
| Filesize: |
45.43 KB |
| Viewed: |
809 Time(s) |
| This image has been reduced to fit the page. Click on it to enlarge. |

|
_________________ "My perf, it's full of holes!"
http://phobos.000space.com/
SoundCloud BandCamp MixCloud Stickney Synthyards Captain Collider Twitch YouTube Last edited by PHOBoS on Sun Oct 12, 2014 5:45 am; edited 1 time in total |
|
|
Back to top
|
|
 |
PHOBoS

Joined: Jan 14, 2010 Posts: 5958 Location: Moon Base
Audio files: 709
|
Posted: Sat Oct 11, 2014 11:28 am Post subject:
|
 |
|
and here's what it looks like
I turned 2 cheap plastic CD storage racks into modular synth racks by adding some wooden mounting rails to it.
Will take some photos once I added the power section.
| Description: |
| Master Clock Divider module |
|
| Filesize: |
102.09 KB |
| Viewed: |
802 Time(s) |
| This image has been reduced to fit the page. Click on it to enlarge. |

|
| Description: |
| Master Clock Divider module |
|
| Filesize: |
118.64 KB |
| Viewed: |
821 Time(s) |
| This image has been reduced to fit the page. Click on it to enlarge. |

|
_________________ "My perf, it's full of holes!"
http://phobos.000space.com/
SoundCloud BandCamp MixCloud Stickney Synthyards Captain Collider Twitch YouTube |
|
|
Back to top
|
|
 |
PHOBoS

Joined: Jan 14, 2010 Posts: 5958 Location: Moon Base
Audio files: 709
|
Posted: Sun Oct 12, 2014 5:40 am Post subject:
|
 |
|
hmm, so it seemed to work correct untill I started using it to control something else. No problem with the gate outputs
but apparently the c(locked) outputs send out a double pulse . I fixed it (I think) by connecting the input of U4c (pin8) to
the output of U3d instead of U2f.
I just used some wire to connect the two points together (v2.1a) but I also made a stripboard design which uses jumpers (v2.1b).
| Description: |
|
| Filesize: |
74.96 KB |
| Viewed: |
1254 Time(s) |
| This image has been reduced to fit the page. Click on it to enlarge. |

|
| Description: |
|
| Filesize: |
46.43 KB |
| Viewed: |
851 Time(s) |
| This image has been reduced to fit the page. Click on it to enlarge. |

|
| Description: |
|
| Filesize: |
46.33 KB |
| Viewed: |
888 Time(s) |
| This image has been reduced to fit the page. Click on it to enlarge. |

|
_________________ "My perf, it's full of holes!"
http://phobos.000space.com/
SoundCloud BandCamp MixCloud Stickney Synthyards Captain Collider Twitch YouTube |
|
|
Back to top
|
|
 |
vladosh

Joined: Aug 02, 2010 Posts: 679 Location: macedonia
Audio files: 51
|
Posted: Sat May 04, 2019 9:14 am Post subject:
|
 |
|
knowing the CGS Master Divider i imagined that i need just this ,thanks for sharing it PHOBoS ,so i'd like to build it ,but i only need the gate outputs and i am not sure if i need the reset circuit ,can i just leave off the whole reset thing and U4 ,U5 ? _________________ http://synthacks.blogspot.com/ шематикс |
|
|
Back to top
|
|
 |
PHOBoS

Joined: Jan 14, 2010 Posts: 5958 Location: Moon Base
Audio files: 709
|
|
|
Back to top
|
|
 |
vladosh

Joined: Aug 02, 2010 Posts: 679 Location: macedonia
Audio files: 51
|
|
|
Back to top
|
|
 |
vladosh

Joined: Aug 02, 2010 Posts: 679 Location: macedonia
Audio files: 51
|
Posted: Sat May 04, 2019 11:42 pm Post subject:
|
 |
|
..guess i should tie unused inputs from the second CD40106 to ground ? i made some PCB layout for it yesterday then i thought what to do with half 40106 _________________ http://synthacks.blogspot.com/ шематикс |
|
|
Back to top
|
|
 |
PHOBoS

Joined: Jan 14, 2010 Posts: 5958 Location: Moon Base
Audio files: 709
|
|
|
Back to top
|
|
 |
vladosh

Joined: Aug 02, 2010 Posts: 679 Location: macedonia
Audio files: 51
|
|
|
Back to top
|
|
 |
PHOBoS

Joined: Jan 14, 2010 Posts: 5958 Location: Moon Base
Audio files: 709
|
|
|
Back to top
|
|
 |
AlanP
Joined: Mar 11, 2014 Posts: 746 Location: New Zealand
Audio files: 41
|
Posted: Wed May 08, 2019 9:18 pm Post subject:
|
 |
|
| Possibly a silly question, but what is the 7810 voltage regulator doing? |
|
|
Back to top
|
|
 |
vladosh

Joined: Aug 02, 2010 Posts: 679 Location: macedonia
Audio files: 51
|
Posted: Wed May 08, 2019 11:39 pm Post subject:
|
 |
|
i guess it can do without ,PHOBoS said the output depends on the positive supply so i wanted to make the gates around 10V _________________ http://synthacks.blogspot.com/ шематикс |
|
|
Back to top
|
|
 |
|