| Author |
Message |
Ricko
Joined: Dec 25, 2007 Posts: 251 Location: Sydney, Australia
Audio files: 27
|
Posted: Fri Sep 15, 2017 6:58 am Post subject:
Waveshaper for Pulse Forming Synthesis a la Variophon Subject description: Transistor Op-Amp circuit |
 |
|
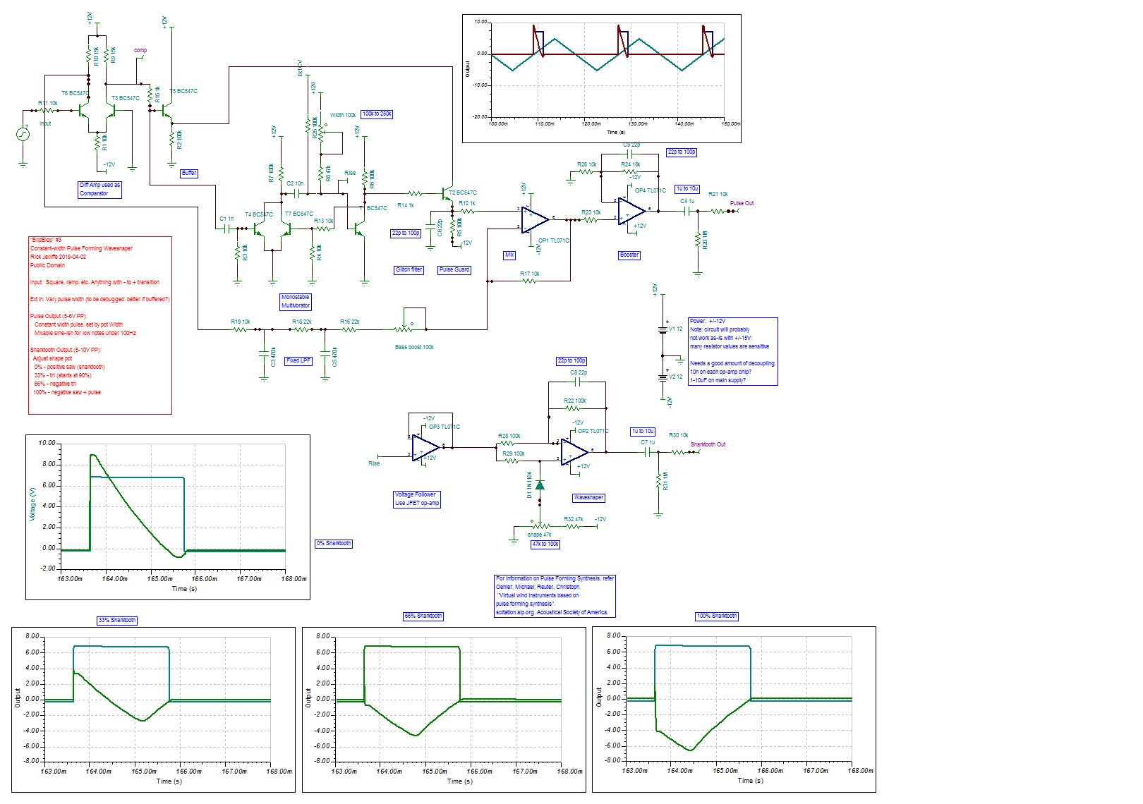
The Variophon synthesizer is very rare. It used a method of synthesis called "pulse forming synthesis", and this method is in fact almost impossible to replicate by stringing together standard synth modules, even though it is quite simple in concept. So I designed and simulated a circuit for it (TINA-TI) and generated some out audio, as a step to stimulating interest.
The basic idea is merely that the output has a fixed width pulse for every frequency: i.e. not say 50% of the wavelength but say 1ms regardless of frequency. (My implementation is just a comparator driving a monostable multivibrator with a selectable on period. Not complicated.)
What does that do? It allows a particular kind of formant generation, one that approximates pretty much of what happens in blown instruments like reed or brass instruments. There are academic papers on it, but let me explain like this: turn your ideas upside down.
First imagine a standard VCO with a pulse output set at 25% running at 400 Hz. Now imagine that we build a circuit to generate exactly the same wave, but using a sawtooth VCO going through some complex fixed filter (or convolution). Now imagine that you change the frequency of that sawtooth VCO going through that same fixed filter: you get the same kind of equalization or formant pattern, but it affects different harmonics now.
And it turns out that this is what happens when you have a fixed pulse waveshape, and you vary the space leaving the mark constant. This is "pulse forming" synthesis.
My implementation has two wrinkles: first when the note goes high enough that the pulse gets to 50%, it won't go more than 50%. And second, it allows you to mix in extra fundamental by having a fixed LPF at around 100Hz. Otherwise low notes get mighty thin.
Here is the circuit. (It really assumes a saw or square input (downward ramping) for the pulse guard.)
| Description: |
| Example waveshape at 55Hz and Width knob at half. |
|
| Filesize: |
30.95 KB |
| Viewed: |
25373 Time(s) |

|
| Description: |
|
| Filesize: |
143.51 KB |
| Viewed: |
988 Time(s) |
| This image has been reduced to fit the page. Click on it to enlarge. |

|
Last edited by Ricko on Fri Feb 22, 2019 8:27 am; edited 4 times in total |
|
|
Back to top
|
|
 |
Ricko
Joined: Dec 25, 2007 Posts: 251 Location: Sydney, Australia
Audio files: 27
|
Posted: Fri Sep 15, 2017 7:06 am Post subject:
Sound samples |
 |
|
And here are various sound samples, generated by the circuit simulator (not built): more in the next emails.
They are static so they don't really convey in isolation the effect. You would want to follow the same width at different pitches, but I have uploaded the files according to pitch, apologies.
They are at 27 Hz, 55 and 220. There are three variations, for different Width settings.
| Description: |
|
 Download (listen) |
| Filename: |
blip-27-01-somebass.wav |
| Filesize: |
172.24 KB |
| Downloaded: |
1054 Time(s) |
| Description: |
|
 Download (listen) |
| Filename: |
blip-27-50-somebass.wav |
| Filesize: |
172.24 KB |
| Downloaded: |
1015 Time(s) |
| Description: |
|
 Download (listen) |
| Filename: |
blip-27-99-somebass.wav |
| Filesize: |
172.22 KB |
| Downloaded: |
973 Time(s) |
| Description: |
|
 Download (listen) |
| Filename: |
blip-55-01.wav |
| Filesize: |
172.31 KB |
| Downloaded: |
1050 Time(s) |
| Description: |
|
 Download (listen) |
| Filename: |
blip-55-01-no9bass.wav |
| Filesize: |
172.3 KB |
| Downloaded: |
989 Time(s) |
Last edited by Ricko on Fri Sep 15, 2017 7:19 am; edited 2 times in total |
|
|
Back to top
|
|
 |
Ricko
Joined: Dec 25, 2007 Posts: 251 Location: Sydney, Australia
Audio files: 27
|
Posted: Fri Sep 15, 2017 7:08 am Post subject:
|
 |
|
More waves
| Description: |
|
 Download (listen) |
| Filename: |
blip-220-99.wav |
| Filesize: |
172.31 KB |
| Downloaded: |
954 Time(s) |
| Description: |
|
 Download (listen) |
| Filename: |
blip-220-50.wav |
| Filesize: |
172.31 KB |
| Downloaded: |
948 Time(s) |
| Description: |
|
 Download (listen) |
| Filename: |
blip-220-01.wav |
| Filesize: |
172.31 KB |
| Downloaded: |
923 Time(s) |
| Description: |
|
 Download (listen) |
| Filename: |
blip-55-99-no9bass.wav |
| Filesize: |
172.31 KB |
| Downloaded: |
933 Time(s) |
| Description: |
|
 Download (listen) |
| Filename: |
blip-55-99.wav |
| Filesize: |
172.31 KB |
| Downloaded: |
946 Time(s) |
|
|
|
Back to top
|
|
 |
Ricko
Joined: Dec 25, 2007 Posts: 251 Location: Sydney, Australia
Audio files: 27
|
Posted: Fri Sep 15, 2017 7:10 am Post subject:
|
 |
|
And the last
| Description: |
|
 Download (listen) |
| Filename: |
blip-55-50.wav |
| Filesize: |
172.31 KB |
| Downloaded: |
920 Time(s) |
| Description: |
|
 Download (listen) |
| Filename: |
blip-55-50-no9bass.wav |
| Filesize: |
172.31 KB |
| Downloaded: |
912 Time(s) |
|
|
|
Back to top
|
|
 |
gabbagabi

Joined: Nov 29, 2008 Posts: 652 Location: Berlin by n8
Audio files: 23
|
Posted: Sat Sep 16, 2017 2:23 am Post subject:
|
 |
|
| Your attempt to stimulating interest was a succsess |
|
|
Back to top
|
|
 |
blue hell
Site Admin

Joined: Apr 03, 2004 Posts: 24554 Location: The Netherlands, Enschede
Audio files: 302
G2 patch files: 320
|
Posted: Sun Sep 17, 2017 2:17 pm Post subject:
|
 |
|
It seems to be the season :: http://electro-music.com/forum/post-430401.html
A very interesting way to generate waves ... it's related to VOSIM and FOF too I think.
Will listen to the wavs soon! _________________ Jan
also .. could someone please turn down the thermostat a bit.
 |
|
|
Back to top
|
|
 |
Ricko
Joined: Dec 25, 2007 Posts: 251 Location: Sydney, Australia
Audio files: 27
|
Posted: Sun Sep 24, 2017 6:00 pm Post subject:
|
 |
|
| The Bergatrophon Woodwind waveshaper also is a version of this kind of wave, but producing a triangular blip not a squared pulse. |
|
|
Back to top
|
|
 |
blue hell
Site Admin

Joined: Apr 03, 2004 Posts: 24554 Location: The Netherlands, Enschede
Audio files: 302
G2 patch files: 320
|
Posted: Mon Sep 25, 2017 5:20 am Post subject:
|
 |
|
Finally listened to the wavs, sounds like a wave with a formant applied indeed - some powerful bass sounds seem possible with this. _________________ Jan
also .. could someone please turn down the thermostat a bit.
 |
|
|
Back to top
|
|
 |
Moosgummi
Joined: Feb 01, 2015 Posts: 15 Location: Hiltown, Germany
|
Posted: Thu Oct 05, 2017 11:59 am Post subject:
|
 |
|
Is there a reason you used transistors instead of opamps (or even comparators) and a 555? Great idea to use T2 for limiting PW to 50%, but is the rest just for the simulator?
Great circuit though! |
|
|
Back to top
|
|
 |
Ricko
Joined: Dec 25, 2007 Posts: 251 Location: Sydney, Australia
Audio files: 27
|
Posted: Thu Oct 05, 2017 7:54 pm Post subject:
|
 |
|
Transistors? The only reason was to limit the different kinds of components. The simulator certainly has comparators and 555s.
I also wanted to have the rising signals in the multi-vibrator available, to be able provide a saw blip out. Having the internals exposed might make it easier to do the Variophon accent thing (slight pulse narrowing and compensating level increase when overblown). I don't think the diff amp comparator is any more complicated in parts count than a comparator chip, and it seemed a good pattern to be aware of. You could certainly implement most of the circuit using a CA3046 (BJT transistor array chip), if you wanted to make it less fiddly to build.
<RANT>Maybe in the back of my mind is the idea that there are all these neat things that can be done almost trivially with a couple of components, and yet we get the same boring tri/sine/saw/sq/pulse waves on VCO after VCO: even Moog went beyond them in the 1970s. I don't know why people put out a new VCO design if it just does the same the same thing as the previous 100 VCOs, or yet another ADSR etc, ...surely adding one extra little unique distinguishing feature per module is not too difficult, like a delay on an LFO etc. Otherwise we end up either with 4HP modules that do almost nothing and $800 modules that do so much, and nothing in between. [Money where my mouth is: I just ordered a Burmuda analog VCO rather than many other choices, because the designer bothered to put in something different, trivially implemented low-hanging fruit.] Anyway, since I don't want to rule the world the next best thing is to have fun suggesting positive little things that can fit in with existing modules. The nice Bergatrophon wind waveshaper is not exactly minimal, so I wanted to show we can get the same family of sounds a bit simpler. </RANT> |
|
|
Back to top
|
|
 |
Moosgummi
Joined: Feb 01, 2015 Posts: 15 Location: Hiltown, Germany
|
Posted: Fri Oct 06, 2017 6:52 am Post subject:
|
 |
|
Well, I´m not too experienced in DIY, so I prefer to have it easy. So when I saw a comparator and monostable multivibrator realized with lots of transistors, I just replaced that in my mind with ICs. Getting signals that aren´t available from them wasn´t even a thing I thought about!
But that´s the way I learn this stuff, by recognizing things I´ve seen before (like T2, I was so proud about that!)
Right now I´m intersted in getting different waveforms out of VCOs, so this (along with Fritz and NLC) is right up my alley.
But your rant touches what modular is about! When I got my Fritz 5Pulser I thought Ok this needs a saw, so I´ll just put it into a saw VCO, more waveforms for me! But then I saw someone putting a tri LFO into it, that was cool too! Might be cool to put an envelope in it as well?
So these 4hp modules doing one thing need just another 4hp module doing another thing, that´s modular.
Also, I don´t think the Bermuda is a good example for a VCO doing something different. All it does is modulate itself, which can be done with every VCO with a cable or (as we build them ourselves) a piece of wire... |
|
|
Back to top
|
|
 |
Ricko
Joined: Dec 25, 2007 Posts: 251 Location: Sydney, Australia
Audio files: 27
|
Posted: Thu Mar 28, 2019 6:05 am Post subject:
|
 |
|
News. I finally got around to building one, and it worked as expected. Quite pleased actually. I will post some audio this week.
Probably the mix pot only needs to be 50k or 22k: half of the travel has no effect. And a larger value fir the 10n cap in the monostable would allow larger pulses there. (The build used BC550 transistors, no difference I think.)
Also : Up-top I wrote that you could not do this with common modules, but actually you can get fixed-width triggered audio pulses with Serge's Universal Slope Generator (and I think with Math?), but they are much more complex circuits,.
To get the real Variophon operation, you would need a few additions tobthus circuit (to put height and pulse width under control of an accent CV, or to have a different shaped blips (up down tri/saw, or half sine). |
|
|
Back to top
|
|
 |
Ricko
Joined: Dec 25, 2007 Posts: 251 Location: Sydney, Australia
Audio files: 27
|
Posted: Thu Mar 28, 2019 5:09 pm Post subject:
Examples |
 |
|
Here are some examples. (Mic recording)
The first is some bass.
kcv -> vco -> pulse forming waveshaper -> Vogue vcf/vca -> out (some reverb)
kcv -> vcf
gate -> adsr -> velocitizer -> Vogue
velocity -> velocitizer
The second is just some octaves to hear the raw sound better (direct injection would be better for this.) The pulse is swept from its max to its min. What is notable is that you can hear the multiple notches (inherent to constant pulses) move so the effect is quite similar to a phaser + a highpass filter.
Then some of the fixed lpf is added, and the pulse is swept back, so more like a phaser without the HPF.
kcv -> vco -> pulse forming waveshaper -> vca -> out
gate -> adsr -> vca
| Description: |
|
 Download (listen) |
| Filename: |
PulseBassDemo.wav |
| Filesize: |
1.09 MB |
| Downloaded: |
1010 Time(s) |
| Description: |
|
 Download (listen) |
| Filename: |
PulseFormingDemo.wav |
| Filesize: |
1.18 MB |
| Downloaded: |
737 Time(s) |
|
|
|
Back to top
|
|
 |
Ricko
Joined: Dec 25, 2007 Posts: 251 Location: Sydney, Australia
Audio files: 27
|
Posted: Tue Apr 02, 2019 6:06 am Post subject:
Add sharktooth output |
 |
|
I have augmented the circuit to add a second waveshaper output, for triangle kind of shapes.
I take the ramp down from the monostable and put it through a simple folder to get a kind of triangle shape, with a pot to vary between various shapes. The pulse width also controls the width of this wave.
I have built this and it gives slightly different sounds to the pulse output, but definitely in the same family. (I am using 5532 for the 2 output buffers, seems fine. ) I'll put up a sample in due time.
You can see on the schematic the simulation results. On the oscilliscope I am getting fairly similar waves to the simulation, but not the sharktooth at 0%, not sure why.
I also have added an external in for mild pulse width modulation - seems to work fine . (For the Variophon, they alter the pulse with very slightly with register, breath level and KCV, but only slightly.) Also added a buffer on the pulse output to bring it up to some more useful level.
(Update: some 180k resistors had fallen into my 100k bin and gotten into the prototype. Correcting these and putting in a pot closer to 47k seems to have fixed that buzz and made the waveshapes closer to the expected.)
| Description: |
|
| Filesize: |
268.38 KB |
| Viewed: |
665 Time(s) |
| This image has been reduced to fit the page. Click on it to enlarge. |

|
|
|
|
Back to top
|
|
 |
Ricko
Joined: Dec 25, 2007 Posts: 251 Location: Sydney, Australia
Audio files: 27
|
|
|
Back to top
|
|
 |
Ricko
Joined: Dec 25, 2007 Posts: 251 Location: Sydney, Australia
Audio files: 27
|
Posted: Tue Apr 30, 2019 6:58 am Post subject:
|
 |
|
Teaser: Guess what I just sent off to the PCB fab?
| Description: |
|
| Filesize: |
189.26 KB |
| Viewed: |
429 Time(s) |
| This image has been reduced to fit the page. Click on it to enlarge. |

|
| Description: |
|
| Filesize: |
111.57 KB |
| Viewed: |
466 Time(s) |
| This image has been reduced to fit the page. Click on it to enlarge. |

|
|
|
|
Back to top
|
|
 |
altemark

Joined: May 02, 2007 Posts: 16 Location: haninge
|
Posted: Fri May 31, 2019 3:39 pm Post subject:
|
 |
|
| Cool! |
|
|
Back to top
|
|
 |
frijitz
Joined: May 04, 2007 Posts: 1734 Location: NM USA
Audio files: 54
|
Posted: Tue Jul 02, 2019 11:46 am Post subject:
|
 |
|
| Ricko wrote: |
<RANT>Maybe in the back of my mind is the idea that there are all these neat things that can be done almost trivially with a couple of components, and yet we get the same boring tri/sine/saw/sq/pulse waves on VCO after VCO: even Moog went beyond them in the 1970s. I don't know why people put out a new VCO design if it just does the same the same thing as the previous 100 VCOs, or yet another ADSR etc, ...surely adding one extra little unique distinguishing feature per module is not too difficult, like a delay on an LFO etc. Otherwise we end up either with 4HP modules that do almost nothing and $800 modules that do so much, and nothing in between. [Money where my mouth is: I just ordered a Burmuda analog VCO rather than many other choices, because the designer bothered to put in something different, trivially implemented low-hanging fruit.] Anyway, since I don't want to rule the world the next best thing is to have fun suggesting positive little things that can fit in with existing modules. The nice Bergatrophon wind waveshaper is not exactly minimal, so I wanted to show we can get the same family of sounds a bit simpler. </RANT> |
No argument, but there is a case for using external waveshapers, namely you have more choices than you would get with a built-in one. This is an area I have worked in since the 1970s.
I recently put up a new double-pulse waveshaper at my website. By feeding the PWM input with the 1V/Oct control voltage you can produce a fixed pulsewidth, as you are describing.
http://ijfritz.byethost4.com/sy_cir18_DPWGII.htm
Ian _________________ https://www.youtube.com/channel/UC8mKuBoR8bfHTLYRJ1sl0RA
http://ijfritz.byethost4.com |
|
|
Back to top
|
|
 |
Ricko
Joined: Dec 25, 2007 Posts: 251 Location: Sydney, Australia
Audio files: 27
|
Posted: Tue Jul 02, 2019 3:26 pm Post subject:
|
 |
|
Nice to see this. Great!
Can I first say that I really enjoy all parts of your website Ian?: I play a breath controller too, pretty badly, and I think you have a really practical yet creative approach in your designs, and your approach is inspirational. I have an Elby Wavolver which I enjoy. A round of applause to Ian!
Can I ask about your use of op-amps as comparators? I used to do it, then went off it (to either use transistors where sharpness was not important, or 311s where it was, but not really with a cogent reason) but from your designs it seems that that comparators are over-engineering for waveshapers?
(Your new design allows variation of the phase and width of the second pulse. I have been reverse engineering the ARP Pro-Soloist pulse shaper: it uses logic gates from a high-speed VCO to derive pulse called 1/64, 1/9, 1/14, 2/11 but I have run it through a logic simulator, and found there is a consistent pattern in what ARP did that can be implemented in this kind of analog. I am debugging the first prototype baord for this today, also based on a window comparator, actually, so if it works I will put up some more details, but it would require only the addition of a switch to your new waveshaper, I think.)
I was not convinced about double pulses in the recent past: because I could not find any academic papers etc that showed they existed in nature (a silly reason for pure synthesizing, of course, but fair enough if the program is to synthesize the kinds of sounds humans have found pleasing in instruments.) I have heard it said that some double reed instruments have a double pulse, but none of the studies with actual pictures of reed vibration show this: I could imagine it for free-air reeds that are springy perhaps. Or perhaps vocal multiphonics? (I am interested in this, if anyone has info.)
But I recently tried it with two Blip! modules (which is the product based on the circuit above) triggered by the same but antiphase pulse wave from a VCO. There are a couple of videos at https://fricko.home.blog/home/blip/ of it.
Apart from the the extra-thick chorus effect possible, the main advantage seems to be that the double pulse had much stronger fundamental: giving an intermediate sound between the fixed-breadth pulse (which can get pretty thin on low notes) and normal synth tones. So I am a convert! |
|
|
Back to top
|
|
 |
frijitz
Joined: May 04, 2007 Posts: 1734 Location: NM USA
Audio files: 54
|
Posted: Tue Jul 02, 2019 7:55 pm Post subject:
|
 |
|
| Ricko wrote: | Nice to see this. Great!
Can I first say that I really enjoy all parts of your website Ian?: I play a breath controller too, pretty badly, and I think you have a really practical yet creative approach in your designs, and your approach is inspirational. I have an Elby Wavolver which I enjoy. A round of applause to Ian!
Can I ask about your use of op-amps as comparators? I used to do it, then went off it (to either use transistors where sharpness was not important, or 311s where it was, but not really with a cogent reason) but from your designs it seems that that comparators are over-engineering for waveshapers?
(Your new design allows variation of the phase and width of the second pulse. I have been reverse engineering the ARP Pro-Soloist pulse shaper: it uses logic gates from a high-speed VCO to derive pulse called 1/64, 1/9, 1/14, 2/11 but I have run it through a logic simulator, and found there is a consistent pattern in what ARP did that can be implemented in this kind of analog. I am debugging the first prototype baord for this today, also based on a window comparator, actually, so if it works I will put up some more details, but it would require only the addition of a switch to your new waveshaper, I think.)
I was not convinced about double pulses in the recent past: because I could not find any academic papers etc that showed they existed in nature (a silly reason for pure synthesizing, of course, but fair enough if the program is to synthesize the kinds of sounds humans have found pleasing in instruments.) I have heard it said that some double reed instruments have a double pulse, but none of the studies with actual pictures of reed vibration show this: I could imagine it for free-air reeds that are springy perhaps. Or perhaps vocal multiphonics? (I am interested in this, if anyone has info.)
But I recently tried it with two Blip! modules (which is the product based on the circuit above) triggered by the same but antiphase pulse wave from a VCO. There are a couple of videos at https://fricko.home.blog/home/blip/ of it.
Apart from the the extra-thick chorus effect possible, the main advantage seems to be that the double pulse had much stronger fundamental: giving an intermediate sound between the fixed-breadth pulse (which can get pretty thin on low notes) and normal synth tones. So I am a convert! |
Thanks for the kind works, Riko!
Oh yes, I've heard it's bad practice to use opamps as comparitors, bashing against the rails and all that. Lots of folks do it anyway.
Instruments with open cylindrical tubes produce alternate +/- pulses. Clarinet, for example, and some kinds of organ pipes, I believe.
In my warped little world I consider the standard Tri and Square waves as double pulses, one up and the other down. They have odd harmonics only, because they are perfectly antisymmetric. The Wavolver and the present DPWG are the same things, except with the sides of the pulses shaved off. (And additionally, variable relative position and amplitude in the case of the new design.) The timbre space of the narrow antisymmetric pulses seemed to be new when I did the original double pulser, but there was never much interest in it.
Ian _________________ https://www.youtube.com/channel/UC8mKuBoR8bfHTLYRJ1sl0RA
http://ijfritz.byethost4.com |
|
|
Back to top
|
|
 |
Ricko
Joined: Dec 25, 2007 Posts: 251 Location: Sydney, Australia
Audio files: 27
|
Posted: Tue Jul 02, 2019 9:25 pm Post subject:
|
 |
|
My theory is that a module should not do so many things that you cannot get a grip on the general "sound" or character of it. Once it gets to a certain level of variability, it either needs to be split, or it needs separate personalities (which is why, I think, the successful DSP modules have top-level menus.) So really only two or three kinds of parameters per personality is the maximum (VCF: F and Q good, F Q and slope marginal; VCO: waveshape plus sync good, waveshaper in two axis plus sync marginal.)
I found the top section of the Elby Wavolver II a little difficult in this respect at first (and I can see the same issue in my Shell "Fibonacci " waveshaper module where I am still not happy that the labels are friendly enough): II think the triangle cutting by itself is a strong enough idea (and I would have called "fold" "wet/dry" because "fold" already has a different meaning. But it is a nice module, and I have a good sense of when to use it now.
For example, I have been working on an FSK waveshaper. I made a VST module (private) for this a decade ago, and it works really well: very nice with a breath controller. I say waveshaper, but really it is a VCO with no keyboard tracking, acting as a slave to some VCO with keyboard tracking. The master provides a sync pulse plus it provide FM modulation using the square wave.
So the effect is you have three strong tones: the master frequency and the two formants. Adjusting the master's pulse width alters the ratio of the two formants. I put a demo online
http://electro-music.com/forum/phpbb-files/fsk4amdemo_306.mp3 and a discussion at http://electro-music.com/forum/post-185288.html (someone implemented in an FPGA, which I thought was pretty impressive.)
Anyway, you can do this as a patch with a couple of VCOs and mixers. But it is fiddly, and it is a legitimate style of synthesis/waveshaping with really clear character and clear relationship between knob twiddling and the sound. So having a distinct character, I think it is exactly the kind of thing that would be best as a module,so that people can quickly get it patched into a master and in use. I kinda think that any cohesive patch, that someone might like as part of their signature sound, which takes 6 cables or more is a good candidate for a module. |
|
|
Back to top
|
|
 |
frijitz
Joined: May 04, 2007 Posts: 1734 Location: NM USA
Audio files: 54
|
Posted: Wed Jul 03, 2019 8:13 am Post subject:
Pulses |
 |
|
Some time back I found a site with some nice research info on fixed width pulse waves, but I can’t locate it now. Don’t remember if it was connected to the Variophon or not. Anyone remember this? I breadboarded up a monostable pulse shaper at the time but didn’t really care for it, so I set it aside. The duty-cycle limiter trick is cool. I’ll put it on my list of ideas to try out in Reaktor.
It may be true that acoustic instruments don’t usually have double pulses. But it is also true that many instruments have second harmonics that are stronger than the fundamental. You can’t produce a spectrum like that with a single pulse. This was my reason for adding a second pulse — the fundamental can actually be completely cancelled (when the pulses are symmetrical).
Ian _________________ https://www.youtube.com/channel/UC8mKuBoR8bfHTLYRJ1sl0RA
http://ijfritz.byethost4.com |
|
|
Back to top
|
|
 |
Ricko
Joined: Dec 25, 2007 Posts: 251 Location: Sydney, Australia
Audio files: 27
|
Posted: Wed Jul 03, 2019 6:23 pm Post subject:
|
 |
|
(This is some thoughts on Ian's observation that waveshapers have not been taken up in the way you might expect given that they can quickly alter sound for a fraction of the price/rackspace of a VCO or EQ.)
My theory on why waveshapers are the most unexplored territory is that we still have some primitive/fundamental building blocks yet to be invented or implemented in analog. Certainly there are still numerous kinds of new waveshapers and control systems not done. This does not mean defeat: it means exploration and excitement.
Waveshapers now have more visibility than anytime in the past as a thing, especially when they can be used in a quick VCO-WS-LPG chain it seems, or when they can be modulated at audio rates. But I think we dont have the necessary control modules to make them shine as much as they could
Here is what I am thinking. Imagine a conventional 3 band parametric equalizer, with F, Q and boost/cut for each band. Now imagine instead that it takes the KCV as input and produces three CVs out. As the KCV gets to the F level, the output CV goes up (or down). This then drives parameters of a waveshaper designed to have very predictable audio effect.
This can be used to give key individual notes a different tone or response. My sax, for example, has a great sweet spot about A5 with only harmonics 1 2 and 4. Or think of the lowest notes of a clarinet chalameau register, the way it gets those overtones. Or think of wolf notes, where some instruments have particular notes which require extra skill to ieepunder control. (Wind and bow instrument players understand why I would want/demand note-specific interaction with tone, but I dont think it is on the radar for keyboard players or drummersthat much.)
Such a thing could be used with a sequencer too. The muso could easily set it up to provide key notes with particular character, and play around that.
Now this kind of thing, where different notes have different characters and the muso takes advantage of this when deciding what notes to play and how to play them is standard operating procedure for every instrument except synths (and perhaps Krumhorns and bagpipes.) We try to simulate the the effect with filter Q and resonators which affect the spectrum if every note, but waveshapers, which should be tools for the job, are out of the picture. Because, I think, the muso cannot easily go from "I want that top A to be sweeter and the middle C to be more singing" and translate them into the geometric terms of waveshaper modules.
So I think the challenge for opening up waveshapers to more people may be to package them for more convenient expressive/melodic interaction (which would also benefit percussive, noise, sequencer, drone, FX etc uses). And this may require other changes to our design thinking.
In concrete terms, maybe all our waveshapers need to have VC crossfaders with the original wave, to allow that kind of "parametric EQ" CV?; so that we can chain waveshapers and pull each in on different notes or articulations or sections. (I have started towards this in a couple of modules due July, which provide "Through" outputs from the audio input, saving a mult or muxer and a cable.) In network terms, as module designers, should our ideal topology for audio be a chain topology rather than a split/join graph topology?
Do modulars need to go more towards a guitar pedal approach, where you have a mega patch but only bring in certain processing when or as you need it? So the ideal is that eveyone has all their waveshapers patched in permanently, used or not? (Which means every processing module needs an in/out switch or a wet/dry knob or crossfader.) Is this an ergonomic mismatch? |
|
|
Back to top
|
|
 |
|