electro-music.com   Dedicated to experimental electro-acoustic
and electronic music
 
    Front Page  |  Radio
 |  Media  |  Forum  |  Wiki  |  Links
Forum with support of Syndicator RSS
 FAQFAQ   CalendarCalendar   SearchSearch   MemberlistMemberlist   UsergroupsUsergroups   LinksLinks
 RegisterRegister   ProfileProfile   Log in to check your private messagesLog in to check your private messages   Log inLog in  Chat RoomChat Room 
go to the radio page Live at electro-music.com radio 1 Please visit the chat
poster
 Forum index » DIY Hardware and Software » Lunettas - circuits inspired by Stanley Lunetta
4017/4051 Melody Generator
Post new topic   Reply to topic Moderators: mosc
Page 1 of 2 [50 Posts]
View unread posts
View new posts in the last week
Mark the topic unread :: View previous topic :: View next topic
Goto page: 1, 2 Next
Author Message
Ajax



Joined: Apr 05, 2010
Posts: 63
Location: San Francisco

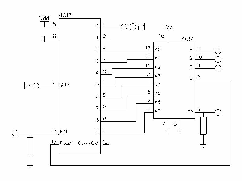
PostPosted: Fri Jun 18, 2010 9:20 am    Post subject: 4017/4051 Melody Generator Reply with quote  Mark this post and the followings unread

I've been seeing a lot of set ups having this little circuit built in, and a lot of really good sound clips seem to come from it. So, how exactly does the Melody Generator work? Should all the inputs be oscillators of some sort? And then on the schem, what does the "EN" stand for? I'm sure I just missed something in the datasheet, but oh well Rolling Eyes

So what have your guys' experiences been with this neat little module? Smile


melodygenerator_428_160.jpg
 Description:
 Filesize:  35.94 KB
 Viewed:  4970 Time(s)
This image has been reduced to fit the page. Click on it to enlarge.

melodygenerator_428_160.jpg


Back to top
View user's profile Send private message
tjookum



Joined: May 25, 2010
Posts: 360
Location: Netherlands
Audio files: 26

PostPosted: Fri Jun 18, 2010 10:36 am    Post subject: Reply with quote  Mark this post and the followings unread

Ive had exactly the same experience with the melodygenerator. No clue how it works, but boy does it work Smile. The ABC outputs on the 4051 can be hooked up to clocks or audio osc, but Ive also had good results with dividers and multiplexers.

The EN stand for engage, you can feed it a square and find out what it does. Same goes for the pin 6 on the 4051.

_________________
There he goes. One of God's own prototypes. A high-powered mutant of some kind never even considered for mass production. Too weird to live, and too rare to die.
Hunter S. Thompson
movies
noise
Back to top
View user's profile Send private message
-minus-



Joined: Oct 26, 2008
Posts: 787

Audio files: 13

PostPosted: Tue Jun 22, 2010 8:03 pm    Post subject: Reply with quote  Mark this post and the followings unread

Ah, here it is.... Well at least I think it is. I hear a bit about this legendary Slacker Melody Maker or some such title. Is this what I am looking at here? I'm assuming this would be a hard wired circuit comprising of the 4017 and the 4051. This seems to be one of those 'must haves' with this Lunetta design thing. Today I managed to find four 4051 IC's in this shitty little country town I live/am trapped in, which is quite remarkable!!!!

Hmm....wait a minute.... I thought the Slacker thing had a 4040 involved somewhere. Oh look, don't worry about me. I should work out what I'm on about before I post shit! ...and a bit of sleep would do me the world of good too! It's just that soon as I doze off I hear bleeps and clicks and drones and squeals in my head, and I have to get out of bed and feed my baby Lunetta some voltage..... Rolling Eyes
Back to top
View user's profile Send private message
-minus-



Joined: Oct 26, 2008
Posts: 787

Audio files: 13

PostPosted: Wed Jun 23, 2010 7:40 am    Post subject: Reply with quote  Mark this post and the followings unread

YAY! Just got this working in breadboard mode! I wasn't getting sound until I attached a fast(?) audio rate(?) oscillator to pin 13 of the 4017. The inhibit pin 6 of the 4051 seems less important whether it has a square wave on it or not. It does make a difference to the sound when it does though... it's a noticeable change, but it's the pin 13 which you can't live without. Unless I'm doing this all wrong...

I'm also unsure how this is working. Some Lunetta magic going on somewhere in there somehow. I really need to start making up these modules on stripboard or something. I have 6 breadboards and crap everywhere all over my floor and I'm finding it's getting a bit slow now trying out different patches. Running out of alligator clips and leads too!

Thanks for this thread! Took me ages finding this circuit before. This makes it heaps easier. I think separate threads for each IC would be nice. There is a lot we can do with a 4051 at least.

I like this... I like it a lot! New Wave Square Waves! Very Happy

EDIT: Just placed an LED between pin 3 (out) of the 4017, and earth. This has made the signal louder and kind of clearer in a way.... I wonder why?
Back to top
View user's profile Send private message
RF



Joined: Mar 23, 2007
Posts: 1502
Location: Northern Minnesota, USA
Audio files: 28

PostPosted: Wed Jun 23, 2010 8:16 am    Post subject: Reply with quote  Mark this post and the followings unread

Quote:
....Unless I'm doing this all wrong... I'm also unsure how this is working.


I think anytime you get a sound you like you are doing it exactly right... Smile

Nonetheless - here's the explaination given by by slacker from this thread...
http://electro-music.com/forum/topic-27239-50.html

<<SNIP>>
Basically, the length of the pulses on the 4017 pin 3 (Out) in relation to the clock pulses on pin 14 (In) depend on which number it's counting up to. If it counts to 2 it's twice as long so half the frequency of the clock, if it counts to 3 it's 3 times as long so a third of the frequency and so on.

The outputs of the 4017 connect to the inputs on the 4051, and the output connects back to the 4017's reset pin. The signals on the A,B and C pins set which output gets connected to reset and this sets the number the 4017 will count up to, and therefore what note it will produce.

To make it play tunes you feed an audio speed signal into the 4017 clock Input and feed different clock signals into the ABC inputs. Changing the combination of signals on those pins gives you the different notes and patterns.

The 4017 clock enable (pin13) adds modulation, at slow speeds you get tremolo effects and higher speeds give ring mod type sounds.<</SNIP>>


bruce
[/quote]

_________________
www.sdiy.org/rfeng

"I want to make these sounds that go wooo-wooo-ah-woo-woo.”
(Herb Deutsch to Bob Moog ~1963)
Back to top
View user's profile Send private message
-minus-



Joined: Oct 26, 2008
Posts: 787

Audio files: 13

PostPosted: Wed Jun 23, 2010 10:13 am    Post subject: Reply with quote  Mark this post and the followings unread

Thanks bruce! I wonder how rapid a signal each of the A B C inputs can deal with. To get those lower binary numbers: 0 0 1 , 0 1 0 etc, I guess you would want to make sure that the C or A input (not sure which, still learning) has a slow pulse on it, otherwise you might miss out on the full range of notes. Lots more experimentation for me to do here! I really have to put some time aside to solder some mini boards up... too much fun playing though! This is one of those devices you leave plugged in all the time... like a refrigerator.
Back to top
View user's profile Send private message
tjookum



Joined: May 25, 2010
Posts: 360
Location: Netherlands
Audio files: 26

PostPosted: Thu Jun 24, 2010 4:00 am    Post subject: Reply with quote  Mark this post and the followings unread

Quote:
I wasn't getting sound until I attached a fast(?) audio rate(?) oscillator to pin 13 of the 4017


Remember about the pulldown resistors, when pin 13 is left floating it will just gate the signal and you wont hear it.

The ABC inputs are where the "magic" happens in the melodygen. You could try experimenting with logic gates and shift registers to drive the ABC pins. Ive had great results with a 4040 randomly plugged in a 4051 to generate an interesting data signal and then using that with a 4015 shift register and plugging the ABC into any of the available outs. Hope that makes sense, if not, just mess around like I do. Cool

_________________
There he goes. One of God's own prototypes. A high-powered mutant of some kind never even considered for mass production. Too weird to live, and too rare to die.
Hunter S. Thompson
movies
noise
Back to top
View user's profile Send private message
electri-fire



Joined: Jul 26, 2006
Posts: 536
Location: Dordrecht NL
Audio files: 4
G2 patch files: 4

PostPosted: Thu Jun 24, 2010 1:33 pm    Post subject:
Subject description: Some remarks on the 4017/4051 Melody Generator
Reply with quote  Mark this post and the followings unread

The Melody Generator needs a fairly high frequency on the 4017 clock (pin 14).
As the output is a slower subdivision of this clock in, and I have my present 40106 osc's maximum frequency restricted with a 1.2k resistor in series with the potmeter, I have the 4017 clock in maxed out to get decent "melodic" results.
Conclusion: I need an oscillator that goes higher into supersonic.

The name Melody Generator might suggest using the output as audio. I have had nice results when slowing down the "melody" with a 4040 counter and use the outputs of the 4040 as control gates. I've used the slower 4040 outs as input on one of the ABC in's of the 4051, nice.

With higher speeds on the 4051 ABC's the "melody" aspect disappears. However this signal subdivided by 4040 is very useful to me again.

The original schematic has the 8 inputs of the 4051 hardwired to the 4017. Mine has these joining points availabe for patching. Even when probably not the officially approved method, they've proven useful as inputs as well as outputs.
Back to top
View user's profile Send private message
-minus-



Joined: Oct 26, 2008
Posts: 787

Audio files: 13

PostPosted: Thu Jun 24, 2010 5:57 pm    Post subject: Reply with quote  Mark this post and the followings unread

Thanks electri-fire!

That's very helpful! I'm getting better results now. Need to get some boards soldered up. This is a classic trap for me. Is a Lunetta ever finished I wonder? There are always improvements to be made! I need a building technique where I can keep adding. A kind of modular approach I guess. But how big to make the cabinet? Hmmm

The other thing, well for me anyway, is getting that randomness to the sound. I have achieved the surprise element of letting the Lunetta make its own tunes, but I am still having one long loop... eventually it repeats itself! Maybe I need more IC's... or more creative patching techniques? Maybe I'm filling this thread up with crap as I tend to do...

PS. I've made a start on your B&W logo... I've had other stuff to do for someone, but that should be finished this weekend... I'll pm you! Don't hold your breath! Laughing
Back to top
View user's profile Send private message
electri-fire



Joined: Jul 26, 2006
Posts: 536
Location: Dordrecht NL
Audio files: 4
G2 patch files: 4

PostPosted: Sun Jun 27, 2010 11:39 am    Post subject: Reply with quote  Mark this post and the followings unread

Quik'n'Dirty demo of Melody Generator and miscellaneous Lunetta elements.



Edit: hrmpff, I should have turned up those crappy speakers some more. Sorry...
Back to top
View user's profile Send private message
-minus-



Joined: Oct 26, 2008
Posts: 787

Audio files: 13

PostPosted: Thu Jul 01, 2010 1:01 am    Post subject: Reply with quote  Mark this post and the followings unread

tjookum wrote:

Remember about the pulldown resistors, when pin 13 is left floating it will just gate the signal and you wont hear it.


F*[k!! ....Pulldown resistors!!! No resistor on pin 13, General Tjookum! ...taking evasive action now!!!
Back to top
View user's profile Send private message
tjookum



Joined: May 25, 2010
Posts: 360
Location: Netherlands
Audio files: 26

PostPosted: Thu Jul 01, 2010 2:32 am    Post subject: Reply with quote  Mark this post and the followings unread

Quote:
Quik'n'Dirty demo of Melody Generator and miscellaneous Lunetta elements.


Nice! I love seeing your videos, the board looks really nice and clean. Good nice range of sounds too. Ive noticed that using different gates, XOR is really nice, can make your sounds a lot more interesting.

Could you take a shot of the underside of this blue beast? Im really curious as to how the different connections are made.

_________________
There he goes. One of God's own prototypes. A high-powered mutant of some kind never even considered for mass production. Too weird to live, and too rare to die.
Hunter S. Thompson
movies
noise
Back to top
View user's profile Send private message
electri-fire



Joined: Jul 26, 2006
Posts: 536
Location: Dordrecht NL
Audio files: 4
G2 patch files: 4

PostPosted: Fri Jul 02, 2010 7:31 am    Post subject:
Subject description: electri-fire Lunetta solderside
Reply with quote  Mark this post and the followings unread

ok.


Lunetta-solderside.JPG
 Description:
 Filesize:  732.13 KB
 Viewed:  892 Time(s)
This image has been reduced to fit the page. Click on it to enlarge.

Lunetta-solderside.JPG


Back to top
View user's profile Send private message
Ajax



Joined: Apr 05, 2010
Posts: 63
Location: San Francisco

PostPosted: Fri Jul 02, 2010 11:40 am    Post subject: Reply with quote  Mark this post and the followings unread

Does the melody generator need to be hooked up to a VCO to make sound?
Back to top
View user's profile Send private message
tjookum



Joined: May 25, 2010
Posts: 360
Location: Netherlands
Audio files: 26

PostPosted: Fri Jul 02, 2010 12:03 pm    Post subject:
Subject description: electri-fire Lunetta solderside
Reply with quote  Mark this post and the followings unread

electri-fire wrote:
ok.


thanks! Again, amazingly neat and tight. I especially like the seperate pots, trimpots are nice, but real ones just feel so much nicer. For me as a visual kind of person this says more than a thousand words thumb up .

_________________
There he goes. One of God's own prototypes. A high-powered mutant of some kind never even considered for mass production. Too weird to live, and too rare to die.
Hunter S. Thompson
movies
noise
Back to top
View user's profile Send private message
electri-fire



Joined: Jul 26, 2006
Posts: 536
Location: Dordrecht NL
Audio files: 4
G2 patch files: 4

PostPosted: Fri Jul 02, 2010 12:06 pm    Post subject: Reply with quote  Mark this post and the followings unread

Ajax wrote:
Does the melody generator need to be hooked up to a VCO to make sound?


No. It needs a clock in for the the 47017, and up to 3 (ABC) inputs to select one of the eight options from the 4017 into the 4051. One output is taken from the 4017. More can be added, but those are the basic in/outputs.
Back to top
View user's profile Send private message
Ajax



Joined: Apr 05, 2010
Posts: 63
Location: San Francisco

PostPosted: Fri Jul 02, 2010 9:46 pm    Post subject: Reply with quote  Mark this post and the followings unread

electri-fire wrote:
Ajax wrote:
Does the melody generator need to be hooked up to a VCO to make sound?


No. It needs a clock in for the the 47017, and up to 3 (ABC) inputs to select one of the eight options from the 4017 into the 4051. One output is taken from the 4017. More can be added, but those are the basic in/outputs.


Awesome, thanks!
Back to top
View user's profile Send private message
Ajax



Joined: Apr 05, 2010
Posts: 63
Location: San Francisco

PostPosted: Tue Jul 06, 2010 12:29 pm    Post subject: Reply with quote  Mark this post and the followings unread

Got this little bugger working, now just need to adjust the clock speeds from audio rate to actual clocks and it should be in business. Thanks a lot everyone![/right]
Back to top
View user's profile Send private message
Rykhaard



Joined: Sep 02, 2007
Posts: 1290
Location: Canada

PostPosted: Tue Jul 06, 2010 3:07 pm    Post subject: Reply with quote  Mark this post and the followings unread

electri-fire wrote:
Ajax wrote:
Does the melody generator need to be hooked up to a VCO to make sound?


No. It needs a clock in for the the 47017, and up to 3 (ABC) inputs to select one of the eight options from the 4017 into the 4051. One output is taken from the 4017. More can be added, but those are the basic in/outputs.


WEll - bloody hell! When I did my last 2 videos recently, I had completely FORGOTTEN that you don't hook the Mel.Gen. up to a VCO! Laughing And I did BOTH times. I were wondering why things sounded SO different with it! Very Happy Laughing

Thankee for straightening out MY poor ol' timer's memory! Very Happy Laughing Laughing
Back to top
View user's profile Send private message Yahoo Messenger MSN Messenger
RF



Joined: Mar 23, 2007
Posts: 1502
Location: Northern Minnesota, USA
Audio files: 28

PostPosted: Tue Jul 06, 2010 5:49 pm    Post subject: Reply with quote  Mark this post and the followings unread

Rykhaard wrote:
Thankee for straightening out MY poor ol' timer's memory! Very Happy Laughing Laughing


And so it begins, Rich. It's all downhill from here.. Smile!

lol

bruce

_________________
www.sdiy.org/rfeng

"I want to make these sounds that go wooo-wooo-ah-woo-woo.”
(Herb Deutsch to Bob Moog ~1963)
Back to top
View user's profile Send private message
Rykhaard



Joined: Sep 02, 2007
Posts: 1290
Location: Canada

PostPosted: Tue Jul 06, 2010 5:59 pm    Post subject: Reply with quote  Mark this post and the followings unread

RF wrote:
Rykhaard wrote:
Thankee for straightening out MY poor ol' timer's memory! Very Happy Laughing Laughing


And so it begins, Rich. It's all downhill from here.. Smile!

lol

bruce


Haha! Noooooooooooooo ... you're a year or two older'n I if my failing memory recalls ... and more and worse of this I have to look foward (or backward?) to? Aiyeiyeyeyeeeeeeeeeeeeeeeeeeeeee!
Back to top
View user's profile Send private message Yahoo Messenger MSN Messenger
stolenfat



Joined: Apr 17, 2008
Posts: 476
Location: Sunny Oakland California
Audio files: 1

PostPosted: Thu Sep 16, 2010 2:20 am    Post subject: Reply with quote  Mark this post and the followings unread

i've built up this amazing circuit for the first time the other night and i wanted to suggest one tiny thing which probably has been done in the past.

you can add a really cool effect if you toss a pot between the main out pin 3 of the 4017 and the carry out pin 12 of the 4017.

i drew up a quick graphic to explain more clearly.

the pot adds a nice 'tonal/octave' wipe.

Perhaps further joy could be added with vactrol cv inputs instead of a pot?


mod.jpg
 Description:
 Filesize:  8.85 KB
 Viewed:  56733 Time(s)

mod.jpg



_________________
home made noise and electronic ill-logic

Last edited by stolenfat on Thu Sep 16, 2010 1:01 pm; edited 1 time in total
Back to top
View user's profile Send private message Visit poster's website
Draal



Joined: May 18, 2010
Posts: 308
Location: Oak Park, IL
Audio files: 5

PostPosted: Thu Sep 16, 2010 4:54 am    Post subject: Reply with quote  Mark this post and the followings unread

Thanks for the tip stolenfat! Sounds like a fun tweak for my melody gen Very Happy .
_________________
Zontar Prevails!
Back to top
View user's profile Send private message Visit poster's website
rich decibels



Joined: Apr 01, 2010
Posts: 60
Location: Wellington, NZ
Audio files: 1

PostPosted: Thu Oct 14, 2010 7:22 pm    Post subject: Reply with quote  Mark this post and the followings unread

I've been playing around slash blowing my mind with this module today. Just thought I'd note here for future reference the relationship between inputs A B and C and the output.

ABC
111 = /9
011 = /8
101 = /7
001 = /6
110 = /5
010 = /4
100 = /3
000 = /2
Back to top
View user's profile Send private message
Draal



Joined: May 18, 2010
Posts: 308
Location: Oak Park, IL
Audio files: 5

PostPosted: Thu Oct 14, 2010 8:01 pm    Post subject: Reply with quote  Mark this post and the followings unread

Thanks rich! I dig this module myself and it;s a keeper. Plenty of cool sounds to discover; check my latest track in the sound samples thread (WormSign). The melody gen plays a key role in it.
_________________
Zontar Prevails!
Back to top
View user's profile Send private message Visit poster's website
Display posts from previous:   
Post new topic   Reply to topic Moderators: mosc
Page 1 of 2 [50 Posts]
View unread posts
View new posts in the last week
Goto page: 1, 2 Next
Mark the topic unread :: View previous topic :: View next topic
 Forum index » DIY Hardware and Software » Lunettas - circuits inspired by Stanley Lunetta
Jump to:  

You cannot post new topics in this forum
You cannot reply to topics in this forum
You cannot edit your posts in this forum
You cannot delete your posts in this forum
You cannot vote in polls in this forum
You cannot attach files in this forum
You can download files in this forum


Forum with support of Syndicator RSS
Powered by phpBB © 2001, 2005 phpBB Group
Copyright © 2003 through 2009 by electro-music.com - Conditions Of Use