electro-music.com   Dedicated to experimental electro-acoustic
and electronic music
 
    Front Page  |  Radio
 |  Media  |  Forum  |  Wiki  |  Links
Forum with support of Syndicator RSS
 FAQFAQ   CalendarCalendar   SearchSearch   MemberlistMemberlist   UsergroupsUsergroups   LinksLinks
 RegisterRegister   ProfileProfile   Log in to check your private messagesLog in to check your private messages   Log inLog in  Chat RoomChat Room 
 Forum index » DIY Hardware and Software » The layout factory
Buchla 194 Stripboard
Post new topic   Reply to topic
Page 1 of 2 [35 Posts]
View unread posts
View new posts in the last week
Mark the topic unread :: View previous topic :: View next topic
Goto page: 1, 2 Next
Author Message
vladosh



Joined: Aug 02, 2010
Posts: 679
Location: macedonia
Audio files: 51

PostPosted: Fri Jan 25, 2013 9:25 am    Post subject: Buchla 194 Stripboard Reply with quote  Mark this post and the followings unread

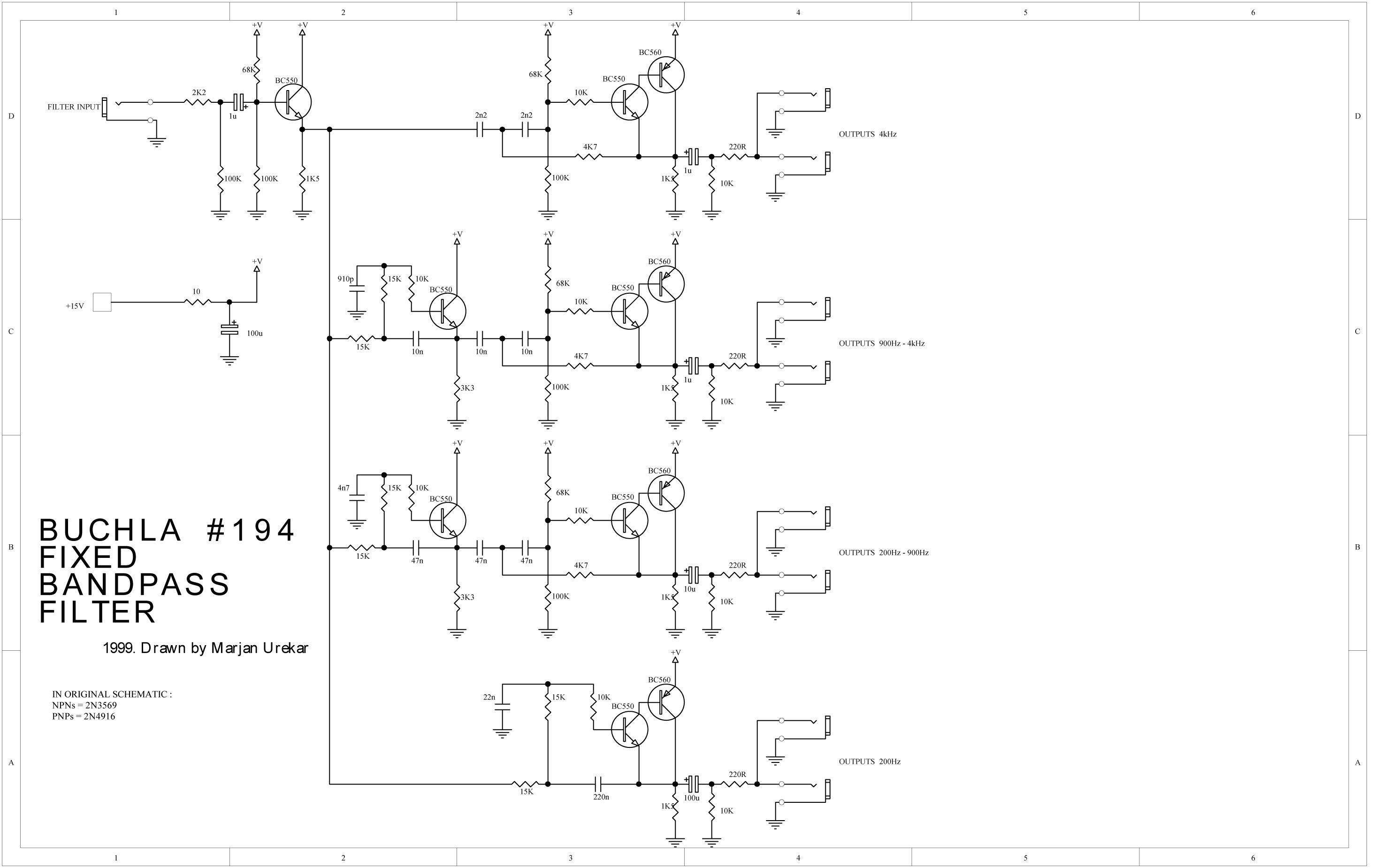
Here's a layout for Buchla 194 Filter
happy building
Vlad


buchla_bpf.jpg
 Description:
 Filesize:  370 KB
 Viewed:  1264 Time(s)
This image has been reduced to fit the page. Click on it to enlarge.

buchla_bpf.jpg



BUCHLA WHITE.JPG
 Description:
 Filesize:  260.5 KB
 Viewed:  1008 Time(s)
This image has been reduced to fit the page. Click on it to enlarge.

BUCHLA WHITE.JPG


Back to top
View user's profile Send private message
Nardu



Joined: Feb 28, 2011
Posts: 62
Location: Braila, Romania

PostPosted: Sat Jan 26, 2013 1:08 pm    Post subject: Reply with quote  Mark this post and the followings unread

- Here's another layout for Buchla 194 Filter, using a standard H25SR050 50x100mm - 2x4 inch stripboard


Buchla 194 2.jpg
 Description:
 Filesize:  207.86 KB
 Viewed:  986 Time(s)
This image has been reduced to fit the page. Click on it to enlarge.

Buchla 194 2.jpg



buchla_bpf_174_annotated.jpg
 Description:
 Filesize:  197.93 KB
 Viewed:  1074 Time(s)
This image has been reduced to fit the page. Click on it to enlarge.

buchla_bpf_174_annotated.jpg



_________________
http://nardusynth.blogspot.ro/

Last edited by Nardu on Sun Jul 14, 2013 5:30 am; edited 1 time in total
Back to top
View user's profile Send private message Send e-mail Visit poster's website
-minus-



Joined: Oct 26, 2008
Posts: 787

Audio files: 13

PostPosted: Sat Jan 26, 2013 2:58 pm    Post subject: Reply with quote  Mark this post and the followings unread

Always nice to see more stripboard layouts! Smile I've been meaning to go through the entire DIY section and weed out all the threads with stripboard layouts and post a page of links to them all for easy reference. The same could be done for perf too. Idea Might take a while though.

Just a couple of things.

Vladosh: You might want to check the distance you have some of those resistors stretching. It may be too much without extending the legs with extra wire or adding a jumper along the way.


Nardu: Your diagram has cuts between the holes. How are you breaking the tracks this way? Are you using a knife? My first build I cut and scraped away the copper with a knife. It took ages! I now use a 3MM drill bit in a pin vice to drill the copper tracks where I need to break them. I drill just enough to cut the track, not all the way through which would affect the structural integrity of the board.

There is a youtube video of this module here if anyone wants to hear it prior to construction:


Last edited by -minus- on Sat Feb 09, 2013 12:24 am; edited 1 time in total
Back to top
View user's profile Send private message
Nardu



Joined: Feb 28, 2011
Posts: 62
Location: Braila, Romania

PostPosted: Sat Jan 26, 2013 5:02 pm    Post subject: Reply with quote  Mark this post and the followings unread

@-minus-
Just I like a compact design !
Personally, I scratch with a simple screwdriver - a little harder.
Below, a classic version :


Buchla 194 v2.jpg
 Description:
 Filesize:  208.35 KB
 Viewed:  1015 Time(s)
This image has been reduced to fit the page. Click on it to enlarge.

Buchla 194 v2.jpg



_________________
http://nardusynth.blogspot.ro/

Last edited by Nardu on Sun Jul 14, 2013 5:31 am; edited 1 time in total
Back to top
View user's profile Send private message Send e-mail Visit poster's website
-minus-



Joined: Oct 26, 2008
Posts: 787

Audio files: 13

PostPosted: Sat Jan 26, 2013 6:57 pm    Post subject: Reply with quote  Mark this post and the followings unread

Good stuff! I like to fit it all into a small footprint too. Sometimes this doesn't work out so well...

I'll have to give this 194 a go soon. I'm breadboarding the Buchla 110 dual voltage controlled gate today. Once I test it I will draw up a diagram.
Back to top
View user's profile Send private message
vladosh



Joined: Aug 02, 2010
Posts: 679
Location: macedonia
Audio files: 51

PostPosted: Sun Jan 27, 2013 2:56 am    Post subject: Reply with quote  Mark this post and the followings unread

@ Nardu your layout looks Great and compact ,mine is just all over the place ,i knew i could simply repeat the parts somehow but i just draw along the way and @ Minus about putting the layouts together , i thought of it too .. even schematics ,just to have a type of Schematics Vault ..so many layouts and schematics are just scattered all over the Forum ,it'd be nice to have them at one place , Great Layout Nardu
Cheers
Back to top
View user's profile Send private message
Nardu



Joined: Feb 28, 2011
Posts: 62
Location: Braila, Romania

PostPosted: Sun Jan 27, 2013 12:47 pm    Post subject: Reply with quote  Mark this post and the followings unread

Some stripboard helper prints. See pdf file.


Buchla 194 stripboard helper prints.jpg
 Description:
 Filesize:  66.43 KB
 Viewed:  1237 Time(s)
This image has been reduced to fit the page. Click on it to enlarge.

Buchla 194 stripboard helper prints.jpg



Buchla 194 stripboard helper prints.pdf
 Description:

Download (listen)
 Filename:  Buchla 194 stripboard helper prints.pdf
 Filesize:  674.92 KB
 Downloaded:  971 Time(s)


_________________
http://nardusynth.blogspot.ro/

Last edited by Nardu on Sun Jul 14, 2013 5:31 am; edited 1 time in total
Back to top
View user's profile Send private message Send e-mail Visit poster's website
vladosh



Joined: Aug 02, 2010
Posts: 679
Location: macedonia
Audio files: 51

PostPosted: Mon Jan 28, 2013 5:07 am    Post subject: Reply with quote  Mark this post and the followings unread

You know Nardu .. i always wanna leave some space on a stripboard ,just a bit ,to let it breath ,it really never matters to me if it take a cm more or less ,anyway , you perfected the stripboard ,hats off
cheers
Back to top
View user's profile Send private message
-minus-



Joined: Oct 26, 2008
Posts: 787

Audio files: 13

PostPosted: Mon Jan 28, 2013 2:40 pm    Post subject: Reply with quote  Mark this post and the followings unread

Another way to transfer circuits is to breadboard the circuit and make sure it works, then buy a proto board which matches your breadboard. It's simply a case of transferring your breadboard layout to the solder board. I'm not sure who makes it but I have seen strip board/vero/proto board which is printed with columns of strips with breaks already in it. It might be cheating though! Laughing
Back to top
View user's profile Send private message
elmegil



Joined: Mar 20, 2012
Posts: 2179
Location: Chicago
Audio files: 16

PostPosted: Mon Jan 28, 2013 6:55 pm    Post subject: Reply with quote  Mark this post and the followings unread

I've used the breadboard matching protoboards, and honestly it's not that simple, usually Smile

Biggest drawback is that my breadboard has two channels on each side for power connections, but these usually only have one. And they don't have power lugs, so you lose 4 to 6 rows on one side to connector + caps. And usually it's *shorter* than my breadboard....


Can you tell I've used these a lot? Very Happy

It is a good idea, not trying to throw stones, but there are considerations that need to be taken into account while you're breadboarding if you want to pick up and move it.
Back to top
View user's profile Send private message
-minus-



Joined: Oct 26, 2008
Posts: 787

Audio files: 13

PostPosted: Mon Jan 28, 2013 8:00 pm    Post subject: Reply with quote  Mark this post and the followings unread

Hmmm...

OK, so there isn't really an easy way out! Laughing I've just been trying to get a VCA working. I tried the Buchla 110 and had no luck on breadboard. So I tried the Yusynth one. It worked!! I was so happy! So I drew up a stripboard layout... and well... it doesn't work! I have got so used to this being the usual outcome that it no longer surprises me.

So today as I sit sleep deprived with yet another stripboard to go in the HUGE bag of failures I resolve to do the following...

Stop trying to pack a circuit into the size of a postage stamp! Laughing Taking the electricity around the board along the scenic route is only going to lead to tears, and magic smoke when you start prodding around trying to fix it. It is better to take a direct route even if it means your board will be 50% bigger. I seem to spend a long time trying to get a very small footprint... eliminating a row of holes here, a copper track there. It's not worth it.

Also, as it takes two or three goes for me to get any circuit working, I won't publish any diagram without having built it. As I am building several of each device I can at least be sure it is confirmed without spreading the heartache around to others.

Yeah not having a very successful day here... This turned out to be quite an off topic rant... sorry about that. Rolling Eyes
Back to top
View user's profile Send private message
vladosh



Joined: Aug 02, 2010
Posts: 679
Location: macedonia
Audio files: 51

PostPosted: Tue Jan 29, 2013 1:53 am    Post subject: Reply with quote  Mark this post and the followings unread

- minus those Bergfotron VCA's are great standard ,working good ,not over complicated ,just saying ... i'd build a Buchla too ,i know someone else on the forum couldn't get the buchla vca's working maybe some error on the schematic
Back to top
View user's profile Send private message
elmegil



Joined: Mar 20, 2012
Posts: 2179
Location: Chicago
Audio files: 16

PostPosted: Tue Jan 29, 2013 6:51 am    Post subject: Reply with quote  Mark this post and the followings unread

A lot of the Buchla schematics are rumored to have (possibly deliberate) errors in them. But I'd say if you were able to breadboard it and have it work.....
Back to top
View user's profile Send private message
Nardu



Joined: Feb 28, 2011
Posts: 62
Location: Braila, Romania

PostPosted: Sun Apr 07, 2013 12:41 pm    Post subject: Reply with quote  Mark this post and the followings unread

vladosh wrote:
You know Nardu ... hats off ...

Thank you! (Ви благодариме! )
In romanian, we say = jos palaria ! (also common expression) = капи исклучување (machedonian google translation : I hope is good !) = hats off.
- Here, new style : mini 2x3 inch : work, don't use yet !


Buchla 194 classic mini.jpg
 Description:
 Filesize:  235.61 KB
 Viewed:  821 Time(s)
This image has been reduced to fit the page. Click on it to enlarge.

Buchla 194 classic mini.jpg


Back to top
View user's profile Send private message Send e-mail Visit poster's website
Snaper



Joined: Feb 28, 2014
Posts: 217
Location: Hungary

PostPosted: Mon Jun 23, 2014 9:45 pm    Post subject: Reply with quote  Mark this post and the followings unread

Got a question about this...I know, its old Very Happy

What are those points (indicated by red circles) : are those connections?

Also

- whats the red dot on the third line, right under the "1"
- what are the white dots around R4 and C16?

Got every parts for this, but Im a bit confused, I'm not familiar with Lochmaster...


buchla_194_v2_193.jpg
 Description:
 Filesize:  484.71 KB
 Viewed:  710 Time(s)
This image has been reduced to fit the page. Click on it to enlarge.

buchla_194_v2_193.jpg


Back to top
View user's profile Send private message
Nardu



Joined: Feb 28, 2011
Posts: 62
Location: Braila, Romania

PostPosted: Thu Jun 26, 2014 1:45 am    Post subject: Buchla 194 Stripboard design in Lochmaster Reply with quote  Mark this post and the followings unread

See image below :
- I used this trick to indicate that the two jumper wire use the same hole.
In this way we obtain a compact stripboard design.


Buchla 194_expl.jpg
 Description:
Buchla 194 Stripboard design in Lochmaster trick
 Filesize:  432.77 KB
 Viewed:  689 Time(s)
This image has been reduced to fit the page. Click on it to enlarge.

Buchla 194_expl.jpg



_________________
http://nardusynth.blogspot.ro/

Last edited by Nardu on Thu Jun 26, 2014 4:01 am; edited 2 times in total
Back to top
View user's profile Send private message Send e-mail Visit poster's website
Snaper



Joined: Feb 28, 2014
Posts: 217
Location: Hungary

PostPosted: Thu Jun 26, 2014 1:55 am    Post subject: Re: Buchla 194 Stripboard design in Lochaster Reply with quote  Mark this post and the followings unread

Nardu wrote:
See image below :
- I used this trick to indicate that the two jumper wire use the same hole.
In this way we obtain a compact stripboard design.

Thank you Nardu!
Every part is on the road for this project, but have another question...

Is it possible the following :

- 4 jacks for the 4 outs
- wire the 4 outs thru 4, 10k pots (for attenuation), and sum them on the very top row, then send them out a fifth jack
Back to top
View user's profile Send private message
Nardu



Joined: Feb 28, 2011
Posts: 62
Location: Braila, Romania

PostPosted: Fri Jun 27, 2014 3:57 am    Post subject: Reply with quote  Mark this post and the followings unread

@Snaper
See here : http://www.muffwiggler.com/forum/post-586357.html#586357

_________________
http://nardusynth.blogspot.ro/
Back to top
View user's profile Send private message Send e-mail Visit poster's website
Snaper



Joined: Feb 28, 2014
Posts: 217
Location: Hungary

PostPosted: Fri Jun 27, 2014 6:56 am    Post subject: Reply with quote  Mark this post and the followings unread

Nardu wrote:
@Snaper
See here : http://www.muffwiggler.com/forum/post-586357.html#586357

It says bad link:(
Back to top
View user's profile Send private message
blue hell
Site Admin


Joined: Apr 03, 2004
Posts: 24666
Location: The Netherlands, Enschede
Audio files: 330
G2 patch files: 320

PostPosted: Fri Jun 27, 2014 7:04 am    Post subject: Reply with quote  Mark this post and the followings unread

Hmm .. link works fine here ...
_________________
Jan
also .. could someone please turn down the thermostat a bit.
Posted Image, might have been reduced in size. Click Image to view fullscreen.
Back to top
View user's profile Send private message Visit poster's website
Snaper



Joined: Feb 28, 2014
Posts: 217
Location: Hungary

PostPosted: Fri Jun 27, 2014 8:11 am    Post subject: Reply with quote  Mark this post and the followings unread

Yeah, I see now.
I will put together then a CGS mixer on a second 50x100 board paralell with the main.
Back to top
View user's profile Send private message
Nardu



Joined: Feb 28, 2011
Posts: 62
Location: Braila, Romania

PostPosted: Fri Jun 27, 2014 9:52 am    Post subject: Reply with quote  Mark this post and the followings unread

Snaper wrote:
... It says bad link:(

Attention!
You must be logged on this forum for the link to work.

_________________
http://nardusynth.blogspot.ro/
Back to top
View user's profile Send private message Send e-mail Visit poster's website
Snaper



Joined: Feb 28, 2014
Posts: 217
Location: Hungary

PostPosted: Fri Jun 27, 2014 2:28 pm    Post subject: Reply with quote  Mark this post and the followings unread

Yes, my bad Very Happy
Built this today, stripboarded a CGS Mixer to another 50x100, so I can mount them parallel.
In case, have to re-wire, cause I've used to short wires, now I'm not able to mount it properly, but I can CONFIRM that the layout works like a charm.
I've used 860 pF instead of 910 (can't find), and only film caps (and electrolyts).

Can I post the layout of the mixer board? I should maybe I should ask Ken for his permission...
Back to top
View user's profile Send private message
elmegil



Joined: Mar 20, 2012
Posts: 2179
Location: Chicago
Audio files: 16

PostPosted: Fri Jun 27, 2014 2:57 pm    Post subject: Reply with quote  Mark this post and the followings unread

Snaper wrote:
I should maybe I should ask Ken for his permission...



That seems like the right thing to do Smile
Back to top
View user's profile Send private message
Nardu



Joined: Feb 28, 2011
Posts: 62
Location: Braila, Romania

PostPosted: Wed Jul 02, 2014 11:03 pm    Post subject: Reply with quote  Mark this post and the followings unread

Snaper wrote:
.... I've used 860 pF instead of 910 (can't find)....

Use 1.5 nF and 2.2 nF in series = 892 pF.
Depending tolerance you may find a pair to reach the 910 pF value .

_________________
http://nardusynth.blogspot.ro/
Back to top
View user's profile Send private message Send e-mail Visit poster's website
Display posts from previous:   
Post new topic   Reply to topic
Page 1 of 2 [35 Posts]
View unread posts
View new posts in the last week
Goto page: 1, 2 Next
Mark the topic unread :: View previous topic :: View next topic
 Forum index » DIY Hardware and Software » The layout factory
Jump to:  

You cannot post new topics in this forum
You cannot reply to topics in this forum
You cannot edit your posts in this forum
You cannot delete your posts in this forum
You cannot vote in polls in this forum
You cannot attach files in this forum
You can download files in this forum


Forum with support of Syndicator RSS
Powered by phpBB © 2001, 2005 phpBB Group
Copyright © 2003 through 2009 by electro-music.com - Conditions Of Use