| Author |
Message |
Bogus Noise
Joined: Jun 03, 2009 Posts: 65 Location: Sheffield
|
Posted: Thu May 09, 2013 9:35 pm Post subject:
|
 |
|
Nice plans on this one! My Hing Hon design is still in progress, looking and sounding tasty though
Was wondering, have you tested out that trigger out yet? I made one for mine, derived from the LED with a 2n3906 to invert the signal, as far as I recall. I had it triggering a MixMe DJ, but the timing ended up being sloppy as hell... the MixMe was tight when triggered from a 4017 sequencer, so it seemed like the problem was the LED wasn't as synchronised as I thought. But if the dimmer LED flash is triggered via PWM, that could be why it was a bit loose. _________________ Circuit Bent Sonic Absurdity:
www.bogus-noise.co.uk
http://www.youtube.com/user/BogusNoise |
|
|
Back to top
|
|
 |
PHOBoS

Joined: Jan 14, 2010 Posts: 5908 Location: Moon Base
Audio files: 709
|
Posted: Fri May 10, 2013 12:23 pm Post subject:
|
 |
|
yes I did test it, I actually had it allready tested on breadboard when I posted the schematic, but now it's soldered up aswell. And I did a test
playing the demo and triggering the cowbell (which doesn't seem to be present in any rhythm) with it. Allthough the tempo is correct it doesn't
really seem to be in sync with the rhythm. Still usefull though and I could always make it sync up by adding a pulse delay
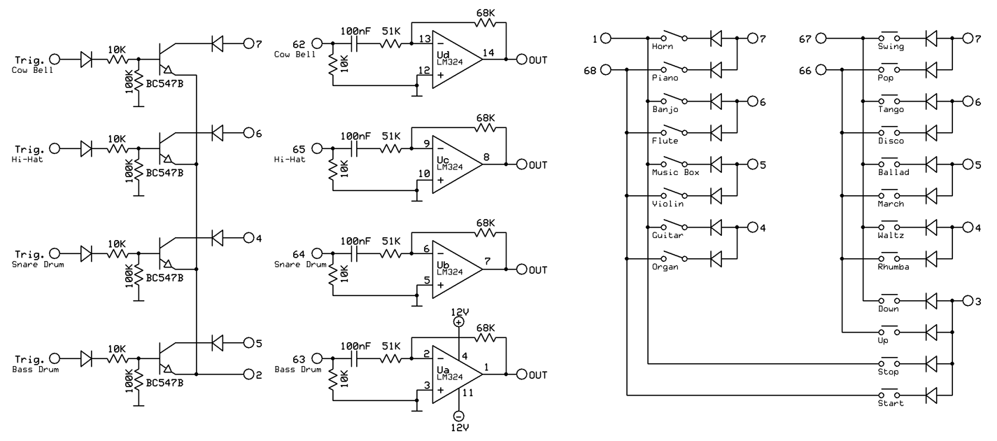
I used the space I had left on my perfboard to add trigger inputs and output buffers for the drumsounds. The triggers are made with a transistor
functioning as a switch. The output buffers are made with an inverting opamp to set the levels roughly to +5V/-5V. I added the capacitors so the
output is 0V when the drums aren't triggered. I also drew in the original switches and pushbuttons I'll have to add to get the sounds and rhythms.
I will use toggle switches for the sounds so it's possible to select more sounds at once (I actually haven't tried this with the rhythms yet, hmm).
What's left for the rhythm section is an output mixer. The plan is to make a stereo mixer and hardwire the sounds with different resistor values
to the left and right channels (bassdrum centered, snaredrum more to the left, hi-hat more to the right, maybe something special for the cowbell)
And I was thinking of adding some VCA's but I tried some simple designs without any success. I better not add too much anyway else it'll never
get finished
The next thing I added was 2 envelope generators and VCA's. I used the AD/AR design from the Lun-A-Key but with a transistor inverter and a capacitor
on the input to create trigger pulses from a gate signal. I also added a zenerdiode to limit the maximum charge voltage. In triggermode the voltage
will rise to 2/3 of the supply Voltage (8V using a 12V supply), and then discharge. In gate mode it would keep charging to almost 12V without the
zenerdiode, which limits the voltage to just above the treshold level. I didn't convert the voltage to -5V/+5V but only buffered it with a voltage
follower since it is connected directly to the VCA. However I might change this so I can use the AD/AR and VCA's seperately.
I also made 2 VCF's based on the EFM Wildcat VCF which I found in the schematics vault (thanks vladosh!).
I used larger filter capacitors, changed some other values and added the 4.7M resistors to the base of the darlington's to keep the level around 0V.
This also tempers the resonance a bit so it doesn't go too wild.
I still have to make some LFO's, a mixer add midi and add the keyboard. I'm probably going to attach the keyboard to the PIC instead of hooking
both PIC and keyboard up to the CPU.
And then I have to solder most of it again for the other one I got
| Description: |
|
| Filesize: |
70.66 KB |
| Viewed: |
1137 Time(s) |
| This image has been reduced to fit the page. Click on it to enlarge. |

|
| Description: |
|
| Filesize: |
95.23 KB |
| Viewed: |
1105 Time(s) |
| This image has been reduced to fit the page. Click on it to enlarge. |

|
| Description: |
|
| Filesize: |
51.54 KB |
| Viewed: |
1167 Time(s) |
| This image has been reduced to fit the page. Click on it to enlarge. |

|
_________________ "My perf, it's full of holes!"
http://phobos.000space.com/
SoundCloud BandCamp MixCloud Stickney Synthyards Captain Collider Twitch YouTube |
|
|
Back to top
|
|
 |
Bogus Noise
Joined: Jun 03, 2009 Posts: 65 Location: Sheffield
|
Posted: Fri May 10, 2013 1:09 pm Post subject:
|
 |
|
Ah, that's a shame about the triggering not being in sync. Sounds pretty much the same as the problem I was having with it. I mainly wanted to be able to sync my 4017 sequencer to it, but thinking about it if it had been the multiple pulse thing, it would have triggered multiple steps on the half brightness triggers. Oh well! _________________ Circuit Bent Sonic Absurdity:
www.bogus-noise.co.uk
http://www.youtube.com/user/BogusNoise |
|
|
Back to top
|
|
 |
PHOBoS

Joined: Jan 14, 2010 Posts: 5908 Location: Moon Base
Audio files: 709
|
Posted: Sat Jun 01, 2013 5:09 pm Post subject:
|
 |
|
| PHOBoS wrote: | I didn't convert the voltage to -5V/+5V but only buffered it with a voltage
follower since it is connected directly to the VCA. However I might change this so I can use the AD/AR and VCA's seperately. |
I did not add an external CV input for the VCA section but I did add an extra opamp to convert the output of the AD/AR to -5V..+5V. So here's
an updated schematic. (btw I'm using this calculator to get the right resistor values )
----------------------------------------------------------------------------------
I also made 2 gated LFO's. I started out with a standard comparator/integrator combination to produce square and triangle waveforms,
with a pot. to 'morph' between the two. I then added the gated section similar to what I used for my circuit bent Super Concert keyboard.
but this didn't work right away.
The first problem I ran into was that I could only gate the LFO (through the 4M7 resistor attached to the non inverting input of Uc) with a
high signal and not with a low signal. The reason this does work in my super concert keyboard is because that one uses a single supply with
a fake GND for the LFO. So a low signal pulls it below fake GND. To solve this I used a comparator (Ub) that converts the 0/5V gate signal
into -12V/+12V. Since I also needed an inverted signal I added another comparator with the inputs swapped (Ua). (In the super concert
schematic this is done by U4b).
So now the LFO stopped oscillating by making the gate low/high as it should, but the output of Ud, which provides the triangle wave,
would go all the way to -12V/+12V instead of -5V/+5V (which it does when it oscillates). So I added the two 4.7V zener diodes on the
input of Ub to limit the voltage.
But this still didn't completely work. If the LFO is stopped by pulling the input of Uc above GND, the output of Ud rises to +12V and the two 4.7V
zenerdiodes will limit the output voltage to +5V. so far so good. But if you 'start' the LFO again it takes some time before the output of Ud
has dropped below +5V. So the output is stuck before it starts dropping, which means there's a delay between the gate input and the output.
not good So somehow I had to stop Ud from rising /dropping to far.
I first moved Ua into the oscillator circuit. Ua together with the voltage divider on it's input attenuates the squarewave, produced by Uc,
to -5V/+5V. This didn't really work but later turned out to be useful anyway. limiting the in/output of Ud with two zenerdiodes didn't
work either, but I finally got some succes by limiting the voltage across the capacitors. 5.1V zenerdiodes seemed to work at first but the
oscillator stalled at low speeds. So I had to increase the voltage and 6.8V was the lowest voltage I had that worked. If I remember correctly
I needed an even higher voltage without Ua added into the oscillator.
So I didn't get the delay completely removed but it's a lot shorter. And works good enough for me.
I drew some waveforms to show the various gated settings. The waveforms on the leftside of the chart correspond with the rotary
switch turned completely CCW.
| Description: |
| AD/AR VCA combo with added CV output |
|
| Filesize: |
100.81 KB |
| Viewed: |
1063 Time(s) |
| This image has been reduced to fit the page. Click on it to enlarge. |

|
| Description: |
|
| Filesize: |
59.94 KB |
| Viewed: |
1227 Time(s) |
| This image has been reduced to fit the page. Click on it to enlarge. |

|
_________________ "My perf, it's full of holes!"
http://phobos.000space.com/
SoundCloud BandCamp MixCloud Stickney Synthyards Captain Collider Twitch YouTube |
|
|
Back to top
|
|
 |
PHOBoS

Joined: Jan 14, 2010 Posts: 5908 Location: Moon Base
Audio files: 709
|
|
|
Back to top
|
|
 |
PHOBoS

Joined: Jan 14, 2010 Posts: 5908 Location: Moon Base
Audio files: 709
|
Posted: Mon Jun 03, 2013 7:32 am Post subject:
|
 |
|
| PHOBoS wrote: | | I will use toggle switches for the sounds so it's possible to select more sounds at once (I actually haven't tried this with the rhythms yet, hmm). |
I tested combining the rhythms yesterday and it does work . (allthough not every combination seems to work).
So I will use toggleswitches for these aswell.
I also recorded some sounds which I will upload later,..  _________________ "My perf, it's full of holes!"
http://phobos.000space.com/
SoundCloud BandCamp MixCloud Stickney Synthyards Captain Collider Twitch YouTube |
|
|
Back to top
|
|
 |
PHOBoS

Joined: Jan 14, 2010 Posts: 5908 Location: Moon Base
Audio files: 709
|
Posted: Thu Jun 06, 2013 4:12 am Post subject:
|
 |
|
First sounds are posted here. Still need to make a mixer (but can't get pots untill a month from now), and the whole midi-PIC-keyboard control.
Will place the pic in a seperate housing with the keyboard which will slide out from underneath the synth. I will also put a midi out on it which I
could use to control the other keyboard (not gonna build them both in one case afterall) _________________ "My perf, it's full of holes!"
http://phobos.000space.com/
SoundCloud BandCamp MixCloud Stickney Synthyards Captain Collider Twitch YouTube |
|
|
Back to top
|
|
 |
PHOBoS

Joined: Jan 14, 2010 Posts: 5908 Location: Moon Base
Audio files: 709
|
|
|
Back to top
|
|
 |
PHOBoS

Joined: Jan 14, 2010 Posts: 5908 Location: Moon Base
Audio files: 709
|
Posted: Tue Jul 02, 2013 6:46 am Post subject:
progress |
 |
|
I finally got the pots so was able to wire the whole panel up. And it all worked instantly Well almost, I had the finetune pot hooked up
backwards and it looks like you can't combine the rhythms afterall.
But I only did a very quick test, maybe it has to do with switching at the right time. Anyway I think it looks nice this way and I won't change it to pushbuttons.
I added connectors to the keyboard PCB which is connected with 2 ribbon cables to the frontpanel. The chips are shiftregisters which are going to be
used to have a PIC control the keyboard. Which is the next part I have to do. I know it's going to have midi in and midi out, but I could do all kinds
of neat things (like arpeggios/seguences which can be generated random in any key). I'm thinking of making it in a seperate case connected with
one of those curly cords (I think I have an old computer keyboard with one somewhere). I'll make it so it can slide in underneath the case for storage.
The PSU is also used to power my other synths, so I went with a 80VA toroid.
* there's something wrong with my camera (or I used the wrong setting) so the colors are a bit off.
| Description: |
|
| Filesize: |
72.99 KB |
| Viewed: |
1030 Time(s) |
| This image has been reduced to fit the page. Click on it to enlarge. |

|
| Description: |
|
| Filesize: |
67.6 KB |
| Viewed: |
961 Time(s) |
| This image has been reduced to fit the page. Click on it to enlarge. |

|
| Description: |
| keyboard PCB with connectors and shift registers for PIC control. |
|
| Filesize: |
60.6 KB |
| Viewed: |
961 Time(s) |
| This image has been reduced to fit the page. Click on it to enlarge. |

|
| Description: |
|
| Filesize: |
53.64 KB |
| Viewed: |
898 Time(s) |
| This image has been reduced to fit the page. Click on it to enlarge. |

|
| Description: |
| close up of voice and rhythm section. |
|
| Filesize: |
67.69 KB |
| Viewed: |
891 Time(s) |
| This image has been reduced to fit the page. Click on it to enlarge. |

|
_________________ "My perf, it's full of holes!"
http://phobos.000space.com/
SoundCloud BandCamp MixCloud Stickney Synthyards Captain Collider Twitch YouTube |
|
|
Back to top
|
|
 |
PHOBoS

Joined: Jan 14, 2010 Posts: 5908 Location: Moon Base
Audio files: 709
|
Posted: Sat Jul 06, 2013 3:57 pm Post subject:
more progress Subject description: and a few steps back |
 |
|
| PHOBoS wrote: | ..The chips are shiftregisters which are going to be
used to have a PIC control the keyboard. Which is the next part I have to do. |
So that's what i'm doing now. I first had to make a PCB with a couple of shiftregisters (parallel to serial converter) to connect the keyboard to
the PIC. I'm using 8 bit shiftregisters (74HCT165) and with 37 keys I needed at least 5. That would give me 40 inputs, but I choose 6, so I
have 3 + 8 extra inputs free to attach some extra switches for different modes.
Before adding midi and other things I first want to be able to just use the keys to control it. So I wrote a simple program that just sends the info
from the keys straight through. The good news is the keyboard almost works perfectly, except for two keys that seem to be linked together.
But I just opened it up and it's just one small trace I didn't cut , so that's an easy fix. However there is something a bit weird going on;
when I play the keyboard it's delayed by one keypress,.. so If I press A, B, C, D I get _, A, B, C. My initial idea was that this might be caused by
the interface with the PIC somehow, but when I trigger the keys directly by shorting the (key)pads with a screwdriver I get the same result.
So far I had been taking the audio from after the envelope generators I added. So I tried the signal coming directly from the oscillators and then
it seems to work as it should. So I guess that somewhere I might have swapped something around, which I should be able to figure out. I also
noticed that I probably swapped some wires on the voice select switches, maybe the rhythms too depending on where I swapped them.
so I'll have to look into that aswell.
Something else, the +5V and especially the +12V regulator get too warm. I guess adding those extra shiftregisters (6 for input, 5 for output) and
PIC to the +5v requires a bit more power then I expected, and since the 12V regulator supplies the current for the 5V regulator it's heating up
quite a bit. While I was testing it even came to a point where I couldn't turn up the VCO speed very far or it started acting weird (scared me
for a second). I guess the voltage had dropped too far but it worked fine again after I switched it off and waited for a few minutes before
switching it back on. So I'll have to add some better cooling to those,..
And one more thing I forgot to mention in my last post is something about the beat outputs (tempo LED). They work but the first beat output triggers
on all beats at higher tempo's. I think I might be able to fix that by adjusting a cap though. _________________ "My perf, it's full of holes!"
http://phobos.000space.com/
SoundCloud BandCamp MixCloud Stickney Synthyards Captain Collider Twitch YouTube Last edited by PHOBoS on Sat Jul 06, 2013 6:24 pm; edited 1 time in total |
|
|
Back to top
|
|
 |
PHOBoS

Joined: Jan 14, 2010 Posts: 5908 Location: Moon Base
Audio files: 709
|
Posted: Sat Jul 06, 2013 5:30 pm Post subject:
moving in the right direction again |
 |
|
| Quote: | ..,except for two keys that seem to be linked together.
But I just opened it up and it's just one small trace I didn't cut , so that's an easy fix... | fixed
| Quote: | | ..,So I guess that somewhere I might have swapped something around, which I should be able to figure out,.. | I had the outputs swapped between the main PCB and the jacks, so I was using ENV1 with OUT2 and vica versa. Works a lot better now
| Quote: | | I also noticed that I probably swapped some wires on the voice select switches,.. | yep, the wires going to pin1 and pin68 where swapped (I should stop doing that ), so that works as it should too now. _________________ "My perf, it's full of holes!"
http://phobos.000space.com/
SoundCloud BandCamp MixCloud Stickney Synthyards Captain Collider Twitch YouTube |
|
|
Back to top
|
|
 |
PHOBoS

Joined: Jan 14, 2010 Posts: 5908 Location: Moon Base
Audio files: 709
|
Posted: Sun Jul 07, 2013 11:27 am Post subject:
cool it man |
 |
|
I added some better cooling to the +12V and +5V regulators, works like a charm. The 5V regulator barely get's warm, and the 12V one get's a bit
warm, but it's a nice and mellow warmth . So here are some pics of that, and a photo of the current test setup.
| Description: |
|
| Filesize: |
71.02 KB |
| Viewed: |
778 Time(s) |
| This image has been reduced to fit the page. Click on it to enlarge. |

|
| Description: |
|
| Filesize: |
76.83 KB |
| Viewed: |
773 Time(s) |
| This image has been reduced to fit the page. Click on it to enlarge. |

|
| Description: |
| current test setup, with keyboard and PIC. |
|
| Filesize: |
85.06 KB |
| Viewed: |
789 Time(s) |
| This image has been reduced to fit the page. Click on it to enlarge. |

|
_________________ "My perf, it's full of holes!"
http://phobos.000space.com/
SoundCloud BandCamp MixCloud Stickney Synthyards Captain Collider Twitch YouTube |
|
|
Back to top
|
|
 |
PHOBoS

Joined: Jan 14, 2010 Posts: 5908 Location: Moon Base
Audio files: 709
|
Posted: Sun Jul 07, 2013 12:57 pm Post subject:
beat outputs working |
 |
|
| Quote: | And one more thing I forgot to mention in my last post is something about the beat outputs (tempo LED). They work but the first beat output triggers
on all beats at higher tempo's. I think I might be able to fix that by adjusting a cap though. |
fixed that too by changing a resistor
(I'll add a note to the post in which I posted the schematic, might upload a new version).
and with that I think all the hardware works, so now to program the PIC.
That might take some time, but I've done the midi part before so can copy
that and I've also experimented with a (random) chord player which I can
use too. I don't have to finish all the programming anyway, I just have to
get an idea of what I want to add in hardware (switches/pushbuttons) so I
can finish the case. _________________ "My perf, it's full of holes!"
http://phobos.000space.com/
SoundCloud BandCamp MixCloud Stickney Synthyards Captain Collider Twitch YouTube |
|
|
Back to top
|
|
 |
Bogus Noise
Joined: Jun 03, 2009 Posts: 65 Location: Sheffield
|
Posted: Thu Sep 05, 2013 4:09 pm Post subject:
|
 |
|
I did it!
This one's been in the works for ages, glad to finally have it finished off, it's a lot of fun to play with! Video coming as soon as I've filmed and edited one
 _________________ Circuit Bent Sonic Absurdity:
www.bogus-noise.co.uk
http://www.youtube.com/user/BogusNoise |
|
|
Back to top
|
|
 |
dauserarms
Joined: Apr 25, 2012 Posts: 4 Location: redding, ca
|
Posted: Tue Dec 10, 2013 9:59 am Post subject:
|
 |
|
| Hi, new here. I jsut picked up a hing hon and I was wondering if anyone still had the ak900 PDF. All the links are dead. It would be a great help before I dig into this beast. |
|
|
Back to top
|
|
 |
Bogus Noise
Joined: Jun 03, 2009 Posts: 65 Location: Sheffield
|
|
|
Back to top
|
|
 |
PHOBoS

Joined: Jan 14, 2010 Posts: 5908 Location: Moon Base
Audio files: 709
|
|
|
Back to top
|
|
 |
PHOBoS

Joined: Jan 14, 2010 Posts: 5908 Location: Moon Base
Audio files: 709
|
Posted: Sun Dec 28, 2014 12:39 pm Post subject:
|
 |
|
I think it has been collecting dust long enough now so I started finishing it up. The PIC is fully programmed although
I haven't tested the midi control yet (midi out works), but it is already present in the code. I played with it a bit,
having some fun with the arpeggiator, and I will post some recordings of that session later.
I'm now working on the keyboard case and then I have to make a case for the synth itself.
| Description: |
|
| Filesize: |
73.06 KB |
| Viewed: |
743 Time(s) |
| This image has been reduced to fit the page. Click on it to enlarge. |

|
| Description: |
|
| Filesize: |
60.06 KB |
| Viewed: |
710 Time(s) |
| This image has been reduced to fit the page. Click on it to enlarge. |

|
_________________ "My perf, it's full of holes!"
http://phobos.000space.com/
SoundCloud BandCamp MixCloud Stickney Synthyards Captain Collider Twitch YouTube |
|
|
Back to top
|
|
 |
PHOBoS

Joined: Jan 14, 2010 Posts: 5908 Location: Moon Base
Audio files: 709
|
Posted: Sun Dec 28, 2014 3:13 pm Post subject:
|
 |
|
here are some excerpts
| Description: |
| PHOBoS - EK2100 PLAY 01 (Dec 21, 2014) |
|
 Download (listen) |
| Filename: |
PHOBoS - EK2100 PLAY (Dec 21, 2014) - PLAY 01.mp3 |
| Filesize: |
8.09 MB |
| Downloaded: |
1573 Time(s) |
| Description: |
| PHOBoS - EK2100 PLAY 02 (Dec 21, 2014) |
|
 Download (listen) |
| Filename: |
PHOBoS - EK2100 PLAY (Dec 21, 2014) - PLAY 02.mp3 |
| Filesize: |
8.81 MB |
| Downloaded: |
1509 Time(s) |
| Description: |
| PHOBoS - EK2100 PLAY 03 (Dec 21, 2014) |
|
 Download (listen) |
| Filename: |
PHOBoS - EK2100 PLAY (Dec 21, 2014) - PLAY 03.mp3 |
| Filesize: |
6.16 MB |
| Downloaded: |
1448 Time(s) |
| Description: |
| PHOBoS - EK2100 PLAY 05 (Dec 21, 2014) |
|
 Download (listen) |
| Filename: |
PHOBoS - EK2100 PLAY (Dec 21, 2014) - PLAY 05.mp3 |
| Filesize: |
3.44 MB |
| Downloaded: |
1513 Time(s) |
| Description: |
| PHOBoS - EK2100 PLAY 08 (Dec 21, 2014) |
|
 Download (listen) |
| Filename: |
PHOBoS - EK2100 PLAY (Dec 21, 2014) - PLAY 08.mp3 |
| Filesize: |
10.89 MB |
| Downloaded: |
1458 Time(s) |
_________________ "My perf, it's full of holes!"
http://phobos.000space.com/
SoundCloud BandCamp MixCloud Stickney Synthyards Captain Collider Twitch YouTube |
|
|
Back to top
|
|
 |
blue hell
Site Admin

Joined: Apr 03, 2004 Posts: 24587 Location: The Netherlands, Enschede
Audio files: 309
G2 patch files: 320
|
Posted: Sun Jan 04, 2015 12:17 pm Post subject:
|
 |
|
5 is really nice :-)
The rest is a bit hoppy for me, but nice demos anyway.
Oh I seem to like 8 too! _________________ Jan
also .. could someone please turn down the thermostat a bit.
 |
|
|
Back to top
|
|
 |
PHOBoS

Joined: Jan 14, 2010 Posts: 5908 Location: Moon Base
Audio files: 709
|
Posted: Sun Jan 11, 2015 3:18 pm Post subject:
|
 |
|
8 is my favourite
I put some paint on the keyboard
| Description: |
|
| Filesize: |
80.7 KB |
| Viewed: |
760 Time(s) |
| This image has been reduced to fit the page. Click on it to enlarge. |

|
| Description: |
|
| Filesize: |
91.31 KB |
| Viewed: |
717 Time(s) |
| This image has been reduced to fit the page. Click on it to enlarge. |

|
| Description: |
| EK2100 keyboard (backside connectors) |
|
| Filesize: |
63.08 KB |
| Viewed: |
723 Time(s) |
| This image has been reduced to fit the page. Click on it to enlarge. |

|
_________________ "My perf, it's full of holes!"
http://phobos.000space.com/
SoundCloud BandCamp MixCloud Stickney Synthyards Captain Collider Twitch YouTube |
|
|
Back to top
|
|
 |
PHOBoS

Joined: Jan 14, 2010 Posts: 5908 Location: Moon Base
Audio files: 709
|
|
|
Back to top
|
|
 |
PHOBoS

Joined: Jan 14, 2010 Posts: 5908 Location: Moon Base
Audio files: 709
|
Posted: Thu Feb 05, 2015 1:55 pm Post subject:
|
 |
|
I finished it last night and did a quick test, which I recorded.
The first recording has some arp. action the second one is a self playing noodle.
(more photos here )
| Description: |
|
| Filesize: |
87.72 KB |
| Viewed: |
774 Time(s) |
| This image has been reduced to fit the page. Click on it to enlarge. |

|
| Description: |
|
 Download (listen) |
| Filename: |
PHOBoS - EK2100 demo (Feb 05, 2015) - Arpiod.mp3 |
| Filesize: |
4.71 MB |
| Downloaded: |
1404 Time(s) |
| Description: |
|
 Download (listen) |
| Filename: |
PHOBoS - EK2100 demo (Feb 05, 2015) - Noodle 2100.mp3 |
| Filesize: |
12.16 MB |
| Downloaded: |
1516 Time(s) |
_________________ "My perf, it's full of holes!"
http://phobos.000space.com/
SoundCloud BandCamp MixCloud Stickney Synthyards Captain Collider Twitch YouTube |
|
|
Back to top
|
|
 |
wackelpeter
Joined: May 05, 2013 Posts: 461 Location: germany
Audio files: 10
|
Posted: Fri Feb 06, 2015 12:39 am Post subject:
|
 |
|
Looks very nice and black & yellow is always a good colour combination.
i especially like the sounds of the second demo and the term and Imagination of a "self playing noodle"
From the above posted Sound Clips i second Blue Hells Choice favouring Piece no.5 too. _________________ https://soundcloud.com/bastian-j |
|
|
Back to top
|
|
 |
PHOBoS

Joined: Jan 14, 2010 Posts: 5908 Location: Moon Base
Audio files: 709
|
|
|
Back to top
|
|
 |
|