| Author |
Message |
Cfish

Joined: Feb 24, 2016 Posts: 477 Location: Indiana
|
Posted: Thu Mar 10, 2016 6:41 pm Post subject:
basic volt per octave keyboard schematics |
 |
|
I'm in search of volt per octave keyboard control schematics.
I have built one controller for a key bass using a Ken Stone schematic that uses a 74c922 key matrix IC. But the circuit is to slow.
I have built a circuit from an old EFM schematic, but can't seem to get the gate and trigger to work on it.
I'm looking for something without a lot of bells and whistles. Something that I can get working, then build on.
I already have a single buss keyboard set up with a 100 ohm resistor chain. I have set up a couple of different opamp circuits that I can make track 1 volt per octave. The EFM circuit looses me at the OTA for the gate signal.
Any recommendations for different bear bones schematics on this topic would be greatly appreciated.
I would like to get a little better grip on this, before I do something like the MUSIC FROM OUTER SPACE circuit with the extra bells and whistles.
EDIT. This turned in to a great thread with several functional schematics and a lot of talk on how each one works. Well worth reading if you are interested in building one. Last edited by Cfish on Sun Dec 04, 2016 6:31 pm; edited 2 times in total |
|
|
Back to top
|
|
 |
Cfish

Joined: Feb 24, 2016 Posts: 477 Location: Indiana
|
|
|
Back to top
|
|
 |
masterofstuff124

Joined: Sep 21, 2015 Posts: 23 Location: Miami, Florida
|
Posted: Wed Apr 13, 2016 4:07 pm Post subject:
|
 |
|
holy crap this works? its so simple. Ive got two salvaged 44 key Organ keybeds Ive been wondering what to do with. Only two tl072s 750 ohm resistor then each key seperated by 100 ohm? this seems way to simple. Gonna give it a try!
maybe add this for glide?
http://modular.fonik.de/pdf/dual%20voltage%20processor.pdf |
|
|
Back to top
|
|
 |
masterofstuff124

Joined: Sep 21, 2015 Posts: 23 Location: Miami, Florida
|
|
|
Back to top
|
|
 |
Cfish

Joined: Feb 24, 2016 Posts: 477 Location: Indiana
|
Posted: Wed Apr 13, 2016 6:19 pm Post subject:
|
 |
|
https://youtu.be/sbS1aUle95I
If I did it right, this is a link to a video of me using the circuit in a set of bass pedals.
There are 3 videos of that project.
There is also a page on here, in DIY hardware and software, developers corner, titled easy DIY analog synth project.
I have built 3 of the circuit. One in a one octave bass pedal set, one in a 2 octave keyboard. They both worked well. The third I built for a 44 key keybed and am getting a massive temperature drift issue. The span won't stay in adjustment. I ordered a better trimmer for the span adjustment, but I'm not sure if that is it yet.
I used 2 TL071s in each of the first 2 builds, and used 1 TL072 in the third build. I can't think of a reason why that would have an affect here, but I could be missing something. Last edited by Cfish on Wed Apr 13, 2016 7:00 pm; edited 1 time in total |
|
|
Back to top
|
|
 |
Cfish

Joined: Feb 24, 2016 Posts: 477 Location: Indiana
|
Posted: Wed Apr 13, 2016 6:36 pm Post subject:
|
 |
|
| As for glide, I am working on adding glide on the breadboard. A capacitor to ground on the CV pitch out will cause glide. I'm just working on values and control. |
|
|
Back to top
|
|
 |
masterofstuff124

Joined: Sep 21, 2015 Posts: 23 Location: Miami, Florida
|
|
|
Back to top
|
|
 |
Cfish

Joined: Feb 24, 2016 Posts: 477 Location: Indiana
|
Posted: Wed Apr 13, 2016 7:21 pm Post subject:
|
 |
|
The link you posted was a spst. ( you want momentary) but any push button momentary should do. I'm sure Tyda has them. That's where I get most of my supplies?
Sorry. Don't know where that link took me the first time but the second time it took me to a momentary |
|
|
Back to top
|
|
 |
Cfish

Joined: Feb 24, 2016 Posts: 477 Location: Indiana
|
Posted: Wed Apr 13, 2016 7:32 pm Post subject:
|
 |
|
I have seen a guy use cut up, medium gauge guitar strings soldered together (push down to contact the buss bar) to make a test keyboard.
If your 100 ohm resistors aren't 1% the note spacing may not be correct. I used. 5% in one project but matched them with a good ohm meater
Good luck with it. It's a little tricky to get the gate trimmed just right. But it's fun when you get it going. |
|
|
Back to top
|
|
 |
Grumble

Joined: Nov 23, 2015 Posts: 1320 Location: Netherlands
Audio files: 30
|
|
|
Back to top
|
|
 |
Cfish

Joined: Feb 24, 2016 Posts: 477 Location: Indiana
|
Posted: Thu Apr 14, 2016 5:04 am Post subject:
|
 |
|
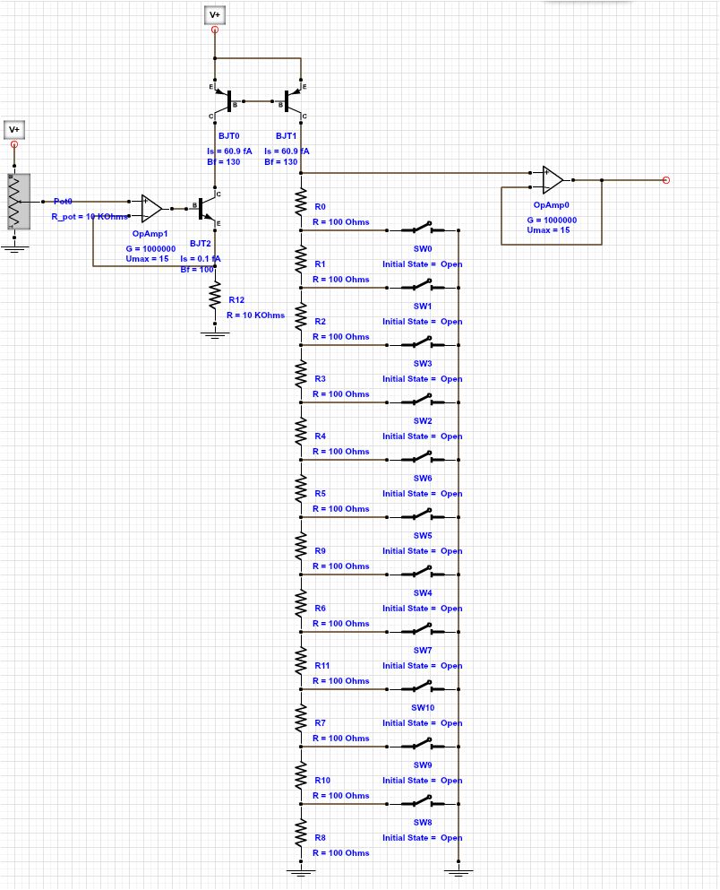
Hi grumble. It is actually low note dominant. It does play the lowest key you are pressing in tune.
I got the (resistor chain in the feedback loop) portion of the schematic from the EFM keyboard converter schematic.
I can't get my mind wrapped around how it is low key dominant. If anyone can help with that I would greatly appreciate it.
I will give your schematic a try Grumble and post back with results. It looks promising. Thanks for posting it. |
|
|
Back to top
|
|
 |
Grumble

Joined: Nov 23, 2015 Posts: 1320 Location: Netherlands
Audio files: 30
|
Posted: Thu Apr 14, 2016 5:21 am Post subject:
|
 |
|
| Cfish wrote: | | Hi grumble. It is actually low note dominant. It does play the lowest key you are pressing in tune. |
REALLY?? Mind-boggling.... |
|
|
Back to top
|
|
 |
Cfish

Joined: Feb 24, 2016 Posts: 477 Location: Indiana
|
Posted: Thu Apr 14, 2016 5:27 am Post subject:
|
 |
|
| I like your schematic grumble. Am bread boarding it now. It appears it will be high note dominant as drawn. |
|
|
Back to top
|
|
 |
Grumble

Joined: Nov 23, 2015 Posts: 1320 Location: Netherlands
Audio files: 30
|
|
|
Back to top
|
|
 |
masterofstuff124

Joined: Sep 21, 2015 Posts: 23 Location: Miami, Florida
|
Posted: Thu Apr 14, 2016 7:53 am Post subject:
|
 |
|
Personally I would prefer low note dominant. When playing to a crowd the sudden lack of bass is often jarring.
Do you think a softpot/slide pot would be a substitute for the resistor network?
need to get an mcp4922 so i can try this. http://synthhacker.blogspot.com/2016/04/diy-ribbon-controller-cv.html
even just a potentiometer would allow me to set a CV signal?(instead of resistor network?) Often plenty of modulation parameters would be better as set and forget and not the constant wobble of an LFO.
I think ill buy a big bag of momentary switches from ebay. those ones from tayda dont looks all that comfortable to play!
Grumble im assuming the approach for your circuit is similar with two sides of a tl072. what type of tranny's are you using?
thanks for all the help and wonderful circuits! |
|
|
Back to top
|
|
 |
Cfish

Joined: Feb 24, 2016 Posts: 477 Location: Indiana
|
Posted: Thu Apr 14, 2016 7:55 am Post subject:
|
 |
|
I tried it out grumble. I didn't get it working.
The constant current supply voltage showed up at the collector of the first PNP. (The one on the left) but not at the collector of the second PNP
I used 2n3906 PNPs
2n 3904 NPN
i tried a different constant current source I have made up for experimentation, got voltage tracking. I was looking at it bacwards earlier. Is low note dominant as shown in your schematic. Switching the resistor chain ends would also require switching to an inverting op amp configuration to make it high note dominant. Just switching wires would make low notes high, high notes low.
It needs a trimmer in the feedback loop of the output op amp to adjust the span to track correct.
Let me know if I'm wrong on any of this.
I hate bread boarding. So easy to miss something over a loose contact. But I'm pretty sure the span adjustment will be necessary. |
|
|
Back to top
|
|
 |
Cfish

Joined: Feb 24, 2016 Posts: 477 Location: Indiana
|
Posted: Thu Apr 14, 2016 8:18 am Post subject:
|
 |
|
Just caught your update grumble. will try the constant current again.
Still needs a trim to adjust span to volt per octave. I think. Last edited by Cfish on Thu Apr 14, 2016 9:10 am; edited 1 time in total |
|
|
Back to top
|
|
 |
Cfish

Joined: Feb 24, 2016 Posts: 477 Location: Indiana
|
Posted: Thu Apr 14, 2016 9:09 am Post subject:
|
 |
|
Got it working.
Grumble (YOU ARE THE MAN!!!) works great. I'm still trying to figure out what's at work in the method you used to adjust the span. I was just seeing that as a voltage adjustment for a constant current supply.
Can you toss a comparator in for a gate signal in your schematic?????
I have already added one, but my chicken scratch hand drawn schematic won't be near as legible, and I'm sure your solution may be better than mine.
To masterofstuff . I don't see why a resistor ribbon type system wouldn't work on either of these.
On a 44 key keybed GRUMBLES schematic was easier to get tracking good, and is a little more linear using the exact same resistor chain key-bed |
|
|
Back to top
|
|
 |
Grumble

Joined: Nov 23, 2015 Posts: 1320 Location: Netherlands
Audio files: 30
|
Posted: Thu Apr 14, 2016 10:01 am Post subject:
|
 |
|
| Cfish wrote: | Got it working.
Grumble (YOU ARE THE MAN!!!) works great. I'm still trying to figure out what's at work in the method you used to adjust the span. I was just seeing that as a voltage adjustment for a constant current supply.
Can you toss a comparator in for a gate signal in your schematic |
Great! You can use the same comparator as in your org. schematics.
I'm at home and don't have the program here (btw its a free program).
| Cfish wrote: | | I'm still trying to figure out what's at work in the method you used to adjust the span. I was just seeing that as a voltage adjustment for a constant current supply | You got that right! And it even works better with an FET, because the base current is added to the total current in the current mirror (the upper two pnp's) |
|
|
Back to top
|
|
 |
Cfish

Joined: Feb 24, 2016 Posts: 477 Location: Indiana
|
Posted: Thu Apr 14, 2016 11:41 am Post subject:
|
 |
|
Thanks grumble that is awesome
I had to pull away from this before I had the comparator for the gate working right.
I think I deeded to switch the trim and pitch voltage inputs, seeing my original schematic goes low On key release ( voltage below lowest key)and your circuit goes high on key release ( voltage above highest key). Is my thinking correct on that? |
|
|
Back to top
|
|
 |
Cfish

Joined: Feb 24, 2016 Posts: 477 Location: Indiana
|
Posted: Thu Apr 14, 2016 11:51 am Post subject:
|
 |
|
Oh and thanks for the link to the softwhere grumble, but I don't even own a PC. I post from my iPhone, and haven't found an ap to do schematics yet.
LOL I'm behind the times. I can barely work the iPhone |
|
|
Back to top
|
|
 |
Grumble

Joined: Nov 23, 2015 Posts: 1320 Location: Netherlands
Audio files: 30
|
Posted: Thu Apr 14, 2016 1:21 pm Post subject:
|
 |
|
to be honest, i just wanted to post an idea and i havent even thought it thru...
but youre right, the voltage goes low after release of the keys, another proof of my lack of focus
i hardly do analog design anymore these days, most digital, i think its more predictable...
i have built several keyboards, but all with an Arduino clone as the heart of the thing.
in my synth(s) i dont use a v/oct type of control, but a serial line presenting the pressed key which i modulate digital and/or analog.
i know its just a lame excuse....  |
|
|
Back to top
|
|
 |
Cfish

Joined: Feb 24, 2016 Posts: 477 Location: Indiana
|
Posted: Thu Apr 14, 2016 3:42 pm Post subject:
|
 |
|
| I appreciate your help on everything grumble. You are way more knowledgable at this than I am. You have saved me a lot of time more than once. |
|
|
Back to top
|
|
 |
Grumble

Joined: Nov 23, 2015 Posts: 1320 Location: Netherlands
Audio files: 30
|
Posted: Thu Apr 14, 2016 11:23 pm Post subject:
|
 |
|
| Cfish wrote: | | but I don't even own a PC. |
Sorry to hear that, If you'd live nearby I could get you one... |
|
|
Back to top
|
|
 |
Cfish

Joined: Feb 24, 2016 Posts: 477 Location: Indiana
|
|
|
Back to top
|
|
 |
|