| Author |
Message |
PHOBoS

Joined: Jan 14, 2010 Posts: 5881 Location: Moon Base
Audio files: 709
|
Posted: Mon Dec 19, 2016 1:05 pm Post subject:
Snailis Spiralis Subject description: "vacuum tube" effect |
 |
|
my vacuum cleaner broke and while I was disposing of it I noticed the sound the tube (or rather hose, but vacuum tube sounds nicer ) made.
Being the professional scrap collector that I am I couldn't just get rid of it without trying something with it first. So inspired by the cooper time
cube I wondered what it would sound like with a speaker on one end and a microphone on the other and that's what I am working on now.
Unlike the time cube my goal is not a delay but rather the resonating sound you get when sounds travels through a tube
I started by mounting a small speaker on a piece of wood and adding the tube to the other side. I glued part of a rubber band on the end,
which was quite a challenge, for a snug airtight fit. After that I breadboarded an amplifier for the speaker and a small microphone amp
to do the first test. That actually worked quite well, the sound isn't very profound but it does definitely add something and I thing it could
work great for drums.
| Description: |
|
| Filesize: |
127.78 KB |
| Viewed: |
798 Time(s) |
| This image has been reduced to fit the page. Click on it to enlarge. |

|
| Description: |
|
| Filesize: |
146.89 KB |
| Viewed: |
845 Time(s) |
| This image has been reduced to fit the page. Click on it to enlarge. |

|
| Description: |
|
| Filesize: |
109.87 KB |
| Viewed: |
813 Time(s) |
| This image has been reduced to fit the page. Click on it to enlarge. |

|
_________________ "My perf, it's full of holes!"
http://phobos.000space.com/
SoundCloud BandCamp MixCloud Stickney Synthyards Captain Collider Twitch YouTube Last edited by PHOBoS on Mon Dec 19, 2016 2:37 pm; edited 1 time in total |
|
|
Back to top
|
|
 |
PHOBoS

Joined: Jan 14, 2010 Posts: 5881 Location: Moon Base
Audio files: 709
|
Posted: Mon Dec 19, 2016 1:29 pm Post subject:
|
 |
|
here are some photos from the mic and preamp (will post schematics later). the microphone is an electret type
which I rolled up into some foam which fits loosely in the tube but just tight enough so it doesn't move.
| Description: |
|
| Filesize: |
178.99 KB |
| Viewed: |
797 Time(s) |
| This image has been reduced to fit the page. Click on it to enlarge. |

|
| Description: |
|
| Filesize: |
202.96 KB |
| Viewed: |
828 Time(s) |
| This image has been reduced to fit the page. Click on it to enlarge. |

|
| Description: |
|
| Filesize: |
213.1 KB |
| Viewed: |
818 Time(s) |
| This image has been reduced to fit the page. Click on it to enlarge. |

|
_________________ "My perf, it's full of holes!"
http://phobos.000space.com/
SoundCloud BandCamp MixCloud Stickney Synthyards Captain Collider Twitch YouTube Last edited by PHOBoS on Tue Dec 20, 2016 2:56 pm; edited 1 time in total |
|
|
Back to top
|
|
 |
blue hell
Site Admin

Joined: Apr 03, 2004 Posts: 24513 Location: The Netherlands, Enschede
Audio files: 298
G2 patch files: 320
|
Posted: Mon Dec 19, 2016 2:00 pm Post subject:
|
 |
|
Ah! a vacuum tube filter  _________________ Jan
also .. could someone please turn down the thermostat a bit.
 |
|
|
Back to top
|
|
 |
PHOBoS

Joined: Jan 14, 2010 Posts: 5881 Location: Moon Base
Audio files: 709
|
Posted: Mon Dec 19, 2016 2:28 pm Post subject:
|
 |
|
to hold the vacuum tube in place I mounted a carboard tube on the board by screwing it to a wooden disc. I used a hole saw to cut out the
disc and it was a bit too small but with the help of some tape and a ring of another cardboard tube (which fit right in the other one)
I got it mounted to the board. The microphone end of the tube is held in place by some thick foam and I used part of a measuring
spoon to cover that end up. I painted it yellow because the pink head at the end of the tube just looked, well, VERY WRONG
so now I have some more testing and soldering to do. I did already solder up the amp though but haven't tested it yet, so that's next.
| Description: |
|
| Filesize: |
147.68 KB |
| Viewed: |
777 Time(s) |
| This image has been reduced to fit the page. Click on it to enlarge. |

|
| Description: |
|
| Filesize: |
166.27 KB |
| Viewed: |
783 Time(s) |
| This image has been reduced to fit the page. Click on it to enlarge. |

|
| Description: |
|
| Filesize: |
157.81 KB |
| Viewed: |
774 Time(s) |
| This image has been reduced to fit the page. Click on it to enlarge. |

|
| Description: |
|
| Filesize: |
197.01 KB |
| Viewed: |
781 Time(s) |
| This image has been reduced to fit the page. Click on it to enlarge. |

|
| Description: |
|
| Filesize: |
199.12 KB |
| Viewed: |
807 Time(s) |
| This image has been reduced to fit the page. Click on it to enlarge. |

|
_________________ "My perf, it's full of holes!"
http://phobos.000space.com/
SoundCloud BandCamp MixCloud Stickney Synthyards Captain Collider Twitch YouTube |
|
|
Back to top
|
|
 |
dougseidel

Joined: Feb 10, 2010 Posts: 74 Location: NJ
|
|
|
Back to top
|
|
 |
Antimon
Joined: Jan 18, 2005 Posts: 4145 Location: Sweden
Audio files: 371
G2 patch files: 100
|
|
|
Back to top
|
|
 |
AlanP
Joined: Mar 11, 2014 Posts: 746 Location: New Zealand
Audio files: 41
|
Posted: Tue Dec 20, 2016 5:05 pm Post subject:
|
 |
|
I don't get it, where does the 400VDC go?  |
|
|
Back to top
|
|
 |
robsol
Stream Operator

Joined: Apr 24, 2009 Posts: 2508 Location: Bristol UK
Audio files: 500
|
Posted: Wed Dec 21, 2016 6:07 pm Post subject:
|
 |
|
Cool! I love the sounds you get out of those hoses.
I wonder if stretching it will create a similar effect like you get in an LFO'ed flanger...? Not that it's that easy when curled up...
Also another idea is to have a speaker at each end and put the mic somewhere in the middle. You can get some strange ringmodulated sounds out of that. _________________ Muied Lumens Sub Forum
Bandcamp |
|
|
Back to top
|
|
 |
PHOBoS

Joined: Jan 14, 2010 Posts: 5881 Location: Moon Base
Audio files: 709
|
|
|
Back to top
|
|
 |
PHOBoS

Joined: Jan 14, 2010 Posts: 5881 Location: Moon Base
Audio files: 709
|
|
|
Back to top
|
|
 |
wackelpeter
Joined: May 05, 2013 Posts: 461 Location: germany
Audio files: 10
|
Posted: Thu Dec 22, 2016 12:50 am Post subject:
|
 |
|
| robsol wrote: | | Cool! I love the sounds you get out of those hoses. |
Where are the sounds? I'd like to hear this too. Aint i'm blind or deaf? I can't find them. _________________ https://soundcloud.com/bastian-j |
|
|
Back to top
|
|
 |
PHOBoS

Joined: Jan 14, 2010 Posts: 5881 Location: Moon Base
Audio files: 709
|
|
|
Back to top
|
|
 |
robsol
Stream Operator

Joined: Apr 24, 2009 Posts: 2508 Location: Bristol UK
Audio files: 500
|
Posted: Thu Dec 22, 2016 8:24 am Post subject:
|
 |
|
| wackelpeter wrote: | | robsol wrote: | | Cool! I love the sounds you get out of those hoses. |
Where are the sounds? I'd like to hear this too. Aint i'm blind or deaf? I can't find them. |
I should have said "I love the sounds I got out of those hoses in the past."
They sound kinda flangey, resonated. Whenever I have the chance, I listen through them. Many years ago I used to work in a place where they had very long industrial type hoses and they sounded magical. _________________ Muied Lumens Sub Forum
Bandcamp |
|
|
Back to top
|
|
 |
PHOBoS

Joined: Jan 14, 2010 Posts: 5881 Location: Moon Base
Audio files: 709
|
|
|
Back to top
|
|
 |
RingMad

Joined: Jan 15, 2011 Posts: 429 Location: Montreal, Canada
Audio files: 4
|
Posted: Thu Dec 22, 2016 11:54 am Post subject:
|
 |
|
Haha, looks like fun!
This is basically the same idea as the Pipe Bomb, a distortion/tone thing by Jamie Heilman, which was a PVC tube with a speaker on one end and a mic on the other.
I found it on some site years ago, but never got around to building it.
However, I thought of a variation... the waterpipe bomb... wherein the pipe is filled with water and the speakers/mic are waterproof... sound travels differently in water, which could be interesting?
.:James:. |
|
|
Back to top
|
|
 |
AlanP
Joined: Mar 11, 2014 Posts: 746 Location: New Zealand
Audio files: 41
|
Posted: Thu Dec 22, 2016 6:37 pm Post subject:
|
 |
|
| Or possibly a vacuum jar, and experiment with gasses? |
|
|
Back to top
|
|
 |
Cfish

Joined: Feb 24, 2016 Posts: 477 Location: Indiana
|
Posted: Thu Dec 22, 2016 7:16 pm Post subject:
|
 |
|
| AlanP wrote: | | Or possibly a vacuum jar, and experiment with gasses? |
Hay Alanp
I almost threw away some canning jars I had made modified lids for while doing a home made vacuum tube experiment.
That would be a great experiment to do with them.
Awesome project PhoBos |
|
|
Back to top
|
|
 |
Cfish

Joined: Feb 24, 2016 Posts: 477 Location: Indiana
|
Posted: Wed Dec 28, 2016 4:18 pm Post subject:
|
 |
|
 Last edited by Cfish on Wed Dec 28, 2016 6:09 pm; edited 1 time in total |
|
|
Back to top
|
|
 |
PHOBoS

Joined: Jan 14, 2010 Posts: 5881 Location: Moon Base
Audio files: 709
|
|
|
Back to top
|
|
 |
PHOBoS

Joined: Jan 14, 2010 Posts: 5881 Location: Moon Base
Audio files: 709
|
Posted: Fri Dec 30, 2016 12:41 pm Post subject:
|
 |
|
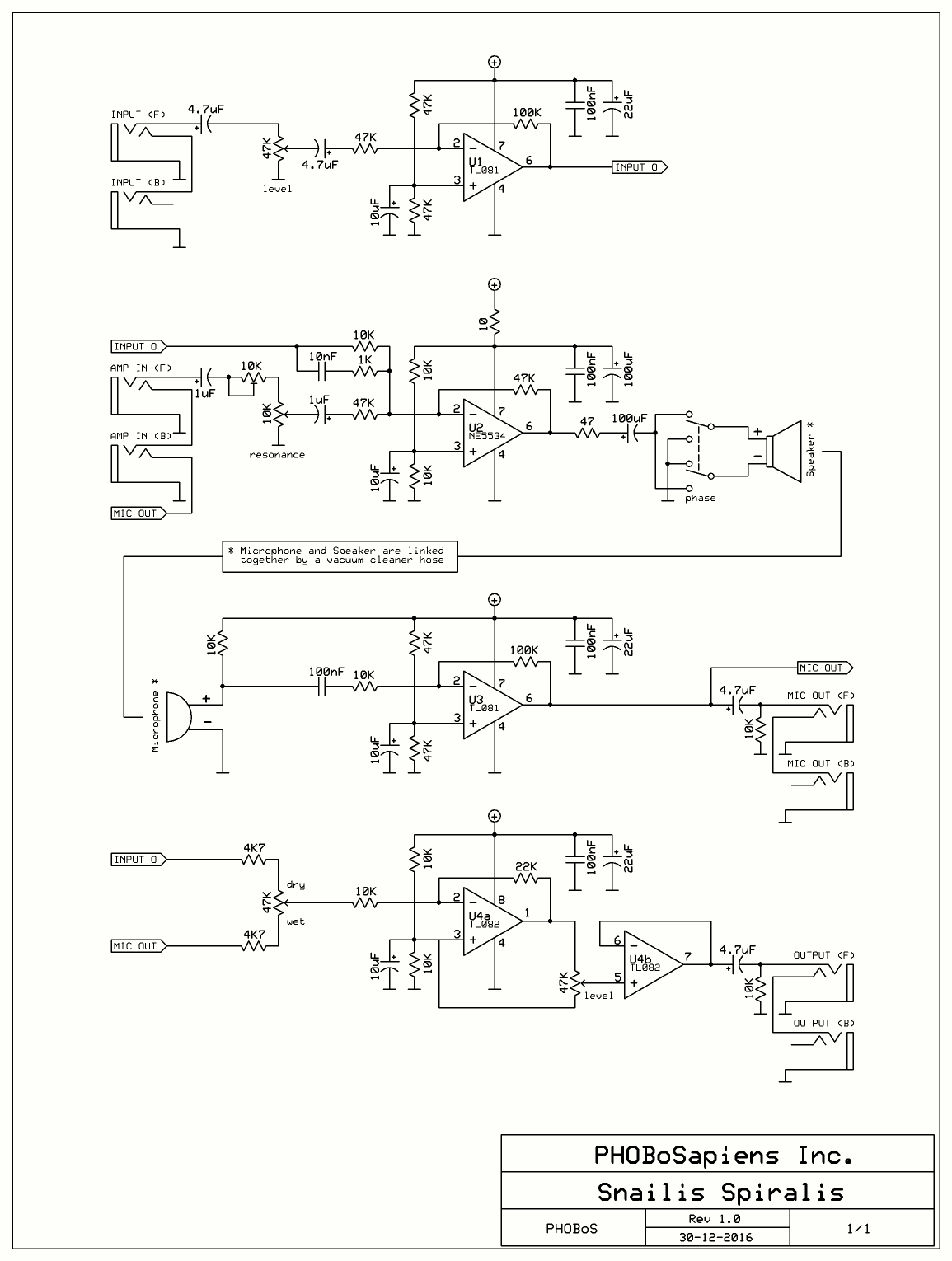
Finished it just before the end of the year . Here are some snailgut photos and the schematic. I added a switch to change the polarity of the output for
the speaker and the result is that it actually seems to change the resonant frequency. I guess this has to with it being mixed with the original signal. For
power distribution I used a piece of stripboard as a busbar. I'll record some sounds too but I first have some other things to do before NYE.
| Description: |
|
| Filesize: |
198.97 KB |
| Viewed: |
594 Time(s) |
| This image has been reduced to fit the page. Click on it to enlarge. |

|
| Description: |
|
| Filesize: |
236.89 KB |
| Viewed: |
578 Time(s) |
| This image has been reduced to fit the page. Click on it to enlarge. |

|
| Description: |
|
| Filesize: |
226.07 KB |
| Viewed: |
592 Time(s) |
| This image has been reduced to fit the page. Click on it to enlarge. |

|
| Description: |
|
| Filesize: |
39.53 KB |
| Viewed: |
657 Time(s) |
| This image has been reduced to fit the page. Click on it to enlarge. |

|
_________________ "My perf, it's full of holes!"
http://phobos.000space.com/
SoundCloud BandCamp MixCloud Stickney Synthyards Captain Collider Twitch YouTube |
|
|
Back to top
|
|
 |
PHOBoS

Joined: Jan 14, 2010 Posts: 5881 Location: Moon Base
Audio files: 709
|
Posted: Fri Dec 30, 2016 12:44 pm Post subject:
|
 |
|
and some more photos
| Description: |
|
| Filesize: |
155.81 KB |
| Viewed: |
578 Time(s) |
| This image has been reduced to fit the page. Click on it to enlarge. |

|
| Description: |
|
| Filesize: |
143.69 KB |
| Viewed: |
604 Time(s) |
| This image has been reduced to fit the page. Click on it to enlarge. |

|
| Description: |
|
| Filesize: |
149.52 KB |
| Viewed: |
612 Time(s) |
| This image has been reduced to fit the page. Click on it to enlarge. |

|
| Description: |
|
| Filesize: |
208.15 KB |
| Viewed: |
616 Time(s) |
| This image has been reduced to fit the page. Click on it to enlarge. |

|
_________________ "My perf, it's full of holes!"
http://phobos.000space.com/
SoundCloud BandCamp MixCloud Stickney Synthyards Captain Collider Twitch YouTube |
|
|
Back to top
|
|
 |
blue hell
Site Admin

Joined: Apr 03, 2004 Posts: 24513 Location: The Netherlands, Enschede
Audio files: 298
G2 patch files: 320
|
Posted: Fri Dec 30, 2016 2:00 pm Post subject:
|
 |
|
Oh that looks great! _________________ Jan
also .. could someone please turn down the thermostat a bit.
 |
|
|
Back to top
|
|
 |
robsol
Stream Operator

Joined: Apr 24, 2009 Posts: 2508 Location: Bristol UK
Audio files: 500
|
|
|
Back to top
|
|
 |
Grumble

Joined: Nov 23, 2015 Posts: 1319 Location: Netherlands
Audio files: 30
|
Posted: Fri Dec 30, 2016 3:22 pm Post subject:
|
 |
|
nice!  |
|
|
Back to top
|
|
 |
Antimon
Joined: Jan 18, 2005 Posts: 4145 Location: Sweden
Audio files: 371
G2 patch files: 100
|
|
|
Back to top
|
|
 |
|