electro-music.com   Dedicated to experimental electro-acoustic
and electronic music
 
    Front Page  |  Radio
 |  Media  |  Forum  |  Wiki  |  Links
Forum with support of Syndicator RSS
 FAQFAQ   CalendarCalendar   SearchSearch   MemberlistMemberlist   UsergroupsUsergroups   LinksLinks
 RegisterRegister   ProfileProfile   Log in to check your private messagesLog in to check your private messages   Log inLog in  Chat RoomChat Room 
 Forum index » DIY Hardware and Software » Lunettas - circuits inspired by Stanley Lunetta
lunetta sound samples
Post new topic   Reply to topic Moderators: mosc
Page 5 of 13 [311 Posts]
View unread posts
View new posts in the last week
Mark the topic unread :: View previous topic :: View next topic
Goto page: Previous 1, 2, 3, 4, 5, 6, 7, ..., 11, 12, 13 Next
Author Message
RF



Joined: Mar 23, 2007
Posts: 1502
Location: Northern Minnesota, USA
Audio files: 28

PostPosted: Fri Mar 20, 2009 8:44 am    Post subject: Reply with quote  Mark this post and the followings unread

Yeah - I kinda like that, Rych Smile Very interesting progression...

On my 4017's/4066 clip the frequency divisions are being switched in and out based on fairly random choices from other Lunetta circuits.

If you have a steady A (440) going in to the 4017's, the seven divisions you get out in notes are..

220 A
146.6666667 D
110 A
88 F
73.33333333 D
62.85714286 B
55 A

and from there the switching of the 4066's determines which of these you hear.

I was thinking of that old "Piaa Chord Egg" idea - but I guess filtering and VCA's were fairly important to that effect.... All I got was an Iron Butterfly organ solo wannabe.

I'll experiment a bit more tonight. That recording was literally the first thing I got out of it.


bruce

_________________
www.sdiy.org/rfeng

"I want to make these sounds that go wooo-wooo-ah-woo-woo.”
(Herb Deutsch to Bob Moog ~1963)
Back to top
View user's profile Send private message
slacker



Joined: Nov 18, 2007
Posts: 301
Location: England
Audio files: 11
G2 patch files: 1

PostPosted: Fri Mar 20, 2009 10:22 am    Post subject: Reply with quote  Mark this post and the followings unread

I like the sounds from the 4017 thing, it's pretty musical which I guess is because it's playing a chord.
Like Rych I'm not too sure I'd like to hardwire that much stuff just to do one thing. I'd be tempted to patch it out a bit to allow the different 4017s to be clocked separately and maybe make some of the divisions switchable.
Cool idea though.
Back to top
View user's profile Send private message
RF



Joined: Mar 23, 2007
Posts: 1502
Location: Northern Minnesota, USA
Audio files: 28

PostPosted: Sat Mar 21, 2009 7:47 am    Post subject: Reply with quote  Mark this post and the followings unread

Still with the 4017 dividers...
Using one of the audio divisions (/7) to clock a counter which in turn modifies the audio which clocks the counters. Confused

Also- audio rate divisions /2 /3 /4 /5 are switched in and out based on those same counters.

Just a short snip of hands off noodling ...

bruce


Luna6.mp3
 Description:

Download (listen)
 Filename:  Luna6.mp3
 Filesize:  1.16 MB
 Downloaded:  1521 Time(s)


_________________
www.sdiy.org/rfeng

"I want to make these sounds that go wooo-wooo-ah-woo-woo.”
(Herb Deutsch to Bob Moog ~1963)
Back to top
View user's profile Send private message
Rykhaard



Joined: Sep 02, 2007
Posts: 1290
Location: Canada

PostPosted: Sat Mar 21, 2009 8:55 am    Post subject: Reply with quote  Mark this post and the followings unread

RF wrote:
Still with the 4017 dividers...
Using one of the audio divisions (/7) to clock a counter which in turn modifies the audio which clocks the counters. Confused

Also- audio rate divisions /2 /3 /4 /5 are switched in and out based on those same counters.

Just a short snip of hands off noodling ...

bruce


Whilst there seems to be a great deal of change within seconds, listening to the track overall, there seems to be a great deal of repetition. Confused Could there be a greater amount of change, within this setup, or is it going to be limited to a lot of the same variations?

In another view point - I DO like possibilities of repetition but I far prefer them if they can be slightly changed for opening up new possibilities. Lemme try this as an example

The repeating theme for a hookup:

- ABCDABCDABCDABCD

Make a single change

- ABEDABEDABEDABAED

Back to the first for a portion and then a different change part way through

- ABCDABCDCGBCDCGBCD

(Note in the 2nd change within the phrase, the 'length' of repetition also changes.)

Before I type more and confuse my explanation all the more ..... Surprised
Back to top
View user's profile Send private message Yahoo Messenger MSN Messenger
RF



Joined: Mar 23, 2007
Posts: 1502
Location: Northern Minnesota, USA
Audio files: 28

PostPosted: Sat Mar 21, 2009 9:11 am    Post subject: Reply with quote  Mark this post and the followings unread

Yep - I understand what you are saying...
The repetition is just the simple patch - For the pitch and pattern I'm using one shift register and a binary counter - so the repeating pattern could have certainly be lengthened - even to unrecognizable with a just few more counters involved.

Mainly on that patch I was experimenting with influencing the timings with the 4017's...being clocked by the audio.

BTW - I listened to your last clip again this morning Smile I like the minimalist thing - very enjoyable.

bruce

_________________
www.sdiy.org/rfeng

"I want to make these sounds that go wooo-wooo-ah-woo-woo.”
(Herb Deutsch to Bob Moog ~1963)
Back to top
View user's profile Send private message
Rykhaard



Joined: Sep 02, 2007
Posts: 1290
Location: Canada

PostPosted: Sat Mar 21, 2009 9:38 am    Post subject: Reply with quote  Mark this post and the followings unread

RF wrote:
Yep - I understand what you are saying...
The repetition is just the simple patch - For the pitch and pattern I'm using one shift register and a binary counter - so the repeating pattern could have certainly be lengthened - even to unrecognizable with a just few more counters involved.


Otay! Very Happy Thankee. (Glad that U understand me. My method of delivery in communication, seems usually, to confuse others. Confused Someday I have to learn how to properly communicate. Laughing )

So then - has your earlier jury debate, come back with a decision as to the usefulness of the module itself? Is it worth building, as far as you went with it? If you feel there's enough possibilities for variation, then I'll go ahead a do a PCB for it. Smile )

Quote:

Mainly on that patch I was experimenting with influencing the timings with the 4017's...being clocked by the audio.


Right then. Yesterday, I was going to mount 2 x CD4029's (4 bit up / down counter, not using the JAM inputs; but USING the Preset Enable as an 'Inhibit' function) to 2 of my 14 / 16 pin templates that I made the previous day ...... I realized I didn't have a PCB for the LEDs required though and was tired. Left it for later. I'll get those done then, as I don't yet HAVE any such counters in my machine.

Quote:

BTW - I listened to your last clip again this morning Smile I like the minimalist thing - very enjoyable.

bruce


!! Very cool! I've got a very strong desire to do some multi-tracking WITH that clip to expand it into a 'tune' as well. Also, with different multitracked versions. 1, along the improv. noise ideas and another, along the more structured format - i.e. turning a lack OF structure inTO a structured piece. Shall see what happens. Smile (Also hope to start writing lyrics for it, to use it as my first lyric based noise piece that I've done, in YEARS.)

----

Totally off subject: I've started constructing the web page section for my Lunetta machine (url is below). Would you (or any other readers) by CHANCE, know of a good FREE (or shareware) web page editor that has WYSIWYG functionality??
(Just now considering dumping HTML-Kit's freeware one as there's no WYSIWYG functionality. Razz )

I'm hoping to eventually develop this page into something of an 'information center' for Lunetta machines, explaining as many things about as I can, along with audio and visual examples of as much as I can - with user / viewer / person-reading commenting abilities / etc. - overall, to help readers who are curious / etc. Smile
Back to top
View user's profile Send private message Yahoo Messenger MSN Messenger
RF



Joined: Mar 23, 2007
Posts: 1502
Location: Northern Minnesota, USA
Audio files: 28

PostPosted: Sat Mar 21, 2009 10:26 am    Post subject: Reply with quote  Mark this post and the followings unread

Good idea on the web page! Sorry - I can't suggest an editor...

I think that minimalist bit deserves some multi tracking Smile It'll be fun to hear what you come up with.

Re: the Jury.
I'm thinking there is a lot of possibility for mayhem. The 7 divisions of any clock or audio you feed it seems to be useful, and being able to switch those divisions on and off with other counters or logic has potential. I like the odd divisions - /3 /5 /7 - those might be more difficult to generate other ways.

I'm not sure about clocking each 4017 differently - I 'spose you could also reset each 4017 using Lunetta clocks/counters, too.... I have not yet tried either of these.

Anyway - Without the 4066 switches on the output it's this bit of circuit. Someone else throw it together and see what you think.


pulse_divider_snip.GIF
 Description:
 Filesize:  12.86 KB
 Viewed:  18112 Time(s)

pulse_divider_snip.GIF



_________________
www.sdiy.org/rfeng

"I want to make these sounds that go wooo-wooo-ah-woo-woo.”
(Herb Deutsch to Bob Moog ~1963)
Back to top
View user's profile Send private message
mosc
Site Admin


Joined: Jan 31, 2003
Posts: 18260
Location: Durham, NC
Audio files: 228
G2 patch files: 60

PostPosted: Sat Mar 21, 2009 10:36 am    Post subject: Reply with quote  Mark this post and the followings unread

When I was very young, I went to a lecture from a music professor at UC Berkeley. He was very entertaining; a big fan of Nielsen, as I recall.

Anyway, he said that there is someone's, I don't remember the name, law of composition - "Always twice, never thrice."

There is great wisdom in that little expression.

_________________
--Howard
my music and other stuff
Back to top
View user's profile Send private message Visit poster's website AIM Address
Rykhaard



Joined: Sep 02, 2007
Posts: 1290
Location: Canada

PostPosted: Sat Mar 21, 2009 12:23 pm    Post subject: Reply with quote  Mark this post and the followings unread

mosc wrote:
When I was very young, I went to a lecture from a music professor at UC Berkeley. He was very entertaining; a big fan of Nielsen, as I recall.

Anyway, he said that there is someone's, I don't remember the name, law of composition - "Always twice, never thrice."

There is great wisdom in that little expression.


The most immediate of which to my interpretation is: do it once then improv. upon it, but no more, as the original intent may be confused if not lost.

There're quite a few ways to take it, depending on application. Very cool. Smile

I shall keep that in mind when setting down to do something with my minimalist piece that I last posted then. In parallel:

I'll do 2 additional multitrackings to it, separate from each other - so that the results are 2 new 'pieces'. One of them with the 'live improv.' thought and the other with a more organized and planned addition.

Shall post the results here. Smile
Back to top
View user's profile Send private message Yahoo Messenger MSN Messenger
Rykhaard



Joined: Sep 02, 2007
Posts: 1290
Location: Canada

PostPosted: Sat Mar 21, 2009 12:27 pm    Post subject: Reply with quote  Mark this post and the followings unread

RF wrote:
Good idea on the web page! Sorry - I can't suggest an editor...


Not a trouble. Smile In going back to my original search area (c-NET / Download), I again found n-VU which i'd originally found had been abandoned. (Liked it muchlee, but buggy). It'd appeared that there were a new version. (DL'd / reinstalled.) Barely any difference. In searching through it's Help - found confirmation that it HAD been abandoned due to bugs, but that it's OFFspring - Kompozer was the latest. Off to download that and try it out. Smile )

Quote:

I think that minimalist bit deserves some multi tracking Smile It'll be fun to hear what you come up with.


Read my adapted reply to Mosc, in relation. Shall see what happens. Very Happy

Quote:

Re: the Jury.
I'm thinking there is a lot of possibility for mayhem. The 7 divisions of any clock or audio you feed it seems to be useful, and being able to switch those divisions on and off with other counters or logic has potential. I like the odd divisions - /3 /5 /7 - those might be more difficult to generate other ways.

I'm not sure about clocking each 4017 differently - I 'spose you could also reset each 4017 using Lunetta clocks/counters, too.... I have not yet tried either of these.

Anyway - Without the 4066 switches on the output it's this bit of circuit. Someone else throw it together and see what you think.


Otay! That's all, good enough to me! Very Happy When I do the PCB, I'll leave the clocking connections for each of the 4017's, OPEN so that I can assign them the same clock, or individual. If the latter works well, then I will finalize the front panel, for the switches. If not, then I'll leave them all to the single clock input.

Thank you for your further analysis! Looking forward to trying it out! Very Happy
Back to top
View user's profile Send private message Yahoo Messenger MSN Messenger
Rykhaard



Joined: Sep 02, 2007
Posts: 1290
Location: Canada

PostPosted: Thu Apr 02, 2009 9:35 pm    Post subject:  A short dual Slacker 4017 / 4051 Melody Generator demo Reply with quote  Mark this post and the followings unread

I just finished recording this 3+ minute demo from the 2 Melody Generators that I built for my machine today.
It was recorded onto my Korg BR-600's stereo microphones. I hadn't expected that they would pick up the sound of me closing my metal cigarette case as well as Zippo lighter! Those are the first 2 click sounds in the tune. Sad The later ones, are me flicking the switches for modulation ON and OFF on the 2 Liquid Voices that the Mel. Gen.'s are playing. 1 voice is hard panned to each side. (Though it's not as clearly noticable in the stereo microphone recording.)

No effects were used.

The recording starts off playing the fun melody that I had left it at, earlier this evening. About 1/3 of the way through, I adjust the clock speed of each of the 2 x 4 Bit Shift Registers that are both being driven by the same CD40106 oscillator, for their timing.

Approximately 1/2 way through the tune I change the panning for each of the voices, to the opposite stereo side.

Somewhere after that (when you start hearing more sharp clicking) I'm changing the modulation switches on the Voices, turning them On and off on each oscillator and finally shortly before the tune ends (and I've changed stereo sides again) I switch off all of the modulation of the voices, back to their pure selves and fade out.

I hope you like the example of this dual Melody Generator! I shall be building more of them in the future! Very Happy
Back to top
View user's profile Send private message Yahoo Messenger MSN Messenger
RF



Joined: Mar 23, 2007
Posts: 1502
Location: Northern Minnesota, USA
Audio files: 28

PostPosted: Fri Apr 03, 2009 5:36 am    Post subject: Reply with quote  Mark this post and the followings unread

The sound of a Zippo is as distinctive as the lighter itself is functional. Much more pleasing to the ear than the rough grating and plastic click of a disposable. I was a bit thrown by the metal case, though.

Oh - about the clip....

Interesting listening to the different yet related voices moving. Then as you increased the clocks that thing begins to scream.

Good job! Thanks for posting it!

bruce

_________________
www.sdiy.org/rfeng

"I want to make these sounds that go wooo-wooo-ah-woo-woo.”
(Herb Deutsch to Bob Moog ~1963)
Back to top
View user's profile Send private message
slacker



Joined: Nov 18, 2007
Posts: 301
Location: England
Audio files: 11
G2 patch files: 1

PostPosted: Sat Apr 11, 2009 11:31 am    Post subject: Reply with quote  Mark this post and the followings unread

I recently build some of Rych's 4023 oscillators, and finally got round to recording something using them this afternoon. It's just 3 of the 4023 oscillators clocked by 6 40106 oscillators, a bit of delay and a lot of knob twiddling. It gets a bit loud at the end so watch ya speakers Smile

flight_of_the_oscillator.mp3

It's my attempt at a Rykhaard style live noise piece, hope he doesn't mind a bit of plagiarism.
Back to top
View user's profile Send private message
telstarmagikistferrari



Joined: Jun 16, 2008
Posts: 280
Location: Indianapolis, Indiana
Audio files: 43

PostPosted: Fri Apr 24, 2009 7:47 am    Post subject: Reply with quote  Mark this post and the followings unread

here's a bit of random fiddling, not nearly interesting as some others posted here, but what the hey, thanks to RF for the synthesizer.


random.mp3
 Description:

Download (listen)
 Filename:  random.mp3
 Filesize:  5.75 MB
 Downloaded:  1090 Time(s)

Back to top
View user's profile Send private message Visit poster's website Yahoo Messenger
slacker



Joined: Nov 18, 2007
Posts: 301
Location: England
Audio files: 11
G2 patch files: 1

PostPosted: Fri Apr 24, 2009 9:36 am    Post subject: Reply with quote  Mark this post and the followings unread

I like it, sounds like some sort of crazy robot insect swarm.
Back to top
View user's profile Send private message
RF



Joined: Mar 23, 2007
Posts: 1502
Location: Northern Minnesota, USA
Audio files: 28

PostPosted: Fri Apr 24, 2009 10:07 am    Post subject: Reply with quote  Mark this post and the followings unread

Great to hear your machine! More!
I'm expecting part of that was the 4051 pattern generator? What else was involved there?
bruce

_________________
www.sdiy.org/rfeng

"I want to make these sounds that go wooo-wooo-ah-woo-woo.”
(Herb Deutsch to Bob Moog ~1963)
Back to top
View user's profile Send private message
Rykhaard



Joined: Sep 02, 2007
Posts: 1290
Location: Canada

PostPosted: Fri Apr 24, 2009 11:56 am    Post subject: Reply with quote  Mark this post and the followings unread

slacker wrote:
I recently build some of Rych's 4023 oscillators, and finally got round to recording something using them this afternoon. It's just 3 of the 4023 oscillators clocked by 6 40106 oscillators, a bit of delay and a lot of knob twiddling. It gets a bit loud at the end so watch ya speakers Smile

flight_of_the_oscillator.mp3


A great overall AD-VENTURE type of sound at the beginning!! Almost like a 'march'! Smile

Is the deep hum at the bottom of the track, a Ground looping problem? (Like I have.)

1/2 way through, almost like laser blasts in a video game. Wink Military equipment making noises, during a computer battle. Heh.

Great harmonics changes in the swept sounds! Very Happy (The CD4023's??) The sound wonderful!!

Why the hell didn't I see this message earlier?? (2 weeks ago. Surprised )

What a GREAT live / improv. track!! Very Happy

Quote:

It's my attempt at a Rykhaard style live noise piece, hope he doesn't mind a bit of plagiarism.


Haha! Plagiarize away! I was far by, more'n happy with THAT performance!! Very Happy

Last edited by Rykhaard on Fri Apr 24, 2009 12:01 pm; edited 1 time in total
Back to top
View user's profile Send private message Yahoo Messenger MSN Messenger
Rykhaard



Joined: Sep 02, 2007
Posts: 1290
Location: Canada

PostPosted: Fri Apr 24, 2009 12:00 pm    Post subject: Reply with quote  Mark this post and the followings unread

telstarmagikistferrari wrote:
here's a bit of random fiddling, not nearly interesting as some others posted here, but what the hey, thanks to RF for the synthesizer.


WOWCH! As soon as it started in my headphones, it just about ripped my ears off!! Laughing Startled the crap outta me. Haha.

RIPPING!! It's almost like a noise machine being tortured! Twisted Evil

Machine gun rippings ....... (1:55'ish)
Grinding the guts out! (2:20) GREAT SOUND!
The final grinding tears! (2:50)

Oh my friggin' gawd! Very Happy That's a great aural assault track! Very Happy
Back to top
View user's profile Send private message Yahoo Messenger MSN Messenger
telstarmagikistferrari



Joined: Jun 16, 2008
Posts: 280
Location: Indianapolis, Indiana
Audio files: 43

PostPosted: Fri Apr 24, 2009 1:16 pm    Post subject: Reply with quote  Mark this post and the followings unread

Thanks Rych, (and the rest) coming from you that all means a lot! Smile
Back to top
View user's profile Send private message Visit poster's website Yahoo Messenger
slacker



Joined: Nov 18, 2007
Posts: 301
Location: England
Audio files: 11
G2 patch files: 1

PostPosted: Sat Apr 25, 2009 4:29 am    Post subject: Reply with quote  Mark this post and the followings unread

Thanks for the comments Rych. I love the different textures you can get with the 4023 oscs, thanks for posting the design.

Yeah the hum in the background is from the cheap old guitar amp I use. I think it needs some attention, probably new power supply filtering caps.
Back to top
View user's profile Send private message
telstarmagikistferrari



Joined: Jun 16, 2008
Posts: 280
Location: Indianapolis, Indiana
Audio files: 43

PostPosted: Sat Apr 25, 2009 6:10 am    Post subject: Reply with quote  Mark this post and the followings unread

Here's a little melodic stream of blips created with the following modules:

R/2R ladder
4024 divider clocked with a 40106
4051 pattern generator

i discovered the pattern generator still operates with all of its switches turned to off and got interesting results; the 'default' melodic mode you hear at the beginning of the sample.


telstarmelodies.mp3
 Description:

Download (listen)
 Filename:  telstarmelodies.mp3
 Filesize:  3.69 MB
 Downloaded:  1083 Time(s)

Back to top
View user's profile Send private message Visit poster's website Yahoo Messenger
Rykhaard



Joined: Sep 02, 2007
Posts: 1290
Location: Canada

PostPosted: Sat Apr 25, 2009 8:47 am    Post subject: Reply with quote  Mark this post and the followings unread

telstarmagikistferrari wrote:
Here's a little melodic stream of blips created with the following modules:

R/2R ladder
4024 divider clocked with a 40106
4051 pattern generator

i discovered the pattern generator still operates with all of its switches turned to off and got interesting results; the 'default' melodic mode you hear at the beginning of the sample.


Now I'm VERY curious about this one! Could you tell me:

- which pattern generator the 4051 is? Is it's Slacker's?
- if so, could you let me know how you patched it all together to see if I can emulate it on my machine?

(I love making melodies with my machine. Having different melodies playing against each other, works really well. Smile )
Back to top
View user's profile Send private message Yahoo Messenger MSN Messenger
droffset



Joined: Feb 02, 2009
Posts: 515
Location: London area
Audio files: 2

PostPosted: Sat Apr 25, 2009 9:37 pm    Post subject: Reply with quote  Mark this post and the followings unread

This all sounds great ! Smile
Finally finished my WSG, so I'll upload some Lunetta/WSG mutant samples soon. Smile
Back to top
View user's profile Send private message
RF



Joined: Mar 23, 2007
Posts: 1502
Location: Northern Minnesota, USA
Audio files: 28

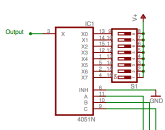
PostPosted: Sun Apr 26, 2009 4:30 am    Post subject: Reply with quote  Mark this post and the followings unread

That's nice, Mark!

Rich - I think that 4051 pattern Gen is based on this bit of circuit...


4051.bmp
 Description:
Snipped from...
http://www.milkcrate.com.au/_other/sea-moss/07_1_bit_small.gif

Download (listen)
 Filename:  4051.bmp
 Filesize:  85.38 KB
 Downloaded:  426 Time(s)


_________________
www.sdiy.org/rfeng

"I want to make these sounds that go wooo-wooo-ah-woo-woo.”
(Herb Deutsch to Bob Moog ~1963)
Back to top
View user's profile Send private message
telstarmagikistferrari



Joined: Jun 16, 2008
Posts: 280
Location: Indianapolis, Indiana
Audio files: 43

PostPosted: Mon Apr 27, 2009 9:09 am    Post subject: Reply with quote  Mark this post and the followings unread

three more samples of me messing around with RF's box. I love this thing. It really can make a wealth of different sounds. All of these rely on the R/2R ladder for the magic.


higrind.mp3
 Description:

Download (listen)
 Filename:  higrind.mp3
 Filesize:  2.76 MB
 Downloaded:  1072 Time(s)


higrind_0003.mp3
 Description:

Download (listen)
 Filename:  higrind_0003.mp3
 Filesize:  1.86 MB
 Downloaded:  1084 Time(s)


higrind_0005.mp3
 Description:

Download (listen)
 Filename:  higrind_0005.mp3
 Filesize:  1.87 MB
 Downloaded:  1066 Time(s)

Back to top
View user's profile Send private message Visit poster's website Yahoo Messenger
Display posts from previous:   
Post new topic   Reply to topic Moderators: mosc
Page 5 of 13 [311 Posts]
View unread posts
View new posts in the last week
Goto page: Previous 1, 2, 3, 4, 5, 6, 7, ..., 11, 12, 13 Next
Mark the topic unread :: View previous topic :: View next topic
 Forum index » DIY Hardware and Software » Lunettas - circuits inspired by Stanley Lunetta
Jump to:  

You cannot post new topics in this forum
You cannot reply to topics in this forum
You cannot edit your posts in this forum
You cannot delete your posts in this forum
You cannot vote in polls in this forum
You cannot attach files in this forum
You can download files in this forum


Forum with support of Syndicator RSS
Powered by phpBB © 2001, 2005 phpBB Group
Copyright © 2003 through 2009 by electro-music.com - Conditions Of Use