| Author | 
Message | 
 
Inventor
 
Stream Operator
  
  Joined: Oct 13, 2007 Posts: 6221 Location: near Austin, Tx, USA 
Audio files: 267
  | 
 Posted: Fri Jun 22, 2012 6:27 pm    Post subject:
Evolving Lunetta Subject description: A Community Project | 
       | 
 
 
  | 
 
Inspired by this thread:  
 
 
http://electro-music.com/forum/topic-54078.html
 
 
I thought it would be a fun project to design a Genetic Algorithm that makes music in Lunetta form.  I did some idea sketching-out in text form and some data sheet searches, and then i kind of stalled for lack of decision making process.  Then just now it occurred to me to see if our Lunetta community would like to work together with me on this project.  
 
 
So I propose to you the following:  I will coordinate the project, draw schematics, and actually buy the chips and build it.  You will follow the thread and chip in whatever ideas or other contributions you feel like adding.  And together we will create this thing!  
 
 
I suppose I should begin with a brief discussion of how a Genetic Algorithm works, and then we can talk about details in following posts.  I am in chat with Blue Hell right now, so I'll come back and post that description soon.  
 
 
Les _________________ "Let's make noise for peace." - Kijjaz | 
 
  | 
| 
Back to top
 | 
 | 
 
  | 
 
JingleJoe
 
  
  Joined: Nov 10, 2011 Posts: 878 Location: Lancashire, England 
Audio files: 14
  | 
 Posted: Sat Jun 23, 2012 2:00 am    Post subject:
 | 
       | 
 
 
  | 
 
Sounds marvelous   I shall help! _________________ As a mad scientist I am ruled by the dictum of science: "I could be wrong about this but lets find out"
 
 
 
Green Dungeon Alchemist Laboratories | 
 
  | 
| 
Back to top
 | 
 | 
 
  | 
 
Inventor
 
Stream Operator
  
  Joined: Oct 13, 2007 Posts: 6221 Location: near Austin, Tx, USA 
Audio files: 267
  | 
 Posted: Sat Jun 23, 2012 2:57 am    Post subject:
 | 
       | 
 
 
  | 
 
Oh goodie, JingleJoe is on-board!  We can expect good comedy if not lots of actual technical contributions from him, don't you agree?  Alrighty, here is the beginning of the promised theory.  
 
 
Genetic Algorithms are really a category of optimization algorithm which are modeled after the evolution of species.  They are useful for solving problems because what you can do is encode the problem into the algorithm and then let it plug and chug and eventually (and along the way) out pop good solutions.  We are going to encode the music as genes, binary genes in fact.  
 
 
In fact, we need a population of these genes.  We will have several identical circuits, at the core of which each has a storage register of some type to store it's genes.  If we have a population of four members, then we have four identical circuits storing their genes.  OK, we got genes - now what do we do with those genes?
 
 
Why, we do what the animals do which is live, reproduce, and die!  We can also model things like gender, health, resources, hunting ability, etc. if we like or if we feel that will help us solve our problem.  However all of that takes chips - lots of chips - and I personally do not want to wire up 100 or 1000 chips for this project.  I'm hoping to keep it below 35 maximum, preferably more like 20 if possible so we will have to minimize things.  
 
 
To begin with, our storage elements need a way to be initialized.  This represents the moment of creation, the Genesis, or the crawling out of the primordial ooze depending on what your beliefs are.  Please note that there are fascinating theological and scientific implications that we can discuss about Genetic Algorithms, but the chips don't care about that - all they need is a random bitstream generator and a way to route the bits (MUX them) into their input pins.  
 
 
Once initialized, we would like to hear what they sound like, so I'm suggesting that each member of the population have it's own music playback device.  These may be identical or unique, but I prefer identical.  It needs to be really simple and sound pretty good.  So we then have a background audio in low volume of all the channels sounding out together all at the same time and that is our song, our community chorus.  
 
 
Then we have occasionally the acts of mating and death, for which we need circuits too.  To keep it simple, we can accomplish both mating and death in one fell swoop by having the mating operation overwrite an existing third member.  So we have the audience or operator select two gene codes for mating, in they go to the humping room, er... mating circuit, and out is birthed a new member that overwrites a third one that was selected to die.  Cold, cruel, but efficient in terms of chips.  
 
 
Along the way if the selection process is good, and we have enough population members to provide genetic diversity, and our mating has both cross and mutation operators (cross selects from mama or papa for each bit of the gene code and mutation makes a random bit), then we should have an evolutionary process that will evolve the music according to the taste of the audience or operator.  
 
 
That's about it for the theory.  In practice, I see the operation of this circuit as being such that we can perform it in front of an audience (perhaps with audience participation) and also in music broadcasts on our radio station and mp3 files on our site.  Should be a blast, what do you think?  
 
 
Les _________________ "Let's make noise for peace." - Kijjaz | 
 
  | 
| 
Back to top
 | 
 | 
 
  | 
 
Inventor
 
Stream Operator
  
  Joined: Oct 13, 2007 Posts: 6221 Location: near Austin, Tx, USA 
Audio files: 267
  | 
 Posted: Sat Jun 23, 2012 3:15 am    Post subject:
 | 
       | 
 
 
  | 
 
So that was the theory and now the practical aspects come into play.  What we need is a storage element and an associated music generator.  
 
 
I have been looking at the CD40105 chip, which I think is a bit esoteric and might be hard to buy, but it is a 4 bit wide by 16 nibble deep FIFO (First In First OUT).  With that we could implement a step sequencer that had 4 bits of resolution (16 notes including the silent note if so designed) and 16 steps to it.  That would be nice for this project because the pattern repeats often enough to be very recognizable, yet there are many possible patterns (4x16 is 64 bits, or 3 Giga-songs of variety).  
 
 
Coupled with the CD4015 chip, since it has a 4 bit parallel output, could be a VCO with a 4 bit R2R ladder controlling it's frequency or we could use three bits for frequency and one for amplitude, etc.  Whatever it is it's got to be super simple because ultimately we may want 8 or 16 population members so there will be a lot of wiring.  
 
 
I could begin to go into other registers and song circuits for a few more examples before I run out of ideas, but I think I'll leave this topic open to discussion.  After all, this is a community project so we need to work together and I'm personally eager to read what YOUR ideas are!  So post now or forever hold your peace!  
 
 
Les _________________ "Let's make noise for peace." - Kijjaz | 
 
  | 
| 
Back to top
 | 
 | 
 
  | 
 
Uncle Krunkus
 
Moderator
  
  Joined: Jul 11, 2005 Posts: 4761 Location: Sydney, Australia 
Audio files: 52
 
G2 patch files: 1
  | 
 Posted: Sat Jun 23, 2012 4:58 am    Post subject:
 | 
       | 
 
 
  | 
 
The feedback from the operator on what they like and dislike could be drawn directly from the process of deciding who should die next. I know it sounds a bit gruesome, but that's what nature does. Picks off the individuals, (themes, sounds) who haven't adapted well enough (remained sonically relevant or harmonious) to the current environment (piece). What do you think? You don't need to have any other control apart from what you don't like, do you?
 
I think they should have the ability to "hear" each other, so they gain a form of communication and collaboration at the same time. Just as organic creatures each use different forms of communication. They could lock onto certain frequencies using PLLs, or react with delayed gates to create a kind of tribal rythym which might move into and out of sync with itself over time.
 
They could even extract a kind of communal clock which kept them in time with each other, just like a band of musicians, or a group of frogs, or a colony of bacteria!?   
 
Infra-red perhaps?
 
 
This is a great idea Les.
 
I'm sure I'll have more ideas later. _________________ What makes a space ours, is what we put there, and what we do there. | 
 
  | 
| 
Back to top
 | 
 | 
 
  | 
 
Uncle Krunkus
 
Moderator
  
  Joined: Jul 11, 2005 Posts: 4761 Location: Sydney, Australia 
Audio files: 52
 
G2 patch files: 1
  | 
 Posted: Sat Jun 23, 2012 5:03 am    Post subject:
 | 
       | 
 
 
  | 
 
And,........
 
If each individual unit was fairly simple/small, we could all build 1 or 2 of them, and then when any of us meet up, our electronic, musical, pets could have a jam together! All recorded and streamed onto electro-music.com   _________________ What makes a space ours, is what we put there, and what we do there. | 
 
  | 
| 
Back to top
 | 
 | 
 
  | 
 
Inventor
 
Stream Operator
  
  Joined: Oct 13, 2007 Posts: 6221 Location: near Austin, Tx, USA 
Audio files: 267
  | 
 Posted: Sat Jun 23, 2012 9:42 am    Post subject:
 | 
       | 
 
 
  | 
 
I like both of your ideas, Uncle Krunkus - the selection of which member is to die should be from a "dislike button".  But then we also have the choice of which population members are to mate and produce an offspring to take it's place - a "like button" would be required perhaps.  
 
 
We could have all the members singing at the same time (perhaps in stereo - perhaps encoded by gender, the left channel has all the left gendered people and the right has all the right gendered people?).  This simultaneous song could be at a low volume and a member to be considered for breeding or death could be raised in volume so the audience can tell what to vote.  
 
 
Then for social discourse, i suppose this communal song could be fed back into each individual's song generator to change it somehow.  Like the control levels of the song could be fed back into the VCO's R2R ladder, making each VCO sing it's own song and partially the whole.  Or some trick with a PLL, yes.  
 
 
Les _________________ "Let's make noise for peace." - Kijjaz | 
 
  | 
| 
Back to top
 | 
 | 
 
  | 
 
JingleJoe
 
  
  Joined: Nov 10, 2011 Posts: 878 Location: Lancashire, England 
Audio files: 14
  | 
 Posted: Sat Jun 23, 2012 10:24 am    Post subject:
 | 
       | 
 
 
  | 
 
Forgive me if I have overlooked some simple method of doing it, but your last suggestion there, Inventor, seems like it may have over complexified things a bit    
 
 
Seems to me like it would be simpler to make each device make it's own simple tune, I'll just put forwards some ideas; you could easily use a few of those simple VCO's I keep posting around everywhere and an R2R ladder as suggested to make a good tune. However I'd also use another bit stream to gate some of the oscillators and perhaps control something which makes rhythmic things sound good, like Draal's PLL pitch tracker. _________________ As a mad scientist I am ruled by the dictum of science: "I could be wrong about this but lets find out"
 
 
 
Green Dungeon Alchemist Laboratories | 
 
  | 
| 
Back to top
 | 
 | 
 
  | 
 
Inventor
 
Stream Operator
  
  Joined: Oct 13, 2007 Posts: 6221 Location: near Austin, Tx, USA 
Audio files: 267
  | 
 Posted: Sat Jun 23, 2012 11:38 am    Post subject:
 | 
       | 
 
 
  | 
 
I tend to agree with you Joe, I was just responding to Uncle's second idea that  there be some communal feedback into the song generators.  Perhaps that is added complexity that we do not need.  Can you suggest a Song circuit for us that is based on a four bit digital input?  
 
 
Les _________________ "Let's make noise for peace." - Kijjaz | 
 
  | 
| 
Back to top
 | 
 | 
 
  | 
 
jcintheus
 
  
  Joined: Oct 16, 2011 Posts: 59 Location: Colorado
  | 
 Posted: Sat Jun 23, 2012 12:54 pm    Post subject:
 | 
       | 
 
 
  | 
 
I can try! This may kill off both "parents" but a 4008 4-bit full adder should do the trick. This will sum two four-bit words. 
 
Maybe use the carry in and out to generate "cousins"? I suppose you could save one "parent" in a shift and store register? (4034?) | 
 
  | 
| 
Back to top
 | 
 | 
 
  | 
 
jcintheus
 
  
  Joined: Oct 16, 2011 Posts: 59 Location: Colorado
  | 
 Posted: Sat Jun 23, 2012 1:07 pm    Post subject:
 | 
       | 
 
 
  | 
 
For feedback, maybe use a 4015 with one parent routed to each register. Both routed to the storage register. 
 
Then, use the resets, clocked a 1/4 speed to decide which gets saved. Something like that, my brain's a little fried, I just got off work. 
 
These are ideas concerning the 4-bit words I assume would control a 40105, 4067, 4514, 4089, etc. | 
 
  | 
| 
Back to top
 | 
 | 
 
  | 
 
Inventor
 
Stream Operator
  
  Joined: Oct 13, 2007 Posts: 6221 Location: near Austin, Tx, USA 
Audio files: 267
  | 
 Posted: Sat Jun 23, 2012 3:06 pm    Post subject:
 | 
       | 
 
 
  | 
 
jcintheus, I definitely see some use for a CD4015 Dual 4-stage withe serial input/parallel output shift register here, if only for forming 4-bit random words from the random bit generator.  
 
 
As to using an adder in the mating process, i think you've got the right spirit but a near miss on the implementation, and I have not explained this in detail yet so forgive me.  
 
 
For mating we want two operators:  the cross operator and the mutate operator.  Actually mutation though important can be neglected at first.  Cross means we randomly select a word from either parent and repeat for the whole gene sequence.  It's the same as selecting one gene in each position from either the mother or the father.  
 
 
So for the gene storage in a CD40105 4x16FIFO for example, we would have a MUX (such as the CD4019 and or select gate) that is 4 bits wide, with the parent's output busses connected to the mud's input busses, a 16 clock cycle clock, and a random bit sequence 16 clocks long driving the MUX.  The output of the MUX would be routed to the child's input bus and the whole operation would be performed in 16 clocks.  
 
 
As to the other chips you mention, perhaps they will be useful or not but I am not sure how at this point.  
 
 
Les _________________ "Let's make noise for peace." - Kijjaz | 
 
  | 
| 
Back to top
 | 
 | 
 
  | 
 
JovianPyx
 
  
  Joined: Nov 20, 2007 Posts: 1988 Location: West Red Spot, Jupiter 
Audio files: 224
  | 
 Posted: Sat Jun 23, 2012 3:20 pm    Post subject:
 | 
       | 
 
 
  | 
 
Here is a 32 bit LFSR schematic.  It and similar ciruits with different numbers of bits are used for CRC calculations and for noise.  The shift reg taps to the XOR tree create a maximal LFSR, meaning that all possible states except for 0xFFFFFFFF appear in the shiftreg given enough clocks.  Note that this is 4,294,967,295 states.
 
 
The output here is one bit, I was using it (filtered) for audio.  You can grab as many of the bits as you like from the shift reg Q outs.
 
 
I've added a taps table.  It shows how to configure maximal sequences with N bit shift registers up 168 bits.
  
 
 
|  Description: | 
| 32 Bit LFSR - note that I have not tested the power-up reset bit. | 
 
 
 | 
 
|  Filesize: | 
 10.39 KB | 
 
|  Viewed: | 
 823 Time(s) | 
 
| This image has been reduced to fit the page. Click on it to enlarge. | 
 
  
 
  | 
 
 
 
 
 
|  Description: | 
| LFSR Tap Configurations up to 168 shift register bits. | 
 
 
 | 
 
|  Filesize: | 
 81.94 KB | 
 
|  Viewed: | 
 441 Time(s) | 
 
| This image has been reduced to fit the page. Click on it to enlarge. | 
 
  
 
  | 
 
 
 
 _________________ FPGA, dsPIC and Fatman Synth Stuff
 
 Time flies like a banana. Fruit flies when you're having fun. BTW, Do these genes make my ass look fat? corruptio optimi pessima
  Last edited by JovianPyx on Sat Jun 23, 2012 3:46 pm; edited 9 times in total | 
 
  | 
| 
Back to top
 | 
 | 
 
  | 
 
PHOBoS
 
  
  Joined: Jan 14, 2010 Posts: 5873 Location: Moon Base 
Audio files: 709
  | 
 Posted: Sat Jun 23, 2012 3:24 pm    Post subject:
 | 
       | 
 
 
  | 
 
allthough I don't really want to get involved in yet another project, I was recently testing out what i could
 
do with a CD4089 (Binary Rate Multiplier). And I think it might be usefull, maybe for the DNA, but not sure how yet.
 
 
here's a graph showing what it does
 
 
 
 
(I found it on this page which by itself might be interesting) _________________ "My perf, it's full of holes!"
 
http://phobos.000space.com/ 
 
SoundCloud BandCamp MixCloud Stickney Synthyards Captain Collider Twitch YouTube | 
 
  | 
| 
Back to top
 | 
 | 
 
  | 
 
Inventor
 
Stream Operator
  
  Joined: Oct 13, 2007 Posts: 6221 Location: near Austin, Tx, USA 
Audio files: 267
  | 
 Posted: Sat Jun 23, 2012 4:00 pm    Post subject:
 | 
       | 
 
 
  | 
 
Wow, you know that binary rate multiplier could be a digital VCO.  Just send the 4-bit value into the ABCD inputs, audio rate clock into the clock, and out comes a tone with a varying frequency - very nice find, PHOBoS.  
 
 
I am currently digesting all that wonderful LFSR info that JovianPyx posted.  I've been looking at long sequence shift registers such as the CD4562 128 bit shift register which has taps at 16, 32, 48, 64, 80, 96, 112, and 128 bits.  This combined with one CD4015 dual serial in/parallel out 4 bit shift register could allow us to implement a super long sequence.  Or we could just go with the five-chip version that JovianPyx posted.  Lots of choices here and an opportunity to do some creative digital design, what fun!  
 
 
Les _________________ "Let's make noise for peace." - Kijjaz | 
 
  | 
| 
Back to top
 | 
 | 
 
  | 
 
jcintheus
 
  
  Joined: Oct 16, 2011 Posts: 59 Location: Colorado
  | 
 Posted: Sat Jun 23, 2012 4:47 pm    Post subject:
 | 
       | 
 
 
  | 
 
You can do 26 stages with a 4006 a 74HC273 a 4070 and taps at 20, 24, 25, and 26. 
 
Taps at 26, 2, 3 ,and 7 will give you a reverse sequence, and an xnor will give the complement sequence.
 
That'll give you a 67,108,863 bit sequence. I've never heard the end of it! Not bad for three chips! | 
 
  | 
| 
Back to top
 | 
 | 
 
  | 
 
JovianPyx
 
  
  Joined: Nov 20, 2007 Posts: 1988 Location: West Red Spot, Jupiter 
Audio files: 224
  | 
 Posted: Sat Jun 23, 2012 4:56 pm    Post subject:
 | 
       | 
 
 
  | 
 
 	  | jcintheus wrote: | 	 		  You can do 26 stages with a 4006 a 74HC273 a 4070 and taps at 20, 24, 25, and 26. 
 
Taps at 26, 2, 3 ,and 7 will give you a reverse sequence, and an xnor will give the complement sequence.
 
That'll give you a 67,108,863 bit sequence. I've never heard the end of it! Not bad for three chips! | 	  
 
 
Yeah, that's why I like to keep that chart.  How long it takes to repeat depends on the clock rate.  The list I provided is maximal for all sizes shown, but there are other tap combinations that are also maximal.  There are also tap combinations that are not maximal, these will repeat after a smaller number of clocks than a maximal system would. _________________ FPGA, dsPIC and Fatman Synth Stuff
 
 Time flies like a banana. Fruit flies when you're having fun. BTW, Do these genes make my ass look fat? corruptio optimi pessima
  Last edited by JovianPyx on Sat Jun 23, 2012 5:34 pm; edited 2 times in total | 
 
  | 
| 
Back to top
 | 
 | 
 
  | 
 
jcintheus
 
  
  Joined: Oct 16, 2011 Posts: 59 Location: Colorado
  | 
 Posted: Sat Jun 23, 2012 4:59 pm    Post subject:
 | 
       | 
 
 
  | 
 
My mistake, as you can see, from the chart above, the reverse sequence taps are at 26, 6, 2, and 1!
 
That's a great chart. Thanks for posting. | 
 
  | 
| 
Back to top
 | 
 | 
 
  | 
 
Inventor
 
Stream Operator
  
  Joined: Oct 13, 2007 Posts: 6221 Location: near Austin, Tx, USA 
Audio files: 267
  | 
 Posted: Sat Jun 23, 2012 5:41 pm    Post subject:
 | 
       | 
 
 
  | 
 
Now this is the kind of teamwork I was hoping (and expecting really) to get from our electro-music.community!  I'm working on the schematic.  Here is a schematic image of the population member so far.  It's reduced down to just 1.5 chips per population member.  Datasheets are also posted.  
 
 
Les
  
 
 
|  Description: | 
 | 
 
|  Filesize: | 
 173.09 KB | 
 
|  Viewed: | 
 369 Time(s) | 
 
| This image has been reduced to fit the page. Click on it to enlarge. | 
 
  
 
  | 
 
 
 
 
 
|  Description: | 
 | 
  Download (listen) | 
 
|  Filename: | 
 cd4517b.pdf | 
 
|  Filesize: | 
 408.9 KB | 
 
|  Downloaded: | 
 364 Time(s) | 
 
 
 
 
 
|  Description: | 
 | 
  Download (listen) | 
 
|  Filename: | 
 cd4089b.pdf | 
 
|  Filesize: | 
 719.68 KB | 
 
|  Downloaded: | 
 317 Time(s) | 
 
 
 
 _________________ "Let's make noise for peace." - Kijjaz | 
 
  | 
| 
Back to top
 | 
 | 
 
  | 
 
jcintheus
 
  
  Joined: Oct 16, 2011 Posts: 59 Location: Colorado
  | 
 Posted: Sat Jun 23, 2012 5:51 pm    Post subject:
 | 
       | 
 
 
  | 
 
The 4089 won't really change the pitch of the audio frequency into the clock. The effect is more like "change in harmonic content".
 
Take a look at the above chart and notice that the frequency never changes, just the number of "clicks per sixteen" so to speak. Try it!
 
I use 4089 for rhythm variation. | 
 
  | 
| 
Back to top
 | 
 | 
 
  | 
 
attdestroyers
 
  
  Joined: Mar 29, 2012 Posts: 47 Location: Malvern, Ohio
  | 
 Posted: Sat Jun 23, 2012 5:57 pm    Post subject:
 | 
       | 
 
 
  | 
 
I finally read all of this and listened to those original tunes. It's really cool. I think this is an excellent idea. However, I'm not exactly sure how we're all supposed to contribute to this. As far as ideas, I like the idea of incorporating something that will make rhythms more interesting (pitch tracker) and also a common clock, also divisions of that clock. 
 
 
Sounds like a crazy, complicated, time consuming project to me. I'll contribute what I can. Could be cool. | 
 
  | 
| 
Back to top
 | 
 | 
 
  | 
 
attdestroyers
 
  
  Joined: Mar 29, 2012 Posts: 47 Location: Malvern, Ohio
  | 
 Posted: Sat Jun 23, 2012 6:07 pm    Post subject:
 | 
       | 
 
 
  | 
 
| Maybe all the population members don't need to be identical. | 
 
  | 
| 
Back to top
 | 
 | 
 
  | 
 
Inventor
 
Stream Operator
  
  Joined: Oct 13, 2007 Posts: 6221 Location: near Austin, Tx, USA 
Audio files: 267
  | 
 Posted: Sat Jun 23, 2012 6:23 pm    Post subject:
 | 
       | 
 
 
  | 
 
 	  | attdestroyers wrote: | 	 		  | Maybe all the population members don't need to be identical. | 	  
 
 
I was thinking about that, and yeah that's a good idea because some could have totally different song generators.  Like male and female, where the range of notes produced by the voice tends to be higher for a female and lower for a male, or like racial differences or cultural influences, things that could affect the type of music that tended to be generated.  Or perhaps one is a keyboard player and one is a drum player.  I can see a use for that CD4011 drum circuit here for example.  Really we should pool the "best" or a representative set of our Lunetta digitally controlled audio generators in this endeavor.  
 
 
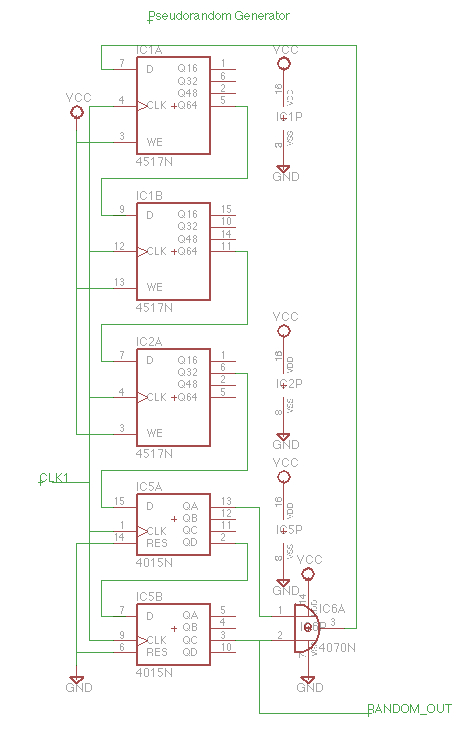
I tried to max out the sequence length and I found a four-chip implementation of a 167 bit sequence, schematic and additional data sheets attached.  
 
 
Les
  
 
 
|  Description: | 
 | 
 
|  Filesize: | 
 130.35 KB | 
 
|  Viewed: | 
 317 Time(s) | 
 
| This image has been reduced to fit the page. Click on it to enlarge. | 
 
  
 
  | 
 
 
 
 
 
|  Description: | 
 | 
  Download (listen) | 
 
|  Filename: | 
 cd4015b.pdf | 
 
|  Filesize: | 
 736.32 KB | 
 
|  Downloaded: | 
 257 Time(s) | 
 
 
 
 
 
|  Description: | 
 | 
  Download (listen) | 
 
|  Filename: | 
 CD4070.pdf | 
 
|  Filesize: | 
 163.76 KB | 
 
|  Downloaded: | 
 292 Time(s) | 
 
 
 
 _________________ "Let's make noise for peace." - Kijjaz | 
 
  | 
| 
Back to top
 | 
 | 
 
  | 
 
Inventor
 
Stream Operator
  
  Joined: Oct 13, 2007 Posts: 6221 Location: near Austin, Tx, USA 
Audio files: 267
  | 
 Posted: Sat Jun 23, 2012 6:29 pm    Post subject:
 | 
       | 
 
 
  | 
 
 	  | jcintheus wrote: | 	 		  The 4089 won't really change the pitch of the audio frequency into the clock. The effect is more like "change in harmonic content".
 
Take a look at the above chart and notice that the frequency never changes, just the number of "clicks per sixteen" so to speak. Try it!
 
I use 4089 for rhythm variation. | 	  
 
 
Yes I thought of this but did not mention it in my haste, you said it quite well with that description "shane in harmonic content".  But in some cases the pitch is changed, for example at ABCD = 1000 we have the fundamental frequency at half of the clock rate, but also harmonic content at the clock rate and multiples of the fundamental.  So yeah, you are right.  I propose we make one of our sound generators be this chip, and look at some others.  
 
 
Does anyone know how to generate actual notes this way?  or logarithms?
 
 
Les _________________ "Let's make noise for peace." - Kijjaz | 
 
  | 
| 
Back to top
 | 
 | 
 
  | 
 
jcintheus
 
  
  Joined: Oct 16, 2011 Posts: 59 Location: Colorado
  | 
 Posted: Sat Jun 23, 2012 6:49 pm    Post subject:
 | 
       | 
 
 
  | 
 
You might use a 4526 presettable divide by-n-counter. 
 
Use "ABCD" to control the D inputs. Connect "0" to PE and take your output from that loop (pin 3 or 12) 
 
This should divide the clock by what ever number is at the D inputs.
 
http://www.futurlec.com/4000Series/CD4526.shtml | 
 
  | 
| 
Back to top
 | 
 | 
 
  | 
 
 |