| Author |
Message |
vladosh

Joined: Aug 02, 2010 Posts: 679 Location: macedonia
Audio files: 51
|
Posted: Wed Jan 30, 2013 3:15 am Post subject:
|
 |
|
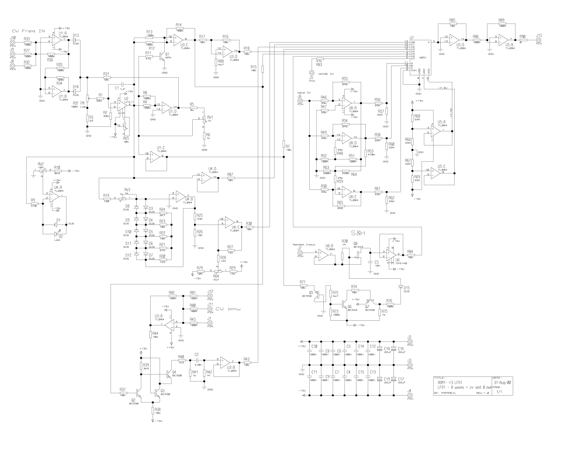
CMOS based LFO from Thomas Henry featured in Polyphony Magazine
| Description: |
|
| Filesize: |
2.18 MB |
| Viewed: |
1434 Time(s) |
| This image has been reduced to fit the page. Click on it to enlarge. |

|
| Description: |
|
| Filesize: |
2.46 MB |
| Viewed: |
1852 Time(s) |
| This image has been reduced to fit the page. Click on it to enlarge. |

|
|
|
|
Back to top
|
|
 |
vladosh

Joined: Aug 02, 2010 Posts: 679 Location: macedonia
Audio files: 51
|
Posted: Wed Jan 30, 2013 3:40 am Post subject:
|
 |
|
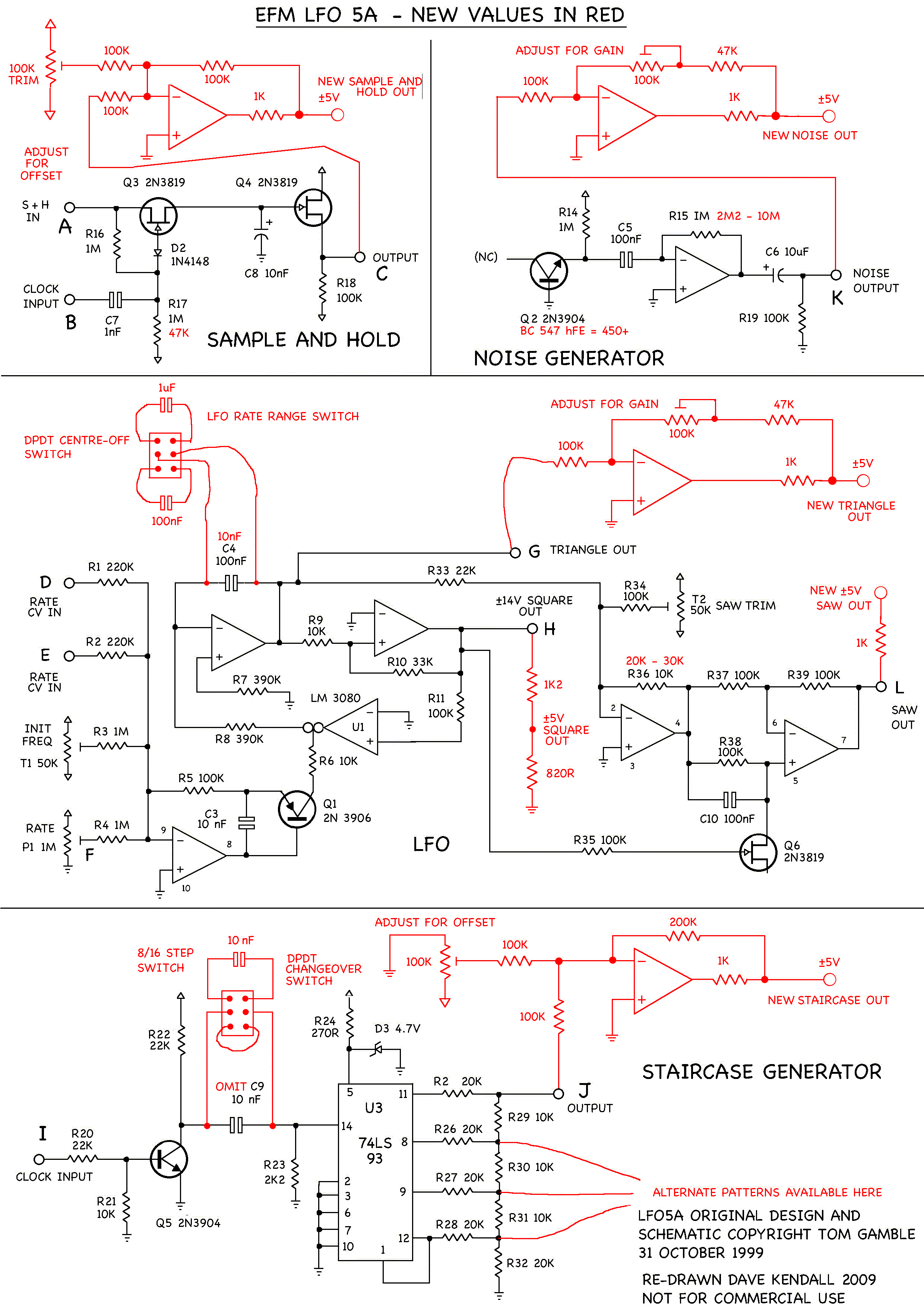
Magic Smoke LFO ,design by Tim Servo , more on this thread : http://electro-music.com/forum/topic-32372.html as he explains : Here's one of the LFOs I've cooked up recently. This runs on a +/-15V supply and puts out standard +/-5V outputs. For the most part, it's a basic triangle oscillator built around a comparator and an integrator. I wanted something with a LOT more range than the other LFOs I was finding, so I made a few tweaks and came up with a design I really liked. This one goes from 0.017Hz (1 cycle / 60 seconds) to 150Hz, or a factor of 8,800:1 (hence the name).
A few points:
1) You can use Linear pots for the tuning controls, but it's MUCH easier to make fine changes in the lower portion of the range with Audio taper pots.
2) You can eliminate the Fine Tune control if you want. This reduces the range to 0.033Hz to 150Hz (approx 4,400 : 1) but this will probably do the trick for many applications.
3) The Fine Tune pot is set up so that it really does have less range than the Coarse Tune. When Coarse is at maximum, Fine will adjust from 50Hz to 150Hz. When Coarse is at minimum, Fine will adjust from 60 sec/cycle to 30 sec/cycle.
4) The timing cap can be found in polystyrene (23PS233 or 23PW233 from Mouser) if you want the best frequency stability, but you can also sub a film cap or other type. 3300pF works out to 3.3nF or .0033uF
I'll be making a few additions to this (sync, additional waveforms, Indicator LEDs), but the basic core will remain the same. Any thoughts?
Tim (got my LFO hat on) Servo
and about the waveshaper add on :Here's a coupla add-ons for the 8K LFO. The first (TSW) uses the Tri and Square to make a Saw, or even a 2X Saw. The second (TSQ) takes a Tri and puts out a wave that is continuously variable from Tri to Square, with a "Trapezoid" shape in the middle. You can even take the output of the TSQ and put it into the TSW, and now you have a Tri to Square on one output and a Saw to Square on the other (both varied at the same time with the Waveshape control on the TSQ). By the way, a 1458 or other "low bandwidth" op amp works a little better for the TSW because it helps minimize the glitch in the reconstructed Saw output. I've got some more add ons that I'm still working on, but I thought I'd throw these out here because these variable outputs are so much fun.
Tim (also looks like a trapezoid in the middle) Servo
| Description: |
|
| Filesize: |
73.21 KB |
| Viewed: |
2336 Time(s) |
| This image has been reduced to fit the page. Click on it to enlarge. |

|
| Description: |
|
| Filesize: |
80.88 KB |
| Viewed: |
1817 Time(s) |
| This image has been reduced to fit the page. Click on it to enlarge. |

|
| Description: |
|
| Filesize: |
97.82 KB |
| Viewed: |
1253 Time(s) |
| This image has been reduced to fit the page. Click on it to enlarge. |

|
|
|
|
Back to top
|
|
 |
vladosh

Joined: Aug 02, 2010 Posts: 679 Location: macedonia
Audio files: 51
|
|
|
Back to top
|
|
 |
vladosh

Joined: Aug 02, 2010 Posts: 679 Location: macedonia
Audio files: 51
|
|
|
Back to top
|
|
 |
vladosh

Joined: Aug 02, 2010 Posts: 679 Location: macedonia
Audio files: 51
|
Posted: Wed Jan 30, 2013 4:09 am Post subject:
|
 |
|
3 Phase LFO originally by Rene Schmitz ,redrawn and adapted with pcb layout by Motohiko Takeda ,added vca buffers ,page here : http://www.aleph.co.jp/~takeda/radio/homemadesynth.html
| Description: |
|
| Filesize: |
575.18 KB |
| Viewed: |
1498 Time(s) |
| This image has been reduced to fit the page. Click on it to enlarge. |

|
| Description: |
|
| Filesize: |
10.48 KB |
| Viewed: |
1451 Time(s) |
| This image has been reduced to fit the page. Click on it to enlarge. |

|
| Description: |
|
| Filesize: |
12.83 KB |
| Viewed: |
1634 Time(s) |
| This image has been reduced to fit the page. Click on it to enlarge. |

|
|
|
|
Back to top
|
|
 |
vladosh

Joined: Aug 02, 2010 Posts: 679 Location: macedonia
Audio files: 51
|
Posted: Wed Jan 30, 2013 4:53 am Post subject:
|
 |
|
Controller LFO by Thomas Henry ,the whole thread is here featuring an article on it http://electro-music.com/forum/topic-54665.html ,from Thomas Henry himself : Hi gang,
Well here we go again with another project. This really is the best LFO I've done to date, from a musical point of view. There are lots of features and its behavior is very smooth on all fronts, if that makes sense.
Also included is a complete article I wrote up for it. I had originally intended this to go to a magazine, but somehow things got in the way.
As usual, I would appreciate it if you keep this stuff for your own personal use and not pass it around or try to go commercial with it. Always link back to the source in EM. Get in touch if you feel the need to do a PCB or something.
Dig in!
Thomas Henry
make sure you check : http://www.birthofasynth.com/ for more Thomas Henry designs as well as his Books on Synthesizer construction at Magic Smoke http://www.magsmoke.com/thomas_henry_books.asp
| Description: |
|
| Filesize: |
130.05 KB |
| Viewed: |
1356 Time(s) |
| This image has been reduced to fit the page. Click on it to enlarge. |

|
| Description: |
|
| Filesize: |
101.42 KB |
| Viewed: |
1280 Time(s) |
| This image has been reduced to fit the page. Click on it to enlarge. |

|
| Description: |
|
| Filesize: |
33.68 KB |
| Viewed: |
1120 Time(s) |
| This image has been reduced to fit the page. Click on it to enlarge. |

|
| Description: |
|
| Filesize: |
78.28 KB |
| Viewed: |
1152 Time(s) |
| This image has been reduced to fit the page. Click on it to enlarge. |

|
Last edited by vladosh on Sat Feb 02, 2013 11:34 am; edited 1 time in total |
|
|
Back to top
|
|
 |
vladosh

Joined: Aug 02, 2010 Posts: 679 Location: macedonia
Audio files: 51
|
Posted: Wed Jan 30, 2013 5:55 am Post subject:
|
 |
|
LFO by Juan Bermudez from his Book on Synthesizer construction : Nueva Genration de instrumentos musicales Electronicos which is freely available on the web in Italian
| Description: |
|
| Filesize: |
1.56 MB |
| Viewed: |
1249 Time(s) |
| This image has been reduced to fit the page. Click on it to enlarge. |

|
| Description: |
|
| Filesize: |
963.68 KB |
| Viewed: |
1397 Time(s) |
| This image has been reduced to fit the page. Click on it to enlarge. |

|
|
|
|
Back to top
|
|
 |
vladosh

Joined: Aug 02, 2010 Posts: 679 Location: macedonia
Audio files: 51
|
|
|
Back to top
|
|
 |
vladosh

Joined: Aug 02, 2010 Posts: 679 Location: macedonia
Audio files: 51
|
|
|
Back to top
|
|
 |
vladosh

Joined: Aug 02, 2010 Posts: 679 Location: macedonia
Audio files: 51
|
|
|
Back to top
|
|
 |
vladosh

Joined: Aug 02, 2010 Posts: 679 Location: macedonia
Audio files: 51
|
|
|
Back to top
|
|
 |
vladosh

Joined: Aug 02, 2010 Posts: 679 Location: macedonia
Audio files: 51
|
|
|
Back to top
|
|
 |
vladosh

Joined: Aug 02, 2010 Posts: 679 Location: macedonia
Audio files: 51
|
|
|
Back to top
|
|
 |
vladosh

Joined: Aug 02, 2010 Posts: 679 Location: macedonia
Audio files: 51
|
Posted: Wed Jan 30, 2013 8:17 am Post subject:
|
 |
|
Voltage controlled low frequency oscillator by Yves Usson ,details on the construction on his page : http://yusynth.net/Modular/index_en.html ,from there : This module is a very useful utilty module in a modular synthesizer. It provides low frequency signals with different waveshapes that can be used to modulate and control many other modules. Another interesting feature of such a module is that its oscillation rate can be controlled by a CV.
In this version, the frequency can be set with the RATE knob between 0.1Hz (10s repetition rate) and 100Hz (0.01s repetition rate) or between 0.01Hz (100s rate) and 10 Hz, depending on the rate switch.
The frequency can be modulated in an exponential manner using the FM socket, the FM level knob let us control the amount of modulation.
| Description: |
|
| Filesize: |
134.71 KB |
| Viewed: |
1498 Time(s) |
| This image has been reduced to fit the page. Click on it to enlarge. |

|
| Description: |
|
| Filesize: |
204.36 KB |
| Viewed: |
1300 Time(s) |
| This image has been reduced to fit the page. Click on it to enlarge. |

|
|
|
|
Back to top
|
|
 |
vladosh

Joined: Aug 02, 2010 Posts: 679 Location: macedonia
Audio files: 51
|
|
|
Back to top
|
|
 |
vladosh

Joined: Aug 02, 2010 Posts: 679 Location: macedonia
Audio files: 51
|
Posted: Wed Jan 30, 2013 9:25 am Post subject:
|
 |
|
Digisound Modular CEM3340 based V.C. LFO ,the whole construction document for this and other Digisound modules is available on the site : http://www.digisound80.co.uk/digisound/modules/modules.htm in the description stands: Voltage Controlled Low Frequency Oscillator based on CEM 3340.
Same features as 80-2 VCO but operating in the range 0.2Hz to 205Hz. This range can be altered easily to suit specific needs. The total capability is about 500,000 : 1 by using CVs in conjunction with manual control.
| Description: |
|
| Filesize: |
1.32 MB |
| Viewed: |
1117 Time(s) |
| This image has been reduced to fit the page. Click on it to enlarge. |

|
| Description: |
|
| Filesize: |
594.4 KB |
| Viewed: |
1588 Time(s) |
| This image has been reduced to fit the page. Click on it to enlarge. |

|
| Description: |
|
| Filesize: |
513.51 KB |
| Viewed: |
1167 Time(s) |
| This image has been reduced to fit the page. Click on it to enlarge. |

|
|
|
|
Back to top
|
|
 |
vladosh

Joined: Aug 02, 2010 Posts: 679 Location: macedonia
Audio files: 51
|
|
|
Back to top
|
|
 |
vladosh

Joined: Aug 02, 2010 Posts: 679 Location: macedonia
Audio files: 51
|
|
|
Back to top
|
|
 |
vladosh

Joined: Aug 02, 2010 Posts: 679 Location: macedonia
Audio files: 51
|
|
|
Back to top
|
|
 |
vladosh

Joined: Aug 02, 2010 Posts: 679 Location: macedonia
Audio files: 51
|
|
|
Back to top
|
|
 |
vladosh

Joined: Aug 02, 2010 Posts: 679 Location: macedonia
Audio files: 51
|
Posted: Thu Jan 31, 2013 3:01 am Post subject:
|
 |
|
Simple dual A(S)R by Strazdas ,following this thread http://electro-music.com/forum/topic-50401.html as it's noted : Idea is taken from old russian Radio 1992 magazine, but adopted to modern modular needs .
All diodes n4148.
With trimmers R13, R20 you set max EG voltage (you may vary from near 15V to 0V).
Timing caps are C2 & C4 (tantalum are best), but you can change them for your needs or make switch for different timing eg. FAST-SLOW-MEDIUM as shown in MFOS dual EG.
With R1 and R2 you set GATE voltage (now it's +0,9V), for ±12V users calculate your own needs.
Will work with ±12V PSU.
NOT TESTED! but breadboarded and tested with +8V with no op-amps as on original schematics (it uses russian K176 series CMOS with operational voltage max +9V)
This is V2 of this Envelope Generator .
| Description: |
|
| Filesize: |
565.65 KB |
| Viewed: |
1395 Time(s) |
| This image has been reduced to fit the page. Click on it to enlarge. |

|
| Description: |
|
| Filesize: |
364.76 KB |
| Viewed: |
1147 Time(s) |
| This image has been reduced to fit the page. Click on it to enlarge. |

|
| Description: |
|
| Filesize: |
646.48 KB |
| Viewed: |
1167 Time(s) |
| This image has been reduced to fit the page. Click on it to enlarge. |

|
|
|
|
Back to top
|
|
 |
vladosh

Joined: Aug 02, 2010 Posts: 679 Location: macedonia
Audio files: 51
|
|
|
Back to top
|
|
 |
vladosh

Joined: Aug 02, 2010 Posts: 679 Location: macedonia
Audio files: 51
|
|
|
Back to top
|
|
 |
vladosh

Joined: Aug 02, 2010 Posts: 679 Location: macedonia
Audio files: 51
|
|
|
Back to top
|
|
 |
vladosh

Joined: Aug 02, 2010 Posts: 679 Location: macedonia
Audio files: 51
|
Posted: Thu Jan 31, 2013 4:14 am Post subject:
|
 |
|
Presented as one of the Snappiest ADSR EG in the World ,Roland 100M 140 Envelope generator , from this thread : http://www.electro-music.com/forum/topic-24627-25.html ,layouts kindly shared by frequencycentral visit his site for more details and PCB's http://www.frequencycentral.co.uk
| Description: |
|
| Filesize: |
13.6 KB |
| Viewed: |
70435 Time(s) |

|
| Description: |
|
| Filesize: |
119.56 KB |
| Viewed: |
1439 Time(s) |
| This image has been reduced to fit the page. Click on it to enlarge. |

|
| Description: |
|
| Filesize: |
53.59 KB |
| Viewed: |
1639 Time(s) |
| This image has been reduced to fit the page. Click on it to enlarge. |

|
|
|
|
Back to top
|
|
 |
|