| Author |
Message |
LektroiD

Joined: Aug 23, 2008 Posts: 1019 Location: Scottish Borders
Audio files: 2
G2 patch files: 2
|
Posted: Tue Aug 09, 2016 6:26 am Post subject:
|
 |
|
Has anyone done stripbaord layouts of the Clap, Toms, Rim or Clave? _________________ LektroiD |
|
|
Back to top
|
|
 |
LektroiD

Joined: Aug 23, 2008 Posts: 1019 Location: Scottish Borders
Audio files: 2
G2 patch files: 2
|
Posted: Wed Aug 10, 2016 1:11 pm Post subject:
|
 |
|
On further inspection of the schematic, the Clap may be quite difficult as it requires an obsolete BA662A VCA chip, has anyone reverse engineered this chip? _________________ LektroiD |
|
|
Back to top
|
|
 |
elmegil

Joined: Mar 20, 2012 Posts: 2179 Location: Chicago
Audio files: 16
|
Posted: Wed Aug 10, 2016 1:55 pm Post subject:
|
 |
|
| I've seen other people making related voice cards for Euro etc use 3080's in place of the BA662s.... Not sure how much other glue circuitry is required though. |
|
|
Back to top
|
|
 |
LektroiD

Joined: Aug 23, 2008 Posts: 1019 Location: Scottish Borders
Audio files: 2
G2 patch files: 2
|
Posted: Thu Aug 11, 2016 9:18 am Post subject:
|
 |
|
| elmegil wrote: | | I've seen other people making related voice cards for Euro etc use 3080's in place of the BA662s.... Not sure how much other glue circuitry is required though. |
If you manage to find a schematic for any of these clones, that would be great, but I can't seem to work out how? The BA662A has 9 pins (and uses them all), whereas the CA3080 only has 8.
I have been scouring the web for the past couple of days trying to get to the bottom of this problem, without spending out on an obsolete chip for my project (which I could possibly blow whilst experimenting).
The closest I've been was a page about a Stereoping clone, which was based on the MB-808 schematic, and uses the CA3080, but the link to the schematic was dead, and no such schematic seems to appear to be available anywhere...
There was a pinout mapping here, but only mentions 6 pins, and as I've mentioned, all 9 need to be connected.
I feel I'm just chasing my tail. I'm really at a loss with this...
| Description: |
|
| Filesize: |
27.79 KB |
| Viewed: |
34187 Time(s) |

|
_________________ LektroiD |
|
|
Back to top
|
|
 |
elmegil

Joined: Mar 20, 2012 Posts: 2179 Location: Chicago
Audio files: 16
|
|
|
Back to top
|
|
 |
elmegil

Joined: Mar 20, 2012 Posts: 2179 Location: Chicago
Audio files: 16
|
|
|
Back to top
|
|
 |
wackelpeter
Joined: May 05, 2013 Posts: 461 Location: germany
Audio files: 10
|
Posted: Thu Aug 18, 2016 11:14 pm Post subject:
|
 |
|
I've built the Roland 121 VCF on stripboard some time ago and the original layout also featured some of those BA6... OTA. I replaced them with LM13700 and it worked...
The only difference will be the buffer but i have no idea what pin 4 is doing on the BA662... _________________ https://soundcloud.com/bastian-j |
|
|
Back to top
|
|
 |
-minus-
Joined: Oct 26, 2008 Posts: 787
Audio files: 13
|
Posted: Thu Oct 13, 2016 1:35 pm Post subject:
|
 |
|
I did see that and contacted The Playground. I think it was an honest mistake. They had no idea it was a strip board layout; it was assumed it was a screen grab of a drum pattern. Warren Morris, Director of The Playground was apologetic and actually offered to pay me for the use, which I happily accepted. Nice to see some good people out there! So shines a good deed in a weary World... |
|
|
Back to top
|
|
 |
elmegil

Joined: Mar 20, 2012 Posts: 2179 Location: Chicago
Audio files: 16
|
Posted: Thu Oct 13, 2016 4:24 pm Post subject:
|
 |
|
That's quite awesome, actually  |
|
|
Back to top
|
|
 |
lysergist
Joined: Jan 14, 2016 Posts: 36 Location: France
Audio files: 2
|
Posted: Tue Oct 18, 2016 10:08 am Post subject:
|
 |
|
| Someone for the Toms/Claves and Clap ? ^^ |
|
|
Back to top
|
|
 |
elmegil

Joined: Mar 20, 2012 Posts: 2179 Location: Chicago
Audio files: 16
|
Posted: Tue Oct 18, 2016 10:42 am Post subject:
|
 |
|
| The toms ought to be doable, but the problem with the clap is it uses a BA662 OTA that is unobtanium. There is a clone out there you can build with discrete SMT, but I would think that's perhaps overkill. |
|
|
Back to top
|
|
 |
lysergist
Joined: Jan 14, 2016 Posts: 36 Location: France
Audio files: 2
|
Posted: Wed Oct 26, 2016 12:25 pm Post subject:
|
 |
|
Lol ok i realise i already have the 808 Toms clone, the AteOhAte Toms from Hex-Inverter. I thought it was a different circuit because i'm not satisfied with the sound but i've checked the schematics and it's the same than the original. I guess the major differences are coming from the transistors.
About the clap, the Yocto uses BA6110 instead of BA662. I'll check if i can make a stripboard design based on the yocto schematic, using a BA6110. Last edited by lysergist on Tue Nov 01, 2016 4:50 pm; edited 3 times in total |
|
|
Back to top
|
|
 |
lysergist
Joined: Jan 14, 2016 Posts: 36 Location: France
Audio files: 2
|
Posted: Sun Oct 30, 2016 10:41 am Post subject:
|
 |
|
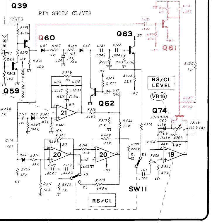
I've done a stripboard version of the Rimshot/Clave, it worked like a charm at first attempt.
At first attempt i didn't incorporate the red section, it's a muting circuit that allows signal to pass through the opamp only when triggered, it looked optionnal at first, no signal leaking hearable, but when i put the rimshot through an overdrive we could easily hear the noise source. Now i guess that's the utility of the muting circuit, that is not necessary in other voices.
So if you don't have 2SK30A or equivalent you can omit this part (with Q61, C112, C113, R305 and R327), it won't be problematic until you pass your rim through an overdrive.
Here's a short video clip with the rimshot/clave breadboarded. Now the clap and i'm complete !
https://youtu.be/TLfwnosA9js
| Description: |
|
| Filesize: |
76.59 KB |
| Viewed: |
639 Time(s) |
| This image has been reduced to fit the page. Click on it to enlarge. |

|
| Description: |
|
| Filesize: |
285.13 KB |
| Viewed: |
946 Time(s) |
| This image has been reduced to fit the page. Click on it to enlarge. |

|
Last edited by lysergist on Tue Jul 11, 2017 4:45 pm; edited 16 times in total |
|
|
Back to top
|
|
 |
elmegil

Joined: Mar 20, 2012 Posts: 2179 Location: Chicago
Audio files: 16
|
Posted: Sun Oct 30, 2016 11:08 am Post subject:
|
 |
|
| So black is ground and yellow is -V? |
|
|
Back to top
|
|
 |
lysergist
Joined: Jan 14, 2016 Posts: 36 Location: France
Audio files: 2
|
Posted: Sun Oct 30, 2016 11:09 am Post subject:
|
 |
|
| Yes, edited. The components are labelled the same as the original Roland schematics to make it more readable. It's very fresh, i hope there's no huge mistake. I'll test it tomorrow. |
|
|
Back to top
|
|
 |
lysergist
Joined: Jan 14, 2016 Posts: 36 Location: France
Audio files: 2
|
Posted: Wed Nov 02, 2016 9:51 am Post subject:
|
 |
|
"Normally conducting Q74 remains off only while trigger pulse is transferred from Q61 to allow IC 19 to pass signals. The switching is is provided to eliminate noise leaking from IC20 especially for CL - relatively large amount, being wired for high Q."
Ok so this part is not significant and could be easily deleted. I try the stripboard as soon as possible. I've edited the first post, there's a little video clip with the breadboarded rimshot |
|
|
Back to top
|
|
 |
azot
Joined: Mar 22, 2008 Posts: 14 Location: ukraine
|
Posted: Sun Nov 06, 2016 4:57 am Post subject:
|
 |
|
| Hi folks! I wonder if anyone tried to implement the closed hat decay mod? |
|
|
Back to top
|
|
 |
lysergist
Joined: Jan 14, 2016 Posts: 36 Location: France
Audio files: 2
|
Posted: Sun Nov 06, 2016 9:53 am Post subject:
|
 |
|
Closed hat decay ? Never seen this mod. By definition the closed hat becomes an open hat if you increases the decay. Do you want your closed hat being an open hat ?
There are some mods here you can check
http://www.e-licktronic.com/forum/viewtopic.php?f=18&t=143 |
|
|
Back to top
|
|
 |
azot
Joined: Mar 22, 2008 Posts: 14 Location: ukraine
|
|
|
Back to top
|
|
 |
lysergist
Joined: Jan 14, 2016 Posts: 36 Location: France
Audio files: 2
|
Posted: Sun Dec 11, 2016 12:56 am Post subject:
|
 |
|
| Ok now I know what you mean sorry ! Should be an easy and useful mod ! |
|
|
Back to top
|
|
 |
LektroiD

Joined: Aug 23, 2008 Posts: 1019 Location: Scottish Borders
Audio files: 2
G2 patch files: 2
|
Posted: Tue Dec 13, 2016 7:11 pm Post subject:
|
 |
|
| lysergist wrote: | I've done a stripboard version of the Rimshot/Clave, it worked like a charm at first attempt.
I removed the RED part as it wasn't necessary, it's for the mute section.
Here's a short video clip with the rimshot/clave breadboarded. Now the clap and i'm complete !
https://youtu.be/TLfwnosA9js |
Do you happen to have a wiring diagram for the switch?
 _________________ LektroiD |
|
|
Back to top
|
|
 |
lysergist
Joined: Jan 14, 2016 Posts: 36 Location: France
Audio files: 2
|
|
|
Back to top
|
|
 |
LektroiD

Joined: Aug 23, 2008 Posts: 1019 Location: Scottish Borders
Audio files: 2
G2 patch files: 2
|
Posted: Wed Dec 14, 2016 12:23 pm Post subject:
|
 |
|
| lysergist wrote: | Hope it's clear, i don't really know all types of switches names, but i can say it's a ON-ON switch. I always test it before soldering.
There's just a little gap of around 1sec when switching from clave to rimshot, i don't know why. I guess this 1 sec latency comes from a charging capacitor. I never tested a true 808 so i can't tell if it's a normal behaviour or not. No latency while switching from rimshot to clave. |
Thank you so much for this! Switch type is DPDT _________________ LektroiD |
|
|
Back to top
|
|
 |
lysergist
Joined: Jan 14, 2016 Posts: 36 Location: France
Audio files: 2
|
|
|
Back to top
|
|
 |
elmegil

Joined: Mar 20, 2012 Posts: 2179 Location: Chicago
Audio files: 16
|
Posted: Tue Apr 11, 2017 8:30 pm Post subject:
|
 |
|
So.... I think R368 in your diagram is connected to the wrong side of Q73?
And there are two D68's.... the lower one near Q73 ought to be D70 I believe. |
|
|
Back to top
|
|
 |
|