|
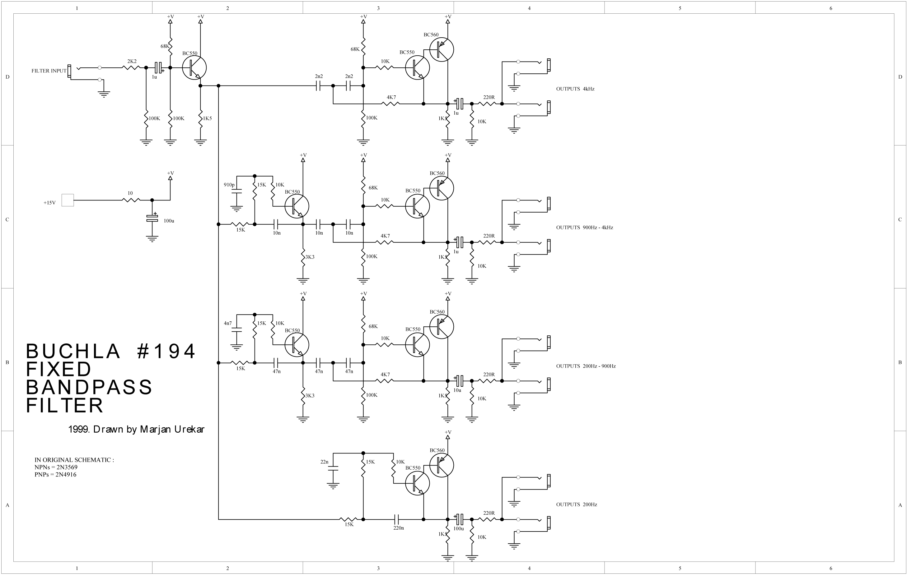
Schematics / Buchla 194 Fixed Filter Redrawn By Marjan Urekar
< Diode Waveshaper by Jim Patchell | Schematics | Hip Bass drum by Craig Anderton > DIY | Filter | Fixed filter | Marjan Urekar | Nardu Buchla 194 Fixed Filter ,redrawn by Marjan Urekar , stripboard layout by Nardu from this thread : http://www.electro-music.com/forum/viewtopic.php?p=377289#377289 ![]() ![]()
< Diode Waveshaper by Jim Patchell | Schematics | Hip Bass drum by Craig Anderton > |
Edit - History - Print - Recent Changes - Search Page last modified on 2013-02-24 17:47 [UTC-7] - 6261 views