| Author |
Message |
wetterberg
Joined: Jun 27, 2008 Posts: 48 Location: denmark
|
Posted: Wed May 20, 2009 1:57 pm Post subject:
|
 |
|
| Scott Stites wrote: | Thanks, guys.
No, the sequencer is not part of the standard feature set, but, as it is now, it's a fairly simple circuit. I've just got the stage selection in; ... In the meantime, I can post the schems of what I have now - it's pretty straight-forward. | oh yes please!!! I've been looking for a simple VC address circuit  |
|
|
Back to top
|
|
 |
Scott Stites
Janitor


Joined: Dec 23, 2005 Posts: 4127 Location: Mount Hope, KS USA
Audio files: 96
|
Posted: Wed May 20, 2009 3:10 pm Post subject:
|
 |
|
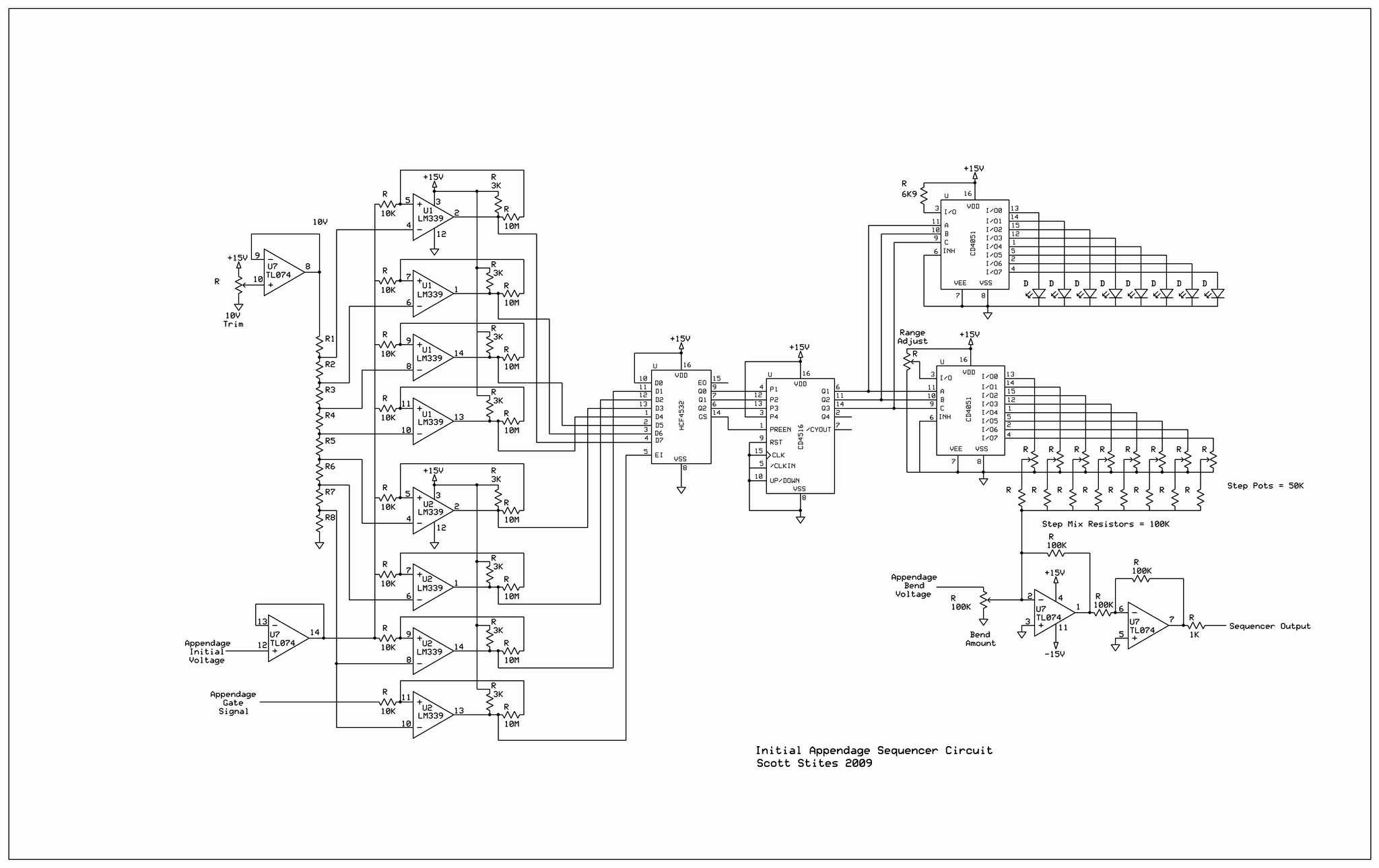
Sure, no prob. I don't think everything in this circuit will be needed by a CV address system - it's sort of Appendage-centric, but it'll probably get you pointed in the direction you want to go.
This is just a quick "Is this worth it?" validation - I wanted to see if the concept was worth the effort (I certainly think it is). So, stuff like how the 10V reference and range control are implemented are just expedient contrivances. Same thing goes with the CD4516 config - the hooks are there for clocking, direction, etc, but not installed. I just wanted to see if the addressing was a good thing to have.
I'm not crazy about the LM339 performance here. The hysteresis values were taken straight from the datasheet, but on the decision points between steps the 339 still can break into oscillation if you hit the exact point on the ribbon. I'll probably look at going in a different direction there (I went with LM339s because I have a bunch of 'em). Heck, maybe an LM3914 in bar-graph mode would work. In any event, the direction I'm headed is to incorporate this into a linked/synchronized 8X2/16X1 sequencer that I actually designed back before the Klee. May not be necessary, because Bill is a whiz with programmed parts.
6K9 is my value for my low level LEDs; it can be any value you like that drives an LED to the brightness of your hearts desire. The resistor string is made up of 10K resistors, BTW (I neglected to put that value on the schematic).
In any event, this is the exact circuit I used on the last two videos.
Cheerios,
Scott
| Description: |
| Appendage Sequence Initial Schematic |
|
| Filesize: |
140.65 KB |
| Viewed: |
471 Time(s) |
| This image has been reduced to fit the page. Click on it to enlarge. |

|
_________________ My Site |
|
|
Back to top
|
|
 |
TekniK

Joined: Aug 10, 2008 Posts: 1059
|
Posted: Wed May 20, 2009 3:23 pm Post subject:
|
 |
|
the direction i saw with the option is that u can use the(or several) ribon controllers like a serge tkb where u can 'glide' between the zones like u can on a tkb.
I already imagine me to have 4 of these in front of me
an amazing good idea those zones per pitch implement |
|
|
Back to top
|
|
 |
Scott Stites
Janitor


Joined: Dec 23, 2005 Posts: 4127 Location: Mount Hope, KS USA
Audio files: 96
|
Posted: Wed Jul 15, 2009 2:03 pm Post subject:
Subject description: Appendage Meets MIDI Meets IKC |
 |
|
According to some guy by the name of State Machine, his Appendage has gone MIDI (I'm sooo glad I named the thing "Appendage" ).
He sent the proto-group an email a couple of days ago:
| Quote: | I am excited to say that I tested the MIDIfication (Phase 1) of my Appendage tonight and I am very excited about this. I setup up the Appendage along side my computer rig running Ableton LIVE and an instance of Spectrasonics Omnisphere "power synthesizer"on a MIDI track. I then patched the Appendage MIDI OUTPUT to my Novation MIDI interface, Port 1, connector and set the channel to accept MIDI data from this port at the channel set by the Appendage digital MCC unit. I used "MIDI -OX" for MIDI data analysis to view the incoming data from this MIDI port along side my sequencer. The analog MIX OUT of the Appendage is "normaled" on my panel to the CV input of the CV2MIDI adapter as well as the GATE OUTPUT to the GATE input of the CV2MIDI adapter. They can, however, be patched over from other sources by simply inserting a jack. It was tuning time. As I viewed the MIDI note data and tapped the low and high points of the ribbon, I adjusted the INIT & OFFSET controls to set a 2 or 3 octave span across the ribbon, 24 or 36 counts respectively.
The fun then began !!! I layered 3 patches at a time in Omnisphere and played for about 3 hours straight !!!!!!! Holy cow what fun that is ..... Scott, your Appendage and my CV2MIDI adapter work so well together !!! This is so much fun playing my digital and analog synths using a single RIBBON CONTROLLER. Now with this AND the IKC, I can simultaneously control my analog and digital gear .... This whole thing sunk into one big package will be soooo cool !!! The master plan is coming together !!
This is THE FIRST MIDI capable Appendage !! Next, I will add MIDI continuous controllers (CC's) to my firmware and digitize the SLIDE, BEND, TFS. With a small modification I shall add [4] 2:1 analog switches, thus I will then have a total of 10 channels of analog signaling I can digitize with up to 10 bit resolution on each channel but right now my firmware divides full scale by 8 so that I can stuff 7 bit values into my MIDI data stream. Right now I use one CV from the Appendage, and a master VOLUME "CC#7". Adding the SLIDE, BEND, TFS will account for using 5 channels with 5 left over for other MIDI controllers that I can route into my software synthesizers. This is Phase 2. |
Bill went on to explain phases 2 through 5, but I'll let him reveal that in his own good time.
This really excites me - I'd love to control my humble SH-201 with my Appendage. Speaking of Appendage, the design has been in the can for a fairly long time. What's holding things up is me - I've got about two thirds of the build doc done.
Pics of Bill's setup: I probably should let Bill point out what is what - I may be getting things mixed up!
| Description: |
|
| Filesize: |
28.32 KB |
| Viewed: |
19533 Time(s) |

|
| Description: |
| Bill's setup - the Appendage board is board towards the bottom. |
|
| Filesize: |
80.89 KB |
| Viewed: |
317 Time(s) |
| This image has been reduced to fit the page. Click on it to enlarge. |

|
| Description: |
|
| Filesize: |
47.1 KB |
| Viewed: |
327 Time(s) |
| This image has been reduced to fit the page. Click on it to enlarge. |

|
| Description: |
|
| Filesize: |
67.44 KB |
| Viewed: |
305 Time(s) |
| This image has been reduced to fit the page. Click on it to enlarge. |

|
_________________ My Site |
|
|
Back to top
|
|
 |
fonik

Joined: Jun 07, 2006 Posts: 3950 Location: Germany
Audio files: 23
|
Posted: Wed Jul 15, 2009 2:35 pm Post subject:
|
 |
|
boyz, you rock!
in the last weeks i sometimes thought of the appendage controller and the softpots i already have in my drawer.
and then is there still the awesome IKC sitting there and waiting to get built. as bill said, now everything starts to come together! i am very excited about this.
a fatar/IKC and an appendage controller in one cabinet! that will be awesome.  _________________
cheers,
matthias
____________
Big Boss at fonitronik
Tech Buddy at Random*Source |
|
|
Back to top
|
|
 |
State Machine
Janitor


Joined: Apr 17, 2006 Posts: 2810 Location: New York
Audio files: 24
|
Posted: Thu Jul 16, 2009 10:18 am Post subject:
|
 |
|
Scott, thanks for posting this information and photos of which I will explain in a moment. Phase 1 is complete. Phase 2 is in the works and 90% of the software has been written and tested and the extra circuit board is being constructed with the remaining phases of the project are outlined below. I hope this will be a part of a line of new expansion boards that can interface to the Appendage Touch Ribbon Controller. The first photo from your post is the prototype shield that attaches to the main MCU board. This contains a limiting buffer amplifier, all interface connectors, and the recommended MIDI electrical interface by the MMA for MIDI INPUT and OUTPUT. The next photo down is the Appendage front panel, MIDi adapter & Appendage PC boards. The next photo down is a close up of the adapter board with shield stacked onto the MCU board. It also shows the interface cables attached. The last photo is some of my panel wiring and the adapter card next to this. As the prototype job gets larger, more and more things get mounted to the temporary plates on the rack assembly.
Appendage MIDI Adapter Specifications and project Phases (Rough Draft):
Project phases:
Phase 1: Build up MIDI Interface “shield” prototype board, interface to the Appendage. Initial firmware y will perform a simple CV to MIDI NOTE ON/OFF conversion.
Phase 2: Add MIDI continuous controllers (CC's) to my firmware and digitize the SLIDE, BEND, TFS. With a small modification I shall add [4] 2:1 analog switches, thus I will then have a total of 10 channels of analog signaling I can digitize with up to 10 bit resolution on each channel but right now my firmware divides full scale by 8 so that I can stuff 7 bit values into my MIDI data stream. Right now I use one CV from the Appendage, and a master VOLUME "CC#7". Adding the INIT ,SLIDE, BEND, TFS will account for using 6 channels with 4 left over for other MIDI controllers that I can route into my software synthesizers.
Phase 3: Add 24 PPQN sync, 1/8th, 1/16th, 1/32nd note clock outputs for analog sequencer synchronization to a MIDI clock stream thus synchronizing both computer and analog sequencer. All outputs shall be TTL/CMOS compatible, fully buffered via 74HC244 with series protective 100R resistor. Synchronization pulses will only be generated when a) the device is receiving MIDI TIMING CLOCK from another source and if the unit has received a MIDI START COMMAND. Clocks will turn off when the device receives a MIDI STOP command. There is, however, an MIDI START/STOP OVERIDE so that the device will generate synchronization when only the MIDI TIMING CLOCKS are being received.
NOTE: This phase of the software is nearly completed as testing commenced last evening.
Phase 4: A USB bridge chip exists (FTDI 232) on the “Arduino 2009” MCU board so I can implement OSC (Open Sound Control) over USB so that the Appendage can control parameters in Reaktor and MAX/MSP sound design environments.
Phase 5: Integrate all circuitry onto a single circuit card that will connect to the 20 pin AUXILIARY connector of the Appendage PC board.
NOTE: It is recommended that all those who develop expansion boards for the Appendage utilize the 20 pin AUX connector.
CONTROLS and INPUTS:
NOTE: All MIDI CC messages are ONLY sent out when values are changed (Slider or potentiometer is moved or turned), however, upon power on, the unit will read all the values of the sliders and potentiometers and send their initial values to the MIDI OUTPUT . In addition, the unit will detect if a SNAPSHOT button has been activated and upon receiving this, the unit will read all the values of the sliders and potentiometers and send their initial values to the MIDI OUTPUT.
Sliders & Potentiometers
1) "MIX" with patch over (0-10v) Note: Hard Limited to -0.3V (NOTE NUMER ON/OFF)
Input type (TRS, NC, JACK)
2) “INIT" with patch over (0-10v) Note: Hard Limited to -0.3V (CC#20)
Input type (TRS, NC, JACK)
3) "SLIDE" with patch over (0-10v) Note: Hard Limited to -0.3V (CC#21)
Input type (TRS, NC, JACK)
4) "TFS" with patch over (0-10v) Note: Hard Limited to -0.3V (CC#22)
Input type (TRS, NC, JACK)
5) "BEND" with patch over (0-10V) Note: Hard Limited to -0.3V (CC#23)
Input type (TRS, NC, JACK)
6) MIDI MASTER VOLUME KNOB (0-5v) (CC#7)
Input type (10K Linear Potentiometer)
7) GENERAL PURPOSE ASSIGNABLE CONTINUOUS CONTROLLER MESSAGE (0-5v) (CC#24)
Input type (SLIDER POTENTIOMENTER, 60MM, LINEAR, 10K)
8) GENERAL PURPOSE ASSIGNABLE CONTINUOUS CONTROLLER MESSAGE (0-5v) (CC#25)
Input type (SLIDER POTENTIOMENTER, 60MM, LINEAR, 10K)
9) GENERAL PURPOSE ASSIGNABLE CONTINUOUS CONTROLLER MESSAGE (0-5v) (CC#26)
Input type (SLIDER POTENTIOMENTER, 60MM, LINEAR, 10K)
10) SLIDER 4 GENERAL PURPOSE ASSIGNABLE CONTINUOUS CONTROLLER MESSAGE (0-5v) (CC#27)
Input type (SLIDER POTENTIOMENTER, 60MM, LINEAR, 10K)
Pushbuttons & Switches:
SNAPSHOT (PUSHBUTTON, N.O., MOMENTARY) - Upon receiving this, the unit will read all the values of the sliders and potentiometers and send their initial values to the MIDI OUTPUT.
NOTE OFF INHIBIT [NOTE LATCH or SUSTAIN] (SPST ON-OFF SWITCH) – When activated, all NOTE OFF MIDI messages are suppressed thus allowing the receiving device, preferably polyphonic, to continue playing a sustained notes even after the ribbon is released. As each note is latched, the controller will remember each note off suppressed, and from what MIDI channel. Upon disabling this feature, all notes that were suppressed will then have a NOTE OFF command sent to turn just those notes OFF.
ALL NOTES OFF (PUSHBUTTON, N.O., MOMENTARY)- This is a panic button in case any stuck notes are experienced. When activated, all notes being played by the receiving device will be turned OFF.
START OVRD (SPST ON-OFF SWITCH) - Synchronization pulses will only be generated when a) the device is receiving MIDI TIMING CLOCK from another source and if the unit has received a MIDI START COMMAND. Clocks will turn off when the device receives a MIDI STOP command. There is, however, an MIDI START/STOP OVERIDE so that the device will generate synchronization when only the MIDI TIMING CLOCKS are being received. |
|
|
Back to top
|
|
 |
Danno Gee Ray
Joined: Sep 25, 2005 Posts: 1351 Location: Telford, PA USA
|
Posted: Thu Jul 16, 2009 3:27 pm Post subject:
|
 |
|
Is the Appendage PCB available for purchase by the general public?
Or, is it still only available to the "New Rube Golberg Club"? |
|
|
Back to top
|
|
 |
State Machine
Janitor


Joined: Apr 17, 2006 Posts: 2810 Location: New York
Audio files: 24
|
|
|
Back to top
|
|
 |
Adam-V

Joined: Jan 29, 2007 Posts: 300 Location: Australia
Audio files: 1
|
Posted: Thu Jul 16, 2009 5:58 pm Post subject:
|
 |
|
Bill, you are the man!
I'd be keen to see a parts kit for this. I have trouble finding the time to build any projects these days let alone finding time to source components. I've still got 4 Klees, 4 UD-1s and 6SN-Vs to build amongst many other projects.
Cheers,
Adam-V _________________ Digitalis Effect | Fractured Symmetry (www.spiralsect.com) |
|
|
Back to top
|
|
 |
Danno Gee Ray
Joined: Sep 25, 2005 Posts: 1351 Location: Telford, PA USA
|
Posted: Thu Jul 16, 2009 6:37 pm Post subject:
|
 |
|
Hi Bill,
Most awesome news!
I was just running out of saliva from my Pavlov's Dog imitation....You guys ideate...I salivate. LOL
Damn nice work there all of you. Hope you didn't mind the tongue in cheek remark about the "New Rube Goldberg Club"...I began to feel like the neghbor down the street from the Hot Rod guy, listening to his Big Block with Blower purring away, wishing I had one o' those.
When it comes out, I'm in.
Again, most excellent work by you all! |
|
|
Back to top
|
|
 |
Scott Stites
Janitor


Joined: Dec 23, 2005 Posts: 4127 Location: Mount Hope, KS USA
Audio files: 96
|
Posted: Thu Jul 16, 2009 8:09 pm Post subject:
|
 |
|
We kept the number of pulleys down to a bare minimum.
Bill - is a sequined cape included in that potential parts package?
BTW, dang - can't remember his handle on e-m, but Joe the Walking Stick guy can make a nice ribbon assembly that will be compatible with the Appendage. Hope he chimes in. His site is:
http://members.cox.net/ribboncontrollers/
Cheerios,
Scott _________________ My Site |
|
|
Back to top
|
|
 |
State Machine
Janitor


Joined: Apr 17, 2006 Posts: 2810 Location: New York
Audio files: 24
|
Posted: Fri Jul 17, 2009 7:28 am Post subject:
|
 |
|
Dan - Not offended at all man !!! It was funny !!
Scott --- A cape sequined with "Stites Appendage" across the back !!!
Adam V -- OK< your getting me closer to a decision . AND, I just recieved anothr mail saying they really wanted a kit to ...
Alos, if those who may be interested in adding the MIDI stuff I have been talking about, this is the display that is compatible with it ....
http://electro-music.com/forum/topic-32751.html
Thanks guys ....
Bill |
|
|
Back to top
|
|
 |
mark_olson
Joined: Oct 26, 2006 Posts: 177 Location: Lawrence, Kansas
|
Posted: Fri Jul 17, 2009 7:49 am Post subject:
|
 |
|
| State Machine wrote: | | AND, I just recieved anothr mail saying they really wanted a kit to ... |
Well, if a little more peer pressure would help, consider this: I've been saving my pennies since that day long ago when Scott first suggested the possibility that a kit might be forthcoming.
Mark |
|
|
Back to top
|
|
 |
State Machine
Janitor


Joined: Apr 17, 2006 Posts: 2810 Location: New York
Audio files: 24
|
Posted: Fri Jul 17, 2009 11:34 am Post subject:
|
 |
|
Oh the pressure, the pressure .... I am caving into the pressure
Looks like I will have to work up a kit and pricing. I really think the softpots will need to come with the kit but may come standard with the 500mm units. It may also include the isolated TRS jack and pin strip that the softpot attaches to.
OK, lemme' think about this.
The kits will probably be on a pre-order basis like the PCB BUT I am fairly quick, and my reputation is not bad either ... wink wink ..., to deliver once I get all my stock in.
OK
Thanks .....
Anymore peer pressure by the way ???? |
|
|
Back to top
|
|
 |
Danno Gee Ray
Joined: Sep 25, 2005 Posts: 1351 Location: Telford, PA USA
|
Posted: Fri Jul 17, 2009 2:13 pm Post subject:
|
 |
|
Yeah...OK...More pressure...I have a crystal ball, peer into this!
..."You will do the kits....you will do the kits"....
How's that for peer pressure? |
|
|
Back to top
|
|
 |
aetherpulse
Joined: Jun 13, 2007 Posts: 29 Location: oregon
|
Posted: Fri Jul 17, 2009 7:12 pm Post subject:
|
 |
|
| I would love a kit! |
|
|
Back to top
|
|
 |
RKHobbs

Joined: Jun 10, 2008 Posts: 19 Location: Maryland
|
Posted: Fri Jul 17, 2009 7:15 pm Post subject:
|
 |
|
Piling on the pressure...
I'll pre-order a PCB and a parts kit. Sequined cape in red please.
Rob |
|
|
Back to top
|
|
 |
diablojoy

Joined: Sep 07, 2008 Posts: 809 Location: melbourne australia
Audio files: 11
|
Posted: Sat Jul 18, 2009 12:08 am Post subject:
|
 |
|
there are 2 versions of ribbons available, the soft pot and another called
hot pot . which one to use ? there are some distinct differences,
soft pot 500 mm
100 - 10k
poly base
$25 each roughly
hot pot 500 mm
100 - 20k
fibreglass base
$30 each roughly
supposedly has a better feel
has any one tried the hot pot ?
will it work as well considering the differing resistance [less accuracy over given distance]
thinking of buying at least 4 of these
p.s. state machine have you checked out midibox gm5 module as a way of providing usb to midi connectivity it is a very good solution that is already up and running.
www.sparkfun.com/commerce/product_info.php?products_id=8681
www.sparkfun.com/commerce/product_info.php?products_id=9092 |
|
|
Back to top
|
|
 |
adambee7
Joined: Apr 04, 2009 Posts: 420 Location: united kingdom
|
Posted: Sat Jul 18, 2009 10:48 am Post subject:
|
 |
|
i'd grab two of these. Really good work guys.  |
|
|
Back to top
|
|
 |
slo

Joined: Feb 18, 2007 Posts: 204 Location: Victoria, BC
Audio files: 1
|
Posted: Sun Jul 19, 2009 7:51 am Post subject:
|
 |
|
I'd get a parts kit too, saves a lot of hassle. I think the kit should be 2 choices, with or without the softpot, 'cause some of us have the ribbon already, just waiting for the day we can put the cape back on.
George |
|
|
Back to top
|
|
 |
Randaleem
Joined: May 17, 2007 Posts: 456 Location: Northern CA, USA
|
Posted: Wed Jul 22, 2009 6:57 am Post subject:
|
 |
|
| Scott Stites wrote: | BTW, dang - can't remember his handle on e-m, but Joe the Walking Stick guy can make a nice ribbon assembly that will be compatible with the Appendage. Hope he chimes in. His site is:
http://members.cox.net/ribboncontrollers/Cheerios, Scott |
Hi Scott,
At Muffwiggler, he goes by Chromium. Not sure about his handle here either? But agreed, he makes nice ribbon controllers! Kind regards, Randal |
|
|
Back to top
|
|
 |
Randaleem
Joined: May 17, 2007 Posts: 456 Location: Northern CA, USA
|
Posted: Wed Jul 22, 2009 7:02 am Post subject:
|
 |
|
| State Machine wrote: | | Anymore peer pressure by the way ???? |
Hi Bill, Schematics? Or has this become a PCB/kit only offering?
Kind regards, Randal |
|
|
Back to top
|
|
 |
robotfunk
Joined: Jun 22, 2009 Posts: 20 Location: Netherlands
|
Posted: Thu Jul 23, 2009 5:14 am Post subject:
|
 |
|
| Interested in PCB + Kit here |
|
|
Back to top
|
|
 |
machine.cuisine
Joined: Jul 20, 2007 Posts: 61 Location: ks
Audio files: 4
|
Posted: Thu Jul 23, 2009 6:45 am Post subject:
|
 |
|
I'd do a PCB and KIT for sure. _________________ "There's an audiophile born every minute!" - P.T. Barnum, paraphrased |
|
|
Back to top
|
|
 |
Sound
Joined: Jun 06, 2006 Posts: 842
Audio files: 1
|
Posted: Thu Jul 23, 2009 1:56 pm Post subject:
|
 |
|
sMs Electroncs Kits for ever!
One here. |
|
|
Back to top
|
|
 |
|